Next Article in Journal
A Novel Model for Wind Turbines on Trains
Previous Article in Journal
Experimental and Photothermal Performance Evaluation of Multi-Wall Carbon-Nanotube-Enhanced Microencapsulation Phase Change Slurry for Efficient Photothermal Conversion and Storage
 
 
Font Type:
Arial Georgia Verdana
Font Size:
Aa Aa Aa
Line Spacing:
Column Width:
Background:
Article

Design Studies of VSC HVDC Converter According to AC Voltage Tests

by
Ali Burhan Haliloglu
1,2,* and
Ires Iskender
3
1
Department of Electrical and Electronics Engineering, Gazi University, Ankara 06570, Turkey
2
Marmara Research Center (MAM), Scientific and Technological Research Council of Turkey, Ankara 06800, Turkey
3
Department of Electrical Electronics Engineering, Cankaya University, Ankara 06790, Turkey
*
Author to whom correspondence should be addressed.
Energies 2022, 15(20), 7628; https://doi.org/10.3390/en15207628
Submission received: 11 September 2022 / Revised: 12 October 2022 / Accepted: 13 October 2022 / Published: 15 October 2022
(This article belongs to the Section F: Electrical Engineering)

Abstract

:
Since high-voltage direct current (HVDC) systems are very expensive and operationally critical, these systems must be tested before they are put into service. Insulation and performance tests are the two main subjects of these tests. AC voltage tests, as part of the insulation tests, should be performed after system installation is complete and before commissioning. However, in this study, the objective was to perform these tests during the prototype phase of VSC HVDC. Unlike other studies, this study attempted to use COMSOL Multiphysics to determine in advance the problems that may occur in the real system. In this regard, the busbars connecting the submodules of the VSC HVDC system were first modeled in 3D, and the tests to be performed were simulated using COMSOL Multiphysics software. During the simulation, the finite element method (FEM) was used to identify critical points that could cause partial discharge. To validate the simulation results, partial discharge tests on a real system were conducted, and the design changes made in response to each test result were explained. After the improvement actions, the targeted partial discharge values were achieved.

1. Introduction

The rapidly evolving voltage source converter (VSC)-based HVDC systems have advantages over conventional line-commutated converter (LCC)-based HVDC technology, such as flexible active and reactive power control, black start, and more. These advantages make VSC-based HVDC systems the preferred choice in weak AC grids, island grids, and when connecting renewable energy to grids [1,2,3].
Modular multilevel converters (MMCs) have become the preferred technology for VSC-based HVDC grids because they offer several benefits over other two- and three-level VSC HVDC systems. For example, higher voltage levels can be easily achieved when the number of submodules is increased, the size of filters can be reduced, and the quality of output currents is high [4,5,6,7,8,9].
The transformers, circuit breakers, busbars, and various devices used in VSC HVDC systems have different breakdown voltage levels and therefore different voltage-time characteristics. In addition, the design of VSC HVDC systems composed of a variety of devices should be checked via various tests [10]. The most important of these tests are the performance and insulation tests. The insulation tests recommended in the standards are designed to check the mechanical design of the system and verifying the safe operation of the devices under operating conditions [11].
There are studies in the literature that report a need for sub-module tests, high-voltage energization tests, operational tests, power quality tests, performance tests, and insulation tests prior to the commissioning of HVDC systems, and provide recommendations on these studies [12,13,14,15,16,17]. In [11], information is provided on HVDC circuit structures, performances, the power requirements of VSCs, environmental effects of systems, and insulation tests. In [12,14,18], information is provided on the testing and measurement circuits of the tests described in [11]. In [19], information is given about the aging mechanisms of insulation in hybrid AC/DC networks. There have also been some studies on the performance of MMC-based HVDCs under DC or AC faults [20,21]. On the other hand, [22,23] emphasized the need for modeling and simulations for insulation studies of HVDC systems and provided information on the boundary conditions for such systems. Furthermore, in [24,25], information on the complexity of designing insulation materials for HVDC systems is provided.
Partial discharges indicate a problem in the insulation of a system, and their presence can lead to equipment failure. For this reason, partial discharge measurements are performed as part of factory tests, commissioning tests, or periodic maintenance. It is a fact that partial discharge measurements are crucial for detecting weak points in high-voltage equipment [26].
For this reason, this study focused on insulation tests of an MMC type VSC HVDC system and the design of the power stage, which had to be performed in accordance with these tests prior to testing, and the experiments to be performed were determined via simulation studies. In the simulation studies, the main busbar of the prototype VSC HVDC was energized, and the points of partial discharge were roughly observed. Then, more detailed simulation scenarios were tried at critical points. The improvement scenarios were determined using a trial-and-error method and considering information obtained from the literature, and a FEM analysis was performed at critical points using COMSOL Multiphysics software. AC Voltage tests were performed in the real system, to verify the scenarios in which, according to the simulation results, a significant reduction in partial discharge values was observed. Then, the AC Voltage tests were explained in the context of insulation tests, which are performed before commissioning VSC HVDC systems. The relevant tests, as recommended in [11], the procedure for performing them, the criteria for passing the tests, and the test results for the 10 MVA prototype VSC-based HVDC system, are presented. The activities to improve the test results in terms of partial discharge and the points to consider when performing these tests are highlighted. In addition, based on the experience gained from the test results, recommendations are made for the mechanical design of the power stage of the VSC HVDC or similar systems exposed to high voltage.
The main contribution of this study is its investigation of the causes of partial discharge that may occur in an VSC-based HVDC system operating in a high-voltage environment and developing the most appropriate and scientific analytical approach for each problem. AC Voltage tests are done before HVDC systems are commissioned. However, in this study, the aim was to carry out the AC voltage tests normally performed at the prototype stage before the actual system was completed. The main challenge for the particular prototype under study in this phase was to perform the AC voltage tests on the prototype system when operating at a lower voltage than that of the actual system, taking into account the operating conditions of the actual system. To avoid unpredictable failures of large-scale equipment, COMSOL Multiphysics was used in this article. The MMC type VSC-based HVDC system, which is the subject of this work, is the first one of its kind, whereas the practical studies and results presented in this paper are the first applied in Turkey. The system was developed entirely by local engineers, with expertise areas varying from mechanical design to control and from power stage implementation to protection software.
This article is organized as follows: Section 2 describes the prototype VSC-based HVDC system, followed by details of the modelling methods in Section 3 and AC voltage test methods in Section 4. Simulation and experimental results are discussed in Section 5, and finally the conclusions are drawn in Section 6.

2. HVDC Prototype System

As part of the project, whose main motivation was to develop a VSC HVDC system with a capacity of 100 MVA (2 × 50 MVA), a prototype system was first designed and implemented. The prototype system consists of self-commutated modular multi-level converters (MMC) with a nominal capacity of 10 MVA. The voltage level of the main project is 36 kV, and the voltage level of the prototype system, which consists of submodules with a smaller number than the main system, is 5.5 kV, and the performance tests were performed with this system.
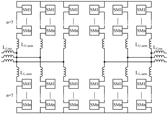
The submodules were designed as half-bridge rectifiers, as shown in Figure 1, and connected in series via copper busbars, as shown in Figure 2. The submodules consist of two semiconductor switches (IGBT1, IGBT2), a by-pass switch (S), a capacitor (Cdc), a discharge resistor (Rdischarge), and a thyristor switch (T). The prototype system consists of 84 submodules, as shown in Figure 2. There are total of 14 submodules in each arm, 7 on the upper arm and 7 on the lower arm per phase. These submodules are arranged as phases A, B, and C from top to bottom in the valve support structure.
The main system with a capacity of 50 MVA will have 480 submodules. There will be 80 submodules in each arm, 40 on the upper arm and 40 on the lower arm per phase. The objective of this study was to determine the partial discharge points that may occur when the VSC-based HVDC prototype operating at 5.5 kV is exposed to ≥36 kV, to avoid the problems that may occur due to partial discharges. If the tests were performed on the main system, these tests would have to be applied to all 40 submodules in an arm, and many more devices would be damaged if a failure occurred.

3. Modelling Method of the Prototype System

The HVDC prototype system was constructed by combining numerous devices with different insulation levels. Since the auxiliary components, such as the busbar, bolts, cables, support structure, etc., used to connect the devices are also subjected to voltage stress, the system must be thoroughly tested before it is put into operation. In the first step of testing, modeling of the system and simulations of the tests are very useful, to identify the points that could cause problems.
Accordingly, the busbars of the series-connected submodules in Figure 2, to which the test voltages were applied, were modeled in the COMSOL Multiphysics software, taking into account the real system. Since the bypass switches shown in Figure 2 were closed during testing, this part was modeled as a shorted busbar in the simulation. The parts of the submodules other than the busbars were not modeled, because this would complicate the model too much and increase the simulation analysis time. In addition, the geometry of the busbars in the prototype system, the distance to the ground point, and the valve support structure, etc., were designed during modeling to be exactly compatible with the real system.
The actual operating condition of the system was created by placing the model in a large air-filled cube, as shown in Figure 3. Then the calculated test voltage was applied to these busbars, to predetermine the points of partial discharge formation. By observing the regions where the electric field streamlines and electric potential is intense, these parts were targeted in the improvement activities. Following the results of the simulation studies, insulation tests and improvement activities were performed on the power stage of the HVDC prototype system.
The electric field streamlines, whose directions are indicated by arrows, are shown in red in Figure 3 and other simulation result figures. It was observed that the electric field streamlines followed a path from the electrically charged busbar to the ground in the air-filled volume. To avoid complicating the figures, the electric field streamlines are only drawn for the evaluated region and with only 50 pieces per figure.
In addition, isometric coloring was applied to the figures, to show the volume affected by the electric field that forms around the busbars when voltage is applied to the system. The isometric coloring from blue to red shows that the amplitude of the electric field is increasing. Therefore, the busbars where voltage was applied and their surroundings are shown in red and the earthed area on the ground is shown in blue. Further illustrations of the simulation results can be found in Section 5 and should be evaluated in accordance with the above information.

4. AC Voltage Test Method

Insulation tests should be performed to determine if there are any design defects in a system. If there is a design defect in the system, the tested device may be damaged. For this reason, testing should be performed on a part of the system that reflects the entire system, to avoid possible major damage to the equipment. The minimum number of submodules to be tested, depending on the valve levels in a single valve is detailed in [11].
In [11], it states that for a valve with 50 or fewer submodules, the tests should be applied to all submodules. The valve in the final system will consist of 40 submodules per phase, while the valve in the prototype system consisted of 7 submodules per phase. Considering the number of submodules in the prototype system, a test setup was established and tests were performed to include all 7 submodules in one valve per phase.
The AC voltage tests mentioned in the standard can be divided into two types with respect to the connection scheme of the test equipment. One of these connection schemes is phase to phase, as shown in Figure 4, connection scheme (a), and is referred to as dielectric tests on a multiple valve unit. The other is between phase to ground, as shown in Figure 4, connection scheme (b), and is referred to as a dielectric test on the valve support structure [11]. The voltage levels for the AC voltage tests were applied according to the connection schemes (a) and (b).
During the tests, the bypass switch (S) was closed, to avoid damage to other components such as the IGBT, capacitor, and thyristor in Figure 1 and Figure 4.
Partial discharges are localized dielectric failures in a small part of the electrical insulation system subjected to a high-voltage stress, and which do not short-circuit the space between two conductors. The purpose of AC voltage tests is to verify that the partial discharge initial and final voltage values are above the maximum operating voltage values for on the equipment. In this context, voltage values higher than the rated operating voltage are applied to the system for an extended period of time. Subsequently, it is monitored to see if an electrical failure occurs [11].
The test duration and values are shown in Figure 5. In the first phase of the test, a value of no more than 50% of the maximum test voltage should be applied. Starting from the initial voltage value, this should then be increased as quickly as possible to the 1-min test voltage calculated according to Equation (1). After remaining at this value for 1 min, it should be reduced as quickly as possible, to the 30-min test voltage calculated according to Equation (2). This value must be held constant for 30 min and then reduced to zero. Before the end of the 30-min test, the level of partial discharge must be monitored and recorded for a period of 1 min. If the recorded value of the partial discharge is below 200 pC, the design can be accepted unconditionally, according to the standard, otherwise the insulation level of the system should be re-evaluated [11].
High-voltage AC (High-Voltage ALT −120/60) in combination with a partial discharge measuring system was used for AC voltage tests. The partial discharge measurement system, in turn, was designed to measure partial discharges in the range of 1–2000 pC, up to a voltage level of 60 kV AC. In addition, the test and measurement system had their own filters to reduce interference, as suggested by the standard [27].
The calculation method of the applied test voltages, the simulation results, and the test results before and after the improvement activities are explained in Section 5.
The RMS value of the AC test voltage was determined in accordance with the following equations [11]:
U 1 min = U m S 1 2 k 4 k t
U 30 min = U m S 2 2 k 4
UmS1 is the peak value of maximum voltage appearing on the valve support in service, particularly in a system fault condition and valve fault operation condition. UmS2 is the peak value of the maximum repetitive operating voltage across the valve support during steady-state operation, including switching overshoot. k4 is the safety factor and it is recommended to be taken as 1.1 [11]. kt is the atmospheric correction factor and is determined by the altitude of the system location. Details on calculating the atmospheric correction factor are given in [28].
U 1 min = 55 k V 2 × 1.1 × 1 0.805 = 53.14 k V
U 30 min = 55 k V 2 × 1.1 = 42.77 k V
Ums1 and Ums2 values were determined as 55 kV from the simulations and the atmospheric correction factor was calculated as 1/0.805. Test amplitudes calculated according to Equations (3) and (4) for AC voltage tests were U1min = 53.14 kV and U30min = 42.77 kV for the HVDC prototype.

5. Results

In this section, the results of the simulation studies performed with COMSOL Multiphysics, described in detail in Section 3, and the results of the insulation tests, described in detail in Section 4, are given, to verify the simulation results.
In this study, after roughly determining the points of partial discharge from the simulation results, the improvement scenarios were determined using a trial-and-error method, in accordance with the information in the literature on partial discharge. As a result of the improvement activity, scenarios with a significant reduction in partial discharge values were included in this study. Scenario results with a decrease of less than 5 pC were not included. Then, the scenarios used in the simulation studies were verified under the condition that the test voltages U1min and U30min were applied to all phases separately and between phase and ground, as shown in Figure 5. However, the AC Voltage test results shared in the study were the result of the phase C to ground, where the highest amplitude results were obtained.
In line with this information, the details of the initial conditions and the improvement actions, numbered 1 to 6, were as follows:
1. It was observed that the electric potential and electric field streamlines of the long busbar part at the end of the series-connected submodules were quite intense compared to the other parts, when the calculated voltage was applied and before any improvement action was taken. Considering the isometric coloring in Figure 6a, it was seen that the electric field affected a much larger volume when the long busbar piece was installed in the system. In Figure 6b, it can be seen how the intensity of the electric field streamlines decreased after the long busbar piece was removed from the system.
To see this positive effect from the simulation, test voltages were applied to the system before any improvement actions were taken in the tests. However, it was found that the partial discharge at 35 kV voltage level exceeded 1000 pC. In addition, the discharge noise generated in the test environment approximately showed the region where the partial discharge occurred. It was determined that the long busbar section at the end of the series-connected submodules, which was also detected in the simulation, was the point where the partial discharge occurred. For this reason, voltages higher than 35 kV were not applied, to avoid damage to the HVDC system.
The long busbar marked in red in Figure 7 was only present in the prototype system; there was no such part in the final system. For this reason, a sharp decrease in partial discharge values was observed when the long busbar was removed and the tests were repeated. It was found that the measured value for U30min decreased to 274 pC. However, this value was still well above the 200 pC limit specified in the standard [11]. In order to reduce this value, improvement measures were implemented in the next step.
2. The shields of the signal cables of the measurement system were grounded, to reduce distortion, as specified in the standard [27]. All cables of the measurement system were shielded, and their shields were grounded at the source point. However, the cable used to apply the test voltage was not shielded. Therefore, the effect of the shielding of the test cable was observed in the simulation. In Figure 8a, it can be seen that the electric field streamlines were intense when the test voltage was applied to the initial condition of the test cable. In Figure 8b, it can be seen that the electric field streamlines decreased compared to the previous condition. In Figure 8c, it can be seen that the electric field streamlines of the test cable disappeared completely. In addition, it was found from the isometric coloring that the volume affected by the electric field in the test environment decreased sharply.
To verify this result from the simulation in the AC Voltage test, the test cable between the test system and the submodules was passed through a flexible aluminum tube as marked in red in Figure 9, and the aluminum tube was grounded. The preferred test cable was one with a minimum radius of 1 cm and a smooth surface. As a result of the AC Voltage test, it was found that the U30min value decreased to 142 pC. With this improvement in activity, precautions were thus taken against partial discharges that could emanate from the test cable.
3. The series-connected submodules were uniformly mounted on the valve support structure. It was assumed that the electric field distribution between the submodules was the same, since they were geometrically uniform and identical. However, at the far end of the last submodule, a different electric field distribution was predicted, because the uniform geometric structure changed. Partial discharges can occur when the electric field is not uniform [29]. Therefore, after several different experiments, a metal sphere was added in the simulation, to unify the electric field streamlines at the end point of the series-connected submodules, as shown in Figure 10b. To avoid complicating Figure 10, only the electric field lines of the part of interest were drawn in the simulation. In both figures in Figure 10, 50 electric field streamlines were drawn. After using the metal sphere, it was observed that the volume occupied by the electric field streamlines decreased and became smoother.
To see this positive effect obtained in the simulation, a metal sphere was connected to the other end of the submodules connected in series, as marked in red in Figure 11 in the AC voltage test. After this improvement, it was observed that the partial discharge values for U30min decreased to 92 pC as a result of the AC voltage test.
4. For the same reason as the previous improvement action, a metal sphere was added at the starting point of the series-connected submodules in the simulation, and its effect was observed. In Figure 12b, it can be seen that after adding the metal sphere to the point where the test voltage was applied, the volume occupied by the electric field streamlines decreased and the streamlines became smoother.
In the AC voltage test, a metal sphere was connected to the head of the submodules in series, to the point where the test voltage was applied, as marked in red in Figure 13. After this improvement action, the partial discharge values for U30min were reduced to 80 pC, as a result of the AC voltage test.
5. Typically, partial discharge actively occurs at conductive sharp edges and points [30,31,32]. The sharp points on the part where the test voltage was applied were the bolts used in the copper busbars between the submodules. To investigate the effects of partial discharge of the bolts, a simulation scenario was tried, where the short and long bolts were in the same busbar. It was observed that the electric field stream lines were significantly higher on the long bolt than on the short bolts, as shown in Figure 14. This prevented uniform distribution of the electric field and caused partial discharge.
To see the effect of long bolts, the bolts were shortened, so that they did not exceed the nuts in the AC voltage test, as marked in red in Figure 15. After this improvement activity, it was observed that the partial discharge values for U30min decreased to 55 pC.
6. The need for electric field control at sharp edges is a common problem in electrical engineering, but a simple method of limiting the electric field in these parts is to round or screen sharp metallic edges [30,31]. Examination of the metal and sharp points of the prototype revealed that the metal bolts used for the mechanical connection in the valve support structure were consistent with this information. These bolts are not directly exposed to voltage stress, but they remain in the electric field because they are located near the busbars, as shown in Figure 16. Simulation modeling was carried out, to determine the effects of the bolts in question on the partial discharge.
In Figure 16, only the electric field of the metal bolts in the valve support structure located near the busbars is plotted. The valve support structure is not been shown, to increase the clarity of the figure. Based on the isometric coloring in Figure 16a, it can be seen that the bolts were yellow, i.e., they remained in the average electric field.
Since it was not possible to remove the bolts that provide mechanical strength to the valve support structure, an attempt was made to limit the electric field by covering the bolts in question with metal plates. In Figure 16b, it was seen that there was no visible change in the electric potentials of the respective metal plates in terms of isometric coloring.
To investigate the effect of metal plates on the electric field lines, a cross-section was drawn in the z-axis direction, from the point where the metal plates were attached to the ends of the bolts in Figure 16, and Figure 17 was drawn. The electric field streamlines in the initial state are shown in Figure 17a, and the electric field streamlines after the bolts were closed with metal plates are shown in Figure 17b. In Figure 17b, in the lower picture, it can be seen that the electric field lines have changed their direction somewhat and have become slightly thinner.
Although this improvement activity did not have a serious effect, it was applied in the AC voltage test. The bolts that were not directly subjected to voltage stress during testing were covered with metal plates, as marked in red in Figure 18. After this improvement activity, it was observed that the partial discharge values for U30min decreased to 46 pC.
Finally, the partial discharge values corresponding to the voltage level of U30min from the improvement activities, numbered 1 to 6 above, are shown in Table 1. Although the partial discharge values fell below the 200 pC limit with improvement activity number 2, the design improvement studies continued. The AC voltage tests provided a preliminary identification of potential trouble spots when exposed to voltages higher than the operating voltage of the VSC HVDC prototype. The system improvement studies, on the other hand, provided an idea of the points to be considered in the final design of the system.
Table 1 shows the largest of the 30 values measured at 1-min intervals within the time interval of the 30-min test. The rows in Table 1 show the results obtained by varying the amplitude of the applied test voltages. The columns in the table show the results of the improvement actions that were performed to improve the test results.
As can be seen in Figure 19, the greatest decrease in partial discharge values was observed after the removal of the long busbar section, which was not present in the original system. The next largest drop was observed after the test cable was passed through a metal tube and the tube was subsequently grounded. After that, with the four improvement actions implemented, a threefold decrease in partial discharge values was observed.
Many HVDC designs on the market use metal supports and insulators to isolate the valve support structure from the ground. However, in this design, insulation between the submodules and the ground was provided by the material of the valve support structure and by considering the electrical insulation distances. The valve support structure made of insulated and non-combustible material was placed on the concrete floor. Since the floor with which the valve support structure is in contact is concrete, a grounding grid was formed of metal plates 2 mm thick and 300 mm wide, as marked in red in Figure 20, and this grid was connected together to ensure equipotentiality. For this reason, valve support AC voltage tests were performed between the submodules and the newly created grounding grid.

6. Conclusions

Insulation tests are very important to verify the mechanical design of a system. The partial discharge tests described in the “AC Voltage Tests” section of this work are extremely sensitive for this application. The sensitivity of these tests can be seen in the results of improvement activity number 2. After passing the test cable through a metal tube and when the metal tube was grounded, the partial discharge values decreased significantly. The results and recommendations obtained after all simulation studies and tests are listed below:
  • The magnitude and profile of test voltage must be carefully calculated and applied considering Figure 5.
  • While performing these tests, all other electrical equipment in the test environment must be turned off, so that they do not interfere with the measurement results.
  • Conducting tests in a silent and dark environment can be helpful in determining the starting points of the partial discharge.
  • It is also advantageous to use an isolation transformer of the required rating to supply power to the test equipment and measurement system, to isolate the electrical network and the measurement system.
  • The measurement system must have its own filters, to avoid interference. It should be ensured that the measured values are real values and clear of interference. Otherwise, misinterpretations may occur.
  • In addition, the shielded signal cables used in the measurement system must be grounded. Random positioning of test and measurement cables in the test environment might also affect results.
  • High-voltage terminals and cables should be selected from thick, rounded, and smooth materials, to avoid highly non-uniform electrical fields, and hence sources of partial discharge.
  • Attention should also be paid to the connection contact between the wires and the terminals, so that there are no sharp points and hence no additional sources for partial discharge.
  • As a rule of thumb, the relationship between partial discharge and electric field distribution should always be kept in mind. Since the distribution of the electric field depends on the geometry of the device, avoiding designs with sharp edges ensures a uniform distribution of the electric field and thus reduces partial discharge.
  • In other words, partial discharge test results are greatly improved when sharp edges are avoided as much as possible in the system design. If it is not possible to change the system design during testing, sharp metal conductive edges should be rounded or shielded, to limit partial discharge.
After the improvement activities, the target partial discharge values were achieved in the AC voltage tests. Thus, the AC voltage tests performed on a VSC HVDC system in the prototype phase according to the actual system conditions were successful with the help of FEM analysis and the simulations performed in advance.

Author Contributions

Methodology, A.B.H.; software, A.B.H.; validation, A.B.H.; formal analysis, A.B.H. and I.I.; writing—original draft preparation, A.B.H. and I.I.; writing—review and editing, A.B.H. and I.I.; visualization, A.B.H. and I.I.; supervision, I.I. All authors have read and agreed to the published version of the manuscript.

Funding

This research work is carried out within the scope of the research and development of back to back connected MMC type VSC HVDC system, which is funded by TUBITAK Public Research Grant Committee (KAMAG-Project No: 113G008), customized by TEIAS and being directed by TUBITAK MAM (Project No: 5142805). The authors would like to thank these institutions for their support.

Data Availability Statement

Not applicable.

Conflicts of Interest

The authors declare no conflict of interest.

References

  1. Adam, G.P.; Ahmed, K.H.; Finney, S.J.; Bell, K.; Williams, B.W. New breed of network fault-tolerant voltage-source-converter HVDC transmission system. IEEE Trans. Power Syst. 2013, 28, 335–345. [Google Scholar] [CrossRef]
  2. Cao, J.; Du, W.; Wang, H.F.; Bu, S.Q. Minimization of transmission loss in meshed AC/DC grids with VSC-MTDC networks. IEEE Trans. Power Syst. 2013, 28, 3047–3055. [Google Scholar] [CrossRef]
  3. Xu, L.; Yao, L.; Sasse, C. Grid integration of large DFIG-based wind farms using VSC transmission. IEEE Trans. Power Syst. 2007, 22, 976–984. [Google Scholar] [CrossRef]
  4. Li, R.; Xu, L. Review of DC fault protection for HVDC grids. Wiley Interdiscip. Rev. Energy Environ. 2018, 7, 1–15. [Google Scholar] [CrossRef]
  5. Nami, A.; Liang, J.; Dijkhuizen, F.; Demetriades, G.D. Modular multilevel converters for HVDC applications: Review on converter cells and functionalities. IEEE Trans. Power Electron. 2015, 30, 18–36. [Google Scholar] [CrossRef]
  6. Zhang, Z.; Larijani, M.T.; Tian, W.; Gao, X.; Rodríguez, J.; Kennel, R. Long-horizon predictive current control of modular-multilevel converter HVDC systems. In Proceedings of the IECON 2017 43rd Annual Conference of the IEEE Industrial Electronics Society, Beijing, China, 29 October–1 November 2017; pp. 4524–4530. [Google Scholar] [CrossRef]
  7. Laib, A.; Krim, F.; Talbi, B.; Sahli, A. A predictive control scheme for large-scale grid-connected PV system using high-level NPC inverter. Arab. J. Sci. Eng. 2020, 45, 1685–1701. [Google Scholar] [CrossRef]
  8. Yaramasu, V.; Wu, B.; Chen, J. Model-predictive control of grid-tied four-level diode-clamped inverters for high-power wind energy conversion systems. IEEE Trans. Power Electron. 2014, 29, 2861–2873. [Google Scholar] [CrossRef]
  9. Yaramasu, V.; Wu, B. Model predictive decoupled active and reactive power control for high-power grid-connected four-level diode-clamped inverters. IEEE Trans. Ind. Electron. 2014, 61, 3407–3416. [Google Scholar] [CrossRef]
  10. Wadhwa, C.L. High Voltage Engineering, 2nd ed.; New Age International Publishers: New Delhi, India, 2007; ISBN 9788122423235. [Google Scholar]
  11. IEC Standard 62501-2009+A2-2017; Voltage Sourced Converter (VSC) Valves for High-Voltage Direct Current (HVDC) Power Transmission—Electrical Testing. International Electrotechnical Commission Standard IEC: Geneva, Switzerland, 2017.
  12. CIGRE WG14.01. TF03 Test Circuit for HVDC Thyristor Valves. 1997. Available online: https://e-cigre.org/publication/113-test-circuits-for-hvdc-thyristor-valves (accessed on 10 September 2022).
  13. CIGRE WGB4.48. Components Testing of VSC System for HVDC Applications. 2011. Available online: https://e-cigre.org/publication/ELT_254_4-components-testing-of-vsc-system-for-hvdc-applications (accessed on 10 September 2022).
  14. CIGRE WGB4.63. Testing and Commissioning of VSC HVDC Systems. 2017. Available online: https://e-cigre.org/publication/697-testing-and-commissioning-of-vsc-hvdc-systems (accessed on 10 September 2022).
  15. Schettler, F.; Huang, H.; Christl, N. HVDC transmission systems using voltage sourced converters design and applications. In Proceedings of the Power Engineering Society Summer Meeting, Seattle, WA, USA, 16–20 July 2000; Volume 2, pp. 715–720. [Google Scholar]
  16. Saad, H.; Rault, P.; Dennetière, S. Study on transient overvoltages in the converter station of HVDC-MMC links. Electr. Power Syst. Res. 2018, 160, 397–403. [Google Scholar] [CrossRef]
  17. IEC Standard 60071-1+A2-2010; Insulation Co-Ordination Part 1: Definitions, Principles and Rules. International Electrotechnical Commission Standard IEC: Geneva, Switzerland, 2010.
  18. Haliloglu, A.B.; Iskender, I. High voltage DC systems and the related commissioning. Int. J. Tech. Phys. Probl. Eng. 2020, 12, 90–98. [Google Scholar]
  19. Montanari, G.C.; Morshuis, P.; Seri, P.; Ghosh, R. Ageing and reliability of electrical insulation: The risk of hybrid AC/DC grids. High Volt. 2020, 5, 620–627. [Google Scholar] [CrossRef]
  20. Saeedifard, M.; Iravani, R. Dynamic performance of a modular multilevel back-to-back HVDC system. IEEE Trans. Power Deliv. 2010, 25, 2903–2912. [Google Scholar] [CrossRef]
  21. Liu, H.; Loh, P.C.; Blaabjerg, F. Review of fault diagnosis and fault-tolerant control for modular multilevel converter of HVDC. In Proceedings of the IECON 2013—39th Annual Conference of the IEEE Industrial Electronics Society, Vienna, Austria, 10–13 November 2013; p. 1242. [Google Scholar] [CrossRef]
  22. Christen, T. HVDC insulation boundary conditions for modeling and simulation. IEEE Trans. Dielectr. Electr. Insul. 2015, 22, 35–44. [Google Scholar] [CrossRef]
  23. Ryan, H.M. High-Voltage Engineering and Testing, 3rd ed.; Ryan, H.M., Ed.; The Institution of Engineering and Technology: London, UK, 2013; ISBN 9781849192637. [Google Scholar]
  24. Kreuger, F.H. Industrial High DC Voltage: 1. Fields, 2. Breakdowns, 3. Tests; Delft University Press: Delft, The Netherlands, 1995; ISBN 90-407-1110-0. [Google Scholar]
  25. Christen, T. Characterization and robustness of HVDC insulation. In Proceedings of the 2013 IEEE International Conference on Solid Dielectrics (ICSD 2013), Bologna, Italy, 30 June–4 July 2013; pp. 238–241. [Google Scholar] [CrossRef]
  26. Morshuis, P.; Montanari, G.C.; Fornasari, L. Partial discharge diagnostics—Critical steps towards on-line monitoring. In Proceedings of the 2014 IEEE PES T&D Conference and Exposition, Chicago, IL, USA, 14–17 April 2014. [Google Scholar] [CrossRef]
  27. IEC Standard 60270:2001+A1:2016; High-Voltage Test Techniques—Partial Discharge Measurements. IEC—International Electrotechnical Commission: Geneva, Switzerland, 2021.
  28. IEC Standard 60060-1-2010; High-Voltage Test Techniques Part 1: General Definitions and Test Requirements. IEC—International Electrotechnical Commission: Geneva, Switzerland, 2010.
  29. Kida, M.; Kawashima, T.; Murakami, Y.; Nagao, M. AC partial discharge characteristic at minute air gap under non-uniform electric field. In Proceedings of the 2015 IEEE Conference on Electrical Insulation and Dielectric Phenomena (CEIDP), Ann Arbor, MI, USA, 18–21 October 2015; pp. 322–325. [Google Scholar] [CrossRef]
  30. Donzel, L.; Schuderer, J. Nonlinear resistive electric field control for power electronic modules. IEEE Trans. Dielectr. Electr. Insul. 2012, 19, 955–959. [Google Scholar] [CrossRef]
  31. Majidi, M.; Oskuoee, M. Improving pattern recognition accuracy of partial discharges by new data preprocessing methods. Electr. Power Syst. Res. 2015, 119, 100–110. [Google Scholar] [CrossRef]
  32. Park, C. Electret: An entirely new approach of solving partial discharge caused by triple points, sharp edges, bubbles, and airgaps. IEEE Access 2020, 8, 78354–78366. [Google Scholar] [CrossRef]
Figure 1. Half-bridge sub-module of the prototype system.
Figure 1. Half-bridge sub-module of the prototype system.
Energies 15 07628 g001
Figure 2. HVDC prototype system circuit.
Figure 2. HVDC prototype system circuit.
Energies 15 07628 g002
Figure 3. COMSOL Multiphysics simulation output.
Figure 3. COMSOL Multiphysics simulation output.
Energies 15 07628 g003
Figure 4. Connection schemes of test and measurement system for the HVDC prototype system.
Figure 4. Connection schemes of test and measurement system for the HVDC prototype system.
Energies 15 07628 g004
Figure 5. Method of applying a partial discharge test voltage.
Figure 5. Method of applying a partial discharge test voltage.
Energies 15 07628 g005
Figure 6. Effect of long busbar on electric field. (a) Before removal of busbar; (b) After removal of busbar.
Figure 6. Effect of long busbar on electric field. (a) Before removal of busbar; (b) After removal of busbar.
Energies 15 07628 g006
Figure 7. Long busbar removed from the valve.
Figure 7. Long busbar removed from the valve.
Energies 15 07628 g007
Figure 8. The effect of shielding the test cable: (a) initial state of the test cable; (b) test cable passed through an aluminum tube; (c) test cable passed through a grounded aluminum tube.
Figure 8. The effect of shielding the test cable: (a) initial state of the test cable; (b) test cable passed through an aluminum tube; (c) test cable passed through a grounded aluminum tube.
Energies 15 07628 g008
Figure 9. Aluminum flexible pipe for test cable shielding.
Figure 9. Aluminum flexible pipe for test cable shielding.
Energies 15 07628 g009
Figure 10. Effect of metal sphere on electric field streamlines at the far end of the series connected submodules: (a) initial condition; (b) after adding metal sphere.
Figure 10. Effect of metal sphere on electric field streamlines at the far end of the series connected submodules: (a) initial condition; (b) after adding metal sphere.
Energies 15 07628 g010
Figure 11. Metal sphere attached to the far end of the sub-modules.
Figure 11. Metal sphere attached to the far end of the sub-modules.
Energies 15 07628 g011
Figure 12. Effect of the metal sphere on the electric field streamlines at the starting point of the series-connected submodules: (a) initial condition; (b) after adding metal sphere.
Figure 12. Effect of the metal sphere on the electric field streamlines at the starting point of the series-connected submodules: (a) initial condition; (b) after adding metal sphere.
Energies 15 07628 g012
Figure 13. Metal sphere attached to the test point.
Figure 13. Metal sphere attached to the test point.
Energies 15 07628 g013
Figure 14. Effect of long bolts on the electric field streamlines.
Figure 14. Effect of long bolts on the electric field streamlines.
Energies 15 07628 g014
Figure 15. Shortening of metal bolts.
Figure 15. Shortening of metal bolts.
Energies 15 07628 g015
Figure 16. Effect of metallic plates on bolts: (a) initial state; (b) after the bolts were covered with metal plates.
Figure 16. Effect of metallic plates on bolts: (a) initial state; (b) after the bolts were covered with metal plates.
Energies 15 07628 g016
Figure 17. Cross-section of metallic plates attached to the end of the bolts: (a) initial state; (b) after the bolts were covered with metal plates.
Figure 17. Cross-section of metallic plates attached to the end of the bolts: (a) initial state; (b) after the bolts were covered with metal plates.
Energies 15 07628 g017
Figure 18. Metal bolts covered with metallic plates.
Figure 18. Metal bolts covered with metallic plates.
Energies 15 07628 g018
Figure 19. Partial discharge values corresponding to U30min.
Figure 19. Partial discharge values corresponding to U30min.
Energies 15 07628 g019
Figure 20. Grounding grid with metallic plates.
Figure 20. Grounding grid with metallic plates.
Energies 15 07628 g020
Table 1. AC voltage test results for phase-C to ground.
Table 1. AC voltage test results for phase-C to ground.
Test VoltageImprovement Activities (pC)
0123456
U1min1077+427392377372370368
50 kV1077+367352342332330324
45 kV1077+337312312312312277
U30min1077+27414292805546
40 kV1077+2425250403226
35 kV107752423237211
Publisher’s Note: MDPI stays neutral with regard to jurisdictional claims in published maps and institutional affiliations.

Share and Cite

MDPI and ACS Style

Haliloglu, A.B.; Iskender, I. Design Studies of VSC HVDC Converter According to AC Voltage Tests. Energies 2022, 15, 7628. https://doi.org/10.3390/en15207628

AMA Style

Haliloglu AB, Iskender I. Design Studies of VSC HVDC Converter According to AC Voltage Tests. Energies. 2022; 15(20):7628. https://doi.org/10.3390/en15207628

Chicago/Turabian Style

Haliloglu, Ali Burhan, and Ires Iskender. 2022. "Design Studies of VSC HVDC Converter According to AC Voltage Tests" Energies 15, no. 20: 7628. https://doi.org/10.3390/en15207628

APA Style

Haliloglu, A. B., & Iskender, I. (2022). Design Studies of VSC HVDC Converter According to AC Voltage Tests. Energies, 15(20), 7628. https://doi.org/10.3390/en15207628

Note that from the first issue of 2016, this journal uses article numbers instead of page numbers. See further details here.

Article Metrics

Back to TopTop