Comparative Study of DC-DC Converters for Solar PV with Microgrid Applications
Abstract
1. Introduction
- ➣
- Minimal communication and transportation facilities.
- ➣
- Illiterate and Poor technical knowledge places.
2. Requirements for the Selection of DC-DC Converter Topology
3. Survey of DC-DC Converter Topologies
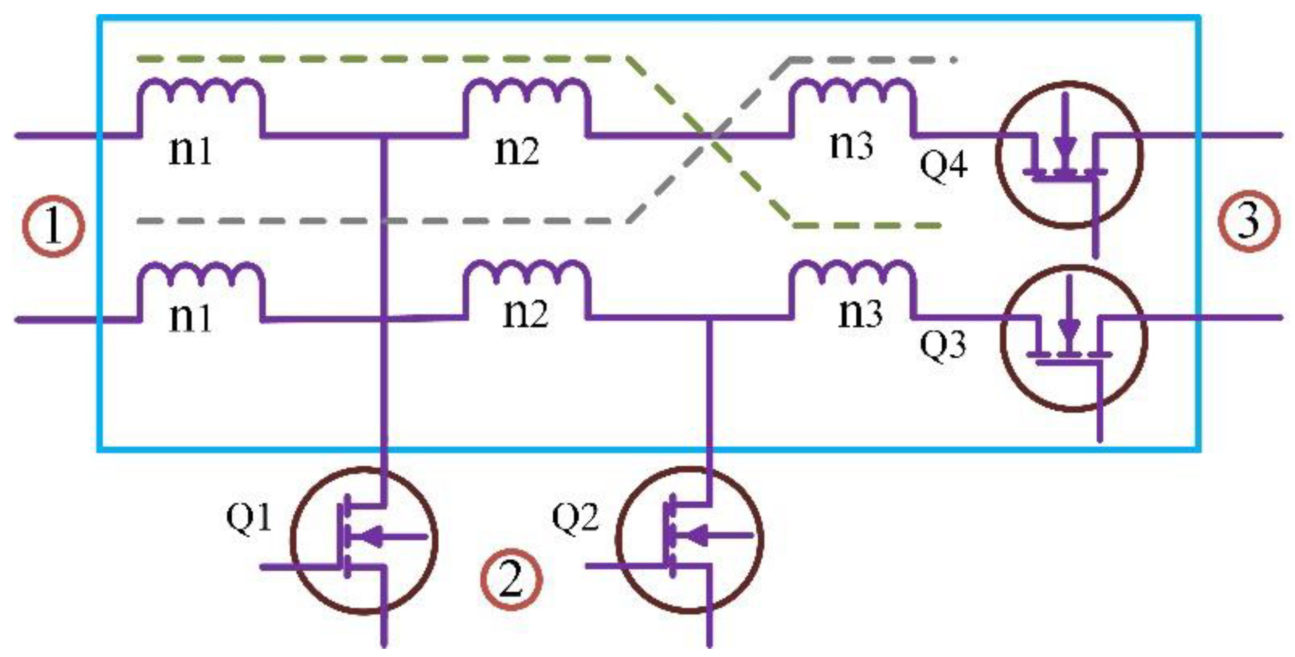
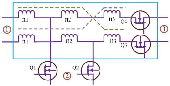
3.1. Coupled Inductor Converter Topology
| Ref | Type of ASD | Converter Type | Supply Direction | Observations |
|---|---|---|---|---|
| [22] | Supercapacitor | Buck-boost | Buck-boost | The construction and design are simple, using the same modules for all the positions in the system. |
| [23] | Supercapacitor and Batteries | Buck-boost | Bidirectional buck-boost | The buck and boost modes of operation in the buck-boost converter connected with an FC, the operational dead-zone description, is not present in the system. It also consists of a design with complex control |
| [24] | Supercapacitor | Boost | Bidirectional buck-boost | The experimental result of the boost converter is not present in the system, and the converter also has some start-up problems. |
| [25] | Supercapacitor | Boost | Bidirectional buck-boost | The experimental load transient results of the boost converter are not present, and the converter has start-up problems. |
| [26] | Supercapacitor | Boost | Bidirectional buck-boost | The converter consists of a design with complex control, and the converter has start-up problems. |
| [27] | Supercapacitor | Boost | Bidirectional buck-boost | The boost converter consists of a design with complex control, and the converter has start-up problems. |
3.2. Interleaved Non-Isolated Topology
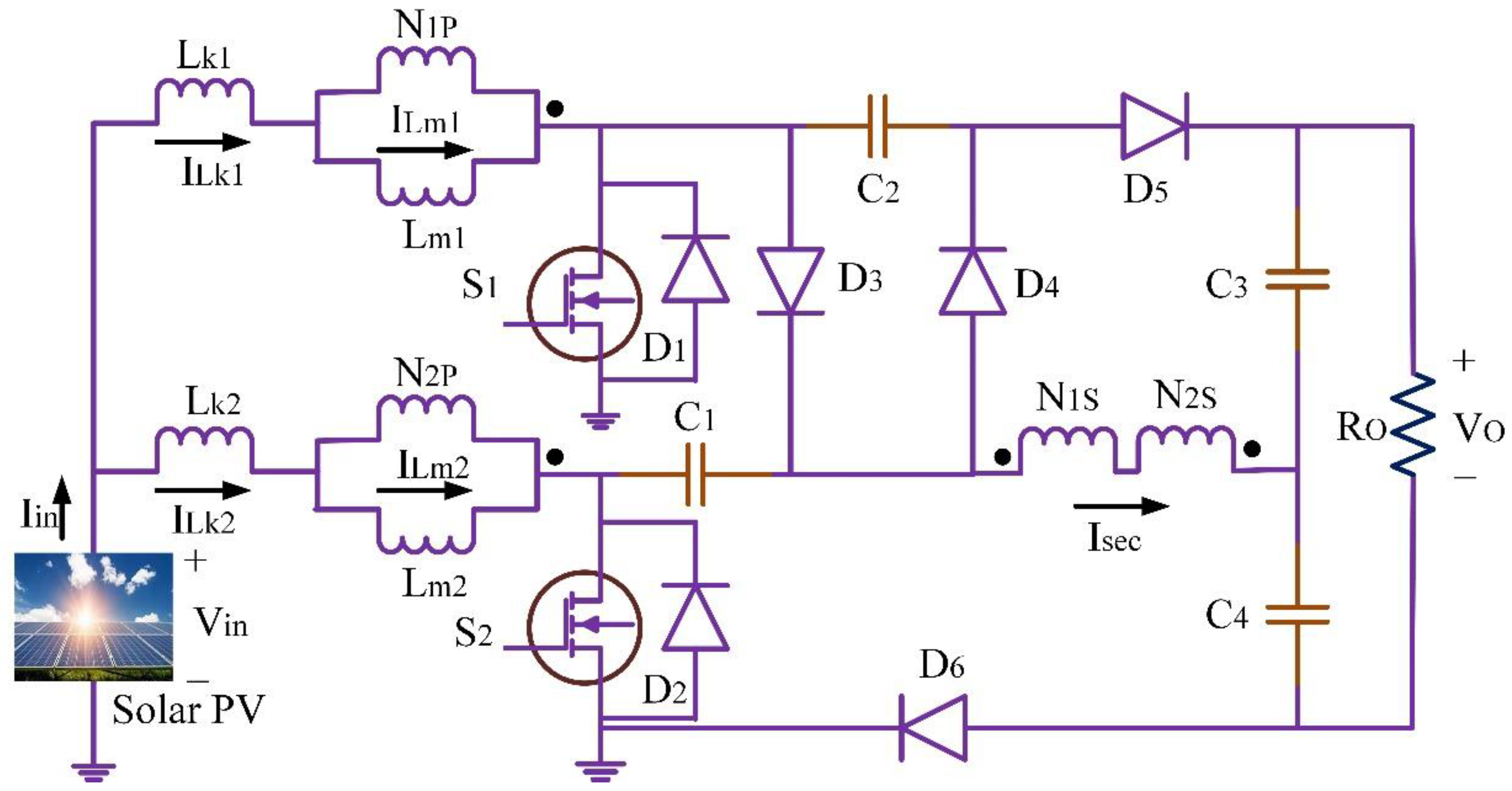
3.3. Isolated Push-Pull Boost Converter
3.4. Fly Back Converter Topology
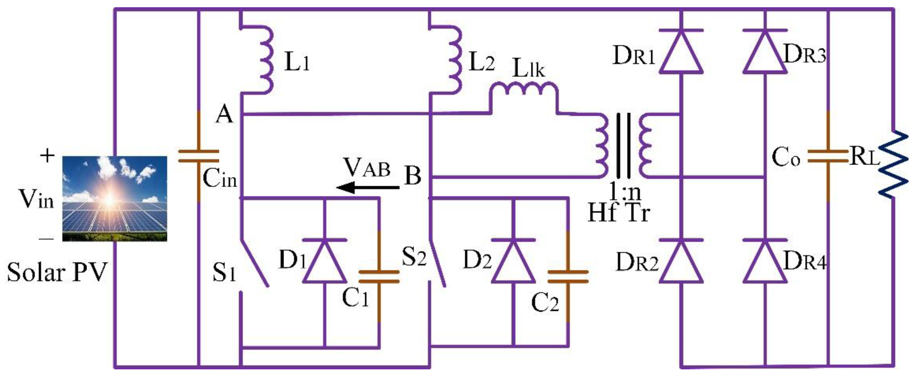
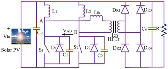
3.5. Half Bridge Converter Topology
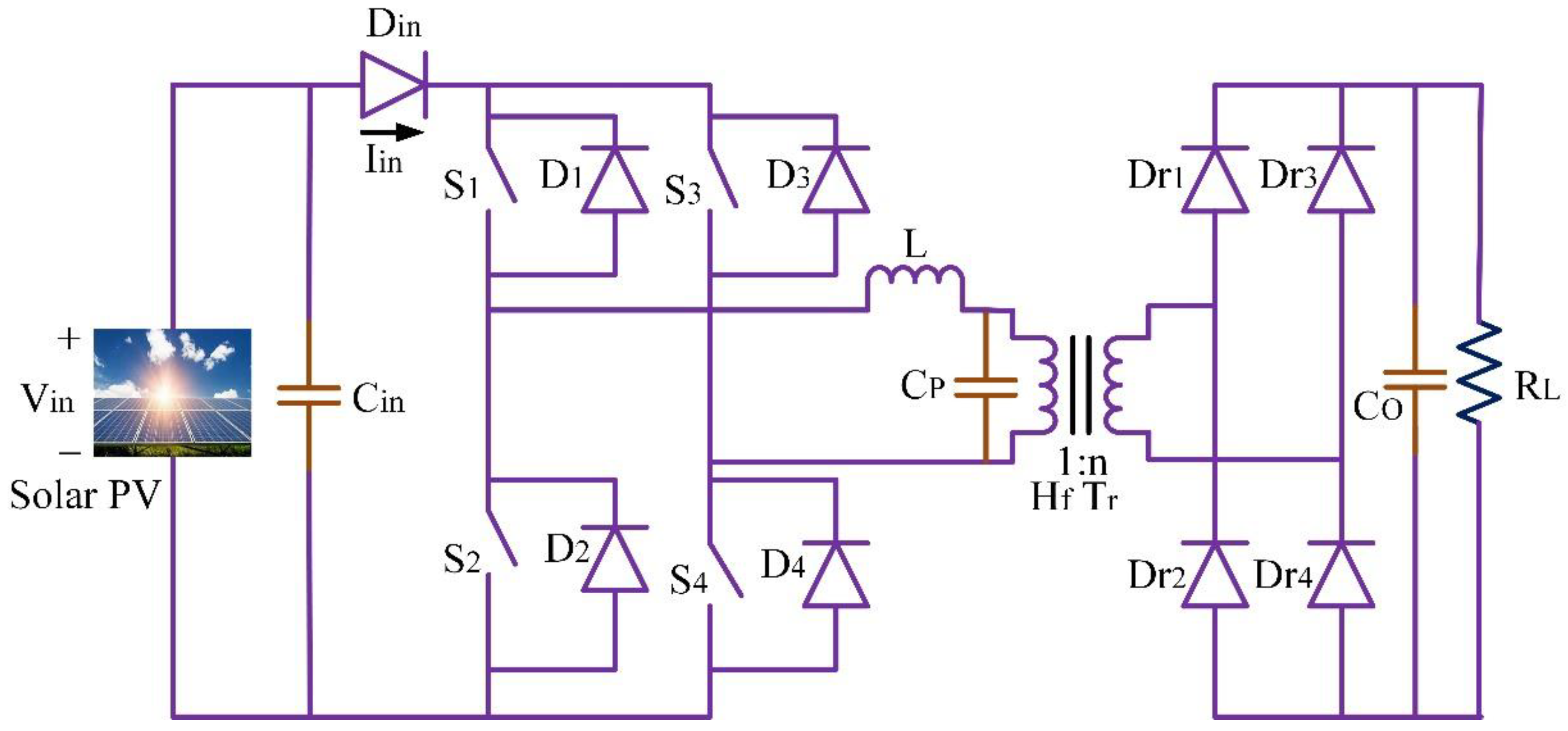
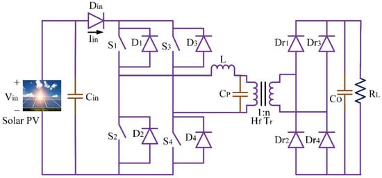
3.6. Full Bridge Converter Topology
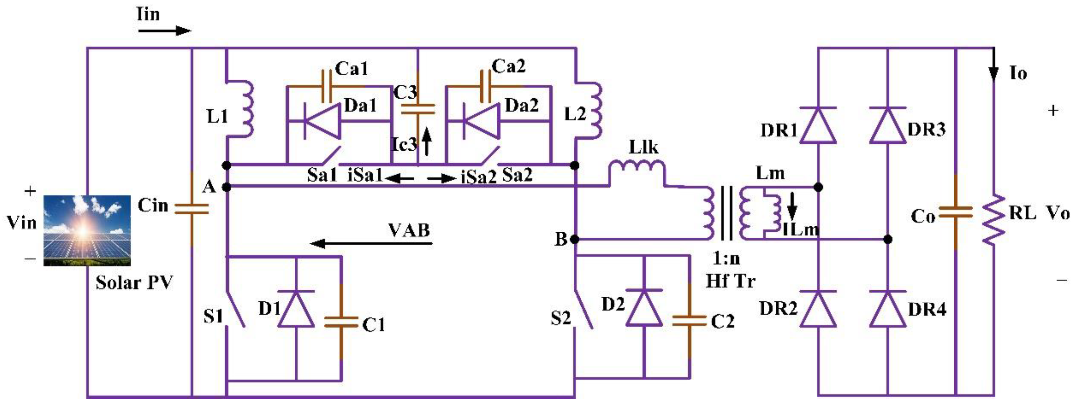
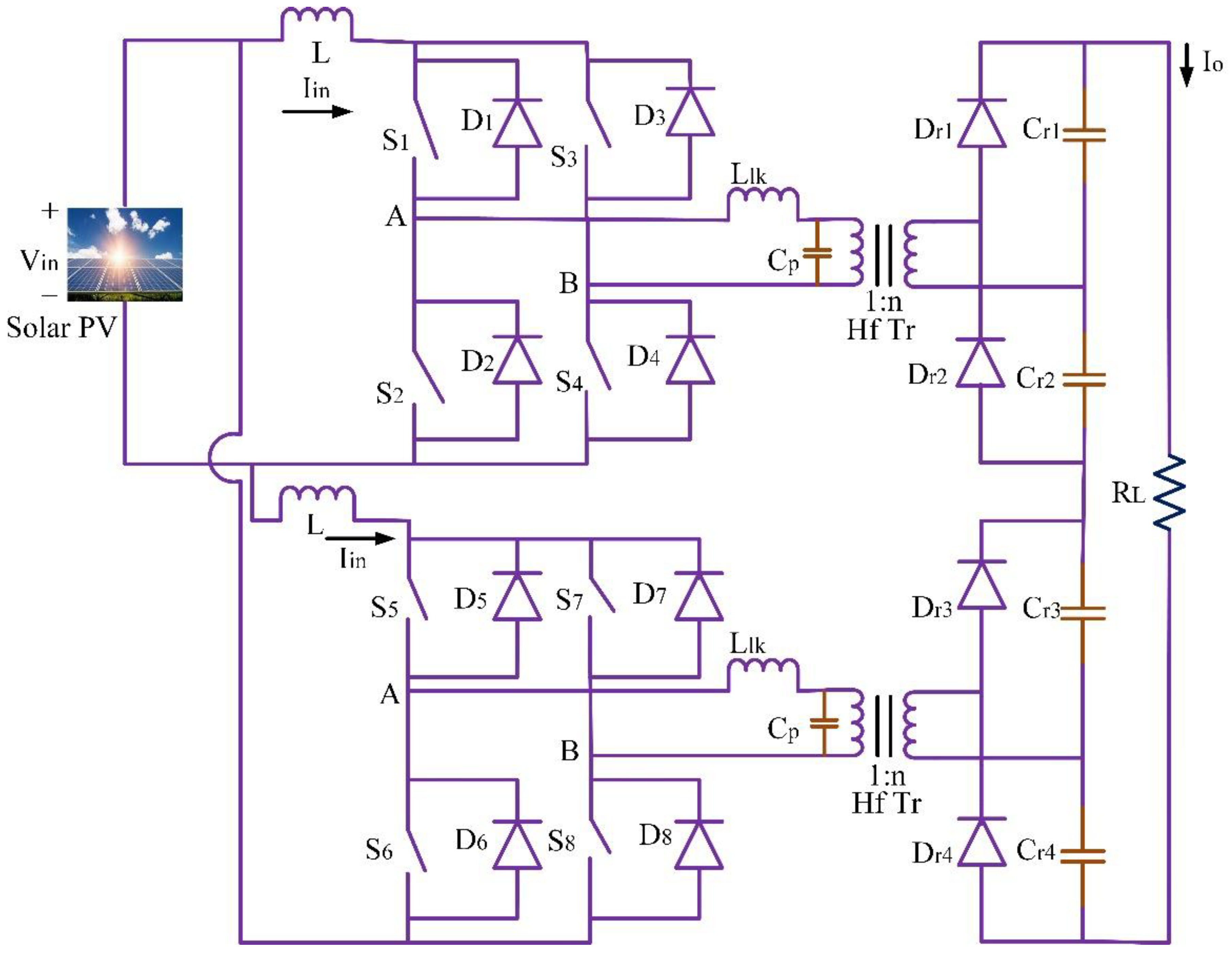
3.7. Resonant Converters
- The duty cycle loss at the secondary side is a major limitation of this configuration.
- A huge stress on the secondary side is rectifying diodes.
- The parasitic ringing problem on the secondary side transformer.
- For a wide range of ZVS, a large inductor is needed, but the transformer needs to decrease the Np/Ns ratio, which will increase the primary side current. Therefore, the conduction losses of the devices occur. A compromise between the Np/Ns ratio and inductor should be carried out to minimize the conduction losses of the active switches.
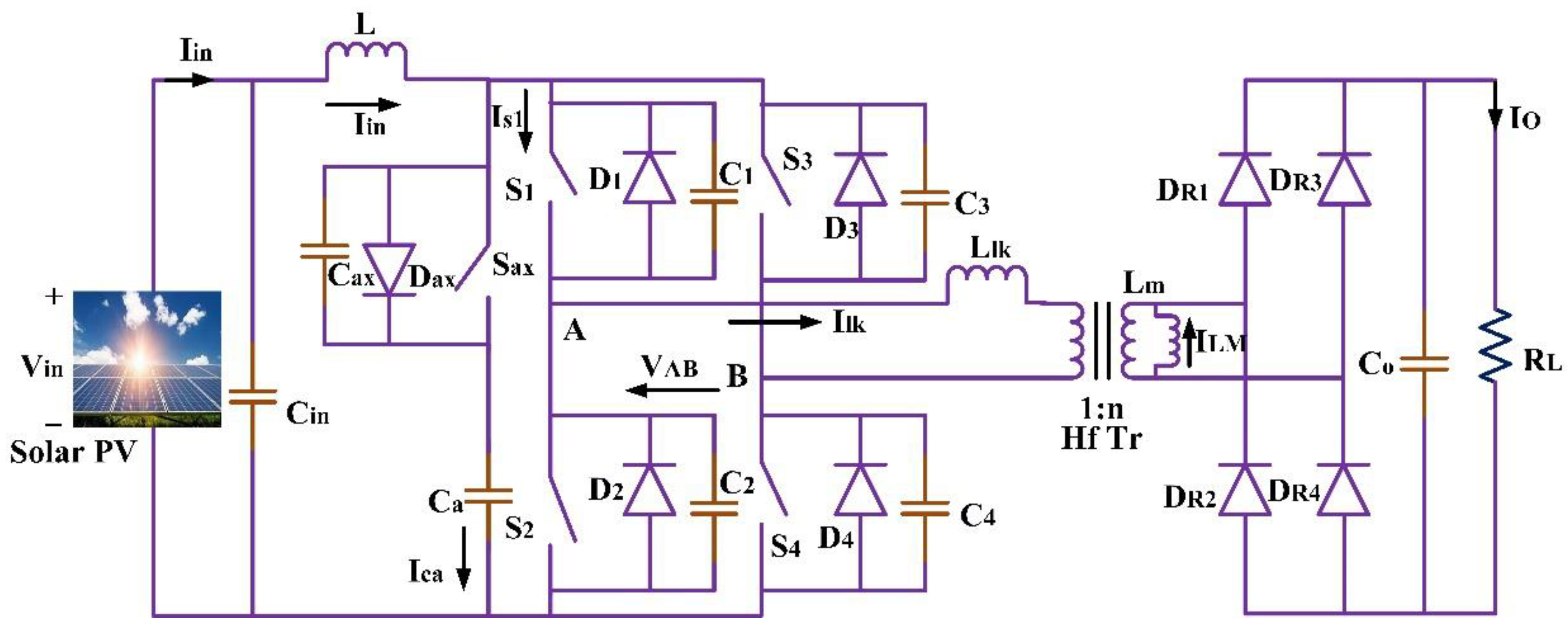
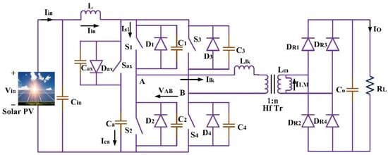
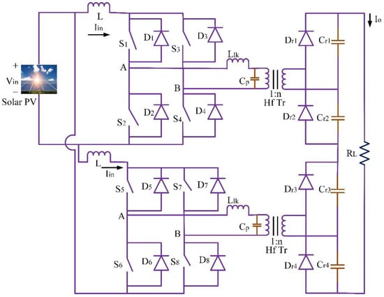
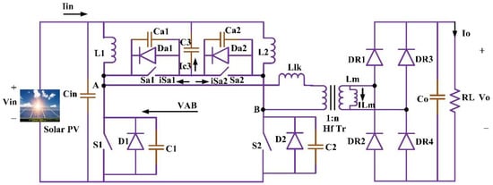
3.8. Interleaved Isolated Topology (ITLD Isolated Boost Converter)
4. Summary of the Analysis
5. Conclusions
Author Contributions
Funding
Data Availability Statement
Conflicts of Interest
References
- Sri Revathi, B.; Prabhakar, M. Solar PV Fed DC Microgrid: Applications, Converter Selection, Design and Testing. IEEE Access 2022, 10, 87227–87240. [Google Scholar] [CrossRef]
- Ahmad, J.; Zaid, M.; Sarwar, A.; Lin, C.H.; Asim, M.; Yadav, R.K.; Tariq, M.; Satpathi, K.; Alamri, B. A New High-Gain Dc-Dc Converter with Continuous Input Current for DC Microgrid Applications. Energies 2021, 14, 2629. [Google Scholar] [CrossRef]
- Ramesh, P.; Gouda, P.K.; Lakshmikhandan, K.; Ramanathan, G.; Bharatiraja, C. A Three Port Bidirectional DC-DC Converter for PV—Battery—DC Microgrid Application Using Fuzzy Logic Control. Mater. Today Proc. 2022, in press. [Google Scholar] [CrossRef]
- Zengin, S. A Hybrid Current Modulated DAB DC-DC Converter for Connecting PV Modules to DC Grid Considering Partial Shading. Comput. Electr. Eng. 2022, 101, 108109. [Google Scholar] [CrossRef]
- Mothilal Bhagavathy, S.; Pillai, G. PV Microgrid Design for Rural Electrification. Designs 2018, 2, 33. [Google Scholar] [CrossRef]
- Santosh Kumar Reddy, P.L.; Obulesu, Y.P. A Non-Cascading DC-DC Quadratic Boost Converter with High Voltage Gain for PV Applications. Int. J. Electron. 2022, 1–22. [Google Scholar] [CrossRef]
- Aranda, E.D.; Litran, S.P.; Prieto, M.B.F. Combination of Interleaved Single-Input Multiple-Output DC-DC Converters. CSEE J. Power Energy Syst. 2022, 8, 132–142. [Google Scholar] [CrossRef]
- Khan, S.; Zaid, M.; Mahmood, A.; Nooruddin, A.S.; Ahmad, J.; Alghaythi, M.L.; Alamri, B.; Tariq, M.; Sarwar, A.; Lin, C.H. A New Transformerless Ultra High Gain DC-DC Converter for DC Microgrid Application. IEEE Access 2021, 9, 124560–124582. [Google Scholar] [CrossRef]
- Liang, Y. Parallel Coordination Control of Multi-Port DC-DC Converter for Stand-Alone Photovoltaic-Energy Storage Systems. CPSS Trans. Power Electron. Appl. 2020, 5, 235–241. [Google Scholar] [CrossRef]
- Saravanakumar, T.; Saravana kumar, R. Design, Validation, and Economic Behavior of a Three-Phase Interleaved Step-Up DC–DC Converter for Electric Vehicle Application. Front. Energy Res. 2022, 10, 13081. [Google Scholar] [CrossRef]
- Saravanakumar, T.; Kumar, R.S. Fuzzy Based Interleaved Step-up Converter for Electric Vehicle. Intell. Autom. Soft Comput. 2023, 35, 1103–1118. [Google Scholar] [CrossRef]
- Arunkumari, T.; Indragandhi, V. An Overview of High Voltage Conversion Ratio DC-DC Converter Configurations Used in DC Micro-Grid Architectures. Renew. Sustain. Energy Rev. 2017, 77, 670–687. [Google Scholar] [CrossRef]
- Jagadeesh, I.; Indragandhi, V. A Novel PV Based High Voltage Gain Soft Switching DC—DC Boost Converter. Int. J. Eng. Technol. 2018, 7, 1034–1039. [Google Scholar] [CrossRef]
- Pan, C.T.; Lai, C.M. A High-Efficiency High Step-up Converter with Low Switch Voltage Stress for Fuel-Cell System Applications. IEEE Trans. Ind. Electron. 2010, 57, 1998–2006. [Google Scholar] [CrossRef]
- Kim, H.; Yoon, C.; Choi, S. An Improved Current-Fed ZVS Isolated Boost Converter for Fuel Cell Applications. IEEE Trans. Power Electron. 2010, 25, 2357–2364. [Google Scholar] [CrossRef]
- Rajashekara, K. Propulsion System Strategies for Fuel Cell Vehicles; SAE International: Warrendale PA, USA, 2000. [Google Scholar]
- Do, H.L. A Soft-Switching DC-DC Converter with High Voltage Gain. IEEE Trans. Power Electron. 2010, 25, 1193–1200. [Google Scholar] [CrossRef]
- Li, W.; He, X. A Family of Interleaved DC-DC Converters Deduced from a Basic Cell with Winding-Cross-Coupled Inductors (WCCIs) for High Step-Upor Step-down Conversions. IEEE Trans. Power Electron. 2008, 23, 1791–1801. [Google Scholar] [CrossRef]
- Wai, R.; Member, S.; Lin, C.; Duan, R.; Chang, Y. High-Efficiency DC-DC Converter With High Voltage Gain and Reduced Switch Stress. IEEE Trans. Ind. Electron. 2007, 54, 354–364. [Google Scholar] [CrossRef]
- Wu, T.; Member, S.; Lai, Y.; Hung, J.; Chen, Y.; Member, S. Boost Converter With Coupled Inductors and Buck—Boost Type of Active Clamp. IEEE Trans. Ind. Electron. 2008, 55, 154–162. [Google Scholar] [CrossRef]
- Molavi, N.; Adib, E.; Farzanehfard, H. Soft-Switched Non-Isolated High Step-up DC-DC Converter with Reduced Voltage Stress. IET Power Electron. 2016, 9, 1711–1718. [Google Scholar] [CrossRef]
- Ramírez-Murillo, H.; Restrepo, C.; Konjedic, T.; Calvente, J.; Romero, A.; Baier, C.R.; Giral, R. An Efficiency Comparison of Fuel-Cell Hybrid Systems Based on the Versatile Buck-Boost Converter. IEEE Trans. Power Electron. 2018, 33, 1237–1246. [Google Scholar] [CrossRef]
- Hilairet, M.; Béthoux, O.; Ghanes, M.; Tanasa, V.; Barbot, J.P.; Normand-Cyrot, M.D. Experimental Validation of a Sampled-Data Passivity-Based Controller for Coordination of Converters in a Fuel Cell System. IEEE Trans. Ind. Electron. 2015, 62, 5187–5194. [Google Scholar] [CrossRef]
- Thounthong, P.; Raël, S.; Davat, B. Control Strategy of Fuel Cell and Supercapacitors Association for a Distributed Generation System. IEEE Trans. Ind. Electron. 2007, 54, 3225–3233. [Google Scholar] [CrossRef]
- Hu, X.; Wang, J.; Li, L.; Li, Y. A Three-Winding Coupled-Inductor DC—DC Converter Topology With High Voltage Gain And. IEEE Trans. Power Electron. 2018, 33, 1453–1462. [Google Scholar] [CrossRef]
- El Fadil, H.; Giri, F.; Member, S.; Guerrero, J.M.; Member, S. Modeling and Nonlinear Control of a Fuel Cell/Supercapacitor Hybrid Energy Storage System for Electric Vehicles. IEEE Trans. Veh. Technol. 2014, 63, 3011–3018. [Google Scholar] [CrossRef]
- Vural, B.; Dusmez, S.; Uzunoglu, M.; Ugur, E.; Akin, B. Fuel Consumption Comparison of Different Battery/Ultracapacitor Hybridization Topologies for Fuel-Cell Vehicles on a Test Bench. IEEE J. Emerg. Sel. Top. Power Electron. 2014, 2, 552–561. [Google Scholar] [CrossRef]
- Tani, A.; Camara, M.B.; Dakyo, B. Energy Management Based on Frequency Approach for Hybrid Electric Vehicle Applications: Fuel-Cell/Lithium-Battery and Ultracapacitors. IEEE Trans. Veh. Technol. 2012, 61, 3375–3386. [Google Scholar] [CrossRef]
- Prudente, M.; Pfitscher, L.L.; Emmendoerfer, G.; Romaneli, E.F.; Gules, R. Voltage Multiplier Cells Applied to Non-Isolated DC-DC Converters. IEEE Trans. Power Electron. 2008, 23, 871–887. [Google Scholar] [CrossRef]
- Shahzad, M.I.; Iqbal, S.; Taib, S. Interleaved LLC Converter with Cascaded Voltage Doubler Rectifiers for Deeply Depleted PEV Battery Charging. IEEE Trans. Transp. Electrif. 2017, 4, 89–98. [Google Scholar] [CrossRef]
- Zhang, Y.; Gao, Y.; Li, J.; Sumner, M. Interleaved Switched-Capacitor Bidirectional DC-DC Converter with Wide Voltage-Gain Range for Energy Storage Systems. IEEE Trans. Power Electron. 2018, 33, 3852–3869. [Google Scholar] [CrossRef]
- Amiri, M.; Farzanehfard, H.; Adib, E. A Nonisolated Ultrahigh Step Down DC–DC Converter with Low Voltage Stress. IEEE Trans. Ind. Electron. 2018, 65, 1273–1280. [Google Scholar] [CrossRef]
- Bahrami, H.; Farhangi, S.; Iman-eini, H. A New Interleaved Coupled-Inductor Nonisolated Soft-Switching Bidirectional DC—DC Converter With High Voltage Gain Ratio. IEEE Trans. Ind. Electron. 2018, 65, 5529–5538. [Google Scholar] [CrossRef]
- Fekri, M.; Molavi, N.; Adib, E.; Farzanehfard, H. High Voltage Gain Interleaved DC-DC Converter with Minimum Current Ripple. IET Power Electron. 2017, 10, 1924–1931. [Google Scholar] [CrossRef]
- Nouri, T.; Hosseini, S.H.; Babaei, E.; Ebrahimi, J. Interleaved High Step-up DC-DC Converter Based on Three-Winding High-Frequency Coupled Inductor and Voltage Multiplier Cell. IET Power Electron. 2015, 8, 175–189. [Google Scholar] [CrossRef]
- Tseng, K.; Huang, C.; Shih, W. A High Step-Up Converter With a Voltage Multiplier Module for a Photovoltaic System. IEEE Trans. Power Electron. 2013, 28, 3047–3057. [Google Scholar] [CrossRef]
- Tseng, K.C.; Chen, J.Z.; Lin, J.T.; Huang, C.C.; Yen, T.H. High Step-up Interleaved Forward-Flyback Boost Converter with Three-Winding Coupled Inductors. IEEE Trans. Power Electron. 2015, 30, 4696–4703. [Google Scholar] [CrossRef]
- Andersen, G.K.; Klumpner, C.; Kjær, S.B.; Blaabjerg, F. A New Power Converter for Fuel Cells with High System Efficiency. Int. J. Electron. 2003, 90, 737–750. [Google Scholar] [CrossRef]
- Kwon, J.; Kim, E.; Kwon, B.; Nam, K. High-Efficiency Fuel Cell Power Conditioning System With Input Current Ripple Reduction. IEEE Trans. Ind. Electron. 2009, 56, 826–834. [Google Scholar] [CrossRef]
- Spiazzi, G.; Mattavelli, P.; Gazoli, J.R.; Magalhaes, R.; Frattini, G. Improved Integrated Boost-Flyback High Step-up Converter. In Proceedings of the IEEE International Conference on Industrial Technology, Via del Mar, Chile, 14–17 March 2010; pp. 1169–1174. [Google Scholar]
- Spiazzi, G.; Mattavelli, P.; Costabeber, A.; Member, S. High Step-Up Ratio Flyback Converter With Active Clamp and Voltage Multiplier. IEEE Trans. Power Electron. 2011, 26, 3205–3214. [Google Scholar] [CrossRef]
- Shitole, A.B.; Sathyan, S.; Suryawanshi, H.M.; Talapur, G.G.; Chaturvedi, P. Soft Switched High Voltage Gain Boost Integrated Flyback Converter Interfaced Single-Phase Grid Tied Inverter for SPV Integration. IEEE Trans. Ind. Appl. 2017, 54, 482–493. [Google Scholar] [CrossRef]
- Das, M.; Member, S.; Agarwal, V. Design and Analysis of a High Efficiency DC—DC Converter with Soft Switching Capability for Renewable Energy Applications Requiring High Voltage Gain. IEEE Trans. Ind. Electron. 2016, 63, 2936–2944. [Google Scholar] [CrossRef]
- Park, Y.; Jung, B.; Choi, S. Nonisolated ZVZCS Resonant PWM Dc-Dc Converter for High Step-up and High-Power Applications. IEEE Trans. Power Electron. 2012, 27, 3568–3575. [Google Scholar] [CrossRef]
- Chen, G.; Deng, Y.; Wang, K.; Hu, Y.; Jiang, L.; Wen, H.; He, X. Topology Derivation and Analysis of Integrated Multiple Output Isolated DC-DC Converters with Stacked Configuration for Low-Cost Applications. IEEE Trans. Circuits Syst. I Regul. Pap. 2017, 64, 2207–2218. [Google Scholar] [CrossRef]
- Wolfs, P.J. A Current-Sourced DC-DC Converter Derived via the Duality Principle from the Half-Bridge Converter. IEEE Trans. Ind. Electron. 1993, 40, 139–144. [Google Scholar] [CrossRef]
- Wen, J.; Jin, T.; Smedley, K. A New Interleaved Isolated Boost Converter for High Power Applications. In Proceedings of the Conference Proceedings—IEEE Applied Power Electronics Conference and Exposition—APEC, Dallas, TX, USA, 19–23 March 2006; Volume 2006, pp. 79–84. [Google Scholar]
- Attanasio, R.; Cacciato, M.; Gennaro, F.; Consoli, A. An Innovative Boost Converter for Fuel Cells Stationary Generation Systems. In Proceedings of the 30th Annual Conference of IEEE Industrial Electronics Society, Busan, Korea, 2–6 November 2004; pp. 2831–2836. [Google Scholar]
- Harfman Todorovic, M.; Palma, L.; Enjeti, P.N. Design of a Wide Input Range DC-DC Converter with a Robust Power Control Scheme Suitable for Fuel Cell Power Conversion. IEEE Trans. Ind. Electron. 2008, 55, 1247–1255. [Google Scholar] [CrossRef]
- Xiao, H.; Xie, S. A ZVS Bidirectional DC-DC Converter With Phase-Shift Plus PWM Control Scheme. IEEE Trans. Power Electron. 2008, 23, 813–823. [Google Scholar] [CrossRef]
- Liu, C.; Johnson, A.; Lai, J.S. A Novel Three-Phase High-Power Soft-Switched DC-DC Converter for Low-Voltage Fuel Cell Applications. IEEE Trans. Ind. Appl. 2005, 41, 1691–1697. [Google Scholar] [CrossRef]
- Lee, J.; Jeong, Y.; Han, B. An Isolated DC/DC Converter Using High-Frequency Unregulated LLC Resonant Converter for Fuel Cell Applications. IEEE Trans. Ind. Electron. 2011, 58, 2926–2934. [Google Scholar] [CrossRef]
- Jang, S.J.; Won, C.Y.; Lee, B.K.; Hur, J. Fuel Cell Generation System with a New Active Clamping Current-Fed Half-Bridge Converter. IEEE Trans. Energy Convers. 2007, 22, 332–340. [Google Scholar] [CrossRef]
- Rathore, A.K.; Bhat, A.K.S.; Oruganti, R. Analysis, Design and Experimental Results of Wide Range ZVS Active-Clamped L-L Type Current-Fed DC-DC Converter for Fuel Cells to Utility Interface. IEEE Trans. Ind. Electron. 2012, 59, 473–485. [Google Scholar] [CrossRef]
- Danyali, S.; Moradkhani, A.; Aazami, R.; Mejbel, M.T. New Dual-Source High-Gain ZVS DC-DC Converter for Integrating Renewable Power Source and Battery Storage. Electr. Power Syst. Res. 2022, 213, 108740. [Google Scholar] [CrossRef]
- Hadelu, L.M.; Noorpoor, A.; Boyaghchi, F.A.; Mirjalili, S. A New Molten Carbonate Fuel Cell Hybrid Power Generation System Using Two-Stage Sodium Thermo-Electrochemical Converter/Two-Stage Thermoelectric Generator: Performance Analysis and Multi-Objective Grasshopper Optimization. J. Power Sources 2022, 547, 232006. [Google Scholar] [CrossRef]
- Abdollahi Arjanaki, A.; Dehestani Kolagar, A.; Alizadeh Pahlavani, M.R. A Two-Level Power Management Strategy in a DC-Coupled Hybrid Microgrid Powered by Fuel Cell and Energy Storage Systems with Model Predictive Controlled Interface Converter. J. Energy Storage 2022, 52, 104861. [Google Scholar] [CrossRef]
- Sha, D.; Xu, Y.; Zhang, J.; Yan, Y. Current-Fed Hybrid Dual Active Bridge DC-DC Converter for a Fuel Cell Power Conditioning System With Reduced Input Current Ripple. IEEE Trans. Ind. Electron. 2017, 64, 6628–6638. [Google Scholar] [CrossRef]
- Prasanna, U.R.; Rathore, A.K. Analysis and Design of Zero-Voltage-Switching Current-Fed Isolated Full-Bridge Dc/Dc Converter. In Proceedings of the 2011 IEEE Ninth International Conference on Power Electronics and Drive Systems, Singapore, 5–8 December 2011; pp. 5–8. [Google Scholar]
- Jiang, X.; Wen, X.; Xu, H. Study on Isolated Boost Full Bridge Converter in FCEV. In Proceedings of the 7th International Power Engineering Conference, IPEC2005, Singapore, 29 November–2 December 2005; Volume 2005. [Google Scholar]
- Chen, R.Y.; Liang, T.J.; Chen, J.F.; Lin, R.L.; Tseng, K.C. Study and Implementation of a Current-Fed Full-Bridge Boost DC-DC Converter with Zero-Current Switching for High-Voltage Applications. IEEE Trans. Ind. Appl. 2008, 44, 1218–1226. [Google Scholar] [CrossRef]
- Jalbrzykowski, S.; Citko, T. Current-Fed Resonant Full-Bridge Boost DC/AC/DC Converter. IEEE Trans. Ind. Electron. 2008, 55, 1198–1205. [Google Scholar] [CrossRef]
- Rathore, A.K. Interleaved Soft-Switched Active-Clamped L-L Type Current-Fed Half-Bridge DC-DC Converter for Fuel Cell Applications. Int. J. Hydrogen Energy 2009, 34, 9802–9815. [Google Scholar] [CrossRef]
- Dharmesh, P.D.; Rathore, A.K. Interleaved Zero-Voltage-Switching Active-Clamped Current-Fed Full-Bridge Isolated Dc/Dc Converter for Fuel Cell Applications : A Case Study Analysis. In Proceedings of the 2012 IEEE Third International Conference on Sustainable Energy Technologies (ICSET), Kathmandu, Nepal, 24–27 September 2012; pp. 23–29. [Google Scholar]
- Reshma Gopi, R.; Sreejith, S. Converter Topologies in Photovoltaic Applications—A Review. Renew. Sustain. Energy Rev. 2018, 94, 1–14. [Google Scholar] [CrossRef]
- Kong, X.; Lim, T.C.; Khambadkone, A.M. Analysis and Control of Isolated Current-Fed Full Bridge Converter in Fuel Cell System. In Proceedings of the IECON Proceedings (Industrial Electronics Conference), Busan, Korea, 2–6 November 2004; Volume 3, pp. 2825–2830. [Google Scholar]
- Shen, C.L.; Liou, H.; Liang, T.C.; Gong, H.Z. An Isolated Bidirectional Interleaved Converter with Minimum Active Switches and High Conversion Ratio. IEEE Trans. Ind. Electron. 2018, 65, 2313–2321. [Google Scholar] [CrossRef]
- Aiswarya, P.; Varghese, B.M.; Joy, N.; George, A. Switched Inductor Based Bidirectional DC-DC Converter for High Voltage Gain. Mater. Today Proc. 2022, 58, 569–576. [Google Scholar] [CrossRef]
- Goudarzian, A.; Khosravi, A.; Ali Raeisi, H. Modeling, Design and Control of a Modified Flyback Converter with Ability of Right-Half-Plane Zero Alleviation in Continuous Conduction Mode. Eng. Sci. Technol. Int. J. 2022, 26, 101007. [Google Scholar] [CrossRef]
- Mirzaei, A.; Rezvanyvardom, M. High Voltage Gain Soft Switching Full Bridge Interleaved Flyback DC-DC Converter for PV Applications. Sol. Energy 2020, 196, 217–227. [Google Scholar] [CrossRef]
- Mumtaz, F.; Zaihar Yahaya, N.; Tanzim Meraj, S.; Singh, B.; Kannan, R.; Ibrahim, O. Review on Non-Isolated DC-DC Converters and Their Control Techniques for Renewable Energy Applications. Ain Shams Eng. J. 2021, 12, 3747–3763. [Google Scholar] [CrossRef]
- Shibu, S.; Babu, E.; Neema, S.; Joy, N. High Gain DC-DC Converter with Low Voltage Stress. Mater. Today Proc. 2022, 58, 600–606. [Google Scholar] [CrossRef]
- Araújo, S.V.; Bascopé, R.P.T.; Bascopé, G.V.T.; Menezes, L. Step-Up Converter with High Voltage Gain Employing Three-State Switching Cell and Voltage Multiplier. In Proceedings of the 2008 IEEE Power Electronics Specialists Conference, Rhodes, Greece, 15–19 June 2008; pp. 2271–2277. [Google Scholar]
- Jang, Y.; Jovanović, M.M. Interleaved Boost Converter with Intrinsic Voltage-Doubler Characteristic for Universal-Line PFC Front End. IEEE Trans. Power Electron. 2007, 22, 1394–1401. [Google Scholar] [CrossRef]
- Aglawe, K.R.; Dhande, M.; Matey, M.; Shelare, S. State of the Art and Materials Based Characteristics in Power Converters for Electric Vehicles. Mater. Today Proc. 2022, 58, 726–735. [Google Scholar] [CrossRef]
- Tanzim Meraj, S.; Zaihar Yahaya, N.; Hasan, K.; Hossain Lipu, M.S.; Madurai Elavarasan, R.; Hussain, A.; Hannan, M.A.; Muttaqi, K.M. A Filter Less Improved Control Scheme for Active/Reactive Energy Management in Fuel Cell Integrated Grid System with Harmonic Reduction Ability. Appl. Energy 2022, 312, 118784. [Google Scholar] [CrossRef]
- Ingilala Jagadeesh, V.I. A Review on Isolated DC–DC Converters Used in Renewable Power Generation Applications. In Artificial Intelligent Techniques for Electric and Hybrid Electric Vehicles; Wiley: Hoboken, NJ, USA, 2020; pp. 233–240. [Google Scholar] [CrossRef]
- Karthikeyan, V.; Gupta, R. Light-Load Efficiency Improvement by Extending ZVS Range in DAB-Bidirectional DC-DC Converter for Energy Storage Applications. Energy 2017, 130, 15–21. [Google Scholar] [CrossRef]
- Averberg, A.; Mertens, A. Characteristics of the Single Active Bridge Converter with Voltage Doubler. In Proceedings of the 2008 13th International Power Electronics and Motion Control Conference, Poznan, Poland, 1–3 September 2008; pp. 213–220. [Google Scholar]
- Paul, A.K. Choice of Control Function in Magnetically-Coupled Full Bridge DC-DC Power Controller for Arc Welding: A Practical Approach. Power Electron. Devices Components 2022, 2, 100005. [Google Scholar] [CrossRef]
- Salem, M.; Jusoh, A.; Dahidah, M.; Ishak, D.; Richelli, A.; Alhamroni, I.; Kamarol, M. Improved Topology of Three-Phase Series Resonant DC-DC Boost Converter with Variable Frequency Control. Alexandria Eng. J. 2022, 61, 1701–1713. [Google Scholar] [CrossRef]
- Zhou, H.; Khambadkone, A.M.; Member, S.; Kong, X. Fast Dynamic Response in a Fuel Cell Based Converter Using Augmented Energy Storage. In Proceedings of the 2007 IEEE Power Electronics Specialists Conference, Orlando, FL, USA, 17–21 June 2007; pp. 1255–1260. [Google Scholar]
- Rezvanyvardom, M.; Mirzaei, A.; Shabani, M.; Mekhilef, S.; Rawa, M.; Wahyudie, A.; Ahmed, M. Interleaved Step-up Soft-Switching DC–DC Boost Converter without Auxiliary Switches. Energy Rep. 2022, 8, 6499–6511. [Google Scholar] [CrossRef]























| Parameter | [34] | [35] | [36] | [37] |
|---|---|---|---|---|
| Input ripple current | Low | Low | Low | Moderate |
| Number of diodes | 4 | 8 | 4 | 6 |
| The voltage stress on the switches (n = 1) | ||||
| Number of windings | 4 | 6 | 4 | 6 |
| Voltage gain |
| Parameter | [42] | [21] | [43] | [44] |
|---|---|---|---|---|
| MOSFET voltage stress | ||||
| MOSFET Soft switching | ZVS | ZVS | Hard switching | ZVS |
| No. of MOSFETs | 2 | 2 | 1 | 2 |
| The voltage stress on output diode | ||||
| Soft switching of diodes | ZCS | Hard switching | Hard switching | ZCS |
| Diodes | 3 | 4 | 3 | 2 |
| Number of magnetic components | 1 | 1 | 1 | 2 |
| Voltage gain |
| Topology | Power Rating in W | Input Voltage (Vin) | Output Voltage(V) | No. of Active Devices | Switching Frequency (kHz) | Trans-Former Turns Ratio | Switching | References |
|---|---|---|---|---|---|---|---|---|
| Flyback | 300 | 25–35 | 400 | 2 | 100 | 5.375 | Soft | [70] |
| 300 | 25–35 | 400 | 1 | 100 | 4.5 | Hard | [69] | |
| Coupled Inductor | 200 | 24 | 360 V | 2 | 100 | 5 | ZVS | [17] |
| 1000 | 40 | 380 V | 2 | 50 | 40/22 | ZCS | [71] | |
| 300 | 27–36.5 | 400 V | 1 | 100 | N2 = 6.33, N3 = 5 | - | [72] | |
| 200 | 25–40 | 200 | 2 | 66 | 20 | Soft | [20] | |
| 250 | 30–45 | 400 | 2 | 20 | 1 | Hard | [73] | |
| Non-Isolated Interleaved | 400 | 24 | 400 | 2 | 40 | - | Soft | [29] |
| 1000 | 40 | 380 | 2 | 50 | 1.818 | Soft | [74] | |
| 1000 | 48 | 380 | 2 | 100 | 1 | Soft | [18] | |
| Push Pull | 1000 | 25–45 | 350–400 | - | - | - | - | [38] |
| 1500 | 30 | 350 | - | - | - | - | [39] | |
| Half bridge | 1000 | 24–28 | 400 | 3 | 300 | 1:11 | Hard | [54] |
| 1200 | 28–43 | 380 | 4 | 50 | 1:3.5 | Soft | [75] | |
| 200 | 22–41 | 350 | 4 | 100 | 1:4 | Soft | [76] | |
| 1000 | 26–50 | 400 | 4 | 50 | 4:14 | ZVS | [77] | |
| 1000 | 24 | 200 | 4 | 100 | Hard | [47] | ||
| 1500 | 22–32 | 270 | 6 | 100 | 10/21 | ZVS | [78] | |
| Full bridge | 500 | 22–41 | 350 | 5 | 100 kHz | 1:8 | Soft | [59] |
| 1200 | 30 | 600 | 4 | 60 kHz | 1:10 | Hard | [79] | |
| 1000 | 22–27 | 1000 | 4 | 100 KHz | 1:30 | Soft | [80] | |
| 1400 | 100 | 374 | 4 | 250 | - | ZVS | [81] | |
| Interleaved isolated | 200 | 22–41 | 200 | 10 | 100 kHz | - | Soft | [63] |
| 1200 | 33 | 400 | 8 | 10 kHz | 1:2 | Hard | [82] | |
| 200 | 11 | 200 | 8 | 100 kHz | 1:4 | Soft | [83] |
Publisher’s Note: MDPI stays neutral with regard to jurisdictional claims in published maps and institutional affiliations. |
© 2022 by the authors. Licensee MDPI, Basel, Switzerland. This article is an open access article distributed under the terms and conditions of the Creative Commons Attribution (CC BY) license (https://creativecommons.org/licenses/by/4.0/).
Share and Cite
Jagadeesh, I.; Indragandhi, V. Comparative Study of DC-DC Converters for Solar PV with Microgrid Applications. Energies 2022, 15, 7569. https://doi.org/10.3390/en15207569
Jagadeesh I, Indragandhi V. Comparative Study of DC-DC Converters for Solar PV with Microgrid Applications. Energies. 2022; 15(20):7569. https://doi.org/10.3390/en15207569
Chicago/Turabian StyleJagadeesh, Ingilala, and Vairavasundaram Indragandhi. 2022. "Comparative Study of DC-DC Converters for Solar PV with Microgrid Applications" Energies 15, no. 20: 7569. https://doi.org/10.3390/en15207569
APA StyleJagadeesh, I., & Indragandhi, V. (2022). Comparative Study of DC-DC Converters for Solar PV with Microgrid Applications. Energies, 15(20), 7569. https://doi.org/10.3390/en15207569

