Abstract
As a new passive cooling technology, space radiation cooling has great potential for development because the cooling itself has no energy consumption, and the radiation heat exchanger does not affect the appearance, with low noise and low cost. Several rectangular stainless steel plates coated with RLHY-2 material are used as the transmitter for the field test. The experimental results show that, in the case of no windscreen, the increase of outdoor humidity will reduce the cooling effect, and the greater the humidity, the more pronounced the reduction effect. Significantly when the humidity increases from 78% to 90%, the cooling power of the cooler reduces from 102 to 67 W/m2. The thickness of the cloud layer also affects the cooling effect of the space radiative cooler. Compared with the clear weather, the cooling power of the cooler is reduced by 11.65 W/m2 on average under foggy weather conditions. Compared with the force-1 wind and the force-3 wind, the cooling effect of the cooler is the worst under the condition of the force-2 wind, and the average cooling power is only 49.76 W/m2. In addition, laying polyethylene (PE) film as a windscreen is beneficial to improving the radiative cooling effect, and the difference in surface temperature between the two is up to 3 °C. This research provides a theoretical basis and practical reference for applying radiative cooling technology in different regions and seasons and adjusting and improving its effects.
1. Introduction
Space radiation cooling technology, also called sky radiation cooling technology, is a passive cooling technology that does not consume energy by itself and is currently receiving increasingly widespread attention from scientists [1,2]. The temperature of outer space is about 4 K. Therefore, it is an ideal cooling source with great potential for exploitation relative to the Earth. Space radiative cooling is a cooling process in which surface objects emit heat to outer space through their infrared radiation through an “atmospheric window” with a wavelength of 8–13 μm [3,4]. Radiative cooling in space is a phenomenon that occurs naturally, such as dew on the surface of leaves in the early morning and colder desert air at night. This radiation cooling technology is simple in structure and pollution-free, so it has broad application prospects.
Since the 1960s, space radiation cooling technology has received attention from scholars worldwide. However, due to excessive solar radiation during the daytime, early research on space radiation cooling technology focused on nighttime cooling, and various types of polymer films, inorganic films, white coatings, and other inorganic materials were proposed by researchers [5,6,7,8]. With the development of materials science and nano-optics, materials that can perform radiative cooling during the day have also been fabricated. In 2013, Raman et al., [9] designed a radiative cooler consisting of seven alternating layers of SiO2 and HfO2 with silver as the reflective substrate, which can reflect 97% of the sunlight and has an average emissivity of about 0.65 in the atmospheric window. In 2017, Zhai et al., [10] fabricated a scalable daytime radiative cooling thin-film material capable of reflecting 96% of solar radiation and with an emissivity of 0.93 within the atmospheric window and cooling power of about 93 W/m2 under direct midday solar conditions, which has since laid a good foundation for the large-scale application of radiative cooling. Bikram et al., [11] implemented passive radiative cooling directly using the angular limitation of solar radiation in the sky without considering the radiative performance of the radiative cooler in the solar spectrum. They validated the radiation cooling method using a polished aluminum disk that reflected solar radiation and a white infrared-transmissive polyethylene-convective cover that minimized scattered solar radiation. At midday, the minimum temperature was 6 °C lower than the ambient temperature, and the maximum cooling power was 45 W/m2. Dai et al. [12] proposed a new grating structure composed of an aluminum matrix composite with a polycarbonate coating on the top layer and SrTiO2, SiO, and Al2O3 on the middle layer, achieving 71.39 W/m2 of cooling power. Usually, daytime radiative cooling requires using complex and expensive nanomaterials with spectrally selective radiation. Wang et al. [13] proposed a bilayer coating (aluminum nitride and silica) with Fabry–Perot resonance and achieved a cooling power of 110 W/m2 for a radiative cooler at 30 °C and solar radiation intensity of 900 W/m2.
In addition to the deposited materials, the research on space radiation cooling technology has also focused on the simulation and application of radiation covers and coupled systems. Radiation cooling power can be enhanced by increasing the transmittance of the radiative cover at 8–13 μm and the reflection of solar light or by combining space radiation cooling technology with other systems. Benlattar et al. [14] fabricated a CdS film by solution deposition. They used it as a radiative cover, achieving high transmission in the atmospheric window band and reducing the transmission of sunlight. Bathgate et al., [15] compared polyethylene films with radiative covers made of ZnS and found that the cooler using ZnS radiative covers had a transmittance of 0.64 in the 8–13 μm band and that the ZnS radiative covers had a longer lifetime and higher strength compared to polyethylene films. Smith [16] compared an ordinary polyethylene cover with a mesh-structured polyethylene cover in experiments, which proved that a radiative cooler with a mesh-structured radiant cover has better cooling performance. It can be used as a more extensive area-cooling module. Hu et al. [17] proposed using a spectrally selective cover and emitter as an alternative to the conventional radiant cooler. They conducted a comparative study of four radiative cooling modules with different spectral properties, illustrating the effects of masking and the spectral profile of the emitter on the performance of radiative cooling. The results show that the net RC power of a RC module with a spectrally selective cover and spectrally selective emitter (SC/SE) is 62.4 W/m2 when the solar radiation was 800 W/m2 under the given conditions. This was approximately 1.8 times that of a typical RC module with spectrally non-selective coverage and spectrally selective emitters (n-SC/SE). Furthermore, when the ambient temperature was 30 °C, the SC/SE-based RC module achieved a 20.0 °C reduction in the daytime sub-ambient temperature, a further 9.2 °C reduction compared to the n-SC/SE-based RC module. Chen et al. [18] used a vacuum chamber that could avoid direct sunlight. After a 24 h day/night cycle, the average surface temperature of the radiative cooler was reduced relative to the ambient temperature by 37 °C. In addition, the surface emissivity of a better radiant cooler should have less variation in emissivity from the 0° to 90° zenith angle. Zhao et al. [19] proposed a new composite PV/radiant cooling system based on selective panels to obtain power and cooling. The study showed that the hybrid system has enough potential to be applied in actual buildings. Salman et al. [20] combined radiant cooling technology with a photovoltaic thermal system to create a new solar cell that reduces the solar cell operating temperature by up to 1.7 °C during the daytime, increases the electrical efficiency and total excitation efficiency by 0.76% and 0.5%, respectively, and for nighttime, obtains an additional 4–7 W/m2 of cooling power. By combining an ethylene-tetra-fluoro-ethylene (ETFE) film with a silver layer, Liu et al., [21] fabricated a bilayer film for all-day sub-ambient radiative cooling. It has been experimentally demonstrated that this film will cause the cooler to have an average temperature 3.0 °C lower than the ambient air during the day. Hu et al. [22] proposed a new system combining solar-driven absorption chillers with radiant cooling, combining solar collectors with radiant cooling panels and enabling the system to meet the cooling needs of a 70-square-meter room stably.
A summary of previous studies shows that most scholars mainly focus on the radiative properties of materials or coolers by developing combinations of materials and cooler forms to enhance the radiative power and thus achieve a better cooling effect. In fact, since space radiation coolers are generally placed outdoors, outdoor conditions (e.g., outdoor wind speed, cloud thickness, outdoor temperature, humidity, etc.) are also an essential factor affecting the radiation cooling effect [23]. Outdoor conditions also determine the applicability of space radiation cooling technology geographically. Therefore, it is necessary to explore the influence of these factors on the cooling effect and to provide a valuable reference for the environmental conditions and the state of the cooler.
In this paper, the effects of different external conditions on the performance of the space radiative cooler are explored by building a space radiant cooling system. The upper surface of the upper stainless steel layer of the space radiative cooler located in Jinan (36°N, 117°E) was coated with RLHY-2-C1 high-emissivity coating (emissivity 0.89 at room temperature), and the performance effects of the space radiant cooling system under different external influences were investigated through experimental measurements.
2. The Principle Analysis of the Space Radiative Cooler
As shown in Figure 1, the heat exchange between the space radiative cooler and the external environment generally has four parts: the radiation heat transfer from the sun to the cooler, the radiative heat transfer from the atmosphere to the cooler, the radiative heat transfer from the cooler to the external environment, and the non-radiative heat transfer between the cooler and the external environment.
Figure 1.
Schematic diagram of space radiative cooling and heat transfer.
Therefore, the heat balance equation of space radiative cooling is:
where is the radiant power of the cooler radiant surface; is the power projected by the atmosphere onto the surface of the radiator; is the solar radiation energy; is the non-radiative heat transfer power between the surface of the radiant cooler and the environment; is the net radiative power of the radiant cooler.
The principle of the cooler is mainly to cool the circulating water in the internal channel of the cooler through radiative heat exchange between the radiative cooler and the outside to achieve the cooler’s purpose. The heat transfer process schematic is shown in Figure 2.
Figure 2.
The principle of the heat transfer process of the space radiant cooler.
The radiative heat dissipation of the space radiative cooler can be expressed as follows:
where is the emissivity of the radiative plate; is the blackbody radiant constant, = 5.6710−8 W/(m2 K4).
Then the radiative heat dissipation coefficient can be expressed as:
The effective sky temperature is given by:
where is the cloud cover coefficient; is the effective sky emissivity; is the ambient air temperature, K.
Researchers have established a model of sky effective emissivity () and dew point temperature (), and the relationship between the two is as follows [24]:
where the dew point temperature in the polynomial is calculated according to the following equation:
where the expression for is as follows:
where is the relative humidity; is the ambient temperature.
The calculation equation of the cloud cover coefficient is:
where is the total opaque cloud cover. In a clear sky, = 0, and in a cloudy sky, = 1.
The heat flux density of convective heat transfer between the radiant plate of the space radiative cooler and the surrounding environment can be expressed by the following equation:
where is the heat transfer coefficient of the surface of the cooler, W/m2· °C; is the temperature of the outer wall on the upper side of the cooler, K; is the air temperature around the cooler, K.
The heat conduction between the inner fluid and the outer wall may be composed of the heat conduction from the inner wall to the outer wall of the cooler and the heat convection between the inner fluid water and the inner wall of the radiative plate of the cooler.
where is the thermal conductivity of the radiant plate of the cooler, W/(m·K); is the thickness of the radiant panel, m; is the inner wall temperature of the radiant panel, K. is the heat transfer coefficient of the surface of the cooler, W/m2· °C; is the average temperature of the inlet and outlet.
The outlet water temperature is:
where is the surface area of the space radiative cooler, m2; is the cooling water mass flow, kg/s; is the specific heat capacity of water, 4.186 × 103 J/(kg·°C;).
The space radiation cooling system built in this experiment can monitor the outdoor temperature, outdoor humidity, the surface temperature of the cooler, the inlet and outlet water temperature of the cooler, the operating power of the internal and external circulation pumps, the flow of the cooling medium, and the temperature of the electric heating water tank. Therefore, by directly measuring the water temperature at the inlet and outlet of the cooler, the radiation power of the space radiative cooler can also be indirectly calculated by the following equation:
where is radiant cooling capacity, W/m2.
In the actual heat exchange process of the space radiant cooler, there are three heat transfer modes: thermal conduction, convection heat transfer, and radiative cooling. Therefore, it is inferred that the performance of the radiant cooler needs to be evaluated by the comprehensive heat transfer coefficient . According to the theoretical analysis of the space radiative cooler, the expression of the comprehensive heat transfer coefficient can be obtained as follows [25]:
where is the effective heat transfer coefficient of the radiator,. The meanings of other parameters are the same as before.
3. Construction of the Experimental System
3.1. Setting of the Space Radiative Cooler
From the analysis of the principle of radiation cooling technology, the space radiative cooler not only needs to radiate heat to space as much as possible but also needs to reduce the absorption of external heat and, at the same time, fully consider the simple structure, low cost, convenient installation, operation and maintenance required in practical engineering. Therefore, this experiment uses stainless steel as the material for space radiative heat dissipation. Figure 3 shows the structural details of the space radiative cooler. One or more chiller modules, including a metal frame, are selected to handle the required radiant cooling capacity. At least one radiant cooler module is arranged on the metal frame, including 12 stainless steel rectangular tubes, and the space in the tubes is the cold water flow channel. The two ends of the stainless steel rectangular pipe are connected to the cold water sub-collector, which is composed of DN40 stainless steel round pipes. The cold water inlet direction is connected to the water separator, and the cold water outlet direction is connected to the water collector. Both ends of the stainless steel rectangular tube in the width direction are connected by rivet-free riveting and adhesive.
Figure 3.
Structure diagram of the space radiant cooler.
There are two space radiative coolers used in this experiment. The single size is 3 m long, 1 m wide, and 1 cm thick. It is welded with 12 stainless steel rectangular tubes. The stainless steel plate is 1 mm thick, coated with RLHY-2-C1 high-emissivity coating (emissivity 0.89 at room temperature), and eight temperature sensors are pasted on the surface, which is evenly distributed on the surface of the cooler. It is horizontally placed on the roof of the science and technology building of Shandong Jianzhu University in Jinan (36°N, 117°E), as shown in Figure 4.
Figure 4.
Entity photos of the space radiant cooler. (a) Overall photo of two radiant cooling coolers and (b) photo of single radiant cooling plate.
3.2. Composition of the Space Radiation Cooling System
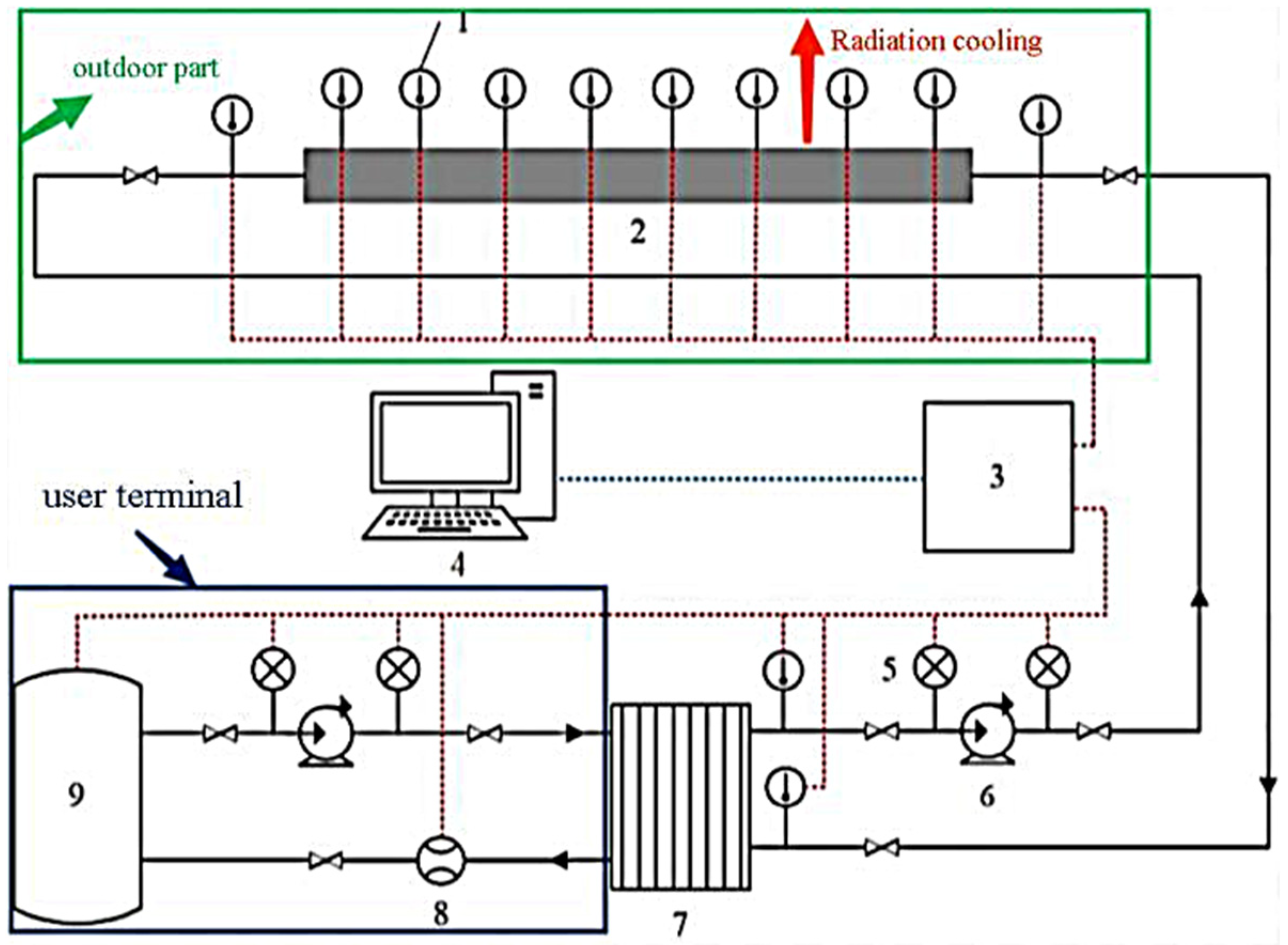
In addition to the space radiative cooler itself, the space radiative cooler system must also carry out cycle experiments. This way, the system’s cooling performance test can be completed, and the experimental system is located in the Science and Technology Museum of Shandong Jianzhu University in Jinan, Shandong Province. The experimental system is mainly composed of the space radiation cooler, the plate heat exchanger, the internal circulating water pump, the external circulating water pump, the electric heating water tank, the electromagnetic flowmeter, the temperature sensor, the data acquisition system, and others. The flow of this experimental system is shown in Figure 5.
Figure 5.
Flow chart of the space radiation cooling system.
In Figure 5, 1-temperature sensor, 2-space radiation cooler, 3-system controller, 4-data acquisition system, 5-pressure sensor, 6-circulating water pump, 7-plate heat exchanger, 8-electromagnetic flowmeter, and 9-electric heating water tank.
The operation process of the whole system is as follows: at the cooling end, after heat exchange by the water in the plate heat exchanger (7), it is transmitted to the space radiation cooler (2) on the roof through the circulating water pump (6). After the cooler releases space radiation heat, the cooled water enters the plate heat exchanger (7) downstairs to exchange heat with the user end to complete the cycle. Using the electric heating water tank to simulate the user end is on the user’s side. When the water in the water tank (9) is heated (after use by the user), it is sent to the plate heat exchanger (7) through the circulating water pump for heat exchange. After heat exchange, the water is cooled and continues to the water tank (9) for heating. This process completes the circulation.
The space radiative cooler (cooling end) was installed on the roof of the science and technology building. In order to offset the cooling output, the experiment set up an electric heating water tank (left in Figure 6) to simulate users. They exchange heat through a plate heat exchanger (right in Figure 6) to offset the cooling output, and the water tank temperature can be set intelligently. Thus, we can fully explore the working conditions of space radiation cooling technology in practical applications. The test data of this experiment are current signals—display and store data after acquisition and conversion by the data acquisition instrument. The parameters collected by the data acquisition instrument include outdoor temperature and humidity, the temperature of the surface and both ends of the radiant cooler, the time for collecting data (set the recording time interval to 3 s), and the power of the internal and external circulation pumps. In addition, it also includes the flow, electric heating energy, total electric energy, and the operating status of each piece of equipment in the cooling section and the user terminal, as shown in Figure 7.
Figure 6.
(a) Electric heating water tank and (b) plate heat exchanger (right).
Figure 7.
(a) System monitoring interface and (b) data acquisition interface.
Figure 8 shows the experimental device of the space radiation cooling system, divided into two parts: roof and indoor. The space radiation cooler and temperature sensor are arranged on the roof. The indoor layout includes a plate heat exchanger, electric heating water tank, water pump, data acquisition system, and others.

Figure 8.
(a) Roof part of the experimental system. (b) Indoor part of the experimental system.
Because this experimental system combines the radiant cooler with the user end, in addition to studying the cooling power of the radiant cooler, through the regulation of the user end, it can more effectively study the practical application effect of space radiant cooling technology.
When exploring the influence of windscreen, we also measured the intensity of solar radiation. The experimental equipment is shown in Figure 9. The specific parameters of each piece of equipment are shown in Table 1.
Figure 9.
Entity diagram of the solar radiation sensor.
Table 1.
Equipment parameters.
3.3. Coating Materials for the Space Radiation Cooler
This experiment uses RLHY-2 blackbody radiation energy-saving paint (Beijing Ronglihengye Technology Co,.Ltd, Beijing, China) that can be produced on a large scale [26] (Figure 10). It was developed by Beijing Rongli Hengye Technology Co., Ltd. in 2015. The material is composed of a blackbody radiation material and high-temperature-resistant binders. Transition group element oxides, zirconia, and silicate refractories are doped at high temperatures to form solid-solution blackbody radiation materials. High-temperature-resistant adhesives bond the coating to the substrate surface. This material can improve the blackness of the coating, and this makes it at the wavelength of 1~15 μm interval, with emissivity above 0.95. Moreover, the blackening agent is stabilized to improve the anti-aging performance. In addition, the coating structure of this material is dense, which protects the lining and has wear resistance, corrosion resistance, and many other characteristics. Furthermore, it can protect the stainless steel plate well. In order to play a protective role, we diluted the coating and directly sprayed it on the surface of the radiant cooler on the roof to form a hard ceramic enamel shell for protection.
Figure 10.
RLHY-2 Blackbody radiation energy-saving coating.
3.4. Uncertainty Analysis of the Experiment
In this experiment, foam boards are used to fill and coat around the radiant panel of the radiant cooler, which plays the role of thermal insulation. However, since the radiant cooler is located outdoors, relatively bad weather conditions such as heavy rain and heavy fog will have a certain impact on the thermal insulation effect of the foam panel, which will affect the heat exchange between the radiant panel and the internal water flow, resulting in unstable experimental data. In addition, experimental studies cannot control variables as absolutely as simulation studies can. When studying a certain influencing factor, the rest of the data can only be similar but not identical, so this is also one of the uncertainties of the experiment. At the same time, considering the error of the measuring instrument itself, the error caused is about ±1.5 °C.
The internal and external circulating pumps are variable-frequency circulating pumps. The circulating pumps operate at the set power but cannot maintain the set power all the time. The error is ±0.5 Hz, which leads to the difference in flow in the system. In addition, the error of the flowmeter itself is ±5% R. So, there is a certain error between the cooling power and the set value.
4. Results and Discussions
The space radiation cooler built in this experiment is easy to install and is located on the roof of the building, in direct contact with the outside. In order to study the influence of outdoor environmental factors on the performance of the space radiative cooler, this paper analyzes the performance of the radiant cooler under different outdoor conditions through experiments. It analyzes the influence of different external environmental factors on the space radiant cooling system. Since the solar radiation is too high during the daytime in Jinan in summer and autumn, and the outdoor humidity and atmospheric thickness will directly affect the amount of atmospheric radiation, in order to reflect the effect of different factors on radiation cooling to the greatest extent, we chose a time between 6:00 pm and 6:00 am the next day. The test is carried out during the period, and the data is recorded every 3 s to minimize the uncertainty of environmental factors.
4.1. The Effect of Outdoor Humidity on the Performance of the Space Radiative Cooler
Usually, air humidity is used to characterize the degree of atmospheric humidity; relative humidity is used to characterize the degree of humidity and dryness of the air, and the primary influence is the content of water vapor. Water vapor is one of the main components of the atmosphere, and its density varies with the season, altitude, and other factors. Therefore, outdoor humidity is an essential factor affecting the performance of space radiation coolers. In actual experiments, factors such as outdoor air temperature are not controllable. In order to explore the specific influence of outdoor humidity and to reduce errors as much as possible, in this section, we select 21 October, 24 October, and 30 October, 2021. In the data of these three days, we will continuously read the data measured by the space radiative cooling system for comparative analysis, including the medium circulating flow, the inlet and outlet temperatures of the circulating medium, and the outdoor temperature and humidity. During these three days, the cooling medium flow rate was about 0.3 kg/s, the outdoor temperature was 7~13 °C, and the weather was mostly clear. The circulating pump power was 37.8 Hz, and the water tank temperature was maintained at 35 °C. The outdoor humidity varies from 25% to 90%. So these three days of test data are very suitable for depicting the effect of relative humidity on the cooler’s performance. The data integration of these three days is shown in Figure 11. Figure 11a shows the outdoor environment status, including outdoor humidity, outdoor temperature, sky-effective emissivity, and effective temperature. Figure 11b shows the variation of the temperature difference between the inlet and outlet of the radiant cooler on the roof and the cooling capacity with the outdoor humidity.
Figure 11.
(a) Outdoor environment status. (b) Effect of outdoor humidity on the performance of the radiant cooler.
Under cold outdoor conditions in autumn and winter in Jinan, in the process of outdoor humidity gradually rising, with the gradual decrease of air temperature, the temperature difference between the inlet and outlet of the space radiative cooler and the cooling power increase steadily. It can be known from the Equations (5)–(7) that, with the increase in humidity, increases and increases, so increases. Because the weather is clear, then = 1, which eventually leads to an increase in at the same temperature and a decrease in . For example, in the two-stage process of the outdoor humidity rising from 25% to 35% and from 45% to 55%, it is obvious that the temperature difference between the inlet and outlet continues to decrease with the increase of the outdoor humidity. At the same time, the cooling power of the space radiative cooler has been reduced from 59 to 56 W/m2 and from 71 to 65 W/m2. However, due to the uncertainty of outdoor conditions, when the outdoor humidity reaches 65%~78%, the test data shows that the weather turns cloudy and the outdoor temperature suddenly increases, resulting in a rapid increase of with the outdoor temperature. The net radiative power of the space radiant cooler decreases and the temperature difference between the inlet and outlet of the radiant cooling system decreases, resulting in a decrease in the cooling capacity. When the outdoor humidity is above 78%, the weather returns to its original state, and it can be seen from Figure 10b that the cooling capacity has increased significantly. Water vapor has a broad absorption band of long-wave radiation, which hinders radiation exchange between the ground and space. When the humidity is too high, the cooling effect of the radiant cooler will be significantly reduced, so the temperature difference between the inlet and outlet of the radiant cooler and the cooling capacity shows a significant downward trend, and the cooling power of the cooler is reduced from 102 to 67 W/m2. The experimental results have shown that the increase in outdoor humidity will reduce the cooling performance of the space radiative cooler, and it can be found that the decrease in the outdoor temperature will improve the cooling performance of the space radiative cooler. Therefore, it is recommended that the space radiant cooling system should try to avoid an environment with high temperature and high humidity. Otherwise, it will reduce the cooling effect. At the same time, it also shows that, in areas with high-temperature and high-humidity environments, the application of this space radiation cooling system is limited. That is consistent with the conclusion in other model studies that aerosol-induced humidity enhancement essentially impairs radiative cooling capacity [27,28].
4.2. The Effect of Atmospheric Cloud Thickness on the Performance of the Space Radiative Cooler
In practical engineering, cloudy weather is a common condition. In the atmosphere, greenhouse gases such as water vapor, CO2, and ozone strongly absorb long-wave radiation. Therefore, the thickness of the atmosphere has an essential impact on the effect of space radiation cooling. In order to study the effect of atmospheric thickness on the space radiative cooler, this paper selects the experimental data on 26 October and 27 October 2021 for analysis. The weather conditions of the two days were clear, cloudy, and foggy, and other influencing factors, such as flow rate and outdoor humidity, were similar. The frequency of the circulating pump was changed to 31 Hz, while the temperature of the water tank was maintained at 33 °C, which was used to analyze the thickness of the atmosphere and the effect of the space radiation cooler. The experimental results of the inlet and outlet temperature difference and cooling capacity of the radiant cooler during the two days are shown in Figure 12.
Figure 12.
Influence of atmospheric thickness on radiant cooler performance.
When the weather is clear, the opaque cloud cover = 0, so the cloud cover coefficient = 1, and, when it is foggy, = 1, > 1, and the increase of will cause to rise, and will decrease. Figure 12 also clearly shows that the cooling performance of the space radiative cooler is better in clear weather, with the average inlet and outlet temperature difference reaching 1.27 °C, while in cloudy and foggy conditions, the average inlet and outlet temperature difference of the radiative cooler is only 0.95 °C. The thicker the atmosphere is, the more difficult it is for the infrared radiation of the radiative cooler to pass through the atmospheric window, and the lower the cooling power of the cooler will be. Therefore, the cooling power of the radiative cooler is also much different under these two weather conditions. As shown in Figure 12, the average cooling power under clear conditions is about 31.65 W/m2, and the average cooling power under foggy conditions is about 20 W/m2. This result shows that cloud layer thickness and air quality are essential factors for radiative cooling power. Under actual weather conditions, the thicker the cloud layer, the worse the cooling performance of the space radiative cooler. Therefore, in cloudy and foggy weather or areas, the application of the space radiation cooling system is not effective.
4.3. The Influence of Outdoor Wind Speed and Windscreen on the Performance of the Space Radiative Cooler
When we do not set up the windscreen [29], the outdoor wind will continuously exchange heat with the radiant cooling plate, and the wind speed is also an essential factor affecting the radiative heat exchange. We selected the three-day measurement data on 21, 24, and 26 November 2021, and the wind speed grades on that day were north force-3 wind (3.4–5.4 m/s), east force-1 wind (0.3–1.5 m/s), and northeasterly force-2 wind (1.6–3.3 m/s), respectively. The experimental result is shown in Figure 13.
Figure 13.
(a) The effect of outdoor wind speed on the temperature difference between the inlet and outlet. (b) The effect of outdoor wind speed on cooling power.
It can be seen that, before 22:00, the temperature difference between the inlet and outlet of the cooler under the three wind speeds was not much different. When the cooler tends to be stable, the temperature difference between the inlet and outlet of the radiant cooler first decreases and then increases when the wind speed changes from force-1 wind to force-2 wind and force-2 wind to force-3 wind. During the force-1, force-2, and force-3 winds, the average inlet and outlet temperature differences were 1.6, 1.1, and 1.39 °C, and the average cooling power was 65.6, 49.76, and 62.16 W/m2, respectively. The following analysis can be done by equation 14: when the wind speed increases, will increase; if remains unchanged, will increase, and the comprehensive heat transfer coefficient will increase, and the increase of can reduce the outlet temperature. However, due to the increase of , the radiator outlet temperature may still not decrease, so the cooling power will also decrease. When the wind speed is too large, the primary heat exchange method of the cooler without the windscreen will be convection heat exchange, so the outlet water temperature will decrease again, which will increase the cooling power of the radiant cooling panel, but at this time, the significance of radiation cooling will be lost. The results of this study indicate that the effect of outdoor wind speed on the performance of the space radiative cooler without windscreens is uncertain. The comprehensive heat transfer coefficient determines the cooling power. Both small wind speed and high wind speed may increase the cooling effect of the radiant cooler. For this reason, adding a windscreen in the practical application of the space radiative cooling system is better, thereby reducing the heat loss caused by the convection heat transfer. In order to further study the effect of setting the windscreen on the cooler’s performance, we modified the experimental bench. Based on applying the radiant material, a polyethylene (PE) film is applied at a distance of 2.5 cm from the right radiant cooling surface to suppress the convection heat exchange between the radiant cooler and the outside world, as shown in Figure 14. Figure 15 is a structural diagram of a radiant cooler with PE film installed.
Figure 14.
Control experiment.
Figure 15.
Radiant cooler structure.
We selected the experimental data on 25 September 2021, turned off the internal and external circulation pumps in a clear state, and only recorded the changes in the surface temperature of the radiative cooler to explore the cooling effect of the space radiative cooler. In order to study the influence of the PE film on the heat dissipation of the radiative cooling panel during the day, we measured the solar radiation intensity of the day through the solar radiation sensor and combined it with the data measured by the space radiative cooling system. The experimental result is shown in Figure 16.
Figure 16.
The experimental results of the comparison between the surface temperature change and the ambient temperature change of the radiant cooler.
It can be seen from Figure 16 that, in the daytime, due to the high intensity of solar radiation, the surface temperature of the two radiative coolers is higher than the ambient temperature, so cooling cannot be achieved. Since the PE film inhibits the heat transfer of the convective heat transfer belt, the surface temperature of the cooler with the PE film is relatively high. Around 18:00, as the intensity of solar radiation decreases to close to 0 W/m2, the radiative cooling process begins. At this time, the temperatures of the two radiant panels are close to the same temperature, 20.18, and 20.01 °C, respectively. With the further deepening of the radiation cooling process, the temperature of the radiant panel with PE film started to be lower than that of the radiant panel without PE film and continued until 10:00 the next day. The experimental results show that the inhibition of non-radiative heat transfer by the PE film is beneficial in improving the cooling effect of the space radiative cooler. In the process of laying and cooling at night, the outdoor temperature is higher than the surface temperature of the cooler, and convection heat transfer will bring heat to the radiant cooler. Therefore, selecting the windscreen to suppress the non-radiative heat exchange can improve the cooling effect of the space radiative cooler.
5. Conclusions and Limitations
In this paper, a set of the space radiation cooling system is designed and built, and several sets of experiments are carried out. The experimental data are sorted and analyzed, and the performance changes of the radiation cooler under different environmental factors are studied. The following conclusions are drawn:
- 1)
- In the case of no windscreen, the outdoor humidity will increase, and the cooling effect of the radiant cooler will be reduced, mainly because the water vapor in the air will inhibit the radiation of the cooler in the atmospheric window. The increase in outdoor humidity leads to an increase in the effective temperature of the sky, which reduces the cooling power of the radiant cooler, so the space radiant cooling system is unsuitable for operation in a high-temperature and high-humidity environment.
- 2)
- In the case of no windscreen, the thicker the cloud cover, the larger the cloud cover factor, and the worse the cooling power of the radiant cooler. In addition, the existence of clouds will inhibit the radiative cooler from radiating heat into space, so the application effect of space radiative cooling technology is limited in cloudy and foggy weather or regions.
- 3)
- The outdoor wind speed mainly affects the convective heat transfer of the radiant cooler, which in turn will affect the comprehensive heat transfer coefficient of the space radiative cooler. In the case of no windscreen, too small or too large wind speed will affect the performance of the cooler. In the case of setting the windscreen, by laying polyethylene (PE) film for comparative experiments, it is found that, when the solar radiation intensity is high during the day, the radiant cooler cannot be cooled, and the existence of PE film will affect the heat dissipation of the cooler. Therefore, the use of PE film at night is beneficial for improving the cooling effect of the space radiant cooling system.
This paper mainly studies the influence of different weather conditions on the experimental system built and provides a reference for the application in Jinan and similar environments. In addition to the above studies, factors such as the radiant cooler’s structure and the radiant panel’s inclination angle will also impact the cooling effect. However, due to the large size of the radiant cooler built this time, it is not easy to transform it in a short period, so a judgment on these factors cannot be made. Besides, suppose you want to improve the effectiveness of the radiation cooling system in adverse weather conditions such as high humidity, high temperature, and cloudy or foggy weather, in addition to designing radiation with more excellent spectral selection characteristics. In that case, developing a hard cover with high transmittance in the “atmospheric window” band is also essential. In this way, it can avoid the damage of adverse weather to the radiant cooling system as much as possible to improve the performance of the radiant cooling system. That is the limitation of this study.
Author Contributions
Z.Z. formal analysis, investigation, methodology, writing—original draft; Y.X. formal analysis, investigation, methodology, writing—original draft; Q.W., B.L. (Bing Liu), B.L (Bowen Li), J.Z. and X.Y. formal analysis. All authors have read and agreed to the published version of the manuscript.
Funding
In this paper: the research was sponsored by the Natural Science Foundation of China (Grant No. 51708339), the Natural Science Foundation of Shandong Province (Grant No. ZR2022ME102), the Plan of Introduction and Cultivation for Young Innovative Talents in Colleges and Universities of Shandong Province (2021), and the Scientific and Technological Innovation Project for Youth of Shandong Provincial Colleges and Universities (Grant No. 2019KJH012) and was also supported by the Science and Technology Innovation & Breakthrough Plan of Heze (Grant No. KJCXTP202006).
Acknowledgments
The authors of this study wish to acknowledge the contributions of all partners.
Conflicts of Interest
The authors declare no conflict of interest.
References
- Hossain, M.M.; Gu, M. Radiative Cooling: Principles, Progress, and Potentials. Adv. Sci. 2016, 3, 1500360. [Google Scholar] [CrossRef] [PubMed]
- Liu, J.; Zhou, Z.; Zhang, J.; Feng, W.; Zuo, J. Advances and challenges in commercializing radiative cooling. Mater. Today Phys. 2019, 11, 100161. [Google Scholar] [CrossRef]
- Yin, X.B.; Yang, R.G.; Tan, G.; Fan, S.H. Terrestrial radiative cooling: Using the cold universe as a renewable and sustainable energy source. Science 2020, 370, 786–791. [Google Scholar] [CrossRef] [PubMed]
- Feng, J.; Gao, K.; Santamouris, M.; Shah, K.W.; Ranzi, G. Dynamic impact of climate on the performance of daytime radiative cooling materials, Solar Energy Mater. Sol. Cells 2020, 208, 110426. [Google Scholar] [CrossRef]
- Granqvist, C.G. Radiative cooling to low temperatures: General considerations and application to selectively emitting SiO films. J. Appl. Phys. 1981, 52, 4205–4220. [Google Scholar] [CrossRef]
- Berdahl, P. Radiative cooling with MgO and/or LiF layers. Appl. Opt. 1984, 23, 370–372. [Google Scholar] [CrossRef]
- Granqvist, C.G.; Hjortsberg, A. Letter to the editor. Sol. Energy 1980, 24, 216. [Google Scholar] [CrossRef]
- Granqvist, C.G.; Hjortsberg, A. Surfaces for radiative cooling: Silicon monoxide films on aluminum. Appl. Phys. Lett. 1980, 36, 139–141. [Google Scholar] [CrossRef]
- Raman, A.P.; Anoma, M.A.; Zhu, L.; Rephaeli, E.; Fan, S. Passive radiative cooling below ambient air temperature under direct sunlight. Nature 2014, 515, 540–544. [Google Scholar] [CrossRef]
- Zhai, Y.; Ma, Y.; David, S.N.; Zhao, D.; Lou, R.; Tan, G.; Yang, R.; Yin, X. Scalable-manufactured randomized glass-polymer hybrid metamaterial for daytime radiative cooling. Science 2017, 355, 1062–1066. [Google Scholar] [CrossRef]
- Bhatia, B.; Leroy, A.; Shen, Y.C.; Zhao, L.; Gianello, M.; Li, D.; Gu, T.; Hu, J.J.; Soljačić, M.; Wang, E.N. Passive directional sub-ambient daytime radiative cooling. Nat. Commun. 2018, 9, 5001. [Google Scholar] [CrossRef] [PubMed]
- Dai, Y.D.; Zhang, Z.J.; Ma, C.Y. Radiative cooling with multilayered periodic grating under sunlight. Opt. Commun. 2020, 475, 126231. [Google Scholar] [CrossRef]
- Wang, L.; Zheng, Z.H.; Gou, Y.C.; Liang, W.W.; Yu, W. Fabry-Perot resonance assisted dual-layer coating with enhanced wavelength-selective reflection and emission for daytime radiative cooling. Opt. Commun. 2021, 483, 126673. [Google Scholar] [CrossRef]
- Benlattar, M.; Oualim, E.M. Thin cadmium sulphide film for radiative cooling application. Opt. Commun. 2006, 267, 65–68. [Google Scholar] [CrossRef]
- Bathgate, S.N.; Bosi, S.G. A Robust convection cover material for selective radiative cooling applications. Sol. Energy Mater. Sol. Cells 2011, 95, 2778–2785. [Google Scholar] [CrossRef]
- Smith, G.B. Amplified radiative cooling via optimised combinations of aperture geometry and spectral emittance profiles of surfaces and the atmosphere. Sol. Energy Mater. Sol. Cells 2009, 93, 1696–1701. [Google Scholar] [CrossRef]
- Hu, M.K.; Suhendri, S.; Zhao, B.; Ao, X.Z.; Cao, J.Y.; Wang, Q.L.; Riffat, S.; Su, Y.H.; Pei, G. Effect of the spectrally selective features of the cover and emitter combination on radiative cooling performance. Energy Built Environ. 2021, 2, 251–259. [Google Scholar] [CrossRef]
- Chen, Z.; Zhu, L.; Raman, A.P.; Fan, S. Radiative cooling to deep subfreezing temperatures through a 24-h day-night cycle. Nat. Commun. 2016, 7, 13729. [Google Scholar] [CrossRef]
- Zhao, B.; Hu, M.K.; Ao, X.Z.; Xuan, Q.D.; Pei, G. Comprehensive photonic approach for diurnal photovoltaic and nocturnal radiative cooling. Sol. Energy Mater. Sol. Cells 2018, 178, 266–272. [Google Scholar] [CrossRef]
- Ahmed, S.; Li, Z.P.; Ma, T.; Javed, M.S.; Yang, H.X. A comparative performance evaluation and sensitivity analysis of a photovoltaic-thermal system with radiative cooling. Sol. Energy Mater. Sol. Cells 2021, 221, 110861. [Google Scholar] [CrossRef]
- Liu, J.; Xu, C.F.; Ao, X.Z.; Lu, K.G.; Zhao, B.; Pei, G. A dual-layer polymer-based film for all-day sub-ambient radiative sky cooling. Energy 2022, 254, 124350. [Google Scholar] [CrossRef]
- Hu, T.X.; Kwan, T.H.; Pei, G. An all-day cooling system that combines solar absorption chiller and radiative cooling. Renew. Energy 2022, 186, 831–844. [Google Scholar] [CrossRef]
- Tso, C.Y.; Chan, K.C.; Chao, C.Y.H. A field investigation of passive radiative cooling under Hong Kong’s climate. Renew. Energy 2017, 106, 52–61. [Google Scholar] [CrossRef]
- Berdahl, P.; Martin, M. Emissivity of clear skies. Sol. Energy 1984, 32, 663–664. [Google Scholar] [CrossRef]
- Zhu, Y.Z.; Xu, D.K.; Yand, R.G.; Zhao, D.L. Effect of Precipitable Water and Cloud Coverage on Performance of Radiative Sky Cooling. Chin. J. Refrig. Technol. 2021, 3, 25–30. [Google Scholar]
- Zhang, Y.Y. Boiler Energy Saving Transformation Method—Spraying RLHY-2 Blackbody Radiation Energy Saving Coating. Available online: http://www.rlhye.com/technology/gljngzRLHY-2.html (accessed on 28 August 2015).
- Huang, J.Y.; Lin, C.J.; Li, Y.; Huang, B.L. Effects of humidity, aerosol, and cloud on subambient radiative cooling. Int. J. Heat Mass Transf. 2022, 186, 122438. [Google Scholar] [CrossRef]
- Liu, C.Y.; Wu, Y.Z.; Wang, B.X.; Zhao, C.Y.; Bao, H. Effect of atmospheric water vapor on radiative cooling performance of different surfaces. Sol. Energy 2019, 183, 218–225. [Google Scholar] [CrossRef]
- Auttapol, G.; Exell, R.H.B. An investigation into the use of a windshield to reduce the convective heat flux to a nocturnal radiative cooling surface. Renew. Energy 2007, 32, 593–608. [Google Scholar]
Publisher’s Note: MDPI stays neutral with regard to jurisdictional claims in published maps and institutional affiliations. |
© 2022 by the authors. Licensee MDPI, Basel, Switzerland. This article is an open access article distributed under the terms and conditions of the Creative Commons Attribution (CC BY) license (https://creativecommons.org/licenses/by/4.0/).