Next Article in Journal
Experimental Study on the Performance of a Space Radiation Cooling System under Different Environmental Factors
Next Article in Special Issue
Research on Energy Conversion in the Arc-Extinguishing Process of a Long-Gap Gas Lightning-Protection Device
Previous Article in Journal
Progress of Performance, Emission, and Technical Measures of Hydrogen Fuel Internal-Combustion Engines
Previous Article in Special Issue
Simulation and Study of DC Corona Discharge Characteristics of Bar-Plate Gap
 
 
Font Type:
Arial Georgia Verdana
Font Size:
Aa Aa Aa
Line Spacing:
Column Width:
Background:
Article

Numerical Simulation and Calculation of Resistance of Laminated Paper-Impregnated Insulation of Power Cables

Higher School of High Voltage Engineering, Peter the Great St. Petersburg Polytechnic University, 195251 Saint Petersburg, Russia
*
Author to whom correspondence should be addressed.
Energies 2022, 15(19), 7403; https://doi.org/10.3390/en15197403
Submission received: 7 September 2022 / Revised: 30 September 2022 / Accepted: 7 October 2022 / Published: 9 October 2022
(This article belongs to the Special Issue Advanced Research of High Voltage Insulation)

Abstract

:
Numerical simulation of polypropylene laminated paper insulation is a serious challenge, as it must take into account the layered structure and presence of longitudinal and radial gaps in the coils of the winded tape for cables with sector-shape conductive cores. Thus far, it has been performed only with serious simplifications. We propose a technique for numerical modeling of electric parameters in this type of insulation by reducing a complex 3D problem to a simplified 2D model that takes into account the main influencing factors. The results of modeling the distribution of electric field strength and current density in insulation are presented, and the influence of the location of gaps between the edges of winded tape on the conductivity of cable insulation is estimated. Analytical expressions are obtained for estimating the electrical resistance of insulation while taking into account the parameters of the butt gap between the insulating tapes. The results of calculations, numerical modeling, and experimentally measured values of electrical resistance are compared, showing that there is a good match. The main effects affecting the properties of polypropylene laminated paper insulation are described.

1. Introduction

Paper insulated cables continue to be successfully operated in various climatic conditions. Certain cables with impregnated paper insulation have been in operation for more than one hundred years [1], which confirms their high reliability. The move from classic cellulose paper to laminated paper improves the performance of power cables, in particular by reducing the insulation thickness. There are several types of insulating laminated paper [2]. Insulating laminated paper is a polymeric material, usually polypropylene film, coated on both sides with a thin layer of cellulose or synthetic paper. The most common in cable applications is polypropylene laminated paper (PPLP) with an outer coating of natural cellulose paper.
The literature review in [3] provides information on the parameters of laminated paper itself, cable insulation based on it, a comparison with cross-linked polyethylene insulation, and manufactured and tested high-voltage cables with PPLP insulation. An overview of the commercial application of PPLP-insulated high-voltage cables from 1980 to 2000 is provided in [4]. The same paper evaluates the breakdown voltage of three layers of PPLP insulation in comparison with impregnated kraft paper, taking into account the gap between the tapes, and describes common electric field patterns in a single layer of PPLP insulation. A comparison of the DC and AC breakdown voltage of impregnated paper and PPLP insulation in both flat samples and real cables is provided in [5]. The properties of PPLP and other laminated papers, such as fluorinated ethylene propylene copolymer (FEP/C), are discussed in [6], as well as in other papers such as [7].
In previous decades, the main focus has been the application of PPLP-insulated cables in high-voltage DC transmission lines [2,3], as well as study of the properties of low-temperature PPLP insulation impregnated with liquid nitrogen [8,9,10]. However, PPLP-insulated cables can be successfully used for the AC transmission and distribution as well [11]. Currently, PPLP insulated cables are mainly produced for medium voltage applications. Therefore, both numerical simulation and analytical approximation of the electric field in the PPLP insulation are relevant when assessing the electrical conductivity.
The number of publications on analytical or numerical modeling of PPLP-insulated cables is quite small. The geometric model of cable insulation made of three-layer laminated tape wrapped with radial and longitudinal gaps is quite difficult to simulate numerically. This is especially the case for sector-shaped conductors, even in the case of a cylindrical conductor, without taking into account the angle of the tape overlap or the azimuthal dependence of the location of the gaps between the PPLP tapes, which is noted in [12]. The reason for the difficulty is that the characteristic geometric dimensions in the model differ by three to four orders of magnitude [12]. Here, we note several papers related to the problem of modeling the operation of cables with PPLP insulation.
Numerical simulation of the DC electric field in the PPLP cable insulation and in the PPLP stop joint box in COMSOL Multiphysics is described in [13]. In this work, experimentally measured electrical conductivity values were used, and possible degradation during operation was considered. The PPLP insulation was treated as a homogeneous material. Modeling of the electric field distribution and its analysis in DC cables with insulation of various types of insulating paper, including PPLP, in liquid nitrogen are provided in [14]; the authors performed the modeling in COMSOL. In [14], the authors created a 2D model able to define the hemispherical electrodes and take into account the gap between the insulating layers; however, it was designed to simulate the electric field strength when the voltage increases at different speeds.
The example of simulating the electric field in a four-core low voltage (LV) DC cable with sector-shaped cores is provided in [15]. The PPLP insulation was considered as a solid material. Non-homogeneous mass-impregnated paper insulation of a transformer was modeled in [16]. The electric field in HVDC mass-impregnated paper insulation with radial and longitudinal oil-filled gaps between the strips was modeled in [17].
The closest work in terms of content devoted to the modeling of the electric field in PPLP insulation is [12], in which the authors considered a layered insulation model. In particular, Ref. [12] presents a comparison of simulation results using bulk-type and layer-type isolation models, including simulation of different sizes and positions of the single butt gap. It has been shown in [12] that the model of insulation layers more accurately describes the distribution of electric field strength than the model of solid insulation, the size of the butt gap of the tapes has little effect on the distribution of the electric field, and the position of the gaps may have an influence on this distribution.
Because the distribution of electric field strength in a homogeneous layered medium is described by simple analytical expressions, and because the insulation can be homogenized for the thermal analysis, as for example in [18,19], we hope to simplify both the numerical and analytical models of PPLP cable insulation.
The goal of this paper is to develop a numerical modeling technique based on an adequate simplification of a complex insulation structure consisting of PPLP-impregnated tapes. Then, based on the simulation results, we propose analytical formulas for calculating the insulation resistance of cables of various designs.

2. Numerical Simulation

Numerical simulation of AC current flow through impregnated PPLP insulation was performed in QuickField software [20]. The insulation structure was loaded by an industrial-frequency AC voltage. The equation with respect to the complex electric potential U is as follows:
Δ ( ( σ + j ω ϵ ) U ) = 0
where σ is the specific electrical conductivity and ϵ is the permittivity. The goal of the simulation is to clarify the dependence of the average insulation conductivity on the design details, in particular the gaps between the wraps of the laminated paper tape.
A three-phase cable with sector-shaped conductors is essentially a three-dimensional structure. Because the purpose of this analysis is to capture the effect of insulation design on cable properties, the model inevitably includes geometric elements with typical dimensions that differ by several orders of magnitude. Thus, the ratio of the of the laminated paper width w = 55 mm to its thickness t p a p = 0.0125 mm is 4500:1. Three-dimensional modeling is a significant geometric challenge with this size ratio, although it can be overcome by replacing the three-dimensional model with a series of interconnected two-dimensional calculations in the cross-section and longitudinal sections.
The electric field in the cross section of a three-phase cable at the time when the potential of phase A (above) reaches its maximum is shown in Figure 1. Such field pattern is typical for three-phase cables with sector-shaped conductors, regardless of the insulation type.
When switching to two-dimensional modeling in the longitudinal section, it is necessary to reduce the problem to an axisymmetric structure [17]. For a round core, this is not a problem if the helicoidal structure of the tape winding and the variable winding direction are ignored.
Separate models are required for a sector-shaped conductor for characteristic insulation zones (zone 1 with a larger radius, zone 2 with a smaller radius, and zone 3 with an infinitely large radius). Because the cable insulation contains dozens or hundreds of periodically repeated layers of laminated paper separated by gaps filled with impregnating oil, it is sufficient to include a small number of PPLP tape layers in the model. Furthermore, in order to calculate the electric conductivity of the insulation, we consider a homogeneous insulation with an average conductivity derived from the model.
The model uses the following properties of dielectric materials (Table 1).
Including five or six layers of laminated paper in the longitudinal sections, with butt and radial gaps between them, we obtain the model, a sketch of which is shown in Figure 2. Polypropylene layers are shown in dark yellow, layers of impregnated paper in pink, and oil-filled gaps between the tapes in light green, with 0.1 mm thick radial gaps and 2 mm wide butt gaps.
The bottom layer of the paper is in contact with the conductive core; thus, the potential at the lower boundary is equal to the phase voltage. The potential on the upper bound of the modeled fragment is slightly different for zones 1, 2, and 3. Its average value for a zone (Figure 3) can be easily extracted from the field pattern in the cross-section (Figure 1).
The axisymmetric model of insulation in zones 1, 2, and 3 differs both in the value of the potential at the upper boundary and in the radius of the inner layer, which corresponds to the conductor surface. For section 1 this is a larger radius equal to 17.45 mm, for section 2 the rounding radius of the sector-shaped core is 2.5 mm, and for section 3 the radius takes an infinite value, that is, we are considering a plane-parallel model instead of an axisymmetric one.
For each of the three longitudinal models, the average insulation conductivity is calculated according to Formula (2) for the axisymmetric problem or (3) for the plane-parallel problem:
σ = I Δ U w m ln ( R m a x / R m i n )
σ = I Δ U w m R m a x R m i n
where Δ U is the applied voltage, I is the insulation leakage current, w m is the longitudinal length of the model, and R m i n , R m a x are the inner and outer radii of the model, respectively.
The average electrical conductivity of the insulation can be estimated as a weighted average of the electrical conductivities over the three zones, with the perimeter of the corresponding part of the sector-shaped conductor selected as the weight (Table 2).
The weighted conductivity of the sector-shaped core is 2.57 × 10 14 S/m. The same value calculated for the round core of equal cross-sections is 1.1 × 10 14 S/m, which is 57% less.
The specific feature of the geometry is that it contains rectangles (paper layers) with a width-to-height ratio on the order of (4 … 5) × 10 3 . The generation of a high-quality mesh of triangular finite elements in such a model requires an analysis of the mesh convergence (Figure 4).
The solution of the problem on a series of finite element meshes with increasing density shows stable results with respect to the mesh density. The map of the leakage current density J in the vicinity of the oil-filled butt gap is shown on Figure 5 and Figure 6.
The proportion of typical current density values in the different insulation layers is shown in Table 3.
Table 3 shows that the leakage current flowing through the insulation is largely determined by the mutual arrangement of the oil gaps between the laminated tapes and their dielectric properties, mainly conductivity. Carrying out a series of calculations at different possible locations of longitudinal gaps in neighboring layers allows us to predict the integral conductivity of the insulation as a whole.
For this purpose, a series of calculations was performed at different shifts of winding layers relative to each other. The value of the shift varies from 0 to 3 mm, which corresponds to 0 … 1.5 of the longitudinal gap. Zero shift is the marginal case when the joint gaps are on top of each other, whereas a shift of 3 mm is one and half times larger than a longitudinal butt gap. Simulations were performed on the round core.
Table 4 shows that with realistic values of the shift of the winded layers relative to each other, the conductivity dependence on this factor is negligibly small. When the conductivity of insulation materials increases (polypropylene to 1 × 10 13 S/m; paper layers and impregnating compound to 2.0 × 10 12 S/m), the total insulation conductivity and current density in the gaps both increase by more than an order of magnitude, although the general laws described above persist. Therefore, the presented modeling technique is applicable in a wide range of values of the specific conductivity of cable insulation components.

3. Analytical Solution

The numerical simulation described above suggests that instead of calculating the parameters of a complex cable insulation system, simple analytical expressions can be developed to estimate the electrical resistance of the cable insulation using only a one- or two-dimensional model.
We use the following notation: w is the width of the laminated paper tape, g is the longitudinal butt oil-filled gap, h i p p is the thickness of the polypropylene layer in the middle of the tape, h p a p is the thickness of the paper layer on each side of the tape, l s is the offset of butt gaps between tapes in neighboring tape layers, and α is the winding angle. We assume that the insulation is wound in one direction. Now, we consider the unfolding of one turn of insulation on the plane. The perimeter L p of one turn equal to the perimeter of the gap is
L p = 2 π R c / cos ( α )
where R c is the radius of the turn. The value of R c depends on the number of times the tape is turned in the insulation.
For three-core cables with sector shaped conductors, the insulation perimeter should be divided into two components: L p p is the perimeter of the phase insulation, which defines the insulation resistance between the conductive cores, and L p b is the perimeter of the inner covering, which defines the resistance between the conductive cores and the cable shield. Ignoring the rounding of the conductive core, the perimeter of the phase insulation can be estimated as follows:
L p p = 2 ( R c 0 H i n s , p ) / cos ( α )
The perimeter along the conductor is
L p b = ( 2 π R c 0 6 H i n s , p ) / cos ( α )
and its perimeter along the outer surface of the phase insulation is
L p b = ( 2 π ( R c 0 + H i n s , p + H i n s , p ) 6 H i n s , p ) / cos ( α )
The current flowing through the insulation is determined by the conductivity of the PPLP tape in the radial direction as well as the conductivity along the oil-filled gaps, both butt and radial. Assuming that the location of the gaps between the tapes is random, these currents can be considered independently.
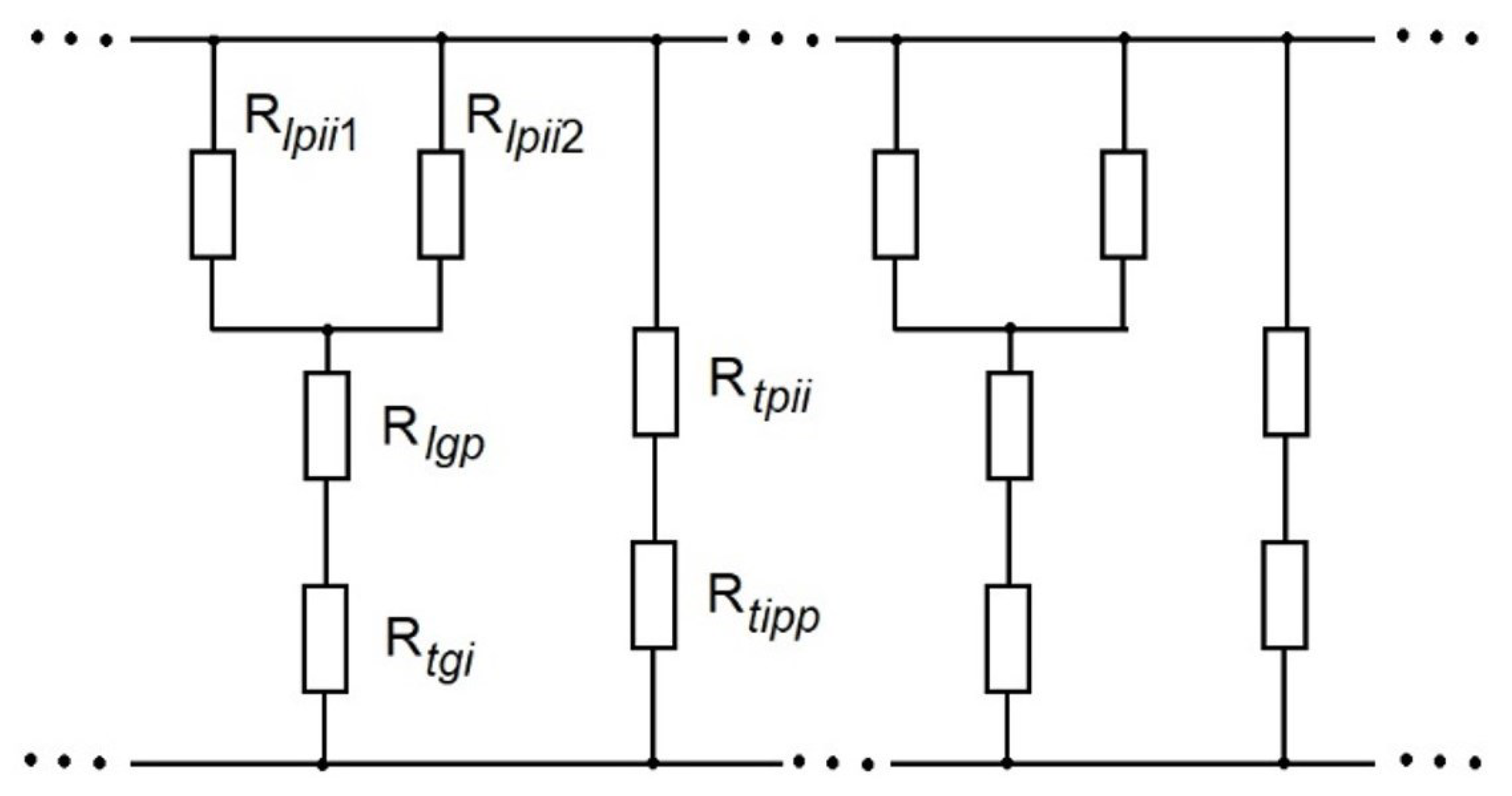
Equivalent circuit for one layer of PPLP insulation can be represented in the form shown in Figure 7 when calculating insulation resistance. The elementary cell of the equivalent circuit is presented by two parallel branches, R t and R l , as shown in Figure 7. Resistance R t represents the through current flowing through the polypropylene layer and the impregnated paper, while R l represents the current through both the radial and butt oil-filled gaps. This approach is an approximation, as the current flowing through the gap between the tapes affects the potential distribution in the impregnated paper layer (Figure 6). Nevertheless, assuming g < < w and the random distribution of the butt gaps in different layers, this influence can be neglected.
Below, we use the following notations for resistances: R t i p p —polypropylene; R t p i i —impregnated paper; R t g i —radial oil-filled gap between tapes; R l g p —impregnated paper between two neighboring oil gaps by l = 0 ; R l p i i 1 and R l p i i 2 —impregnated paper between polypropylene layers by two sides of the oil gap.
R t i p p = ρ i p p h i p p / ( w L p )
R t p i i = ρ p i i h p i i / ( w L p )
R t g i = ρ i p c h i p p / ( g L p )
R l p i i 1 = ρ p i i L p l s 2 h p i i
R l p i i 2 = ρ p i i L p ( w l s ) 2 h p i i
R l g p = 2 ρ p i i h p i i / ( g L p )
where the ρ i p p , ρ p i i , ρ i p c denote the electric conductivity of the polypropylene, impregnated paper, and impregnating oil, respectively. This model assumes tight wrapping of the insulation tape, i.e., zero gap between tapes, which corresponds to the distance between polypropylene layers being equal to twice the thickness of the paper layer. If ρ p i i = ρ i p c is assumed, the model is applicable for nonzero distances between insulation layers with formally increasing h p i i .
Then, the tape conductance is
Y t = 1 / ( R t i p p + R t p i i ) = ( w L p ) / ( ρ i p p h i p p + ρ p i i h p i i )
Y l p i i = ( 2 L p h p i i w ) / ( ρ p i i ( w l s ) l s )
and the oil gap conductance is
Y l = 1 / ( R t g i + R l g p + 1 / Y l p i i )
After a few transformations, we have
Y l = L p ρ p i i 2 g w h p i i ( 2 w h i p p h p i i + 4 w ( h p i i ) 2 + g ( w l s ) l s )
The elementary cell conductance Y c c is a sum of
Y c c = Y l + Y t
The conductance of multiple elementary cells Y c c L by the length L c a b in the case of L c a b > > w can be estimated as follows:
Y c c L = Y c c L c a b / ( w + g )
For the 2D approximation (a plane tape), the insulation resistance R i c a b with a thickness of H i n s (at H i n s > > ( h i p p + 2 h p i i ) , taking into account (14), can be calculated as follows:
R i c a b = w + g Y c c L i c a b H i n s ( h i p p + 2 h p i i )
For the sake of comparison, we can calculate the resistance of the same tape R r v made from paper without any lamination. It can be estimated as
R r v = ρ p i i H i n s L i c a b L p
Taking into account the cylindrical (i.e., not a plane) shape of the conductor, we consider the change of the perimeter of a tape turn L p due to its the dependency of the layer’s radius. Because Y l and Y t are directly proportional to the perimeter L p , we can introduce normalized quantities:
Y ( l , n ) = Y l / L p
Y t , n = Y t / L p
Then,
Y c c = L p ( Y l , n + Y t , n )
Y c c L = L p ( Y l , n + Y t , b ) L c a b w + g
R i c a b = ( w + g ) H i n s L p ( Y l , n + Y t , n ) L c a b ( h i p p + 2 h p i i )
To calculate the resistance of cable insulation, we need to integrate over the radius of the insulation layers. Considering (1), we obtain
R i c a b = ln ( R c 0 + H i n s R c 0 ) 2 π cos ( α ) w + g ( Y l , n + Y t , n ) L c a b ( h i p p + 2 h p i i )
where R c 0 is the conductor radius. For a three-phase cable with sector-shaped conductors, the phase-to-phase resistance R i n s is estimated as follows:
R i c s = 2 ( w + g ) H i n s , p 2 π cos ( α ) ( R c 0 H i n s , p ) ( Y l , n + Y t , n ) L c a b ( h i p p + 2 h p i i )
and the resistance between all conductors and the screen R i c a b is
R i c a b = ln ( R c 0 + H i n s , p + H i n s , b R c 0 ) 2 π cos ( α ) ( Y l , n + Y t , n ) L c a b ( h i p p + 2 h p i i ) k p
where k p is a coefficient which accounts for the decrease in the conductor’s perimeter compared to the length of the circumference due to the presence of phase insulation ( k p < 1 ):
k p = ( π R c 0 3 H i n s , p ) / ( π R c 0 )
Equation (21) estimates the maximal resistance value; thus, with k p = 1 it provides the minimal estimation.
The resistance values calculated by the above formulas can be compared with the classically calculated resistance of round-shaped conductors as follows:
R i c m = ρ p i m 2 π L c a b ln ( R c 0 + H i n s R c 0 )
where ρ p i m is the electric conductance of the insulation and H i n s is the insulation thickness.

4. Calculation and Experimental Results

The experimental study was carried out on sections of power cables with three sector-shaped conductors with common lead jacketing. The testing voltage was 3.5 kV DC. The rated AC voltage was 10 kV, with a 240 mm 2 conductor. The length of the section was chosen as 0.3 m with sealed ends. The cable samples were placed in low temperature oven “SNOL 58/350” with the temperature measurement accuracy of 0.1 °C, maintenance accuracy—0.5 °C. The current flowing through the insulation and electrical resistance were measured using a “METREL MI 3200 (10 kV) TeraOhm” teraohmmeter. The measurements were carried out after equalizing the temperature of the cables and the temperature internal air of the oven. We considered the moment when the equilibrium temperature was reached as the moment of stabilization of the insulation resistance and the current flowing through it at a constant air temperature in the oven. Sample 1 was a classical paper mass-impregnated insulation; the thickness of the phase insulation was 2.75 mm and the thickness of the inner covering was 1.25 mm. Sample 2 was a PPLP mass-impregnated insulation with the same thickness.
We performed both numerical simulation and calculation of insulation electrical resistance using the analytical model for the above insulation data.
The specific electrical resistance of the insulation ρ p i m (which provides the calculated R i c m according to (23) whether or not the k p factor is taking into account) that approximately corresponds to the measured value (see below) can be estimated as 0.5 × 10 12 Ω·m. According to this calculation, the cable insulation resistance per 1 km length is 20 MΩ. At h i p p = 100 µm, h p i i = 10 µm, w = 55 mm, g = 1 mm, α = 15 , and l s in range (0.1 … 2)· w / 2 , ρ i p p = 10 13 Ω·m and ρ p i i = 0.5 × 10 12 , ρ i p c = 0.5 × 10 12 Ω·m, the calculated resistance per 1 km length provides a result of R i c b = 270 MΩ. Looking at the resistances of an elementary cell, ot os apparent that R t i p p > > R t p i i and R l p i i 1 and R l p i i 2 are much bigger then R t i p p . This means that the insulation resistance is mostly defined by the resistance of the polypropylene layer.
With increasing tape width w and moderate decreasing of the gap between tapes g and the distance between tape layers, the influence of the current flowing in the longitudinal direction along the tape surface increases. Nevertheless, for the above-mentioned parameters, this influence can be neglected. Therefore, despite the high density of longitudinal currents and current in the gap between the tapes (as shown by our numerical simulations), there is no significant effect on the total electrical resistance of the cable insulation. Furthermore, winding angles α within a reasonable range do not have a significant effect on the calculated resistance.
The theoretically calculated resistance (23) for a homogeneous polypropylene insulation (with no paper) is R i c m = 370 MΩ per km.
We measured the insulation resistance between three connected phase conductors and the electric screen at temperatures of 22, 50, and 90 °C. The measured values of the insulation resistance per 1 km are 20 MΩ, 7 MΩ, and 0.2 MΩ for the Sample 1 and 300 MΩ, 60 MΩ, and 2 MΩ for the Sample 2. By comparison with the calculated values of 19 MΩ and 270 MΩ, we can conclude that the calculation results agree well with the measured data.

5. Discussion

The low resistance value of the insulation of the classic paper-impregnated cable (Sample 1) is presumably due to moisture penetration into the insulation during the manufacture of the sample for the study. The electrical resistance of laminated paper insulated cable (Sample 2) complies with current national standards. Nevertheless, the electric conductivity of the material used here for calculation ( ρ i p p = 10 13 Ω·m) is lower than the material from reference handbooks ( 10 14 10 15 Ω·m). With polypropylene insulation, moistening cannot be a reason for lowering of the ρ i p p . Instead, this results from the properties of the insulation material.
Our numerical, analytical, and experimental evaluations show that the effect of current flowing along the impregnated tape in the paper and impregnating oil is relatively small. Therefore, the magnitude of the longitudinal shift of the winding layers relative to each other weakly affects the conductivity of the insulation, which is indicated and justified in [12]. This evaluation can be further confirmed by comparing the total insulation resistance of laminated paper and the theoretical homogeneous bulk polypropylene insulation (with no paper). As a result of these calculations, we found that for typical parameters of PPLP insulation components (such as those provided in Table 1) and winding parameters of the insulation tape, the calculated difference in the resistance of PPLP insulation using the above analytical expressions from the theoretical resistance of bulk polypropylene insulation does not exceed 10–30%.
However, we can assume that with aging of the impregnation compound, higher temperatures, and insufficiently tight tape wrapping, the above effect may be significant or even dominant. For example, the calculated insulation resistance decreased by more than three times for l s = 0.1 w / 2 when increasing the radial gap between the polypropylene layers to 200 µm and decreasing the resistivity of the impregnated paper to 10 11 Ω·m.
According to [21,22], the temperature dependence of the resistivity ρ ( T ) of PPLP insulation, is described by the expression
ρ ( T , E ) = ρ 0 exp ( α T ) E p
where T is the temperature of the insulation, E is the electric field strength in kV/mm, and ρ 0 , α , p are the coefficients determined by the properties of the material. Because all three insulation resistance measurements are made at the same voltage, it can be assumed that the resistance R ( T ) is proportional to ρ ( T ) , and ln ( R ( T ) is a linear function of T with the proportionality coefficient α . The experimentally measured value in [21] was 0.06 K−1. The estimated value of α for the three experimental points obtained in this work was 0.07 K−1, which can be considered a fortunate coincidence, as the PPLP insulation, the impregnation composition of the cables, and the cables themselves were presumably prepared by different manufacturers.

6. Conclusions

This paper proposes a numerical model of mass-impregnated laminated paper cable insulation (PPLP) in which part of the insulation is considered as a continuous medium. The proposed model considers several layers of insulation in accordance with the real geometry, including the thickness of the polypropylene and paper and the size and location of oil-filled gaps. The proposed model avoids the complexity of three-dimensional modeling without loss of generality and without reducing calculation accuracy.
Modeling of the electric field and current density in the paper-plastic insulation using Finite Element Analysis showed that, despite some dependence of insulation parameters on the mutual arrangement of oil-filled gaps between insulation tapes, the electrical resistance of insulation can be calculated using the approximations discussed in this paper.
The electric field and current density distribution is such that the complex three-dimensional insulation design of cables with sector-shaped conductors, as well as cables with a round conductor, can be reduced to an equivalent flat model, the parameters of which can be calculated analytically.
Experimental data confirm the reliability and sufficient accuracy of the adopted approximations as well as the obtained analytical expressions.

Author Contributions

Conceptualization, D.A. and D.K.; methodology, S.D. and V.M.; software, S.D. and D.K.; validation, D.A.; formal analysis, D.K. and V.M.; investigation, D.K. and V.M.; resources, S.D. and D.A.; data curation, V.M.; writing—original draft preparation, S.D. and D.K.; writing—review and editing, D.K., S.D. and D.A.; visualization, S.D.; project administration, D.A. and D.K; funding acquisition, D.A. All authors have read and agreed to the published version of the manuscript.

Funding

This research was carried out by the Peter the Great St. Petersburg Polytechnic University and supported under the strategic academic leadership program “Priority 2030” of the Russian Federation (Agreement 075-15-2021-1333 dated 30 September 2021).

Data Availability Statement

Data is contained within the article.

Conflicts of Interest

The authors declare no conflict of interest.

References

  1. Barinov, V.M.; Kiesewetter, D.V. Experience in Enhancing the Reliability of Operation of Power Cable Lines in St. Petersburg. In Proceedings of the 10th Electric Power Quality and Supply Reliability Conference, Tallinn, Estonia, 29–31 August 2016; pp. 55–58. [Google Scholar]
  2. Kubo, H.; Noda, B.; Nishino, I.; Hata, R.; Miyazaki, T. Development of 275 kV Oil-Filled Cable Insulated with Polypropylene Laminated Paper (PPLP). IEEE Trans. Power Appar. Syst. 1982, 101, 4472–4483. [Google Scholar] [CrossRef]
  3. Esendal, C.S.; Findlay, R.D. A review of the composite dielectric insulated underground transmission cable. In Proceedings of the Second International Conference on Properties and Applications of Dielectric Materials, Beijing, China, 12–16 September 1988; pp. 754–757. [Google Scholar]
  4. Hata, R.; Yoshino, Y.; Shimizu, T. Application of PPLP to EHV and UHV class underground and submarine cables. In Proceedings of the IEEE Power Engineering Society Winter Meeting, Cat. No.00CH37077, Singapore, 23–27 January 2000; pp. 676–680. [Google Scholar]
  5. Worzyk, T.B.; Bergkvist, M.; Nordberg, P.; Tornkvist, C. Breakdown voltage of polypropylene laminated paper (PPLP) in plain samples and a full scale cable. In Proceedings of the IEEE on Electrical Insulation and Dielectric Phenomena, Minneapolis, MN, USA, 19–22 October 1997; pp. 329–333. [Google Scholar]
  6. Tsuda, H.; Kawazu, M.; Fukagawa, H.; Imajo, T.; Hata, R.; Hirose, M.; Kanemaru, K.; Kaito, J.V. Development and Actual Use of 275KV Low-Loss Self-Contained Oil-Filled Cables with Laminated Paper Insulated. IEEE Trans. Power Appar. Syst. 1984, PAS-103, 744–753. [Google Scholar] [CrossRef]
  7. Watanabe, Y.; Fukagawa, H.; Iwata, Z.; Hata, R.; Yoshida, S.; Saitoh, H.; Fujiwara, Y. Development of new 500 kV laminated paper insulated self-contained oil-filled cable and its accessories. IEEE Trans. Power Deliv. 1988, 1, 47–62. [Google Scholar] [CrossRef]
  8. Suzuki, H.; Ishihara, K.; Akita, S. Dielectric insulation characteristics of liquid-nitrogen-impregnated laminated paper-insulated cable. IEEE Trans. Power Deliv. 1992, 7, 1677–1680. [Google Scholar] [CrossRef]
  9. Suzuki, H.; Ishihara, K.; Akita, S. Electrical insulation characteristics of liquid nitrogen-impregnated laminated paper-insulated cable. In Proceedings of the 3rd International Conference on Properties and Applications of Dielectric Materials, Tokyo, Japan, 8–12 July 1991; pp. 430–433. [Google Scholar]
  10. Garzem, M.; Grunwald, M.; Schnorrenberg, R.; Schumacher, R.; Humpert, C. Breakdown and Partial Discharge Characteristics of Transformer Board and Insulating Paper Materials in Liquid Nitrogen. IEEE Trans. Appl. Supercond. 2018, 28, 7700405. [Google Scholar] [CrossRef]
  11. Ouyang, B.H.; Yan, Z.M.; Liu, Z.X.; Yang, K.; Wang, S.H.; Li, J.Y. AC Breakdown and Trap Distribution Characteristics of Polypropylene Laminated Paper after Electrical Ageing. In Proceedings of the IEEE 3rd International Conference on Dielectrics (ICD), Valencia, Spain, 5–31 July 2020; pp. 134–137. [Google Scholar]
  12. Hwang, J.-S.; Kwon, I.-S.; Lee, B.-W.; Jung, C.-K. Simulation of DC Electric Fields on the Layer Structure of PPLP for Butt-Gap Conditions in HVDC MI-PPLP Cable. J. Electr. Eng. Technol. 2019, 14, 1335–1345. [Google Scholar] [CrossRef]
  13. Singh, V.; Urooj, S. DC Electric Field Analysis of Nomex, Kraft Paper, and PPLP Insulation Arrangement in Liquid Nitrogen by Using COMSOL Multiphysics. In Microelectronics, Electromagnetics and Telecommunications; Anguera, J., Satapathy, S., Bhateja, V., Sunitha, K., Eds.; Lecture Notes in Electrical Engineering; Springer: Singapore, 2018; Volume 471. [Google Scholar]
  14. Hwang, S.; Ryoo, H.; Kim, J.; Cho, J.; Lee, B. A study on the measurement of electrical conductivity of PPLP in LN2 for a stop joint box of DC HTS power cable. In Proceedings of the International Symposium on Electrical Insulating Materials, Niigata City, Japan, 1–5 June 2014. [Google Scholar]
  15. Antoniou, D.; Tzimas, A.; Rowland, S.M. Electric fields in LVDC cables. In Proceedings of the IEEE International Conference on Solid Dielectrics (ICSD), Bologna, Italy, 30 June–4 July 2013; pp. 484–487. [Google Scholar]
  16. Cheng, J.; Werelius, P.; Ohlen, M. FEM analysis of the transformer insulation XY model. In Proceedings of the IEEE PES T and D, Montevideo, Uruguay, 3–5 September 2012; pp. 1–5. [Google Scholar]
  17. Hakonseth, E.; Ildstad, E.; Furuheim, K.M. Local Electric Field in Mass-Impregnated HVDC Cables. In Proceedings of the Nordic Insulation Symposium, Västerås, Sweden, 19–21 June 2017; Volume 25. [Google Scholar]
  18. Park, K.-H.; Kwon, I.; Lee, B.-W. Calculation Method of Allowable Continuous Current for Direct Burial Laying HVDC Underground Cable. Energies 2021, 14, 6431. [Google Scholar] [CrossRef]
  19. Mardiana, R. Parameters affecting the ampacity of HVDC submarine power cables. In Proceedings of the 2nd International Conference on Electric Power and Energy Conversion Systems (EPECS), Sharjah, United Arab Emirates, 15–17 November 2011; pp. 1–6. [Google Scholar]
  20. Tera Analysis Ltd. QuickField Finite Element Analysis System. Version 6.6 User’s Guide. 2021. Available online: https://quickfield.com/downloads/quickfield_manual.pdf (accessed on 2 June 2022).
  21. Fujimori, A.; Tanaka, T.; Takashima, H.; Imajo, T.; Hata, R.; Tanabe, T. Development of 500 kV DC PPLP-insulated oil-filled submarine cable. IEEE Trans. Power Deliv. 1996, 11, 43–50. [Google Scholar] [CrossRef]
  22. Mazzanti, G.; Marzinotto, M. Relationship between the expressions for electrical resistivity and the field profiles in HVDC cable insulation. In Proceedings of the IEEE Conference on Electrical Insulation and Dielectric Phenomena (CEIDP), Toronto, ON, Canada, 16–19 October 2016; pp. 947–950. [Google Scholar]
Figure 1. The electric field strength in the cross section of the cable (at 10 kV): 1–3 are the characteristic areas of insulation, while 2 are the areas with the highest electric field strength. The details are explained below.
Figure 1. The electric field strength in the cross section of the cable (at 10 kV): 1–3 are the characteristic areas of insulation, while 2 are the areas with the highest electric field strength. The details are explained below.
Energies 15 07403 g001
Figure 2. Fragment of the geometric model of laminated insulation in the longitudinal section.
Figure 2. Fragment of the geometric model of laminated insulation in the longitudinal section.
Energies 15 07403 g002
Figure 3. Potential distribution along the conditional external (upper) boundary of the model region. The section numbers (1–3) correspond to the zones in the Figure 1.
Figure 3. Potential distribution along the conditional external (upper) boundary of the model region. The section numbers (1–3) correspond to the zones in the Figure 1.
Energies 15 07403 g003
Figure 4. Sample of the triangular finite element mesh.
Figure 4. Sample of the triangular finite element mesh.
Energies 15 07403 g004
Figure 5. Electric field in the insulation near the longitudinal oil-filled gap.
Figure 5. Electric field in the insulation near the longitudinal oil-filled gap.
Energies 15 07403 g005
Figure 6. Current density in radial and longitudinal oil-filled gaps on a larger scale.
Figure 6. Current density in radial and longitudinal oil-filled gaps on a larger scale.
Energies 15 07403 g006
Figure 7. Equivalent circuit for one layer of PPLP insulation (the notations are for one cell of the equivalent circuit).
Figure 7. Equivalent circuit for one layer of PPLP insulation (the notations are for one cell of the equivalent circuit).
Energies 15 07403 g007
Table 1. Electrical properties.
Table 1. Electrical properties.
MaterialRelative Permittivity ϵ r Conductivity σ S/m
Impregnated paper2.81 ×  10 14
Polypropylene2.31 ×  10 15
Impregnating oil2.10.5 ×  10 13
Table 2. Electrical conductivity in different zones.
Table 2. Electrical conductivity in different zones.
Zone NumberZone Conductivity S/mWeight %
11.7 ×  10 14 40
27.3 ×  10 15 22
34.6 ×  10 14 38
Weighted2.57 ×  10 14 -
Round wire1.10 ×  10 14 -
Table 3. Current density relative to that in polypropylene.
Table 3. Current density relative to that in polypropylene.
MateralRelative Current Density
Polypropylene1
Impregnated paper8.2
Oil in the butt gap530
Oil in the radial gap550
Table 4. Electrical conductivity of the insulation at different layer shifts.
Table 4. Electrical conductivity of the insulation at different layer shifts.
Layer Shift in Fraction of the Butt Gap WidthConductivity σ S/m% to the Average Value
05.32 ×  10 15 48
0.51.08 ×  10 14 98
1.01.10 ×  10 14 100
1.51.10 ×  10 14 100
Publisher’s Note: MDPI stays neutral with regard to jurisdictional claims in published maps and institutional affiliations.

Share and Cite

MDPI and ACS Style

Arsenyev, D.; Dubitsky, S.; Kiesewetter, D.; Malyuin, V. Numerical Simulation and Calculation of Resistance of Laminated Paper-Impregnated Insulation of Power Cables. Energies 2022, 15, 7403. https://doi.org/10.3390/en15197403

AMA Style

Arsenyev D, Dubitsky S, Kiesewetter D, Malyuin V. Numerical Simulation and Calculation of Resistance of Laminated Paper-Impregnated Insulation of Power Cables. Energies. 2022; 15(19):7403. https://doi.org/10.3390/en15197403

Chicago/Turabian Style

Arsenyev, Dmitry, Simon Dubitsky, Dmitry Kiesewetter, and Victor Malyuin. 2022. "Numerical Simulation and Calculation of Resistance of Laminated Paper-Impregnated Insulation of Power Cables" Energies 15, no. 19: 7403. https://doi.org/10.3390/en15197403

APA Style

Arsenyev, D., Dubitsky, S., Kiesewetter, D., & Malyuin, V. (2022). Numerical Simulation and Calculation of Resistance of Laminated Paper-Impregnated Insulation of Power Cables. Energies, 15(19), 7403. https://doi.org/10.3390/en15197403

Note that from the first issue of 2016, this journal uses article numbers instead of page numbers. See further details here.

Article Metrics

Back to TopTop