Experimental Study on the Behavior of Aluminum Fuse Element Inside 24 kV, 50 kA High-Voltage Fuses
Abstract
1. Introduction
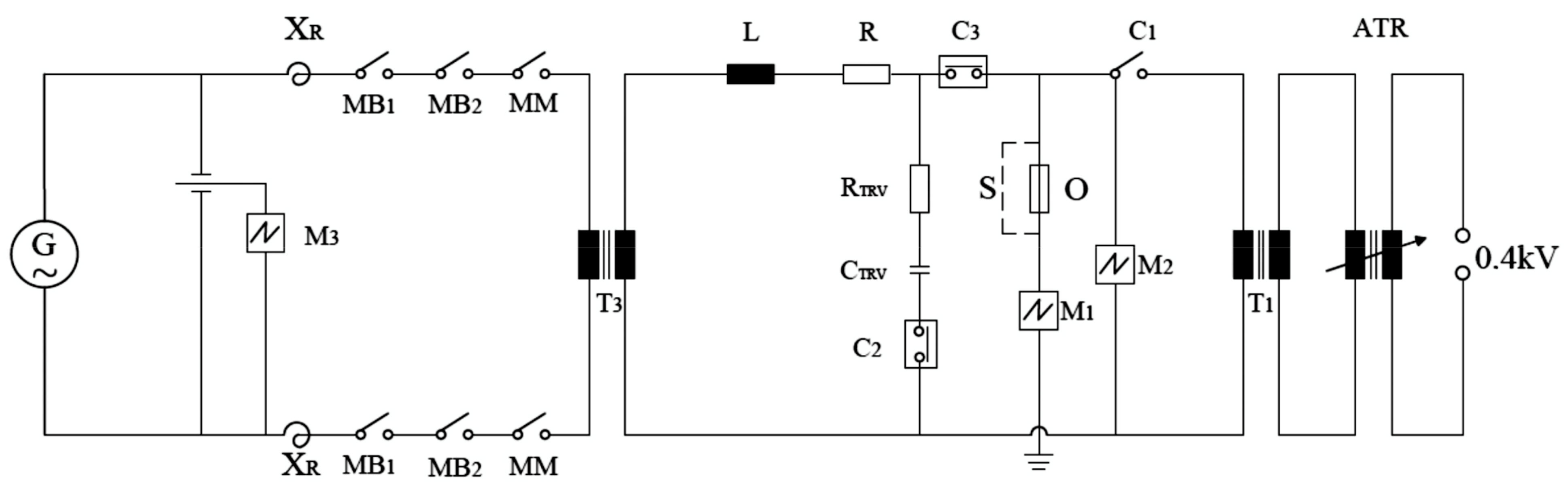
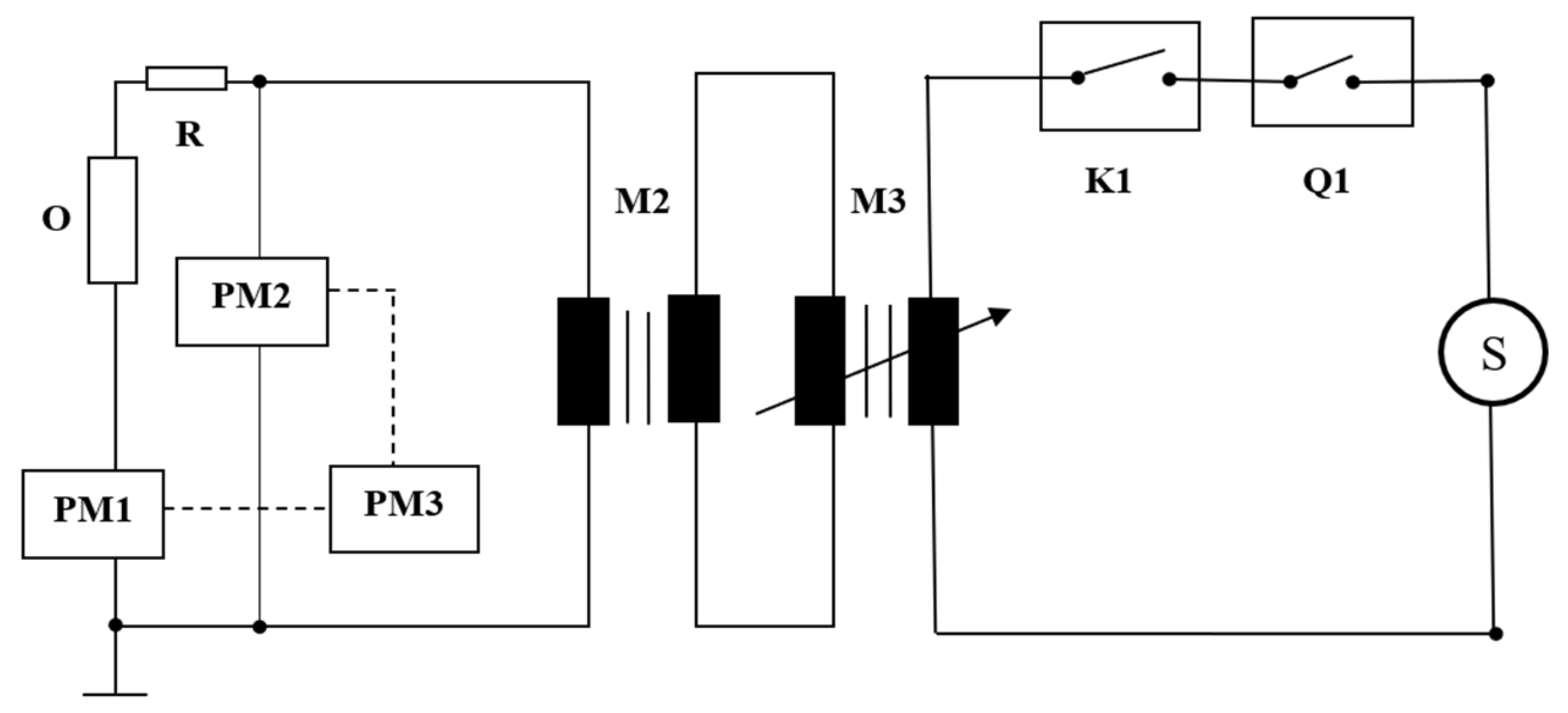
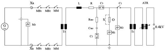
2. Linear Test Circuits for High-Voltage Current-Limiting Fuses
3. Construction Elements
- Pre-arcing phenomena, including complex analyses of the thermal relations between the fusible element and the filler that forms the arc extinguishing medium, the electrical insulating envelope and the fuse terminals. Additionally, in this context of pre-arcing phenomena, the behavior of the fusible element is studied from a metallurgical point of view, especially under conditions of long-term cyclical loading. IEC standards stipulate such cyclical tests on fuses; however, the correct understanding of the mechanical and thermal stress of the fusible element under these conditions is far from complete. The use of a eutectic point (metallurgical M-effect) formed from an alloy with the melting point attached to the fusible element to ensure operation at a lower temperature (hence at lower melting currents) has raised pro and con reactions [3,4,5,6]. The disadvantages of using the eutectic point relate to the irreversible structural changes that take place in these areas during the temporary flow of overloads that have the effect of starting the process of melting of these points, and also to the changes that occur over time due to the diffusion effect that takes place even at the fuse operating temperature under normal conditions (at rated current). These phenomena ultimately lead to a malfunction of the fuse.
- Arc phenomena, including the transient phenomena that occur in a fuse during the short but crucially important period when arcing, a complex phenomenon that is not yet fully understood that occurs after the melting of the fuse element. The research into the phenomenon has led to a new theory on the subject [1], as follows. The vitrified quartz tube formed by the heat of the electric arc contains the plasma column. At the ends of this vitrified quartz tube, where the melted ends of the fusible element form the anode and the cathode of the arc, plasma jets are hurled into the surrounding filling material. It has also been shown that only a small fraction of the material of the fusible element is evaporated by the arc, while the fusible element material, in the form of melted droplets, is scattered into the surrounding filling under the action of gas turbulence.
- The properties of fuses, in terms of electrical circuit protection, are indicated by three characteristics:
- The time–current characteristic indicates the melting (pre-arcing) duration according to the load current and, from this point of view, fuses are fast-operating, ultra-fast-operating, slow-operating or combined slow–fast operating, etc. Depending on the nature of the protected object, the fuse is selected with an appropriate time–current characteristic. Thus, specialized fuses were created for the protection of motors, transformers and capacitor banks.
- The limiting characteristic represents the value of the interrupted current according to the value of the presumed short-circuit current, allowing the evaluation of the thermal and mechanical effects of the protected short-circuit current.
- I2t characteristic, Joule integral of the presumed short-circuit current. These values relate to the thermal stresses of the protected circuit in case of overload and short circuit and allow the appropriate choice of fuses from this point of view.
3.1. Filling Material
3.1.1. Silica Quartz/Quartz Sand (SiO2)
- During the arcing period of fuse operation, the filler draws energy from the arc/arcs by melting.
- During melting, the filler forms a melted shield that contains the arcs of the solid filler in the cartridge and thus prevents arcs from merging and stretching between individual elements.
- The filler allows pressure to build up inside the melted shield, which helps extinguish the arc.
- The filler provides conductance when it is very hot, which has a damping effect on the circuit transition.
- The filler provides insulation against thermal and mechanical operating shock.
- In addition, when cooled, the electrical conductance of the filler is extremely low, which supports the fuse insulation post-operation. In determining the performance of high-voltage fuses, the role of the extinguishing medium is no less important than that of the material of the fuse element. This role of the extinguishing medium manifests itself in the following ways:
- Extinguishing the arc by the built-up pressure and taking up the mechanical and thermal shocks transmitted to the electrical insulating envelope;
- Absorbing the arc energy, which leads to a rapid current decrease, thus achieving the current limiting and breaking operation;
- Attenuating the recovery voltage by increasing the conductivity of the medium in the warm state;
- Forming a melted shield which contains the electric arc and prevents the arcs from merging or flashing-over between adjacent fusible element;
- Having an effect on the time–current characteristic by the conduction of heat generated by the fusible element;
- Supporting the fusible element and protecting it against external agents.
3.1.2. Boric Acid
3.1.3. Aluminum Sulphate or Mixture of Aluminum Sulphate and Calcium Sulphate
3.1.4. Other Solutions Used for the Filling Material
- A total of 2% of the grain mass has a diameter less than 0.1 mm;
- A total of 23% of the grain mass has a diameter of 0.1 to 0.2 mm;
- A total of 45% of the grain mass has a diameter of 0.2 to 0.25 mm;
- A total of 28% of the grain mass has a diameter of 0.25–0.3 mm;
- A total of 2% of the grain mass has a diameter higher than 0.3 mm.
3.2. The Fusible Element
4. Experiments on the Behavior of Fuses with Aluminum Fusible Element
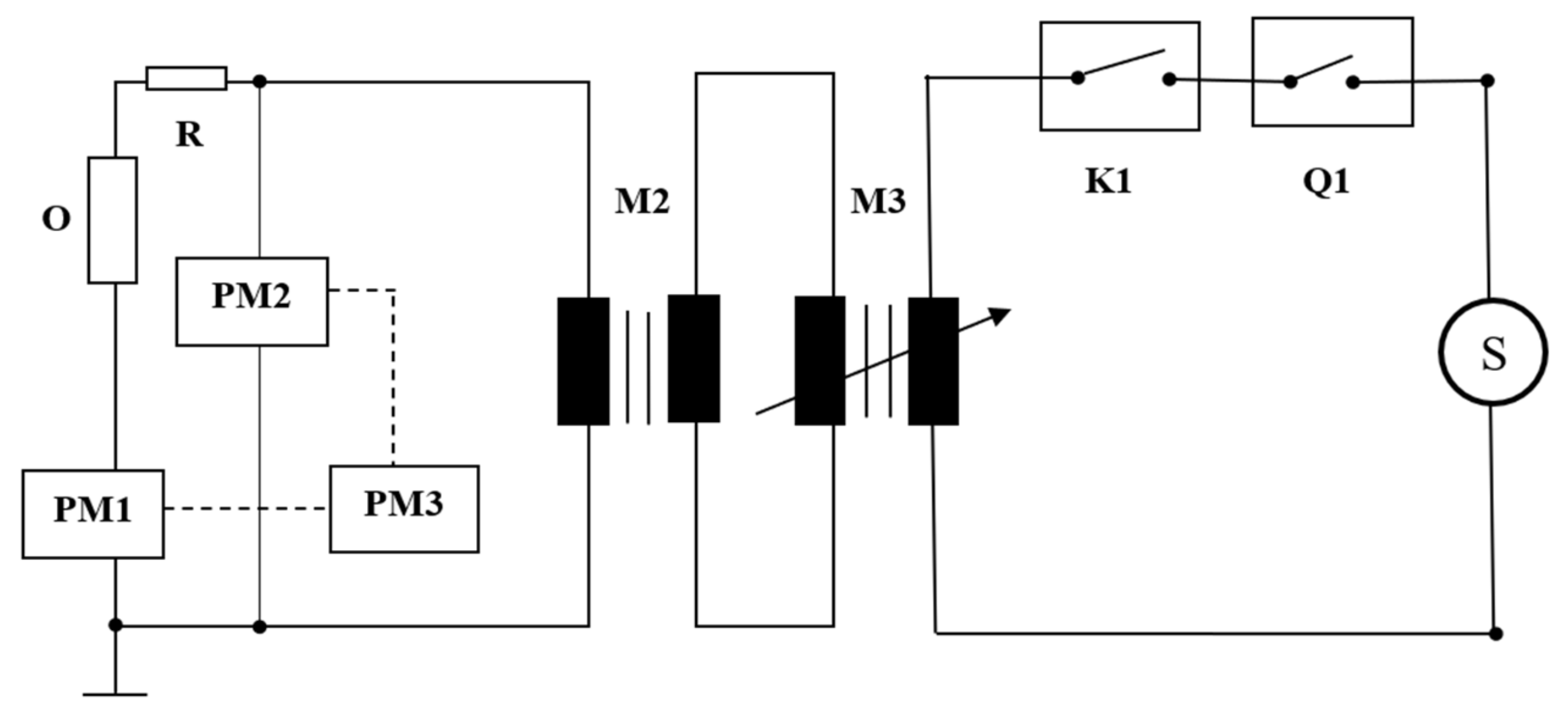
4.1. Experiments on the Temperature-Rise Behavior and the Time–Current Characteristic
4.2. Experiments on the High Current: Induced Behavior
- Three short-circuit generators, each with 2500 MVA 120 kA for 0.5 s, with parallel operation possibilities;
- Six single-phase units of master brakers (12 kV, 120 kA);
- Three single-phase units of master makers (24 kV, 330 kA);
- Six single-phase units of master makers (12 kV, 330 kA);
- Nine single-phase step-up transformers (80 MVA; 12/12/25/51 kV);
- Four single-phase step-down transformers (10 MVA; 10/0.125/0.25/0.5 kV);
- Capacitors bank for direct testing: trifazat 36 kV, 400 A;
- Multichannel sequential programmer BE3200-type;
- Data acquisition system for measurement and processing with optical isolation (25 MS/s, input range 20 mVDC–100 VDC).
5. Conclusions
Author Contributions
Funding
Data Availability Statement
Conflicts of Interest
Nomenclature
| I | Current that flows through the fuse link; |
| Us | Supply source voltage; |
| Uap | Test voltage; |
| I1,2 | Prospective current (r.m.s.value of the a.c. component) in test duties 1 and 2; |
| IC | Cut-off current; |
| ρ | Making angle of short-circuit current; |
| φ | Initiation of arcing after voltage zero; |
| Ur | Recovery voltage; |
| Uc | Overvoltage; |
| Tpa | Pre-arcing time; |
| Tarc | Arcing time; |
| I3 | Breaking current in test duty 3; |
| I2t | Joule integral, total energy; |
| P0x | Additional power losses due to notches; |
| x0 | Distance between notches; |
| s | Total section of notches; |
| l0 | Length of notches; |
| S | Section of the fusible element; |
| lp | Perimeter of the fusible element section; |
| j | Current density; |
| ρ | Electrical resistivity; |
| ρ0 | Initial electrical resistivity; |
| λ | Thermal conductivity; |
| k | Heat transfer coefficient; |
| θ | Temperature; |
| θa | Ambient temperature; |
| αR | Coefficient of variation of electrical resistivity with temperature; |
| α | Asymmetric coefficient; |
| γ | Density; |
| c | Specific heat. |
References
- Pleșca, A. Temperature distribution of HBC fuses with asymmetric electric current ratios through fuselinks. Energies 2018, 11, 1990. [Google Scholar] [CrossRef]
- Wright, A.; Newbery, P.G. Electric Fuses; IEEE: London, UK, 2004; ISBN 13:9780863413995. [Google Scholar]
- Rochette, D.; Bussiere, W.; Touzani, R.; Memiaghe, S.; Velleaud, G.; André, P. Modelling of the Pre-Arcing Period in HBC Fuses Including Solid-Liquid-Vapour Phase Changes of the Fuse Element. In Proceedings of the 2007 8th International Conference on Electric Fuses and their Applications, Clermont-Ferrand, France, 10–12 September 2007; pp. 87–93. [Google Scholar]
- Bussiere, W.; Rochette, D.; Velleaud, G.; Latchimy, T.; Gelet, J.L.; Gentils, F.; Perez-Quesada, J.C.; Rambaud, T.; Andre, P. Experimental study of HBC fuses working at short and medium pre-arcing times. J. Phys. D Appl. Phys. 2008, 41, 195210. [Google Scholar] [CrossRef]
- Sălceanu, C.-E.; Nicola, M.; Ocoleanu, D.; Iovan, D.; Enache, S. Experimental Study of HBC Fuses with Aluminum Fuse Element at Minimum Rated Breaking Current. In Proceedings of the International Conference on Applied and Theoretical Electricity (ICATE), Craiova, România, 27–29 May 2021; pp. 1–6. [Google Scholar]
- Hadzhiev, I.; Malamov, D.; Balabozov, I.; Yatchev, I. Experimental and Numerical Analysis of the Thermal Field in a High-Power Low Voltage Fuse. In Proceedings of the 16th Conference on Electrical Machines, Drives and Power Systems (ELMA), Varna, Bulgaria, 6–8 June 2019; pp. 1–5. [Google Scholar] [CrossRef]
- Pleșca, A. Thermal analysis of the fuse with unequal links using finite element method. Int. J. Electr. Comput. Energ. Electron. Commun. Eng. 2012, 6, 1447–1455. [Google Scholar]
- Tzeneva, R.; Slavtchev, Y.; Mateev, V. Modeling of Thermal Field of Electrical Fuses for Domestic Application. In Proceeding of the Technical University of Sofia; Technical University of Sofia: Sofia, Bulgaria, 2014; Volume 64, pp. 105–112. [Google Scholar]
- André, P.; Bussiere, W.; Coulbois, A.; Gelet, J.L.; Rochette, D. Modelling of Electrical Conductivity of a Silver Plasma at Low Temperature. In Plasma Science and Technology; Hefei Institutes of Physical Science, Chinese Academy of Sciences: Hefei, China; IOP Publishing: Bristol, UK, 2016; Volume 18, pp. 812–820. [Google Scholar]
- Psomopoulos, C.S.; Karagiannopoulos, C.G. Measurement of fusible elements during current interruption and interpretation of related phenomena. Measurement 2002, 32, 15–22. [Google Scholar] [CrossRef]
- Magnago, F.; McEwan, P.M. Computer Modelling of HBC Fuses and Their Co-Ordination with Power Electronic Devices for Sinusoidal and Non-Sinusoidal Short-Circuit Fault Conditions. In Proceedings of the IEEE Applied Power Electronics Conference and Exposition—APEC’95, Dallas, TX, USA, 5–9 March 1995; Volume 1, pp. 135–139. [Google Scholar] [CrossRef]
- Barrow, D.R.; Howe, A.F.; Cook, N. The chemistry of electric fuse arcing. IEEE Proc. Sci. Meas. Technol. 1991, 138, 83–88. [Google Scholar] [CrossRef]
- Torres, E.; Mazón, A.J.; Fernández, E.; Zamora, I.; Pérez, J.C. Thermal performance of back-up current-limiting fuses. Electr. Power Syst. Res. 2010, 80, 1469–1476. [Google Scholar] [CrossRef]
- Tourn, D.H.; Gomez, J.C. Low Voltage Lithographic Fuses: Preliminary Results of Breaking Capacity and Cyclic Load Tests. In Proceedings of the 8th International Conference on Electric Fuses and their Applications, Ceyrat, France, 10–12 September 2007; pp. 57–60. [Google Scholar] [CrossRef]
- Hoffmann, G.; Kaltenborn, U. Thermal Modelling of High Voltage H.R.C. Fuses and Simulation of Tripping Characteristic. In Proceedings of the 7th International Conference on Electric Fuses and their Applications, Gdansk, Poland, 8–10 September 2003; pp. 174–180. [Google Scholar]
- Memiaghe, S.; Bussière, W.; Rochette, D. Numerical Method for Pre-Arcing Times: Application in HBC Fuses with Heavy Fault-Currents. In Proceedings of the 8th International Conference on Electric Fuses and their Applications, Clermont-Ferrand, France, 10–12 September 2007; pp. 127–132. [Google Scholar]
- Gómez, J.C.; Tourn, D.H.; Nesci, S.; Sanchez, L.; Rovere, H. Why the operation failure of high breaking capacity fuses is so frequent? CIRED-Open Access Proc. J. 2017, 1, 1545–1549. [Google Scholar] [CrossRef]
- Kühnel, C.; Schlegel, S.; Großmann, S. Investigations on the long-term behavior and switching function of fuse-elements for NH-fuse-links (gG) at higher thermal stress. In Proceedings of the 2017 6th International Youth Conference on Energy (IYCE), Budapest, Hungary, 21–24 June 2017; pp. 1–8. [Google Scholar]
- Halevidis, C.D.; Mouzakitis, P.I.; Polykrati, A.D.; Bourkas, P.D. The Effect of the Fuse Enclosure Temperature Rise on Low Voltage Overhead Conductor Protection. In Proceedings of the MedPower 2014 Conference, Athens, Greece, 2–5 November 2014; pp. 1–5. [Google Scholar]
- IEC 60038; IEC Standard Voltages. International Electrotechnical Commission: Geneva, Switzerland, 2009.
- IEC 60071-1; Insulation Coordination—Part 1: Definitions, Principles and Rules. International Electrotechnical Commission: Geneva, Switzerland, 2019.
- IEC 60076-1; Power Transformers—Part 1: General. International Electrotechnical Commission: Geneva, Switzerland, 2011.
- IEC 60076-7; Power Transformers—Part 7: Loading Guide for Mineral-Oil-Immersed Power Transformers. International Electrotechnical Commission: Geneva, Switzerland, 2018.
- IEC 60076-12; Power Transformers—Part 12: Loading Guide for Dry-Type Power Transformers. International Electrotechnical Commission: Geneva, Switzerland, 2008.
- IEC 60282-1; High-Voltage Fuses—Part 1: Current-Limiting Fuses. International Electrotechnical Commission: Geneva, Switzerland, 2020.
- IEC 60282-2; High-Voltage Fuses—Part 2: Expulsion Fuses. International Electrotechnical Commission: Geneva, Switzerland, 2009.
- IEC 60549; High-Voltage Fuses for the External Protection of Shunt Capacitors. International Electrotechnical Commission: Geneva, Switzerland, 2013.
- IEC 60644; Specification for High-Voltage Fuse-Links for Motor Circuit Applications. International Electrotechnical Commission: Geneva, Switzerland, 2019.
- IEC/TR 60890; A Method of Temperature-Rise Assessment by Extrapolation for Partially Type-Tested Assemblies (PTTA) of Low-Voltage Switchgear and Controlgear. International Electrotechnical Commission: Geneva, Switzerland, 2002.
- Baxter, H.W. Electric Fuses; ERA Report GT/224; Edward Arnold: London, UK; ERA Technology Limited: Leatherhead, UK, 1950. [Google Scholar]
- Turner, H.W.; Turner, C. Phenomena occurring During the Extinction of Arcs in Fuses. In Proceedings of the 2nd International Symposium on Switching Arc Phenomena, Lodz, Poland, 20–22 September 1977; pp. 293–299. [Google Scholar]
- Gomez, J.C. HBC Fuse Models Based on Fundamental Arcing Mechanism. Ph.D. Thesis, Sheffield Hallam University, Sheffield, UK, September 1994. [Google Scholar]
- Hibner, J. Calculation of the Over Voltage Peak Values when breaking Short Circuits by means of Multi Strip Fuses. In Proceedings of the 2nd International Symposium on Switching Arc Phenomena, Lodz, Poland, 20–22 September 1977; pp. 269–274. [Google Scholar]
- Paukert, J. Electrical Conductivity of Arc Extinguishing Media for Low Voltage Fuses. In Proceedings of the International Conference on Electrical Fuses and their Applications, Trondheim, Norway, 13–15 June 1984; pp. 70–75. [Google Scholar]
- Blewitt, D.D.; Gupta, T.K. Fuse with Electronegative Gas Interrupting Means. US Patent 4544908/1985, 1 October 1985. [Google Scholar]




















| No | Characteristics | Silver 99.98 | Copper 99.95 | Aluminum 99.95 |
|---|---|---|---|---|
| 1 | Mayr constant (×l08 K, [A/cm2]2s) | 8 | 11.72 | 3.2 |
| 2 | Resistivity at 0 °C (×10−8 ρ, Ωm) | 1.5 | 1.673 | 2.8 |
| 3 | Thermal conductivity (λ w/m.grd.) | 418 | 393 | 220 |
| 4 | Specific weight (×103 d, kg/m3) | 10.5 | 8.9 | 2.7 |
| 5 | Melting temperature (Tt, °C) | 960.5 | 1083 | 658 |
| 6 | Boiling temperature (Tf, °C) | 2177 | 2467 | 2590 |
| 7 | Specific heat in solid phase (c, ws/kg.grd.) | 232 | 378 | 890 |
| 8 | Temperature coefficient (×10−3 αR, 1/grd.) | 4.1 | 3.93 | 4–4.2 |
| 9 | Latent melting heat (×103 γ, ws/kg) | 105 | 205 | 356 |
| 10 | Tensile strength (×107 σR, N/m2) | 13.8–14.4 | 17–22 | 15–20 |
| 11 | Hardness (×107 H, N/m2) | 25 | 35–40 | 35–40 |
| Rated Current/Material | R [mΩ] | Ik [A] | Tpa [ms] | Ta [ms] | Tf [ms] |
|---|---|---|---|---|---|
| 63 A/Al | 33.3 | 465 | 369 | 6.5 | 376 |
| 34.1 | 290 | 6912 | 7.4 | 6919 | |
| 33.9 | 250 | - | - | Did not interrupt | |
| 63 A/Cu | 24.22 | 459.7 | 317.2 | 12.2 | 329.4 |
| 24.44 | 255 | 6435 | 22.8 | 6457 | |
| 24.25 | 181 | - | - | Did not interrupt | |
| 10 A/Al | 312 | 64 | 12.312 | 51.9 | 12.414 |
| 309 | 60 | 36.494 | 53.4 | 36.547 | |
| 310 | 58 | - | - | Did not interrupt | |
| 10 A/Cu | 133 | 82 | 1664 | 21.5 | 1686 |
| 132.6 | 60 | 29.096 | 111 | 29.207 | |
| 132.1 | 40 | 38.002 | 150 | 38.152 |
| Measuring Point PM | Location of the Measuring Point | Type of Part | Material | Value Required for Temperature Rise Below 40 °C [°C] | Final Temperature Δt ≤ 1 K/h [°C] | Temperature Rise [°K] |
|---|---|---|---|---|---|---|
| PM1 | Power-supply terminal | Screw connection | Cu/Cu | 50 | 21.77 | 5.75 |
| PM2 | Fuse terminal | Screw connection | Cu-Ni/Cu | 75 | 35.84 | 19.82 |
| PM3 | Lower part of fuse holder | Contact | Cu-Ni/Cu-Ni | 65 | 45.47 | 29.45 |
| PM4 | Fuse body | Fuse | Ceramic | > 140 | 139.38 | 123.36 |
| PM5 | Upper part of fuse holder | Contact | Cu-Ni/Cu-Ni | 65 | 77.74 | 61.72 |
| PM6 | Fuse terminal | Screw connection | Cu/Cu-Ni | 75 | 53.20 | 37.18 |
| PM7 | Power-supply terminal | Screw connection | Cu/Cu | 50 | 24.55 | 8.53 |
| PM8 | Ambient temperature | - | - | - | 16.02 (1) | - |
| 1/2In | In | |
|---|---|---|
| I [A] | 31.5 | 63 |
| U [V] | 1.54 | 3.07 |
| p [W] | 48.51 | 193.41 |
| Measuring Point PM | Location of the Measuring Point | Type of Part | Material | Value Required for Temperature Rise Below 40 °C [°C] | Final Temperature Δt ≤ 1 K/h [°C] | Temperature Rise [°K] |
|---|---|---|---|---|---|---|
| PM1 | Power-supply terminal | Screw connection | Cu/Cu | 50 | 18.61 | 2.28 |
| PM2 | Fuse terminal | Screw connection | Cu-Ni/Cu | 75 | 20.54 | 4.21 |
| PM3 | Lower part of fuse holder | Contact | Cu-Ni/Cu-Ni | 65 | 21.38 | 5.05 |
| PM4 | Fuse body | Fuse | Porcelain | >140 | 35.41 | 19.08 |
| PM5 | Upper part of fuse holder | Contact | Cu-Ni/Cu-Ni | 65 | 25.83 | 9.50 |
| PM6 | Fuse terminal | Screw connection | Cu/Cu-Ni | 75 | 24.77 | 8.44 |
| PM7 | Power-supply terminal | Screw connection | Cu/Cu | 50 | 22.51 | 6.18 |
| PM8 | Ambient temperature | - | - | - | 16.33 (1) | - |
| 1/2In | In | |
|---|---|---|
| I [A] | 10.2 | 5.1 |
| U [V] | 1.51 | 0.74 |
| p [W] | 15.40 | 3.77 |
| Resistance [mΩ] | Uap [kV] | I1 [kA] | φ [°el] | ρ [°el] | IC [kA] | Ur [kV] | Uc [kV] | I2tpa [kA2s] | I2ta [kA2s] | I2t [kA2s] | Tpa [ms] | Tarc [ms] | Tf [ms] |
|---|---|---|---|---|---|---|---|---|---|---|---|---|---|
| - | - | 50.4 | 44 | - | - | - | - | - | - | - | - | - | - |
| 41.3 | 20.8 | - | 36 | 43.7 | 8.1 | 21 | 42 | 7.12 | 44.28 | 51.4 | 0.44 | 6 | 6.44 |
| 41.5 | 20.8 | - | 63 | 70 | 10.1 | 21 | 54 | 3.7 | 124.3 | 128 | 0.4 | 5.3 | 5.7 |
| 42.5 | 20.8 | - | 61 | 70 | 7.9 | 21 | 47 | 6.3 | 53.8 | 60.1 | 0.5 | 4.8 | 5.3 |
| Resistance [mΩ] | Uap [kV] | I2 [kA] | φ [°el] | ρ [°el] | IC [kA] | Ur [kV] | Uc [kV] | I2tpa [kA2s] | I2ta [kA2s] | I2t [kA2s] | Tpa [ms] | Tarc [ms] | Tf [ms] |
|---|---|---|---|---|---|---|---|---|---|---|---|---|---|
| - | - | 3.7 | - | - | - | - | - | - | - | - | - | - | - |
| 42.541 | 20.8 | - | 9.5 | - | 3.36 | 20.8 | 47.1 | 6.69 | 27.89 | 34.58 | 3.3 | 7 | 10.3 |
| 41.5 | 20.8 | - | 6.9 | - | 3.22 | 20.79 | 47.5 | 5.3 | 25.09 | 30.39 | 3.1 | 7 | 10.1 |
| 42.082 | 20.8 | - | 8.6 | - | 3.37 | 20.8 | 46.4 | 7.103 | 29.48 | 36.53 | 3.3 | 7 | 10.3 |
| Resistance [mΩ] | I3 LV [A] | I3 HV [A] | Ur [kV] | I2tpa [kA2s] | I2ta [kA2s] | I2t [kA2s] | Tpa [s] | Tarc [s] | Tf [s] |
|---|---|---|---|---|---|---|---|---|---|
| - | 189 | - | - | - | - | - | - | - | - |
| - | - | 190 | - | - | - | - | - | - | - |
| 41.8 | 189 | 189.5 | 24.3 | 756.7 | 1.7 | 758.4 | 20.17 | 0.06 | 20.23 |
| 42.7 | 189 | 189.8 | 24.2 | 832.5 | 2.1 | 834.6 | 22.2 | 0.07 | 22.27 |
Publisher’s Note: MDPI stays neutral with regard to jurisdictional claims in published maps and institutional affiliations. |
© 2022 by the authors. Licensee MDPI, Basel, Switzerland. This article is an open access article distributed under the terms and conditions of the Creative Commons Attribution (CC BY) license (https://creativecommons.org/licenses/by/4.0/).
Share and Cite
Sălceanu, C.-E.; Nicola, M.; Nicola, C.-I.; Ocoleanu, D.; Dobrea, C.; Iovan, D.; Enache, S. Experimental Study on the Behavior of Aluminum Fuse Element Inside 24 kV, 50 kA High-Voltage Fuses. Energies 2022, 15, 7171. https://doi.org/10.3390/en15197171
Sălceanu C-E, Nicola M, Nicola C-I, Ocoleanu D, Dobrea C, Iovan D, Enache S. Experimental Study on the Behavior of Aluminum Fuse Element Inside 24 kV, 50 kA High-Voltage Fuses. Energies. 2022; 15(19):7171. https://doi.org/10.3390/en15197171
Chicago/Turabian StyleSălceanu, Cristian-Eugeniu, Marcel Nicola, Claudiu-Ionel Nicola, Daniel Ocoleanu, Cătălin Dobrea, Daniela Iovan, and Sorin Enache. 2022. "Experimental Study on the Behavior of Aluminum Fuse Element Inside 24 kV, 50 kA High-Voltage Fuses" Energies 15, no. 19: 7171. https://doi.org/10.3390/en15197171
APA StyleSălceanu, C.-E., Nicola, M., Nicola, C.-I., Ocoleanu, D., Dobrea, C., Iovan, D., & Enache, S. (2022). Experimental Study on the Behavior of Aluminum Fuse Element Inside 24 kV, 50 kA High-Voltage Fuses. Energies, 15(19), 7171. https://doi.org/10.3390/en15197171

