Cooperative Optimization of A Refrigeration System with A Water-Cooled Chiller and Air-Cooled Heat Pump by Coupling BPNN and PSO
Abstract
1. Introduction
2. Methodology
2.1. Operation Optimization Scheme of Multi-Chiller Plant Cooling System
2.2. Energy Consumption Model
- (1)
- Chiller plant
- (2)
- Air-cooled heat pump
- (3)
- System energy consumption model
2.3. Parameter Optimization Method
- (1)
- Latin Hypercube Sampling
- (2)
- Coupling of BPNN and PSO
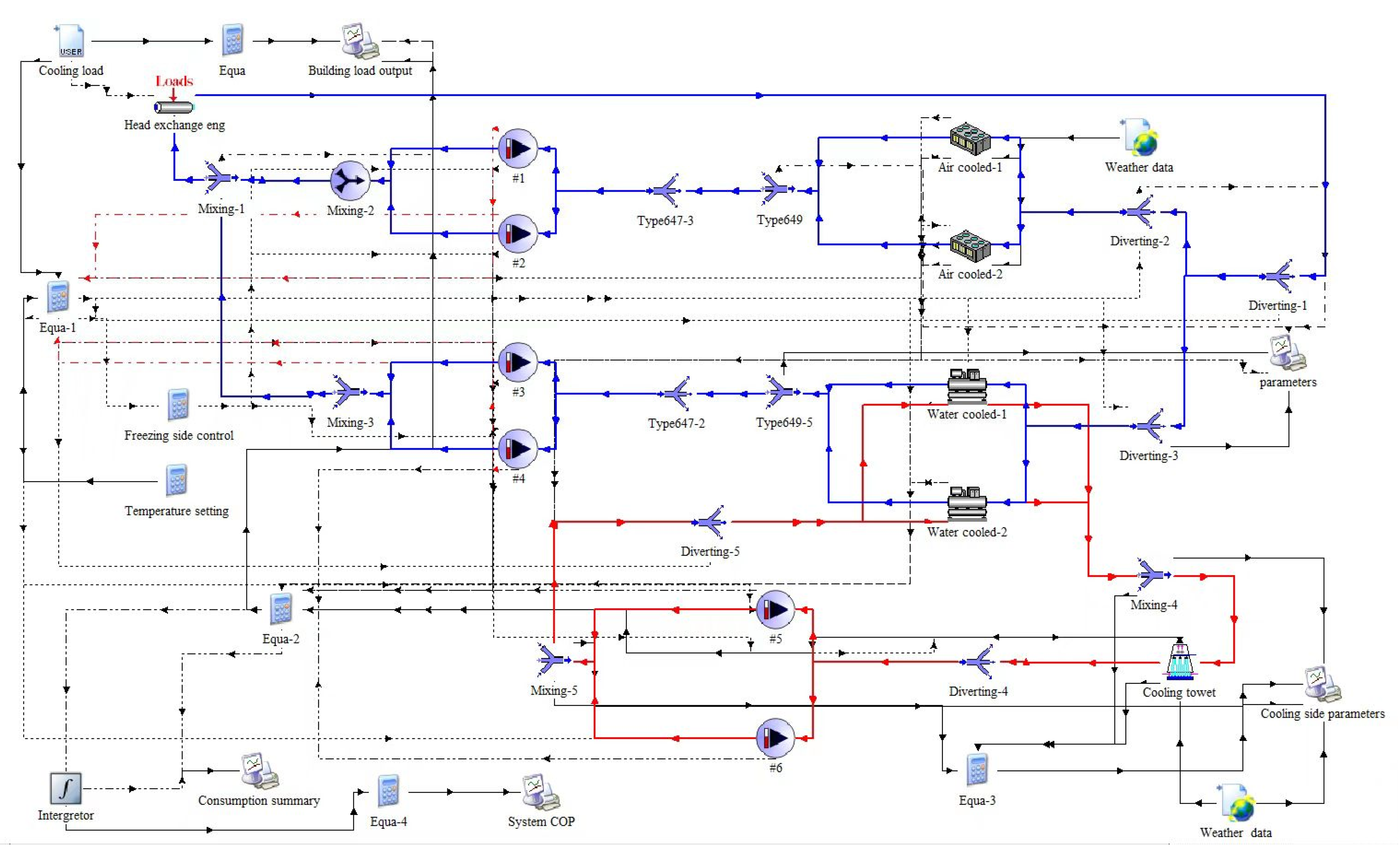
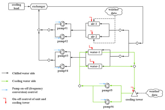
3. Modelling of the Multi-Chiller Refrigeration System
3.1. Case Study
3.2. Schematic Diagram of Multi-Chiller Plant Cooling System
3.3. Operation Scheme Optimization
3.4. Operation Parameter Optimization
4. Prediction and Optimization of System Parameters
4.1. Creation of the Sample Set
4.2. Artificial Neural Model
4.3. Coupling of BPNN and PSO
- According to the TRNSYS16 model and sampling samples, the appropriate BPNN model is obtained after training.
- Particle swarm initialization determines the setting parameters of the algorithm (population size = 50, inertia weight = 0.8, learning factor = 1.5, number of iterations = 30, spatial dimension = 5), and the relationship constructed by the BPNN model is used as the basis for calculating the particle fitness value.
- Update of historical optimal position of individual particles: for each particle, compare its fitness value Fit[i] to its individual extreme value Pbest[i], if Fit[i] > Pbest[i], then we replace Pbest[i] with Fit[i].
- Update the historical optimal position of particle population: for each particle, compare its fitness value Fit[i] with its global extremum gbest, if Fit[i] > gbest, then we replace gbest with Fit[i].
- Particle velocity and position update are the core of the algorithm. The formula is as follows:
- Obtain the maximum COP, and associated stage 1 water supply temperature, stage 2 supply water temperature, chilled return water temperature, cooling water pump frequency, and cooling tower fan frequency.
5. Result Analysis
5.1. Supply and Return Chilled Water Temperature without Optimization
5.2. Chilled Water Flow under Different Optimized Strategies
5.3. Operation Parameters and System COP under Different Optimized Strategies
5.4. Energy Consumption of Cooling System under Different Optimized Strategies
- After scheme optimization, as the air-cooled heat pump unit starts preferentially, its energy consumption increases significantly, while the energy consumption of the compression chiller decreases significantly, and the sum of the two energy consumption changes minimally. The chilled water pump, cooling water pump, and cooling tower fan on the cooling water side reduce energy consumption by more than 50%. For the whole system, the optimized scheme saves 14.4% energy compared with the initial operation.
- After parameter optimization, compared with the scheme optimization, the energy consumption of the air-cooled heat pump, chiller water pump, cooling water pump, and cooling tower fan is further reduced, and the overall reduction range of the four is 9.8%. The energy consumption of compression chiller increased slightly by 2.6%, which is because when the optimal parameter is found, the temperature difference in the chilled water loop at the water cooling side exceeds 5 °C, the chilled water flow at the water cooling side decreases, and the energy consumption of compression chiller increases accordingly. As for the whole system, the energy-saving rate after the scheme and parameter optimization is 7.2% and 21.6%, respectively, compared with the initial operation.
6. Conclusions
- A great deal of energy is wasted under the traditional scheme, which sets a water-cooled chiller plant as the main cooling plant and the air-cooled heat pump as the auxiliary. The power consumption of the chilled water pump is large, and the overall energy performance of the system is poor (COP = 3.32).
- After scheme optimization, the sum of energy consumption of air cooling and water-cooling unit changes minimally, the energy consumption of auxiliary equipment decreases by 50%, and the COP of the system is increased by 16% (COP = 3.85). After parameter optimization, the total energy consumption of the system is reduced by 21.7%, and the system COP is increased by 26.5% (COP = 4.20).
- After parameter optimization, the optimal parameter of the refrigeration system can be obtained as follows: under the scheme optimization stage, chilled water supply temperature is 8.87 °C, while under the parameter optimization stage, chilled water supply temperature is 9.46 °C and chilled water return temperature is 14.88 °C.
Author Contributions
Funding
Institutional Review Board Statement
Informed Consent Statement
Acknowledgments
Conflicts of Interest
Nomenclature
| Actual input power of chiller plant (kW) | Real-time cooling load (kW) | ||
| Ratio of actual flow and rated flow of chilled water at load side | Actual input power of heat pump (kW) | ||
| Ratio of actual flow and rated flow of cooling water at the source side | Ratio of energy consumption to rated power | ||
| Load side chilled water supply temperature (K) | The system total COP | ||
| Source side cooling water return temperature (K) | Total input power (kW) | ||
| Partial load rate of chiller plant | I | Number of hidden layer neurons | |
| Power of chiller plant under full load operation condition (kW) | n | Number of neuron inputs | |
| Temperature correction factor | m | Number of neuron outputs | |
| Flow correction factor | a | Constant between 1 and 10 | |
| Partial load rate correction factor | K | Number of samples | |
| Actual refrigerating capacity of chiller plant (kW) | Current velocity of particles | ||
| Refrigerating capacity of chiller plant under full load operation (kW) | Inertia weight | ||
| Real-time COP | Individual learning factor | ||
| Rated COP | Social learning factor | ||
| Ratio of real-time COP to rated COP | , | Random number in the range of 0 to 1 | |
| Real-time refrigerating capacity | Coordinates the current optimal particle position | ||
| Rated refrigerating capacity | Current global optimal position coordinates | ||
| Ratio of real-time refrigerating capacity to customized refrigerating capacity | Current particle position | ||
| Partial load rate of heat pump |
References
- 2019 China Building Energy Consumption Research Report. Constr. Archit. 2020, 7, 30–39. Available online: https://kns.cnki.net/kcms/detail/detail.aspx?dbcode=CJFD&dbname=CJFDLAST2020&filename=JANZ202007010&uniplatform=NZKPT&v=2HvYSHesiFYVEte-hHupxo3PwhSFknScs1Pyivvj-qm2G52UtxgTzG5jDFDWhn01 (accessed on 10 September 2022). (In Chinese).
- Tong, N. Analysis on the ways to reduce consumption and balance energy consumption of HVAC system in public buildings. China Plant Eng. 2019, 109–111. (In Chinese) [Google Scholar] [CrossRef]
- Hu, W.; Chen, L.D. Modeling and Simulation of water-cooled central air conditioning system based on TRNSYS. Syst. Simul. Technol. 2011, 7, 218–222,228. (In Chinese) [Google Scholar] [CrossRef]
- Yu, F.W.; Chan, K.T. Optimization of water-cooled chiller system with load-based speed control. Appl. Energy 2008, 85, 931–950. [Google Scholar] [CrossRef]
- Yu, F.W.; Chan, K.T. Economic benefits of optimal control for water-cooled chiller systems serving hotels in a subtropical climate. Energy Build. 2010, 42, 203–209. [Google Scholar] [CrossRef]
- Jaramillo, R.C.; Braun, J.E.; Horton, W.T. Application of Near-Optimal Tower Control and Free Cooling on the Condenser Water Side for Optimization of Central Cooling Systems. In Proceedings of the International High Performance Buildings Conference, Purdue, IN, USA, 14–17 July 2014. [Google Scholar]
- Ma, Z.J.; Wang, S.W. An optimal control strategy for complex building central chilled water systems for practical and real-time applications. Build. Environ. 2009, 44, 1188–1198. [Google Scholar] [CrossRef]
- Ma, Z.J.; Wang, S.W. Supervisory and optimal control of central chiller plants using simplified adaptive models and genetic algorithms. Appl. Energy 2011, 88, 198–211. [Google Scholar] [CrossRef]
- Chang, Y.C. A novel energy conservation method—Optimal chiller loading. Electr. Power Syst. Res. 2004, 69, 221–226. [Google Scholar] [CrossRef]
- Adamski, M. MathModelica in Modeling of Countercurrent Heat Exchangers. In Proceedings of the 8th EUROSIM Congress on Modelling and Simulation (EUROSIM), Cardiff, UK, 10–13 September 2013; pp. 439–442. [Google Scholar]
- Thangavelu, S.R.; Myat, A.; Khambadkone, A. Energy optimization methodology of multi-chiller plant in commercial buildings. Energy 2017, 123, 64–76. [Google Scholar] [CrossRef]
- Yan, Y.; Zhou, J.; Lin, Y.; Yang, W.; Wang, P.; Zhang, G. Adaptive optimal control model for building cooling and heating sources. Energy Build. 2008, 40, 1394–1401. [Google Scholar] [CrossRef]
- Ning, M.; Zaheeruddin, M. Neuro-optimal operation of a variable air volume HVAC&R system. Appl. Therm. Eng. 2010, 30, 385–399. [Google Scholar]
- Chen, C.L.; Chang, Y.C.; Chan, T.S. Applying smart models for energy saving in optimal chiller loading. Energy Build. 2014, 68, 364–371. [Google Scholar] [CrossRef]
- Chang, Y.C. Application of Hopfield Neural Network to the optimal chilled water supply temperature calculation of air-conditioning systems for saving energy. Int. J. Therm. Sci. 2009, 48, 1649–1657. [Google Scholar] [CrossRef]
- Meng, H.; Long, W.D.; Wang, S.W. Real time control analysis of the upper computer controller of the cold water side local system of central air conditioning. Heat. Vent. Air Cond. 2005, 35, 6. (In Chinese) [Google Scholar]
- Qu, B.Y.; Zhang, D.; Wang, C.L.; Liu, H.K. Analysis of heating characteristics of air source heat pump in cold areas. Therm. Power Eng. 2020, 35, 5. [Google Scholar]
- Zhang, Q.L.; Zhang, L.; Nie, J.Z.; Li, Y.L. Techno-economic analysis of air source heat pump applied for space heating in northern China. Appl. Energy 2017, 207, 533–542. [Google Scholar] [CrossRef]
- Yuan, Z.Y.; Tao, L.R.; Yu, Z.Y. Optimization strategy and performance analysis of air source heat pump water heater. Therm. Power Eng. 2018, 33, 8. [Google Scholar]
- Wei, W.; Shi, W.; Wang, B.; Li, X. A new heating system based on coupled air source absorption heat pump for cold regions: Energy saving analysis. Energy Convers. Manag. 2013, 76, 811–817. [Google Scholar]
- Chen, J.; Wang, J.; Cao, S. Notice of Retraction Performance Analysis of R134a and R417a Applied to Air Source Heat Pump Water Heater. In Proceedings of the Asia-Pacific Power & Energy Engineering Conference, Chengdu, China, 28–31 March 2010. [Google Scholar]
- Kong, W.L.; Tu, B.; Li, M.Y. Experimental study on the performance of R32 air source heat pump unit. Refrig. Air Cond. 2013, 4. (In Chinese) [Google Scholar]
- Kapalo, P.; Sulewska, M.; Adamski, M. Examining the Interdependence of the Various Parameters of Indoor Air; Springer International Publishing: Cham, Switzerland, 2021; pp. 150–157. [Google Scholar]
- Scarpa, F.; Tagliafico, L.A.; Tagliafico, G. Integrated solar-assisted heat pumps for water heating coupled to gas burners: Control criteria for dynamic operation. Appl. Therm. Eng. 2011, 31, 59–68. [Google Scholar] [CrossRef][Green Version]
- Wang, Q.; Liu, F.Z.; Hou, L.J.; Gao, J.H. Simulative study on solar-assisted air source heat pump system. Adv. Mater. Res. 2013, 671–674, 2141–2144. [Google Scholar] [CrossRef]
- Dong, J.K.; Zhang, L.; Deng, S.M.; Yang, B.; Huang, S. An experimental study on a novel radiant-convective heating system based on air source heat pump. Energy Build 2018, 158, 812–821. [Google Scholar] [CrossRef]
- Zhang, L.; Dong, J.K.; Jiang, Y.Q.; Deng, S.M.; Huang, S. An experimental study on frosting and defrosting performances of a novel air source heat pump unit with a radiant-convective heating terminal. Energy Build 2018, 163, 10–21. [Google Scholar] [CrossRef]
- Pardo, N.; Montero Martos, J.; Urchueguía, J. Optimization of hybrid—Ground coupled and air source—Heat pump systems in combination with thermal storage. Appl. Therm. Eng. 2010, 30, 1073–1077. [Google Scholar] [CrossRef]
- Zhuang, H.; Li, X.R. Operation strategy optimization of ground source and air source heat pump combined air conditioning system. Build. Energy Conserv. 2020, 7, 62–68. (In Chinese) [Google Scholar]
- Jin, Q.; Duanmu, L.; Shu, H.W.; Ao, Y.A.; Kou, W. Discussion and review on the models of vapor-compression heat pumps and chillers. Refrig. Air-Cond. 2007, 7, 6–10. (In Chinese) [Google Scholar]
- Hydemam, M.; Gillespie, K.I. Tools and techniques to calibrate electric chiller component models. ASHRAE Trans. 2002, 108, 733–741. [Google Scholar]
- Liu, J.P.; Mai, Y.B.; Liu, X.F. Coordinated Control of Central Air-conditioning System based on Variable Chilled Water Temperature and Flowrate. Build. Sci. 2007, 23, 12–15. [Google Scholar]
- McKay, M.D.; Beckman, R.J.; Conover, W.J. A comparison of three methods for selecting values of input variables in the analysis of output from a computer code. Technometrics 2000, 42, 55–61. [Google Scholar] [CrossRef]
- Wu, Y.C.; Feng, J.W. Development and Application of Artificial Neural Network. Wirel. Pers. Commun. 2018, 102, 1645–1656. [Google Scholar] [CrossRef]














| No. | Equipment | Quantity | Design Values | Notes |
|---|---|---|---|---|
| 1 | Compression chiller | 2 | Cooling capacity: 1686 kW Input power: 366 kW | water-1, water-2 |
| 2 | Chilled water pump | 2 | Flow rate: 275 m3/h Input power: 45 kW | pump#3, pump#4 |
| 3 | Cooling water pump | 2 | Flow rate: 330 m3/h Input power: 40 kW | pump#5, pump#6 |
| 4 | Cooling tower | 1 | Fan power: 15 kW Air volume: 250,000 m3/h | |
| 5 | Air-cooled heat pump | 2 | Cooling capacity: 1295 kW Input power: 431 kW | air-1, air-2 |
| 6 | Chilled water pump | 2 | Flow rate: 225 m3/h Input power: 43 kW | pump#1, pump#2 |
| Load Interval (q) | Basic Scheme | Optimization Scheme |
|---|---|---|
| ≤Q1∗0.1 | The system is off | The system is off |
| Q1∗0.1~Q1∗0.9 | Turn on water cooling-1, water pumps #1 and #5, cooling tower | Turn on air cooling-1 and water pump #3 |
| Q1∗0.9~2Q1∗0.9 | Turn on water cooling-1 and 2, judge whether to turn on the water pumps #2 and #6 according to the flow signal | Turn on air cooling-1 and 2, and judge whether to turn on the water pump according to the flow signal #4 |
| 2Q1∗0.9~(2Q1 + Q2)∗0.9 | Turn on water-cooling-1, 2, and air-cooling-1, fully open the water pump on the water-cooling side and open the air-cooling side #3 | Open air cooling-1, 2, and water cooling-1, fully open the water pump on the air-cooling side, and open #1 and #5 and the cooling tower on the water-cooling side |
| (2Q1 + Q∗0.9) ~(2Q1 + 2Q2)∗0.9 | Turn on water cooling-1 and 2 and air cooling-1 and 2, fully open the water pump at the water-cooling side and judge whether to turn on the air-cooling side pump #4 according to the flow signal | Turn on air cooling-1 and 2 and water cooling-1 and 2, fully open the water pump at the air-cooling side and judge whether to turn on the water-cooling side pumps #2 and #6 according to the flow signal |
| Parameter | I-Water Supply Temperature (°C) | II-Water Supply Temperature (°C) | Chilled Water Return Temperature (°C) | Frequency of Cooling Water Pump (Hz) | Frequency of Cooling Tower Fan (Hz) |
|---|---|---|---|---|---|
| Interval | 3~10 | 3~10 | 11~15 | 25~50 | 25~50 |
| Item | Initial Operation | Scheme Optimization | Parameter Optimization |
|---|---|---|---|
| Stage 1 water supply temperature (°C) | 7 | 7 | 8.87 |
| Stage 2 water supply temperature (°C) | 7 | 7 | 9.46 |
| Chilled water return temperature (°C) | 10.22 | 12 | 14.88 |
| Frequency of cooling water pump (°C) | 50 | 50 | 31.88 |
| Frequency of cooling tower fan (Hz) | 50 | 50 | 37.92 |
| System COP | 3.32 | 3.85 | 4.2 |
Publisher’s Note: MDPI stays neutral with regard to jurisdictional claims in published maps and institutional affiliations. |
© 2022 by the authors. Licensee MDPI, Basel, Switzerland. This article is an open access article distributed under the terms and conditions of the Creative Commons Attribution (CC BY) license (https://creativecommons.org/licenses/by/4.0/).
Share and Cite
Deng, Q.; Xu, L.; Zhao, T.; Hong, X.; Shan, X.; Ren, Z. Cooperative Optimization of A Refrigeration System with A Water-Cooled Chiller and Air-Cooled Heat Pump by Coupling BPNN and PSO. Energies 2022, 15, 7077. https://doi.org/10.3390/en15197077
Deng Q, Xu L, Zhao T, Hong X, Shan X, Ren Z. Cooperative Optimization of A Refrigeration System with A Water-Cooled Chiller and Air-Cooled Heat Pump by Coupling BPNN and PSO. Energies. 2022; 15(19):7077. https://doi.org/10.3390/en15197077
Chicago/Turabian StyleDeng, Qinli, Liangxin Xu, Tingfang Zhao, Xuexin Hong, Xiaofang Shan, and Zhigang Ren. 2022. "Cooperative Optimization of A Refrigeration System with A Water-Cooled Chiller and Air-Cooled Heat Pump by Coupling BPNN and PSO" Energies 15, no. 19: 7077. https://doi.org/10.3390/en15197077
APA StyleDeng, Q., Xu, L., Zhao, T., Hong, X., Shan, X., & Ren, Z. (2022). Cooperative Optimization of A Refrigeration System with A Water-Cooled Chiller and Air-Cooled Heat Pump by Coupling BPNN and PSO. Energies, 15(19), 7077. https://doi.org/10.3390/en15197077

