Modelling and Performance Analysis of Cyclic Hydro-Pneumatic Energy Storage System Considering the Thermodynamic Characteristics
Abstract
:1. Introduction
- (1)
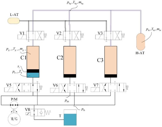
- A cycle hydro-pneumatic ESS, with the high power and energy density of hydraulic and pneumatic ESS, respectively, is proposed to recover the braking energy of HMDT;
- (2)
- The dynamic model of the system, including dynamic and thermodynamic model of hydraulic and pneumatic components, is established to analyze the performance;
- (3)
- The power and energy performance of system are presented based on a real test condition-based simulation, and the resulting additional benefits are discussed according to the analysis results.
2. Materials and Methods
2.1. Hydraulic System Modelling
2.2. Pneumatic System Modelling
2.3. Thermodynamic Modelling
3. Results and Discussion
3.1. Real Condition-Based Simulation
3.2. Pressure Results Analysis
3.3. Temperature Results Analysis
3.4. Power and Energy Performance Analysis
3.5. Discussion of Results
4. Conclusions
Author Contributions
Funding
Institutional Review Board Statement
Informed Consent Statement
Data Availability Statement
Conflicts of Interest
References
- Wasbari, F.; Bakar, R.A.; Gan, L.M.; Tahir, M.; Yusof, A. A review of compressed-air hybrid technology in vehicle system. Renew. Sustain. Energy Rev. 2017, 67, 935–953. [Google Scholar] [CrossRef]
- Yang, W.; Ruan, J.; Yang, J.; Zhang, N. Investigation of integrated uninterrupted dual input transmission and hybrid energy storage system for electric vehicles. Appl. Energy 2020, 262, 114446. [Google Scholar] [CrossRef]
- Siami-Irdemoosa, E.; Dindarloo, S.R. Prediction of fuel consumption of mining dump trucks: A neural networks approach. Appl. Energy 2015, 151, 77–84. [Google Scholar] [CrossRef]
- Feng, Y.; Dong, Z.; Yang, J.; Cheng, R. Performance modeling and cost-benefit analysis of hybrid electric mining trucks. In Proceedings of the 12th IEEE/ASME International Conference on Mechatronic and Embedded Systems and Applications (MESA), Auckland, New Zealand, 29–31 August 2016. [Google Scholar]
- Jin, C.; Yi, T.; Shen, Y.; Khajepour, A.; Meng, Q. Comparative study on the economy of hybrid mining trucks for open-pit mining. IET Intell. Transp. Syst. 2019, 13, 201–208. [Google Scholar] [CrossRef]
- Yang, W.; Liang, J.; Yang, J.; Zhang, N. Investigation of a Novel Coaxial Power-Split Hybrid Powertrain for Mining Trucks. Energies 2018, 11, 172. [Google Scholar] [CrossRef]
- Feng, Y.; Dong, Z. Integrated design and control optimization of fuel cell hybrid mining truck with minimized lifecycle cost. Appl. Energy 2020, 270, 115164. [Google Scholar] [CrossRef]
- Diba, F.; Esmailzadeh, E. Development of hybrid electric heavy-duty truck with self-propelled trailer. Int. J. Heavy Veh. Syst. 2018, 25, 203–222. [Google Scholar] [CrossRef]
- Lindgren, L.; Grauers, A.; Ranggård, J.; Mäki, R. Drive-Cycle Simulations of Battery-Electric Large Haul Trucks for Open-Pit Mining with Electric Roads. Energies 2022, 15, 4871. [Google Scholar] [CrossRef]
- Wang, Y.; Chen, J.; Liu, J.; Liu, K.; Zhang, Y.; Wu, J.; Zeng, H.; Guan, Z.-L. Research and implementation of key technology of braking energy recovery system for off-highway dump truck. In Proceedings of the Conference of the IEEE Industrial Electronics Society, Beijing, China, 29 October–1 November 2017. [Google Scholar]
- Liu, J.; Wang, Y.; Wu, Y.; Li, Y.; Wang, X. Research and implementation of new-type supercapacitor and battery hybrid energy storage system. J. Power Electron. 2020, 20, 1395–1404. [Google Scholar] [CrossRef]
- Herrera, V.; Milo, A.; Gaztañaga, H.; Etxeberria-Otadui, I.; Villarreal, I.; Camblong, H. Adaptive energy management strategy and optimal sizing applied on a battery-supercapacitor based tramway. Appl. Energy 2016, 169, 831–845. [Google Scholar] [CrossRef]
- Yi, T.; Ma, F.; Jin, C.; Huang, Y. A novel coupled hydro-pneumatic energy storage system for hybrid mining trucks. Energy 2018, 143, 704–718. [Google Scholar] [CrossRef]
- Fu, H.; Jiang, T.; Cui, Y.; Li, B. Adaptive Hydraulic Potential Energy Transfer Technology and Its Application to Compressed Air Energy Storage. Energies 2018, 11, 1845. [Google Scholar] [CrossRef]
- Li, P.Y.; Van de Ven, J.D.; Sancken, C. Open Accumulator Concept for Compact Fluid Power Energy Storage. In Proceedings of the ASME 2007 International Mechanical Engineering Congress and Exposition, Seattle, WA, USA, 11–15 November 2007. [Google Scholar]
- Mohsen, S.; Farzad, S.; Perry, L. Modeling and control of an open accumulator Compressed Air Energy Storage (CAES) system for wind turbines. Appl. Energy 2015, 137, 603–616. [Google Scholar]
- Kim, Y.M.; Shin, D.G.; Favrat, D. Operating characteristics of constant-pressure compressed air energy storage (CAES) system combined with pumped hydro storage based on energy and exergy analysis. Energy 2011, 36, 6220–6233. [Google Scholar] [CrossRef]
- Puddu, P.; Paderi, M. Hydro-pneumatic accumulators for vehicles kinetic energy storage: Influence of the gas compressibility and thermal losses on storage capability. Energy 2013, 57, 326–335. [Google Scholar] [CrossRef]
- Juhala, J.; Kajaste, J.; Pietola, M. Experimental Analysis of Heat Losses in Different Types of Hydraulic Accumulators. In Proceedings of the 8th FPNI Ph.D Symposium on Fluid Power, Lappeenranta, Finland, 11 June 2014. [Google Scholar]
- Budt, M.; Wolf, D.; Span, R.; Yan, J. A review on compressed air energy storage: Basic principles, past milestones and recent developments. Appl. Energy 2016, 170, 250–268. [Google Scholar] [CrossRef]
- Huang, S.; Khajepour, A. A new adiabatic compressed air energy storage system based on a novel compression strategy. Energy 2022, 242, 122883. [Google Scholar] [CrossRef]
- Guo, C.; Xu, Y.; Zhang, X.; Guo, H.; Zhou, X.; Liu, C.; Qin, W.; Li, W.; Dou, B.; Chen, H. Performance analysis of compressed air energy storage systems considering dynamic characteristics of compressed air storage. Energy 2017, 135, 876–888. [Google Scholar] [CrossRef]
- Odukomaiya, A.; Abu-Heiba, A.; Graham, S.; Momen, A.M. Experimental and analytical evaluation of a hydro-pneumatic compressed-air Ground-Level Integrated Diverse Energy Storage (GLIDES) system. Appl. Energy 2018, 221, 75–85. [Google Scholar] [CrossRef]
- Yi, T.; Jin, C.; Gao, L.; Hong, J.; Liu, Y. Nested Optimization of Oil-Circulating Hydro-Pneumatic Energy Storage System for Hybrid Mining Trucks. Machines 2022, 10, 22. [Google Scholar] [CrossRef]
- Pourmovahed, A.; Beachley, N.H.; Fronczak, F.J. Modeling of a Hydraulic Energy Regeneration System: Part II—Experimental Program. J. Dyn. Syst. Meas. Control 1992, 114, 160–165. [Google Scholar] [CrossRef]
- Han, T.; Zeng, B.; Tong, Y. Theoretical study on energy recovery rate of regenerative braking for hybrid mining trucks with different parameters. J. Energy Storage 2021, 42, 103127. [Google Scholar] [CrossRef]
- GB 19578-2021; Fuel Consumption Limits for Passenger Cars. Ministry of Industry and Information Technology of the People’s Republic of China: Beijing, China, 2021.

















Publisher’s Note: MDPI stays neutral with regard to jurisdictional claims in published maps and institutional affiliations. |
© 2022 by the authors. Licensee MDPI, Basel, Switzerland. This article is an open access article distributed under the terms and conditions of the Creative Commons Attribution (CC BY) license (https://creativecommons.org/licenses/by/4.0/).
Share and Cite
Gao, L.; Wang, D.; Jin, C.; Yi, T. Modelling and Performance Analysis of Cyclic Hydro-Pneumatic Energy Storage System Considering the Thermodynamic Characteristics. Energies 2022, 15, 6672. https://doi.org/10.3390/en15186672
Gao L, Wang D, Jin C, Yi T. Modelling and Performance Analysis of Cyclic Hydro-Pneumatic Energy Storage System Considering the Thermodynamic Characteristics. Energies. 2022; 15(18):6672. https://doi.org/10.3390/en15186672
Chicago/Turabian StyleGao, Lulu, Dongyue Wang, Chun Jin, and Tong Yi. 2022. "Modelling and Performance Analysis of Cyclic Hydro-Pneumatic Energy Storage System Considering the Thermodynamic Characteristics" Energies 15, no. 18: 6672. https://doi.org/10.3390/en15186672
APA StyleGao, L., Wang, D., Jin, C., & Yi, T. (2022). Modelling and Performance Analysis of Cyclic Hydro-Pneumatic Energy Storage System Considering the Thermodynamic Characteristics. Energies, 15(18), 6672. https://doi.org/10.3390/en15186672

