A Review of AC and DC Collection Grids for Offshore Renewable Energy with a Qualitative Evaluation for Marine Energy Resources
Abstract
:1. Introduction
2. Scope of the Paper
3. Marine Energy Resources
4. AC Collection Grids
4.1. Radial Topology
4.2. Single-Sided Ring Topology
4.3. Double-Sided Ring Topology
4.4. Star Topology
4.5. AC Collection Voltage Level
4.6. Cost of AC Collection Grids
4.7. AC Cables
4.7.1. Static versus Dynamic Power Cables
4.7.2. Cost of Cable Installation
4.8. Transformers
4.9. Connectors
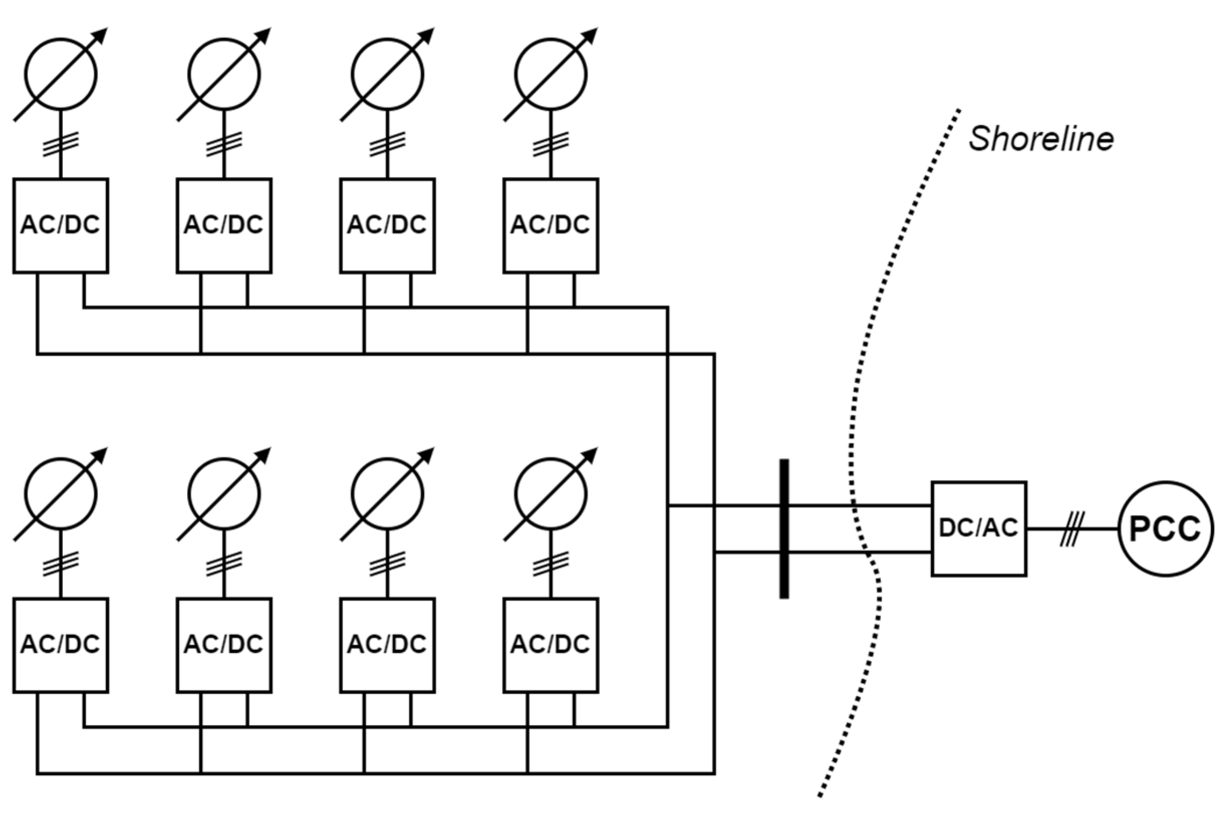
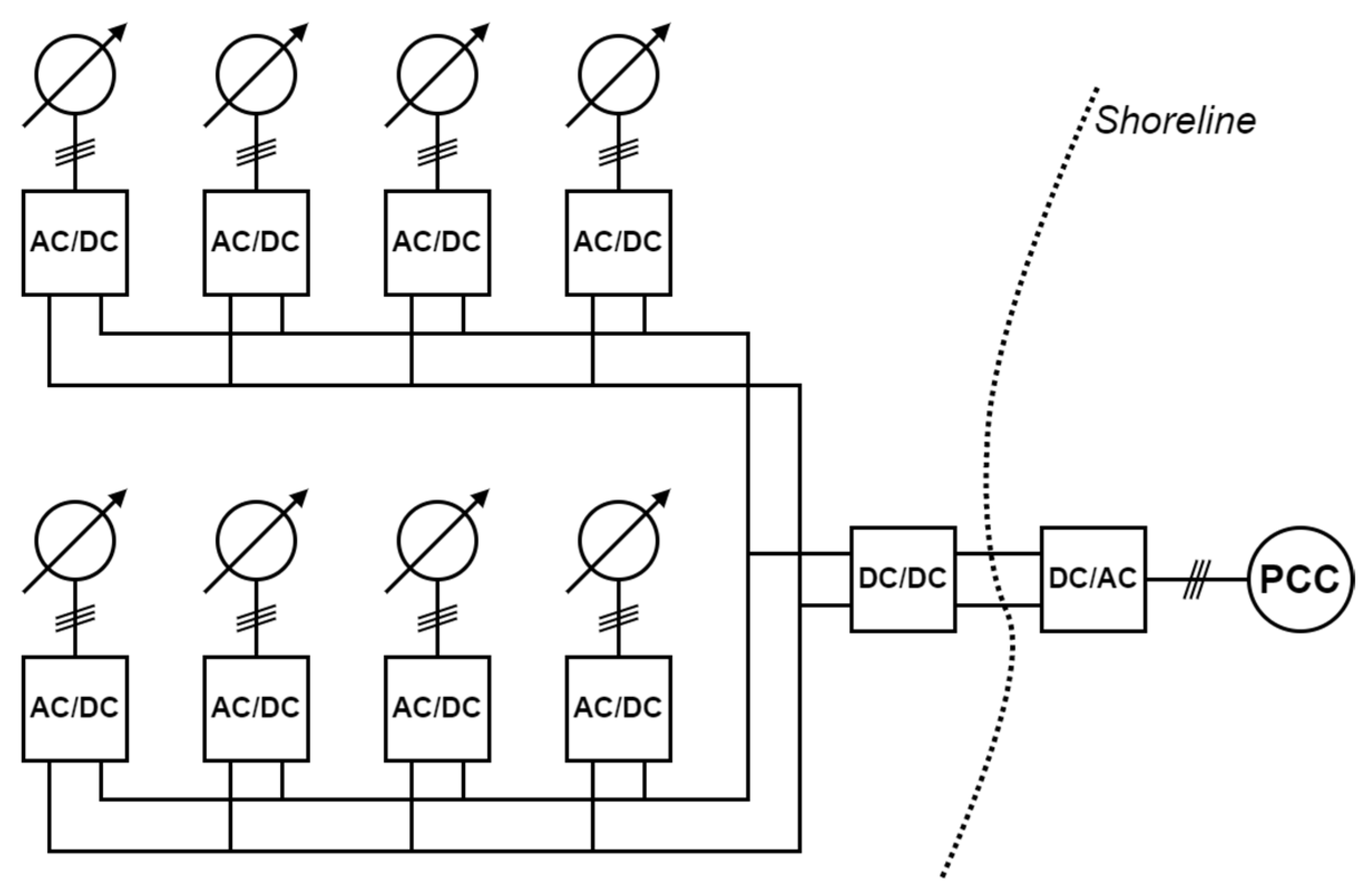
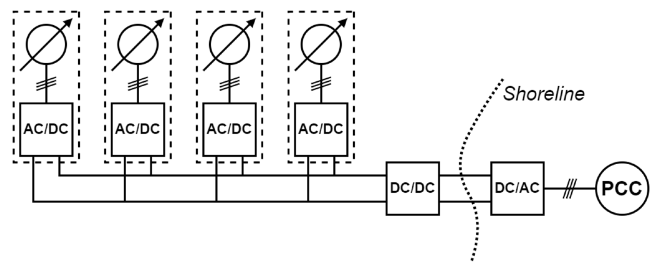
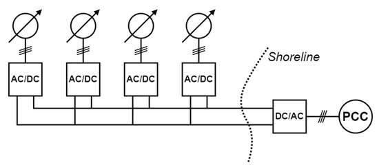
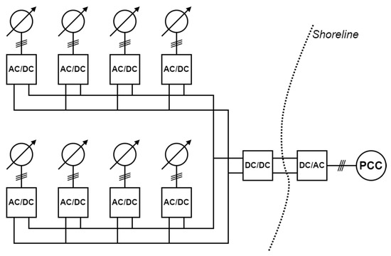
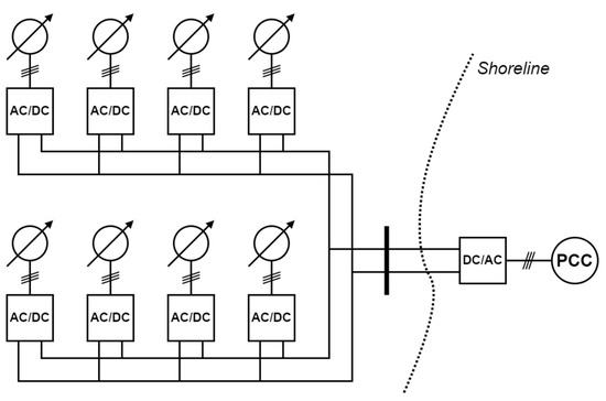
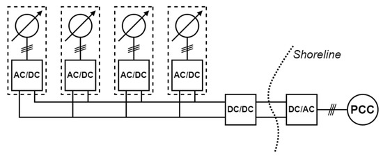
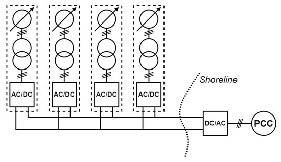
5. DC Collection Grids
5.1. Parallel DC Collection Grids
5.2. Series DC Collection Grids
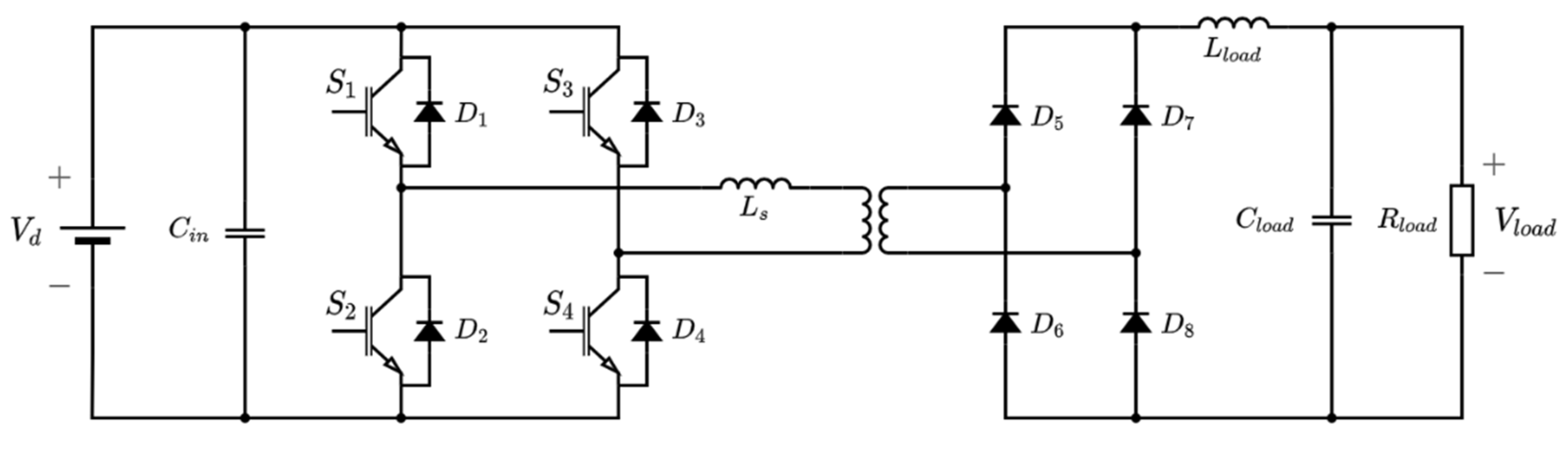
5.3. Technologies for Voltage Conversion from AC to DC
5.4. Key Components of a DC Collection Grid
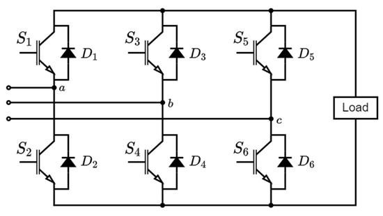
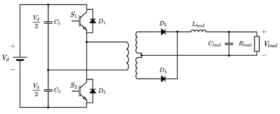
5.4.1. AC/DC Converters
5.4.2. DC/AC Converters
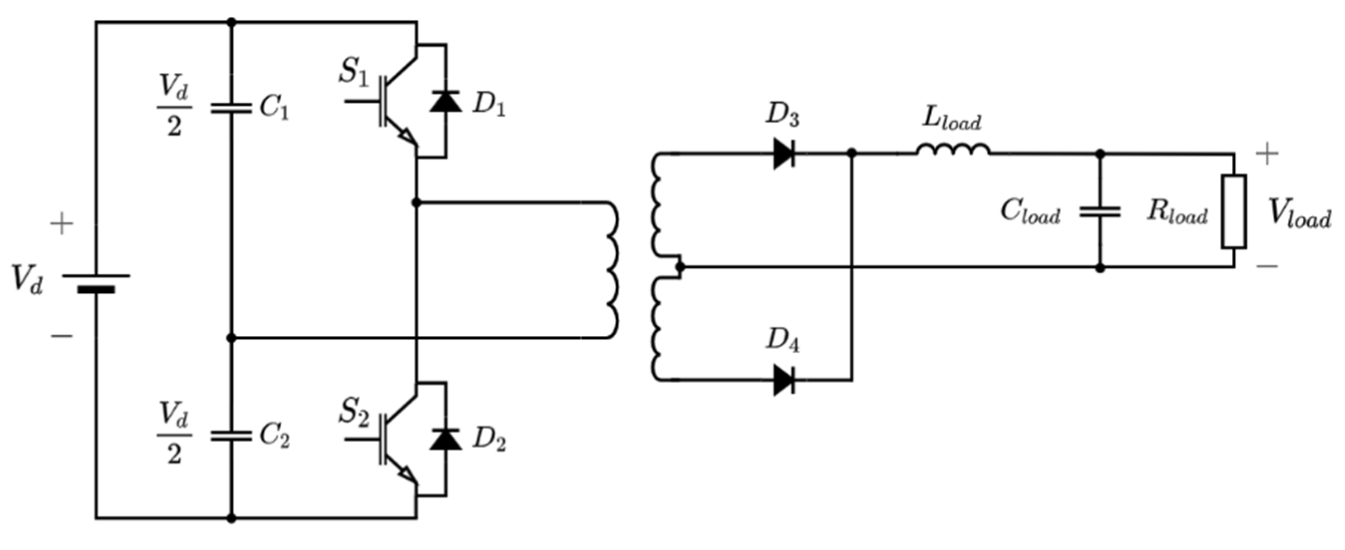
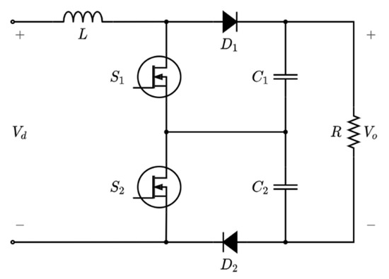
5.4.3. Non-Isolated DC/DC Converters
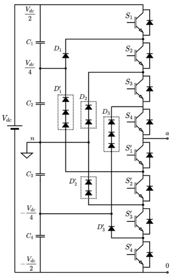
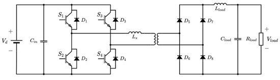
5.4.4. Isolated DC/DC Converters
6. AC or DC Transmission in Offshore Applications
Limitations of HVAC
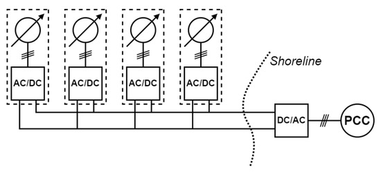
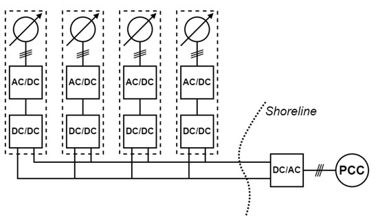
7. Collection Grids for Marine Energy Resources
7.1. Submerged Energy Converter
7.2. Energy Converter on Platform or Floating
8. Summary and Conclusions
Author Contributions
Funding
Institutional Review Board Statement
Informed Consent Statement
Data Availability Statement
Conflicts of Interest
References
- Lorenczik, S.; Zavala, P.B.; Hungerford, Z. IEA Electricity Market Report July 2021; IEA: Paris, France, 2021. [Google Scholar]
- Uihlein, A.; Magagna, D. Wave and Tidal Current Energy-A Review of the Current State of Research beyond Technology. Renew. Sustain. Energy Rev. 2016, 58, 1070–1081. [Google Scholar] [CrossRef]
- Green, J.; Bowen, A.; Fingersh, L.J.; Wan, Y. Electrical Collection and Transmission Systems for Offshore Wind Power: Preprint. In Proceedings of the Offshore Technology Conference, Houston, TX, USA, 30 April–3 May 2007. [Google Scholar]
- Quinonez-Varela, G.; Ault, G.W.; Anaya-Lara, O.; McDonald, J.R. Electrical Collector System Options for Large Offshore Wind Farms. IET Renew. Power Gener. 2007, 1, 107–114. [Google Scholar] [CrossRef]
- Srikakulapu, R.; Vinatha, U. Electrical Collector Topologies for Offshore Wind Power Plants: A Survey. In Proceedings of the 2015 IEEE 10th International Conference on Industrial and Information Systems, ICIIS 2015-Conference Proceedings, Peradeniya, Sri Lanka, 18–20 December 2015; Institute of Electrical and Electronics Engineers Inc.: Piscataway, NJ, USA, 2016; pp. 338–343. [Google Scholar]
- Bresesti, P.; Kling, W.L.; Hendriks, R.L.; Vailati, R. HVDC Connection of Offshore Wind Farms to the Transmission System. IEEE Trans. Energy Convers. 2007, 22, 37–43. [Google Scholar] [CrossRef]
- Li, Z.; Song, Q.; An, F.; Zhao, B.; Yu, Z.; Zeng, R. Review on DC Transmission Systems for Integrating Large-scale Offshore Wind Farms. Energy Convers. Econ. 2021, 2, 1–14. [Google Scholar] [CrossRef]
- de Prada Gil, M.; Domínguez-García, J.L.; Díaz-González, F.; Aragüés-Peñalba, M.; Gomis-Bellmunt, O. Feasibility Analysis of Offshore Wind Power Plants with DC Collectiongrid. Renew. Energy 2015, 78, 467–477. [Google Scholar] [CrossRef] [Green Version]
- Holtsmark, N.; Bahirat, H.J.; Molinas, M.; Mork, B.A.; Høidalen, H.K. An All-DC Offshore Wind Farm with Series-Connected Turbines: An Alternative to the Classical Parallel AC Model? IEEE Trans. Ind. Electron. 2013, 60, 2420–2428. [Google Scholar] [CrossRef]
- Agheb, E.; Holtsmark, N.; Høidalen, H.K.; Molinas, M. High Frequency Wind Energy Conversion System for Offshore DC Collection Grid-Part I: Comparative Loss Evaluation. Sustain. Energy Grids Netw. 2016, 5, 167–176. [Google Scholar] [CrossRef]
- Holtsmark, N.; Agheb, E.; Molinas, M.; Høidalen, H.K. High Frequency Wind Energy Conversion System for Offshore DC Collection Grid-Part II: Efficiency Improvements. Sustain. Energy Grids Netw. 2016, 5, 177–185. [Google Scholar] [CrossRef]
- Lakshmanan, P.; Sun, R.; Liang, J. Electrical Collection Systems for Offshore Wind Farms: A Review. CSEE J. Power Energy Syst. 2021, 7, 1078–1092. [Google Scholar]
- Mason, A.; Driver, R.; Hay, S.; Hodges, R. Marine Energy Electrical Architecture Report 3: Optimum Electrical Array Architectures; Offshore Renewable Energy (ORE) Catapult: Glasgow, UK, 2015. [Google Scholar]
- Trilla, L.; Thiringer, T.; Sahlin, S.; Andersson, T. Wave Energy Park Power Quality Impact and Collection Grid Economic Assessment. IET Renew. Power Gener. 2015, 9, 368–378. [Google Scholar] [CrossRef]
- Lee, M.Q.; Lu, C.N.; Huang, H.S. Reliability and Cost Analyses of Electricity Collection Systems of a Marine Current Farm-A Taiwanese Case Study. Renew. Sustain. Energy Rev. 2009, 13, 2012–2021. [Google Scholar] [CrossRef]
- Collin, A.J.; Nambiar, A.J.; Bould, D.; Whitby, B.; Moonem, M.A.; Schenkman, B.; Atcitty, S.; Chainho, P.; Kiprakis, A.E. Electrical Components for Marine Renewable Energy Arrays: A Techno-Economic Review. Energies 2017, 10, 1973. [Google Scholar] [CrossRef] [Green Version]
- Wang, L.; Isberg, J.; Tedeschi, E. Review of Control Strategies for Wave Energy Conversion Systems and Their Validation: The Wave-to-Wire Approach. Renew. Sustain. Energy Rev. 2018, 81, 366–379. [Google Scholar] [CrossRef]
- World Energy Council. World Energy Resources; World Energy Council: London, UK, 2016. [Google Scholar]
- Falcão, A.F.D.O. Wave Energy Utilization: A Review of the Technologies. Renew. Sustain. Energy Rev. 2010, 14, 899–918. [Google Scholar] [CrossRef]
- Czech, B.; Bauer, P. Wave Energy Converter Concepts: Design Challenges and Classification. IEEE Ind. Electron. Mag. 2012, 6, 4–16. [Google Scholar] [CrossRef]
- Jo, C.H.; Hwang, S.J. Review on Tidal Energy Technologies and Research Subjects. China Ocean Eng. 2020, 34, 137–150. [Google Scholar] [CrossRef]
- Lumbreras, S.; Ramos, A. Offshore Wind Farm Electrical Design: A Review. Wind Energy 2013, 16, 459–473. [Google Scholar] [CrossRef]
- Alagab, S.M.; Tennakoon, S.; Gould, C. Review of Wind Farm Power Collection Schemes. In Proceedings of the Universities Power Engineering Conference, Stoke-on-Trent, UK, 1–4 September 2015; IEEE Computer Society: Washington, DC, USA, 2015; Volume 2015. [Google Scholar]
- Bahirat, H.J.; Mork, B.A.; Hoidalen, H.K. Comparison of Wind Farm Topologies for Offshore Applications. In Proceedings of the IEEE Power and Energy Society General Meeting, San Diego, CA, USA, 22–26 July 2012. [Google Scholar]
- Madariaga, A.; Martín, J.L.; Zamora, I.; Martínez De Alegría, I.; Ceballos, S. Technological Trends in Electric Topologies for Offshore Wind Power Plants. Renew. Sustain. Energy Rev. 2013, 24, 32–44. [Google Scholar] [CrossRef]
- Sharples, M. Offshore Electrical Cable Burial for Wind Farms: State of the Art, Standards and Guidance and Acceptable Burial Depths, Separation Distances and Sand Wave Effect; Bureau of Ocean Energy Management, Regulation and Enforcement—Department of the Interior: Washington, DC, USA, 2011.
- Ikhennicheu, M.; Lynch, M.; Doole, S.; Borisade, F.; Wendt, F.; Schwarzkopf, M.-A.; Matha, D.; Vicente, R.D.; Tim, H.; Ramirez, L.; et al. Review of the State of the Art of Dynamic Cable System Design; COREWIND: Brussels, Belgium, 2020. [Google Scholar]
- Jalili, S.; Maheri, A.; Ivanovic, A. Cost Modelling For Offshore Wind Farm Decommissioning—DecomTools. 2022. Available online: http://northsearegion.eu/decomtools (accessed on 8 August 2022).
- Smith, R. Electricity Ten Year Statement 2015 (ETYS 2015); National Grid: London, UK, 2015. [Google Scholar]
- Thiviyanathan, V.A.; Ker, P.J.; Leong, Y.S.; Abdullah, F.; Ismail, A.; Zaini Jamaludin, M. Power Transformer Insulation System: A Review on the Reactions, Fault Detection, Challenges and Future Prospects. Alex. Eng. J. 2022, 61, 7697–7713. [Google Scholar] [CrossRef]
- Siemens Energy Subsea Transformers. Available online: https://www.siemens-energy.com/global/en/offerings/industrial-applications/oil-gas/subsea-solutions/subsea-transformers.html (accessed on 13 June 2022).
- Hitachi Energy Subsea Transformers. Available online: https://www.hitachienergy.com/offering/product-and-system/transformers/special-application-transformers/subsea-transformers (accessed on 13 June 2022).
- Aker Solutions Subsea Power Distribution Systems. Available online: https://www.akersolutions.com/what-we-do/subsea-production-systems-and-lifecycle-services/subsea-power-distribution-systems/ (accessed on 13 June 2022).
- Wood Group Kenny. Wet Mate Connector Market Study; Wood Group Kenny: Staines-upon-Thames, UK, 2014. [Google Scholar]
- Lundberg, S. Wind Farm Configuration and Energy Efficiency Studies: Series DC versus AC Layouts; Chalmers Tekniska Högskola: Gothenburg, Sweden, 2006. [Google Scholar]
- Daniel, W. Hart Power Electronics; McGraw-Hill Education: New York, NY, USA, 2011. [Google Scholar]
- Dincan, C.G. High Power Medium Voltage DCDC Converter Technology for DC Wind Turbines; Aalborg University: Aalborg, Denmark, 2018. [Google Scholar]
- Smith, R. Electricity Ten Year Statement 2014 (ETYS 2014); National Grid: London, UK, 2014. [Google Scholar]
- Forouzesh, M.; Siwakoti, Y.P.; Gorji, S.A.; Blaabjerg, F.; Lehman, B. Step-Up DC-DC Converters: A Comprehensive Review of Voltage-Boosting Techniques, Topologies, and Applications. IEEE Trans. Power Electron. 2017, 32, 9143–9178. [Google Scholar] [CrossRef]
- Rashid, M.H. Electric Renewable Energy Systems; Elsevier: Amsterdam, The Netherlands, 2016; ISBN 9780128044483. [Google Scholar]
- Mohan, N.; Undeland, T.; Robbins, W.P. Power Electronics: Converters, Applications, and Design, 3rd ed.; John Wiley & Sons: Hoboken, NJ, USA, 2003. [Google Scholar]
- Erickson, R.W. Dragan Maksimovic Fundamentals of Power Electronics, 3rd ed.; Springer Nature: Cham, Switzerland, 2020. [Google Scholar]
- Hudgins, J.L.; de Doncker, R.W. Power Semiconductor Devices: For Variable Speed Drives. IEEE Ind. Appl. Mag. 2012, 18, 18–25. [Google Scholar] [CrossRef]
- Blaabjerg, F.; Ma, K. Wind Energy Systems. Proc. IEEE 2017, 105, 2116–2131. [Google Scholar] [CrossRef] [Green Version]
- Perez, M.A.; Ceballos, S.; Konstantinou, G.; Pou, J.; Aguilera, R.P. Modular Multilevel Converters: Recent Achievements and Challenges. IEEE Open J. Ind. Electron. Soc. 2021, 2, 224–239. [Google Scholar] [CrossRef]
- Lai, J.S.; Peng, F.Z. Multilevel Converters-A New Breed of Power Converters. IEEE Trans. Ind. Appl. 1996, 32, 509–517. [Google Scholar] [CrossRef]
- Rodríguez, J.; Lai, J.S.; Peng, F.Z. Multilevel Inverters: A Survey of Topologies, Controls, and Applications. IEEE Trans. Ind. Electron. 2002, 49, 724–738. [Google Scholar] [CrossRef] [Green Version]
- Dijkhuizen, F. Multilevel Converters: Review, Form, Function and Motivation; ABB: Västerås, Sweden, 2012. [Google Scholar]
- Nami, A.; Liang, J.; Dijkhuizen, F.; Demetriades, G.D. Modular Multilevel Converters for HVDC Applications: Review on Converter Cells and Functionalities. IEEE Trans. Power Electron. 2015, 30, 18–36. [Google Scholar] [CrossRef]
- Yazdani, A.; Iravani, R. Voltage-Sourced Converters in Power Systems Modeling, Control, and Applications; John Wiley & Sons: Hoboken, NJ, USA, 2010. [Google Scholar]
- Nayanasiri, D.; Li, Y. Step-Down DC–DC Converters: An Overview and Outlook. Electronics 2022, 11, 1693. [Google Scholar] [CrossRef]
- Tofoli, F.L.; de Pereira, D.C.; de Paula, W.J.; Oliveira Júnior, D.d.S. Survey on Non-Isolated High-Voltage Step-up Dc-Dc Topologies Based on the Boost Converter. IET Power Electron. 2015, 8, 2044–2057. [Google Scholar] [CrossRef] [Green Version]
- Max, L. Energy Evaluation for DC/DC Converters in DC-Based Wind Farms; Chalmers University of Technology: Gothenburg, Sweden, 2007. [Google Scholar]
- Alhurayyis, I.; Elkhateb, A.; Morrow, J. Isolated and Nonisolated DC-to-DC Converters for Medium-Voltage DC Networks: A Review. IEEE J. Emerg. Sel. Top. Power Electron. 2021, 9, 7486–7500. [Google Scholar] [CrossRef]
- de Alegría, I.M.; Martín, J.L.; Kortabarria, I.; Andreu, J.; Ereño, P.I. Transmission Alternatives for Offshore Electrical Power. Renew. Sustain. Energy Rev. 2009, 13, 1027–1038. [Google Scholar] [CrossRef]
- Alassi, A.; Bañales, S.; Ellabban, O.; Adam, G.; MacIver, C. HVDC Transmission: Technology Review, Market Trends and Future Outlook. Renew. Sustain. Energy Rev. 2019, 112, 530–554. [Google Scholar] [CrossRef]
- Bozhko, S.V.; Blasco-Giménez, R.V.; Li, R.; Clare, J.C.; Asher, G.M. Control of Offshore DFIG-Based Wind Farm Grid with Line-Commutated HVDC Connection. IEEE Trans. Energy Convers. 2007, 22, 71–78. [Google Scholar] [CrossRef]
- Torres-Olguin, R.E.; Molinas, M.; Undeland, T. Offshore Wind Farm Grid Integration by VSC Technology with LCC-Based HVDC Transmission. IEEE Trans. Sustain. Energy 2012, 3, 899–907. [Google Scholar] [CrossRef]
- Reed, G.F.; al Hassan, H.A.; Korytowski, M.J.; Lewis, P.T.; Grainger, B.M. Comparison of HVAC and HVDC Solutions for Offshore Wind Farms with a Procedure for System Economic Evaluation. In Proceedings of the 2013 IEEE Energytech, Energytech 2013, Cleveland, OH, USA, 21–23 May 2013; IEEE Computer Society: Washington, DC, USA, 2013. [Google Scholar]
- Max, L. Design and Control of a DC Collection Grid for a Wind Farm; Chalmers University of Technology: Gothenburg, Sweden, 2009; ISBN 9789173853330. [Google Scholar]
- Renner, R.H.; van Hertem, D. Ancillary Services in Electric Power Systems with HVDC Grids. IET Gener. Transm. Distrib. 2015, 9, 1179–1185. [Google Scholar] [CrossRef]
- Meah, K.; Ula, S. Comparative Evaluation of HVDC and HVAC Transmission Systems. In Proceedings of the 2007 IEEE Power Engineering Society General Meeting, Tampa, FL, USA, 24–28 June 2007. [Google Scholar]
- Ackermann, T. Transmission Systems for Offshore Wind Farms. IEEE Power Eng. Rev. 2005, 22, 23–27. [Google Scholar] [CrossRef]
- Elliott, D.; Bell, K.R.W.; Finney, S.J.; Adapa, R.; Brozio, C.; Yu, J.; Hussain, K. A Comparison of AC and HVDC Options for the Connection of Offshore Wind Generation in Great Britain. IEEE Trans. Power Deliv. 2016, 31, 798–809. [Google Scholar] [CrossRef] [Green Version]
- Hardy, S.; van Brusselen, K.; Hendrix, S.; van Hertem, D. Techno-Economic Analysis of HVAC, HVDC and OFAC Offshore Wind Power Connections. In Proceedings of the 2019 IEEE Milan PowerTech, Milano, Italy, 23–27 June 2019. [Google Scholar]
- Dakic, J.; Cheah-Mane, M.; Gomis-Bellmunt, O.; Prieto-Araujo, E. HVAC Transmission System for Offshore Wind Power Plants Including Mid-Cable Reactive Power Compensation: Optimal Design and Comparison to VSC-HVDC Transmission. IEEE Trans. Power Deliv. 2021, 36, 2814–2824. [Google Scholar] [CrossRef]
- Sarower Jahan, M.; Hamim, S.J.; Tasrif Imran Bhuiyan, M.; Jaynal Abeadin, M.; Nabid Chowdhury, M. Comparative Cost Analysis of VSC-HVDC and HVAC as Transmission System for a 50 MW Offshore Wind Farm in Hatiya Island. In Proceedings of the 2020 2nd International Conference on Sustainable Technologies for Industry 4.0 (STI), Dhaka, Bangladesh, 19–20 December 2020. [Google Scholar] [CrossRef]
- van Eeckhout, B.; van Hertem, D.; Reza, M.; Srivastava, K.; Belmans, R. Economic Comparison of VSC HVDC and HVAC as Transmission System for a 300MW Offshore Wind Farm. Eur. Trans. Electr. Power 2010, 20, 661–671. [Google Scholar] [CrossRef]
- Dakic, J.; Cheah-Mane, M.; Gomis-Bellmunt, O.; Prieto-Araujo, E. Low Frequency AC Transmission Systems for Offshore Wind Power Plants: Design, Optimization and Comparison to High Voltage AC and High Voltage DC. Int. J. Electr. Power Energy Syst. 2021, 133, 107273. [Google Scholar] [CrossRef]
- Czech, B.; Bauer, P.; Polinder, H.; Zhou, Y.; Korondi, P. Comparing the Electrical Transmission Systems for Archimedes Wave Swing Parks. In Proceedings of the 8th European Wave and Tidal Energy Conference (EWTEC2009), Uppsala, Sweden, 7–9 September 2009. [Google Scholar]
- Ghigo, A.; Cottura, L.; Caradonna, R.; Bracco, G.; Mattiazzo, G. Platform Optimization and Cost Analysis in a Floating Offshore Wind Farm. J. Mar. Sci. Eng. 2020, 8, 835. [Google Scholar] [CrossRef]
- Clément, A.; Mccullen, P.; Falcão, A.; Fiorentino, A.; Gardner, F.; Hammarlund, K.; Lemonis, G.; Lewis, T.; Nielsen, K.; Petroncini, S.; et al. Wave Energy in Europe: Current Status and Perspectives. Renew. Sustain. Energy Rev. 2002, 6, 405–431. [Google Scholar] [CrossRef]
- Neshat, M.; Alexander, B.; Wagner, M. A Hybrid Cooperative Co-Evolution Algorithm Framework for Optimising Power Take off and Placements of Wave Energy Converters. Inf. Sci. 2020, 534, 218–244. [Google Scholar] [CrossRef]
- Krishnamoorthy, H.; Daniel, M.; Ramos-Ruiz, J.; Enjeti, P.; Liu, L.; Aeloiza, E. Isolated AC-DC Converter Using Medium Frequency Transformer for Off-Shore Wind Turbine DC Collection Grid. IEEE Trans. Ind. Electron. 2017, 64, 8939–8947. [Google Scholar] [CrossRef]
- van den Bossche, A.; Valchev, V.C.; Barudov, S.T. Practical Wide Frequency Approach for Calculating Eddy Current Losses in Transformer Windings. In Proceedings of the IEEE International Symposium on Industrial Electronics, Montreal, QC, Canada, 9–13 July 2006; Volume 2, pp. 1070–1074. [Google Scholar]
- She, X.; Burgos, R.; Wang, G.; Wang, F.; Huang, A.Q. Review of Solid State Transformer in the Distribution System: From Components to Field Application. In Proceedings of the 2012 IEEE Energy Conversion Congress and Exposition, ECCE, Raleigh, NC, USA, 15–20 September 2012; pp. 4077–4084. [Google Scholar]
- Feix, G.; Dieckerhoff, S.; Allmeling, J.; Schönberger, J. Simple Methods to Calculate IGBT and Diode Conduction and Switching Losses. In Proceedings of the 2009 13th European Conference on Power Electronics and Applications, Barcelona, Spain, 8–10 September 2009. [Google Scholar]
- Qian, C.; Gheitaghy, A.M.; Fan, J.; Tang, H.; Sun, B.; Ye, H.; Zhang, G. Thermal Management on IGBT Power Electronic Devices and Modules. IEEE Access 2018, 6, 12868–12884. [Google Scholar] [CrossRef]























| T1 | T2 | T3 | T4 | T5 | |
|---|---|---|---|---|---|
| Size and weight | Size and weight of the devices are flexible due to the use of the seabed as a base. | ||||
| Cost | Cost-efficient. | Cost increases due to multiple DC/DC converters. | Lower cost than topology T2 due to central DC/DC converter. | Similar to T1. | |
| Power losses | Low converter losses, high transmission losses. | High converter losses, lower transformer losses, lower collection and transmission losses. | Converter losses similar to Topology T2. | Lower converter losses. | Converter losses similar to Topology T1. |
| Pros | Low cost and mature technology. | Compact converter size and low losses. | Similar to Topology T2. | Reduced converter losses. | Low cost with low transmission losses. |
| Cons | High losses and for limited-rated marine energy farms. | High cost. | Lack of standard DC/DC converters for farms with high power rating. | Deployment complexities due to size | Less reliable and insulation problems. |
| T1 | T2 | T3 | T4 | T5 | |
|---|---|---|---|---|---|
| Size and weight | Possible to place the power electronics with the marine energy converters. | The compactness of the size and weight of the DC/DC converter due to the MF or HF transformer makes it easier to place. | A platform is necessary with the inclusion of the LF transformer. | Similar to T1. | |
| Cost | Converter cost remains the same. However, the deployment and maintenance cost decreases. | High cost. | Similar to T1. | ||
| Power losses | Losses will increase linearly with an increase in temperature. | ||||
| Pros | Ease of deployment and maintenance. | Ease of deployment compared with submerged. | Similar to T1. | ||
| Cons | Similar to the submerged case. The need for active cooling is, however, increased. | Necessity to construct a fixed platform. | Similar to T1. | ||
Publisher’s Note: MDPI stays neutral with regard to jurisdictional claims in published maps and institutional affiliations. |
© 2022 by the authors. Licensee MDPI, Basel, Switzerland. This article is an open access article distributed under the terms and conditions of the Creative Commons Attribution (CC BY) license (https://creativecommons.org/licenses/by/4.0/).
Share and Cite
Fjellstedt, C.; Ullah, M.I.; Forslund, J.; Jonasson, E.; Temiz, I.; Thomas, K. A Review of AC and DC Collection Grids for Offshore Renewable Energy with a Qualitative Evaluation for Marine Energy Resources. Energies 2022, 15, 5816. https://doi.org/10.3390/en15165816
Fjellstedt C, Ullah MI, Forslund J, Jonasson E, Temiz I, Thomas K. A Review of AC and DC Collection Grids for Offshore Renewable Energy with a Qualitative Evaluation for Marine Energy Resources. Energies. 2022; 15(16):5816. https://doi.org/10.3390/en15165816
Chicago/Turabian StyleFjellstedt, Christoffer, Md Imran Ullah, Johan Forslund, Erik Jonasson, Irina Temiz, and Karin Thomas. 2022. "A Review of AC and DC Collection Grids for Offshore Renewable Energy with a Qualitative Evaluation for Marine Energy Resources" Energies 15, no. 16: 5816. https://doi.org/10.3390/en15165816
APA StyleFjellstedt, C., Ullah, M. I., Forslund, J., Jonasson, E., Temiz, I., & Thomas, K. (2022). A Review of AC and DC Collection Grids for Offshore Renewable Energy with a Qualitative Evaluation for Marine Energy Resources. Energies, 15(16), 5816. https://doi.org/10.3390/en15165816

