Next Article in Journal
Progressive Intercalation and Exfoliation of Clay in Polyaniline–Montmorillonite Clay Nanocomposites and Implication to Nanocomposite Impedance
Previous Article in Journal
Classification and Evaluation of Shale Oil Reservoirs of the Chang 71-2 Sub-Member in the Longdong Area
Previous Article in Special Issue
High-Voltage Isolated Multiple Output Auxiliary Power Supply with Output Voltage Self-Regulation
 
 
Font Type:
Arial Georgia Verdana
Font Size:
Aa Aa Aa
Line Spacing:
Column Width:
Background:
Article

A Hybrid Three-Level ZVZCS Converter for Photovoltaic Power Connecting to MVDC Collection System

School of Electrical Engineering, Southeast University, Nanjing 210096, China
*
Author to whom correspondence should be addressed.
Energies 2022, 15(15), 5365; https://doi.org/10.3390/en15155365
Submission received: 1 June 2022 / Revised: 22 June 2022 / Accepted: 1 July 2022 / Published: 25 July 2022

Abstract

:
Compared with the medium voltage ac (MVAC) collection system, the medium voltage dc (MVDC) one for renewable energy sources has many advantages. High-power dc/dc converters are one of the key stages of the MVDC collection system to boost the voltage generated by photovoltaic or wind turbine. A novel hybrid three-level dc/dc converter utilizing a blocking capacitor to realize zero-voltage zero-current-switching (ZVZCS) is proposed. A higher overall efficiency can be achieved by reducing conduction losses. Detailed experimental results on a scaled-down hardware prototype rated at 150 V/750 V/1 kW are demonstrated to verify the proposed converter performance.

1. Introduction

With the rapid development of photovoltaic cell technology, the photovoltaic power generation capacity has increased significantly [1,2]. Until 2021, the centralized photovoltaic power was about 198 GW, and the distributed photovoltaic power was 107 GW in China, and the distributed photovoltaic power is growing faster because it is closer to the load side and easier to be absorbed. At present, distributed photovoltaic power generation is basically connected to an ac distribution network [3,4], while the photovoltaic cells are dc output components. Therefore, if the photovoltaic is connected to the dc distribution network, then the dc/ac power conversion stage can be saved, and the dc distribution network has the advantages of low transmission losses, high power quality, a longer power supply radius, and no reactive power [5,6].
At present, some low- and medium-voltage dc power distribution networks have been implemented. The research work on the low-voltage dc power distribution network is mainly reflected in the low-voltage dc microgrid, e.g., the green building research plan proposed by Virginia University of technology [7,8] and the bipolar dc distribution network system designed by Osaka University [9]. For the medium voltage dc (MVDC) power distribution network, a 5 kV campus dc distribution project has been built in RWTH Aachen University in Germany [10]. Moreover, in China, more than five MVDC power distribution networks have been built in Guizhou, Hangzhou, Suzhou, Zhangbei, and Zhuhai [11].
A high-power, high-gain dc/dc converter is the key equipment to connect the distributed photovoltaic and MVDC network, such as the resonant switched capacitor converter [12] and classical full bridge converter. With the increase of photovoltaic cell voltage to 1.5 kV [13], higher voltage stress is required for the input voltage side of the dc/dc converter, and the classical full bridge structure may not be able to fit the new occasion. A multilevel converter is a good alternative to reduce the voltage stress of power switch; a good example is the widely used three-level (TL) converter, in which the voltage stress of power switch is only half of the input voltage. Soft switching technology is essential in high power applications in order to reduce the switching losses and, thus, to increase the switching frequency. Zero-voltage-switching (ZVS) TL converters are studied comprehensively to realize ZVS for the main switches [14,15,16]. It is well-known that the ZVS is suitable for MOSFETs, which have large parasitic capacitance, while their voltage/current ratings are relatively lower. For the high-power converter, the IGBTs are preferred. Due to the current tailing characteristic of IGBT, the zero-current-switching (ZCS) technology can reduce the turn-off losses of IGBT significantly. Several ZVZCS TL dc/dc converters have been proposed with excellent performance recently [17,18,19]. It also should be noted that some of the main IGBT switches can only realize ZVS, for which there are still relatively larger turn-off losses. In Reference [20], a hybrid ZVZCS TL converter was proposed for which all the four main IGBTs realize ZCS turn-off and two auxiliary IGBTs realize ZVZCS; thus, the turn-off losses can be further reduced. However, there still is a certain circulating current flowing in vain through the main/auxiliary IGBTs and auxiliary transformer, causing larger conduction losses, while there is no circulating current in the classical ZVZCS TL converter.
In this paper, an improved hybrid ZVZCS TL converter is proposed in which the circulating current is eliminated by modifying the rectifier circuit and introducing a blocking capacitor. This paper is organized as follows. The proposed circuit and basic operation principle are discussed in Section 2. The design procedure of the converter is presented in Section 3. The simulation and experimental results are provided and analyzed in Section 4 and Section 5. Finally, some brief conclusions are given in Section 6.

2. Circuit Configuration and Operation Principles

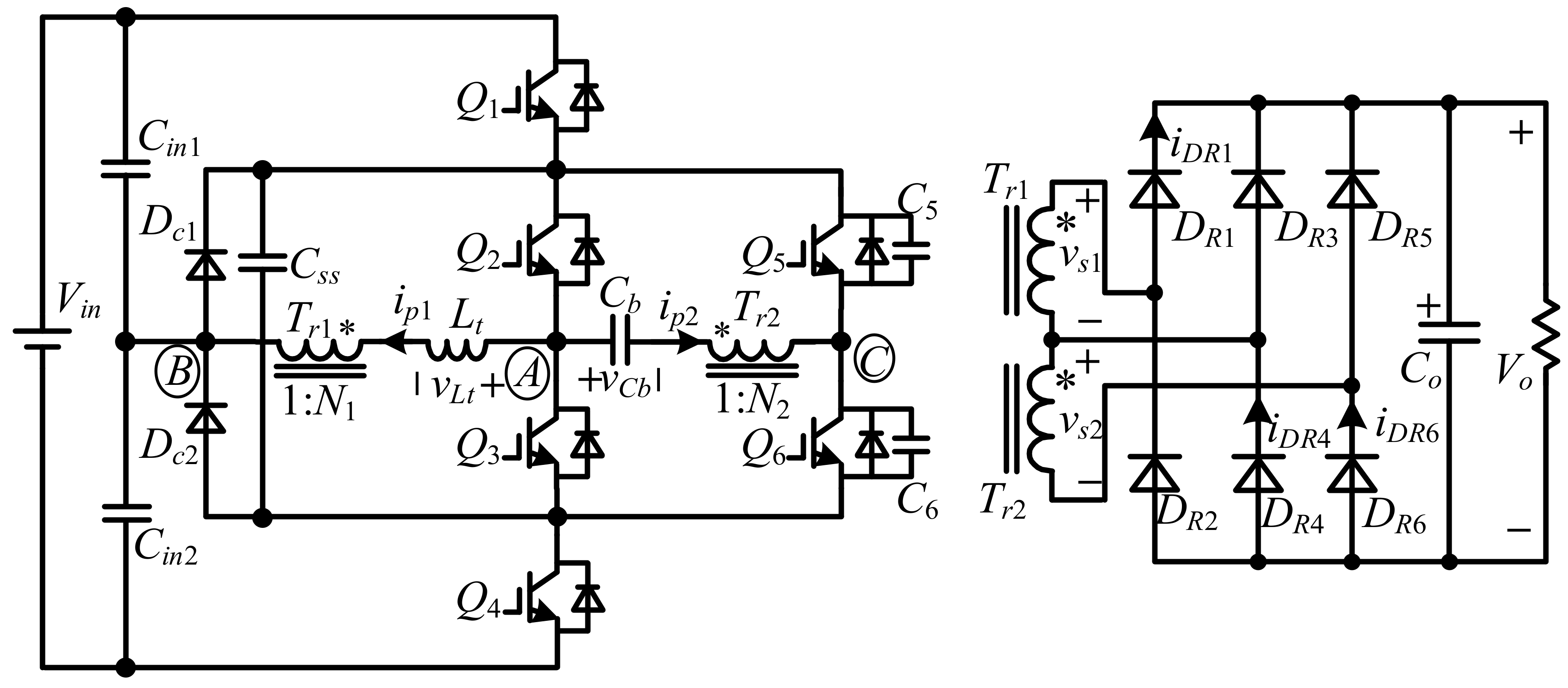
The proposed hybrid ZVZCS TL converter is shown in Figure 1. The conventional TL unit is composed of two input divided capacitors, Cin1 and Cin2; four main switches, Q1~Q4; two clamping diodes, Dc1 and Dc2; a flying capacitor, Css; a primary winding of main transformer, Tr1; and a transmission inductor, Lt. The auxiliary structure is composed of switches Q5 and Q6 (including two extra paralleled capacitors, C5 and C6), blocking capacitor Cb, and primary winding of auxiliary transformer Tr2. At the rectifier side, the secondary windings of Tr1 and Tr2 are connected in series, and six diodes, DR1~DR6, form two full-bridge rectifier cells, in which DR1, DR2, DR5, and DR6 form one rectifier cell and DR1~DR4 form another one. Co is the output filter capacitor. N1 is the turns ratio of Tr1, N2 is the turns ratio of Tr2, and N2 should be smaller than N1 to make the converter work properly.
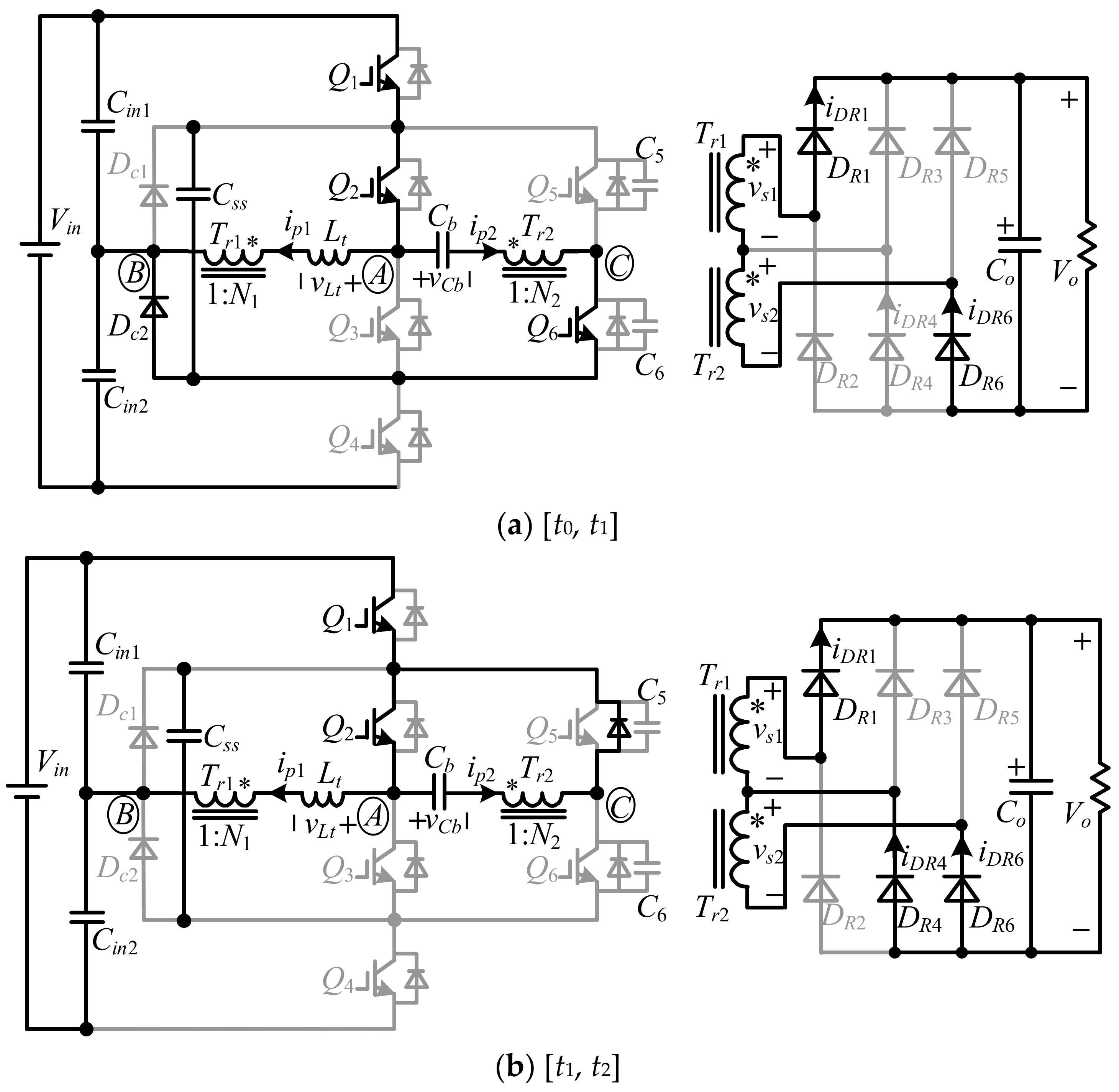
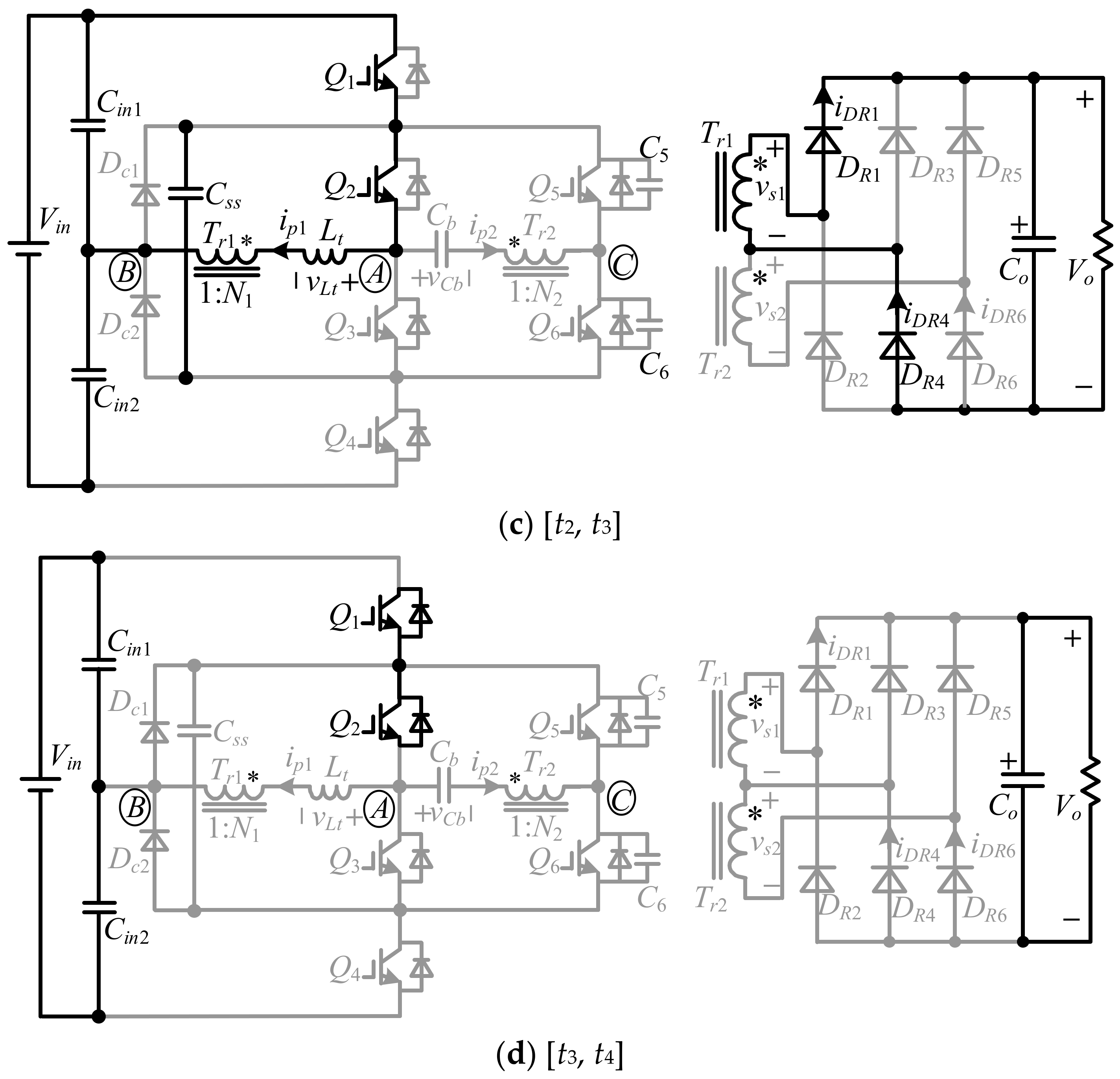
The key waveforms of the proposed converter are given in Figure 2. The switches Q1/Q2 and Q3/Q4 in the three-level unit are complementarily switched at a fixed 50% duty cycle with a dead time. Q5 and Q6 use PWM chopping control and have the same turn-on time as Q3 and Q1, respectively. The Cin1 and Cin2 are identical and large enough so that the input voltage, Vin, is considered constant at the steady state and identically divided by the two capacitors. Considering symmetry, a half-switching cycle over four modes was studied and is depicted in Figure 3.
(1) Mode 1 [t0, t1]: At t0, Q3 and Q4 are turned off, and Q1, Q2, and Q6 are turned on. Due to the fact that there are no currents flowing through all switches before t0, Q1, Q2, and Q6 are turned on with the ZCS condition. As shown in Figure 3a, active power is transferred from source to load through two transformers. At the input side, the primary current (ip1) of transformer Tr1 flows through Q1, Q2, primary winding of Tr1, Lt, and Cin1; the primary current (ip2) of transformer Tr2 flows through Q1, Q2, Cb, primary winding of Tr2, Q6, Dc2, and Cin1; and vAB = vAC = Vin/2. At the output side, the current flows through the secondary windings of Tr1 and Tr2, and through DR1 and DR6. The leakage inductance of Tr1 is involved in the transmission inductance, Lt, and the leakage inductance of Tr2 is represented as Llk, which is not shown in Figure 1. The voltages across the Lt, Cb, and Llk are represented as vLt, vCb, and vLlk, respectively. Therefore, the voltages of the secondary windings of Tr1 and Tr2, and vs1 and vs2, respectively, can be derived as follows:
v s 1 t = N 1 V i n / 2 v L t t v s 2 t = N 2 V i n / 2 v C b t v L l k t
The voltages vLt and vLlk can be expressed as follows:
v L t     t = L t d i p 1 t d t v L l k t = L l k d i p 2 t d t
For the blocking capacitor, Cb, we have the following:
i p 2 t = C b d v C b t d t
For the output side, we have the following:
i D R 1 t = i D R 6 t = i p 1 t N 1 = i p 2 t N 2
v s 1 t + v s 2 t = V o
where iDR1 and iDR6 are the currents flowing through DR1 and DR6, respectively.
Substitution of (1)~(4) into (5), and we can have the following:
L l k + N 1 2 N 2 2 · L t C b · d 2 v C b t d t 2 + v C b t = N 1 + N 2 V i n 2 V o 2 N 2
At t0, the value of vCb is vCb(t0) and ip2(t0) = 0, and (7) can be obtained from (6):
v C b t N 1 + N 2 V i n 2 V o 2 N 2 2 + 1 N 2 N 1 2 · L t + N 2 2 · L l k C b i p 2 t 2 = N 1 + N 2 V i n 2 V o 2 N 2 v C b t 0 2
According to the analysis, the equivalent circuit reflecting to the secondary sides of transformers is given in Figure 4, and we have the following:
v C b t = N 1 + N 2 V i n 2 V o 2 N 2 + v C b t 0 N 1 + N 2 V i n 2 V o 2 N 2 cos ω r t t 0
i p 2 t = 2 N 2 v C b t 0 N 1 + N 2 V i n + 2 V o 2 N 2 ω r s i n ω r t t 0
where we have the following:
ω r = N 2 N 1 2 · L t + N 2 2 · L l k · C b   Z r = N 2 N 1 2 · L t + N 2 2 · L l k C b
(2) Mode 2 [t1, t2]: At t1, Q6 is turned off. Due to C5 and C6, the rise rate of the voltage across Q6 is limited, and Q6 achieves ZVS turn-off. When C5 is charged to Vin/2 and C6 is discharged to zero, the anti-parallel diode of Q5 naturally conducts, and ip2 flows through it. Then ip2 flows through Q2, the primary winding of Tr2, Cb, and the anti-parallel diode of Q5, and it should be noted that vCb(t1) is positive now and, thus, ip2 will decay rapidly with the help of vCb. At the output side, the current flowing through the secondary winding of Tr2 also decays rapidly while the current is flowing through the secondary winding of Tr1 almost unchanged; thus, DR4 conducts to compensate for the reduced current of Tr2. In other words, both DR4 and DR6 conduct in this mode. At t2, both ip2 and iDR6 are decayed to zero; hence, the circulating currents are removed from Q2, Q5, and Tr2, and DR6 is turned off with the ZCS condition. The voltage vCb is considered to be constant during the mode because the time interval [t1, t2] is very short:
v C b t = v C b t 1 v C b t 2
i p 1 t = i p 1 t 1 V 0 N 1 V i n 2 t t 1 L t   i p 2 t = i p 2 t 1 v C b t 1 t t 1 L l k
i D R 4 t = i D R 1 t i D R 6 t
(3) Mode 3 [t2, t3]: As shown in Figure 3c, the current loop of ip1 is still the same as that in Modes 1 and 2, while at the output side, the current flows through DR4, the secondary winding of Tr1 and DR1. Thus, the voltage across the secondary winding of Tr1 is clamped at Vo, and ip1 has the same expression as (12), and it decreases to zero at t3. Moreover, vCb stays constant in this mode:
i p 1 t = i p 1 t 2 V o N 1 V i n 2 t t 2 L t
i D R 1 t = i D R 4 t = i p 1 t N 1
v C b t = v C b t 2 = v C b t 3
For the proper operation of the converter, Vin/2 must be lower than Vo/N1, as ip1 decays linearly in this mode.
(4) Mode 4 [t3, t4]: As shown in Figure 3d, at t3, ip1, iDR1, and iDR4 decrease to zero, and DR1 and DR4 are turned off with ZCS. Although Q1 and Q2 are still ON, the voltage across the secondary winding of Tr1 is lower than Vo, and, thus, there is no current flowing through them, and vCb remains unchanged in this mode. The load is only supplied by Co. At t4, Q1 and Q2 are turned off with ZCS, while Q2, Q3, and Q5 are turned on with the ZCS condition. Moreover, the voltage of Q5 equals vCb(t3) and is relatively lower than Vin in this mode, meaning that Q5 is turned on with the approximate ZVZCS condition.
According to the above analysis, it can be seen that the four main IGBT switches, Q1~Q4, realize ZCS turn-on and turn-off; and the two auxiliary IGBT switches, Q5 and Q6, realize ZVZCS turn-on and ZVS turn-off. Due to the fact that the current flowing through the auxiliary IGBTs is relatively lower than that in the main IGBTs, the switching losses of the converter can be reduced significantly, and, moreover, the circulating current in the primary side of Tr2 is also eliminated and the conduction losses of Q2, Q3, Q5, and Q6 can be reduced further.

3. Converter Design Procedure

For the convenience of design and simulation, the given parameters are as follows: input voltage, Vin, is 1500 V; output voltage, Vo, is 15 kV; rated power, PN, is 2 MW; and the switching frequency, fs, is 1000 Hz.

3.1. Capacitance of Cb

The voltage rating of the blocking capacitor, vCb(t0), is heavily dependent on the capacitance of Cb; in addition, it also determines the time interval of Mode 2 (t1~t2). It is well-known that, the larger the value of Cb, the lower the required voltage rating of Cb is; however, the longer time interval of (t1~t2) is, in other words, generating larger conduction losses in primary side switches.
According to the operation principle and Figure 2, we have the following:
v C b t 0 = v C b t 2 v C b t 1
Substitute (17) into (9), and we have the following:
v C b t 0 = N 1 + N 2 V i n 2 V o 2 N 2 cos ω r t 1 t 0 1 cos ω r t 1 t 0 + 1
Normalize Cb to Cb_nom and vCb(t0) to vCb_nom(t0), and Equation (18) can be rewritten as follows:
v C b _ n o m t 0 = cos a + 1 cos a 1 cos a C b _ n o m 1 cos a C b _ n o m + 1
where we have the following:
a = N 2 N 1 2 · L t + N 2 2 · L m · t 1 t 0
Obviously, the time interval of mode 1 is smaller than the half resonance cycle, which should satisfy the following:
0 < a < π 2 0 < a C b _ n o m   < π 2
Without losing generality, three different values of a (0.1, 0.5 and 1.2) are selected, and vCb_nom(t0) can be drawn versus Cb_nom with (19), as shown in Figure 5. It can be seen that vCb_nom(t0) increases with the decrease of Cb_nom. Taking a = 0.5, for instance, when the Cb_nom is shrunk to 1/7, the vCb_nom(t0) will increase 10 times. Therefore, the Cb should be set relatively larger to keep a smaller voltage rating.
From the analysis in Section 2, the role of Cb is to reset the primary current of Tr2 to zero during the freewheeling state (t1, t3), and, in general, the Cb is set to relatively larger to make the vCb smaller enough compared with the input voltage, Vin. Furthermore, due to the fact that the Llk is smaller than Lt, and N2 is smaller than N1 for the proper operation of the converter, according to Figure 4, the currents of the secondary windings of Tr1 and Tr2 can be simplified as follows:
i p 1 t N 1 = i p 2 t N 2 N 1 + N 2 V i n 2 V o 2 N 1 2 L t t t 0
From (12), we have the following:
i p 2 t 1 = v C b t 1 t 2 t 1 L l k
From (12) and (14), we have the following:
i p 1 t 1 = V 0 N 1 V i n 2 t 3 t 1 L t
Combining (23) and (24) yields, the following:
t 2 t 1 t 3 t 1 = N 2 L l k 2 V o V i n N 1 2 N 1 2 L t v C b t 1
Cb is always charged in Mode 1, and thus we have the following:
C b v C b t 1 v C b t 0 = N 1 + N 2 V i n 2 V o 4 N 1 2 L t N 2 ( t 1 t 0 ) 2
Moreover, the value of Cb can be expressed by the following:
C b = N 1 + N 2 V i n 2 V o 8 N 1 2 L t v C b t 1 N 2 ( t 1 t 0 ) 2

3.2. Turns Ratios N1 and N2

It was mentioned in Section 2 that most of the converter power should be delivered by Tr1 to reduce the switching losses through the proper design of N1 and N2, which is analyzed in this subsection. Only the power transmission during [t0, t4] is analyzed here due to the symmetry operation between two half cycles. Assuming 100% conversion efficiency of the converter and the transmission power, Ptot, during [t0, t4] can be expressed by the following:
P t o t = 2 T s t 0 t 4 V o i D R 1 d t = 2 V o T s t 0 t 3 i D R 1 d t
The power delivered by Tr1 and Tr2 is as follows:
P t r 1 = 2 T s t 0 t 4 V i n 2 i p 1 d t = V i n T s t 0 t 3 N 1 i D R 1 d t = N 1 V i n T s t 0 t 3 i D R 1 d t
P t r 2 = P t o t P t r 1
By combining (28) and (29), we have the following:
P t r 1 P t r 2 = P t r 1 P t o t P t r 1 = N 1 V i n 2 V o N 1 V i n
It can be seen from (31) that Ptr1/Ptr2 is only determined by N1 for the given Vo and Vin, and Figure 6 is illustrated with the given parameters. It can be seen that Ptr1/Ptr2 increases with the increase of N1, and without losing generality, N1 is set to 18, and Ptr1/Ptr2 = 9:1, as shown in Figure 6.
The converter should operate in the critical current continuous mode to reduce the peak current as far as possible under full load condition; in other words, there is no Mode 4:
t 3 t 0 = 0.5 T s
For Lt, the Equation (33) can be obtained by the volt–second balance rule.
N 1 + N 2 V i n 2 V o t 1 t 0 = V o N 1 V i n 2 t 3 t 1
Combining (32) and (33) yields the following:
V o = N 1 + 2 D N 2 V i n 2
where D = (t1t0)/Ts is the duty cycle.
Obviously, D < 0.5, and we have the following:
N 2 > 2 V o V i n N 1
Then N2 should be larger than 2 when N1 = 18.
Under full load condition, Ptr1 can be expressed as follows:
P t r 1 = V i n i p 1 t 1 4
By combining (31) and (36), we have the following:
i p 1 t 1 = 2 N 1 P N V o
i p 2 t 1 = 2 N 2 P N V o
From (38), it can be seen that, the smaller N2 is, the lower ip2(t1) is, which also is the peak current and turn-off current of Q5/Q6. Therefore, to reduce the turn-off losses of Q5/Q6, N2 should be as smaller as possible.

3.3. Transmission Inductance Lt and Llk of Tr2

Under full load condition with (22), (34), and (38), we have the following:
L t = V o T s V o N 1 V i n / 2 N 1 + N 2 V i n / 2 V o 2 N 1 2 N 2 V i n P N
Figure 7 can be illustrated with (39) for the given parameters, and N1 = 18. It can be seen that, the lower N2 is, the smaller the Lt is required to be. However, Lt has a minimum inductance due to the existence of the leakage inductance of Tr1.
From (12), we can find that the time interval of Mode 2 [t1, t2] is determined by Llk. Therefore, Llk should be designed to be as small as possible to shrink the freewheeling state to reduce the conduction losses.

4. Simulation Verification

With the design parameters given in Section 3, we see that N1 = 18, N2 = 4, and Lt = 4.32 μH with (39), and without losing the generality, the Llk is set to 2μH. Three different Cb values (200, 800, and 1400 μF) are selected to compare its influence and represented as Case−A, Case−B, and Case−C, respectively. The simulation results of ip1, ip2, vCb, iDR1, iDR4, and iDR6 are given in Figure 8 and Table 1.
It can be seen that Cb almost has little effect on the ip1(t1), ip2(t1) and (t3-t1), which agrees well with the previous theoretical analysis. Case−A has the largest |vCb(t0)| and also the shortest time interval of Mode 2 (t2-t1). Due to its smallest value of Cb, the currents of ip1 and ip2 show somewhat resonance in Figure 8a. For Case−C, it has the lowest |vCb(t0)| and the longest commutation process of DR6 to DR4.

5. Experimental Results

The switching process and performance of the proposed converter are experimentally verified by a hardware prototype with 150–750 V, 1 kW. The turns ratios are N1 = 9 and N2 = 2, inductors are Lt = 8 μH and Llk = 3 μH, blocking capacitor is Cb = 10 μF, flying capacitor is Css = 1 μF, Q1~Q6 are CRG60T60AK3HD, DR1~DR6 are RHRG30120, and switching frequency is fs = 10 kHz. The prototype converter is shown in Figure 9.
The main waveforms of the proposed three-level converter under rated power are shown in Figure 10 and Figure 11. For each experimental waveform, its corresponding simulation waveform is also given to verify the correction. As seen from Figure 10a, the current of ip2 rapidly falls to zero, while the current ip1 slowly decays to zero before the auxiliary switches are turned off. As seen from Figure 10b,c, all the currents flowing through the rectifier diodes linearly fall to zero without reverse recovery losses. The experimental waveforms match well with both the theoretical and simulation waveforms.
Figure 11 shows the gate–emitter voltage, νGE; the collector–emitter voltage, νCE; and the collector current of the switches, Q1, Q3, and Q6. For the main switches, Q1 and Q3, they are turned on and off with ZCS condition, while for the auxiliary switch, Q6, it is turned off with ZVS and turned on with ZVZCS condition. Since iQ1 in Mode 1 is the sum of ip1 and ip2, and only ip1 in Mode 2, there is a phenomenon of current drop, as shown in the dotted box in Figure 11a.
Compared to Reference [20], the remarkable feature of the proposed converter is that the primary side conduction losses of Q2, Q3, Q5, Q6, and Tr2 are decreased due to the rapid decline of ip2, and if Cb, DR3, and DR4 are removed from the converter, the converter will have a similar operation principle to that in Reference [20].
To show the advantages of the introduced blocking capacitor, Figure 12 shows the comparison between the efficiencies of the proposed converter and that, without Cb, DR3, and DR4, it is obvious that, due to the reduced conduction losses of Q2, Q3, Q5, Q6, and Tr2, the proposed converter has a higher efficiency.

6. Conclusions

A hybrid three-level ZVZCS converter was proposed and analyzed in this paper for photovoltaic power connecting to an MVDC collection system. The outstanding feature of the converter is that it allows four main switches to operate with ZCS turn-on and turn-off and two auxiliary switches to operate with ZVZCS turn-on and ZVS turn-off. Moreover, the proposed converter has an additional blocking capacitor, which is used to eliminate the useless circulating current in the primary side of auxiliary full bridge cell, leading to reduced conduction losses and 0.3% higher conversion efficiency. The operation principle of the proposed converter was analyzed in detail and verified by a 1 kW prototype.

Author Contributions

Conceptualization, R.H.; methodology, X.H.; software, X.H.; validation, X.H.; formal analysis, X.H.; investigation, X.H.; resources, W.C.; data curation, R.H.; writing—original draft preparation, X.H.; writing—review and editing, X.H.; visualization, X.H.; supervision, R.H.; project administration, R.H.; funding acquisition, W.C. All authors have read and agreed to the published version of the manuscript.

Funding

This research received no external funding.

Institutional Review Board Statement

Not applicable.

Informed Consent Statement

Not applicable.

Data Availability Statement

Not applicable.

Conflicts of Interest

The authors declare no conflict of interest.

References

  1. Elnozahy, A.; Yousef, A.M.; Ghoneim, S.S.M.; Abdelwahab, S.A.M.; Mohamed, M.; Abo-Elyousr, F.K. Optimal economic and environmental indices for hybrid PV/Wind-based battery storage system. J. Electr. Eng. Technol. 2021, 16, 2847–2862. [Google Scholar] [CrossRef]
  2. Saleh, B.; Yousef, A.M.; Ebeed, M.; Elnozahy, A.; Mohamed, M.; Abdelwahab, S.A.M. Design of PID controller with grid connected hybrid renewable energy system using optimization algorithms. J. Electr. Eng. Technol. 2021, 16, 3219–3233. [Google Scholar] [CrossRef]
  3. Elnozahy, A.; Yousef, A.M.; Abo-Elyousr, F.K.; Mohamed, M.; Abdelwahab, S.A.M. Performance improvement of hybrid renewable energy sources connected to the grid using artificial neural network and sliding mode control. J. Power Electron. 2021, 21, 1166–1179. [Google Scholar] [CrossRef]
  4. Saleh, B.; Yousef, A.M.; Abo-Elyousr, F.K.; Mohamed, M.; Abdelwahab, S.A.M.; Elnozahy, A. Performance analysis of maximum power point tracking for two techniques with direct control of photovoltaic grid-connected systems. Energy Sources Part A Recovery Util. Environ. Eff. 2022, 44, 413–434. [Google Scholar] [CrossRef]
  5. Graeme, B.; George, H.; Lalit, T. MVDC—The new technology for distribution networks. In Proceedings of the 11th IET International Conference on AC and DC Power Transmission, Birmingham, UK, 10–12 February 2015; pp. 1–5. [Google Scholar]
  6. Boroyevich, D.; Cvetković, I.; Dong, D.; Burgos, R.; Wang, F.; Lee, F. Future Electronic Power Distribution Systems–A contemplative view. In Proceedings of the 12th International Conference on Optimization of Electrical and Electronic Equipment, Brasov, Romania, 20–22 May 2010; pp. 1369–1380. [Google Scholar]
  7. Boroyevich, D.; Cvetkovic, I.; Burgos, R.; Dong, D. Intergrid: A Future Electronic Energy Network? IEEE J. Emerg. Sel. Top. Power Electron. 2013, 1, 127–138. [Google Scholar] [CrossRef]
  8. Kakigano, H.; Miura, Y.; Ise, T. Low-voltage bipolar-type DC microgrid for super high quality distribution. IEEE Trans. Power Electron. 2010, 25, 3066–3075. [Google Scholar] [CrossRef]
  9. Stieneker, M.; De Doncker, R.W. Medium-voltage DC distribution grids in urban areas. In Proceedings of the 2016 IEEE 7th International Symposium on Power Electronics for Distributed Generation Systems (PEDG), Vancouver, BC, Canada, 27–30 June 2016; pp. 1–7. [Google Scholar]
  10. Qu, L.; Yu, Z.; Song, Q.; Yuan, Z.; Zhao, B.; Yao, D.; Chen, J.; Liu, Y.; Zeng, R. Planning and analysis of the demonstration project of the MVDC distribution network in Zhuhai. Front. Energy 2019, 13, 120–130. [Google Scholar] [CrossRef]
  11. Chen, W.; Alex, Q.H.; Li, C.; Wang, G.; Gu, W. Analysis and comparison of medium voltage high power DC/DC converters for offshore wind energy systems. IEEE Trans. Power Electron. 2013, 28, 2014–2023. [Google Scholar] [CrossRef]
  12. Stevanović, B.; Serban, E.; Vasić, M.; Ordonez, M.; Cóbreces, S.; Alou, P. Energy Harvesting Comparison and Analysis in 1000V and 1500V Grid-Connected PV Systems. In Proceedings of the Energy Conversion Congress and Exposition (ECCE) 2020 IEEE, Detroit, MI, USA, 11–15 October 2020; pp. 116–123. [Google Scholar]
  13. Yao, Z.; Lu, S. Voltage self-balance mechanism based on zero-voltage switching for three-level DC–DC converter. IEEE Trans. Power Electron. 2020, 35, 10078–10087. [Google Scholar] [CrossRef]
  14. Lu, C.; Hu, W.; Zhang, W.; Fred, C.L. Comparison of three-level cell topology and control for solid state transformer. In Proceedings of the 2021 IEEE 4th International Electrical and Energy Conference (CIEEC), Wuhan, China, 28–30 May 2021; pp. 1–6. [Google Scholar]
  15. Mishima, T.; Koji, Y. Zero voltage soft-switching phase-shift PWM controlled three-level DC-DC converter for railway auxiliary electric power unit. In Proceedings of the IEEE Applied Power Electronics Conference and Exposition (APEC), Anaheim, CA, USA, 17–21 March 2019; pp. 1716–1721. [Google Scholar]
  16. Liu, D.; Wang, Y.; Zhang, Q.; Chen, Z. ZVZCS full-bridge three-level DC/DC converter with reduced device count. IEEE Trans. Power Electron. 2020, 35, 9965–9970. [Google Scholar] [CrossRef]
  17. Shi, Y.; Wang, X.; Xi, J.; Gui, X.W.; Yang, X. Wide load range ZVZCS three-level DC–DC converter with compact structure. IEEE Trans. Power Electron. 2019, 34, 5032–5037. [Google Scholar] [CrossRef]
  18. Khodabakhsh, J.; Rasoulinezhad, R.; Moschopoulos, G. Using multilevel ZVZCS converters to improve light-load efficiency in low power applications. IEEE Trans. Power Electron. 2019, 34, 11536–11540. [Google Scholar] [CrossRef]
  19. Shi, Y.; Xi, J.; Wang, X.; Gui, X.W.; Yang, X. Large-power ZVZCS full-bridge three-level DC–DC converter with wide operation range and its application in sapphire crystal furnace power supply. IEEE J. Emerg. Sel. Top. Power Electron. 2020, 8, 4194–4208. [Google Scholar] [CrossRef]
  20. Ning, G.F.; Chen, W.; Shu, L.C.; Zhao, J.; Cao, W.; Mei, J.; Liu, C.; Qiao, G. A hybrid resonant ZVZCS three-level converter for MVDC-connected offshore wind power collection systems. IEEE Trans. Power Electron. 2018, 33, 6633–6645. [Google Scholar] [CrossRef]
Figure 1. Proposed ZVZCS TL converter.
Figure 1. Proposed ZVZCS TL converter.
Energies 15 05365 g001
Figure 2. Key waveforms of the proposed converter.
Figure 2. Key waveforms of the proposed converter.
Energies 15 05365 g002
Figure 3. Operation circuits of four modes in the first half cycle: (a) Mode 1, (b) Mode 2, (c) Mode 3, and (d) Mode 4.
Figure 3. Operation circuits of four modes in the first half cycle: (a) Mode 1, (b) Mode 2, (c) Mode 3, and (d) Mode 4.
Energies 15 05365 g003aEnergies 15 05365 g003b
Figure 4. Equivalent circuit of Mode 1 reflecting to the secondary side.
Figure 4. Equivalent circuit of Mode 1 reflecting to the secondary side.
Energies 15 05365 g004
Figure 5. Curve of vCb_nom(t0).
Figure 5. Curve of vCb_nom(t0).
Energies 15 05365 g005
Figure 6. Power distribution versus N1.
Figure 6. Power distribution versus N1.
Energies 15 05365 g006
Figure 7. Relationship of Lt versus N2 when N1 = 18.
Figure 7. Relationship of Lt versus N2 when N1 = 18.
Energies 15 05365 g007
Figure 8. Simulation waveforms of three cases: (a) Case−A, (b) Case−B, and (c) Case−C.
Figure 8. Simulation waveforms of three cases: (a) Case−A, (b) Case−B, and (c) Case−C.
Energies 15 05365 g008
Figure 9. The picture of the prototype.
Figure 9. The picture of the prototype.
Energies 15 05365 g009
Figure 10. Main waveforms under rated power condition. (a) Driving signal of Q1 vGEQ1, vCb, ip1, and ip2; (b) vGEQ1, vCb, and iDR1; and (c) vGEQ1, vCb, iDR6, and iDR4.
Figure 10. Main waveforms under rated power condition. (a) Driving signal of Q1 vGEQ1, vCb, ip1, and ip2; (b) vGEQ1, vCb, and iDR1; and (c) vGEQ1, vCb, iDR6, and iDR4.
Energies 15 05365 g010
Figure 11. Driving signal νGE, the collector-emitter voltage νCE, and the current of the switches. (a) Q1, (b) Q3, and (c) Q6.
Figure 11. Driving signal νGE, the collector-emitter voltage νCE, and the current of the switches. (a) Q1, (b) Q3, and (c) Q6.
Energies 15 05365 g011
Figure 12. Efficiency comparison.
Figure 12. Efficiency comparison.
Energies 15 05365 g012
Table 1. Comparison of simulation results of three cases.
Table 1. Comparison of simulation results of three cases.
ParameterCase−ACase−BCase−C
|vCb(t0)| (V)388.998.09557.34
ip1(t1) (A)4567.94594.94583.1
ip2(t1) (A)1015.11021.11018.5
(t2-t1) (μs)5.221.336.4
(t3-t1) (μs)225.1234.2226.3
Publisher’s Note: MDPI stays neutral with regard to jurisdictional claims in published maps and institutional affiliations.

Share and Cite

MDPI and ACS Style

He, X.; Hu, R.; Chen, W. A Hybrid Three-Level ZVZCS Converter for Photovoltaic Power Connecting to MVDC Collection System. Energies 2022, 15, 5365. https://doi.org/10.3390/en15155365

AMA Style

He X, Hu R, Chen W. A Hybrid Three-Level ZVZCS Converter for Photovoltaic Power Connecting to MVDC Collection System. Energies. 2022; 15(15):5365. https://doi.org/10.3390/en15155365

Chicago/Turabian Style

He, Xiaokun, Renjie Hu, and Wu Chen. 2022. "A Hybrid Three-Level ZVZCS Converter for Photovoltaic Power Connecting to MVDC Collection System" Energies 15, no. 15: 5365. https://doi.org/10.3390/en15155365

APA Style

He, X., Hu, R., & Chen, W. (2022). A Hybrid Three-Level ZVZCS Converter for Photovoltaic Power Connecting to MVDC Collection System. Energies, 15(15), 5365. https://doi.org/10.3390/en15155365

Note that from the first issue of 2016, this journal uses article numbers instead of page numbers. See further details here.

Article Metrics

Back to TopTop