Modern Methods of Strengthening and Sealing Salt Mines
Abstract
:1. Introduction
2. Water Inflow through the Mine Workings Reaching the Ground Surface
2.1. Drilling Holes and Injection Technology
- -
- Slurry pumping expenditure from 75 to 170 dm3/min.
- -
- Drill string lifting speed from 0.2 to 0.4 m/min.
- -
- Drill speed from 22.5 to 125.0 rpm.
- -
- Number of injection nozzles 2.
- -
- Diameter of injection nozzles from 2 to 3 mm.
2.2. System for Monitoring the Sealing Process in the Kosciuszko Shaft
- (a)
- Normal—If the displacement has reached the value of ±0.5 mm/1 m, injection works can still be carried out, but with a reduced output of the pumping pump and the pressure of pumping the slurry not increasing.
- (b)
- Warning—If the displacement has reached the value of ±1.5 mm/1 m, stop pumping the slurry and observe the displacement in the shaft housing and the pressure on the pressure gauge of the discharge pump. After the technological break and the deformation returns to normal, the injection of the slurry can be repeated, but with a reduced slurry expenditure.
- -
- Maintenance of the admissible pressure of slurry indicated on the pump for 10 min.
- -
- Forcing the permissible volume of the slurry into the injection zone.
- -
- The displacement of the shaft casing, recorded with control and measurement equipment, exceeding the value of ±3.0 mm/1 m, then the injection of the slurry should be stopped immediately and a stand-up position should be ordered, carrying out intensive monitoring and analysis of the situation. Only after returning to the normal state (±0.5 mm/1 m), injection works can be resumed.
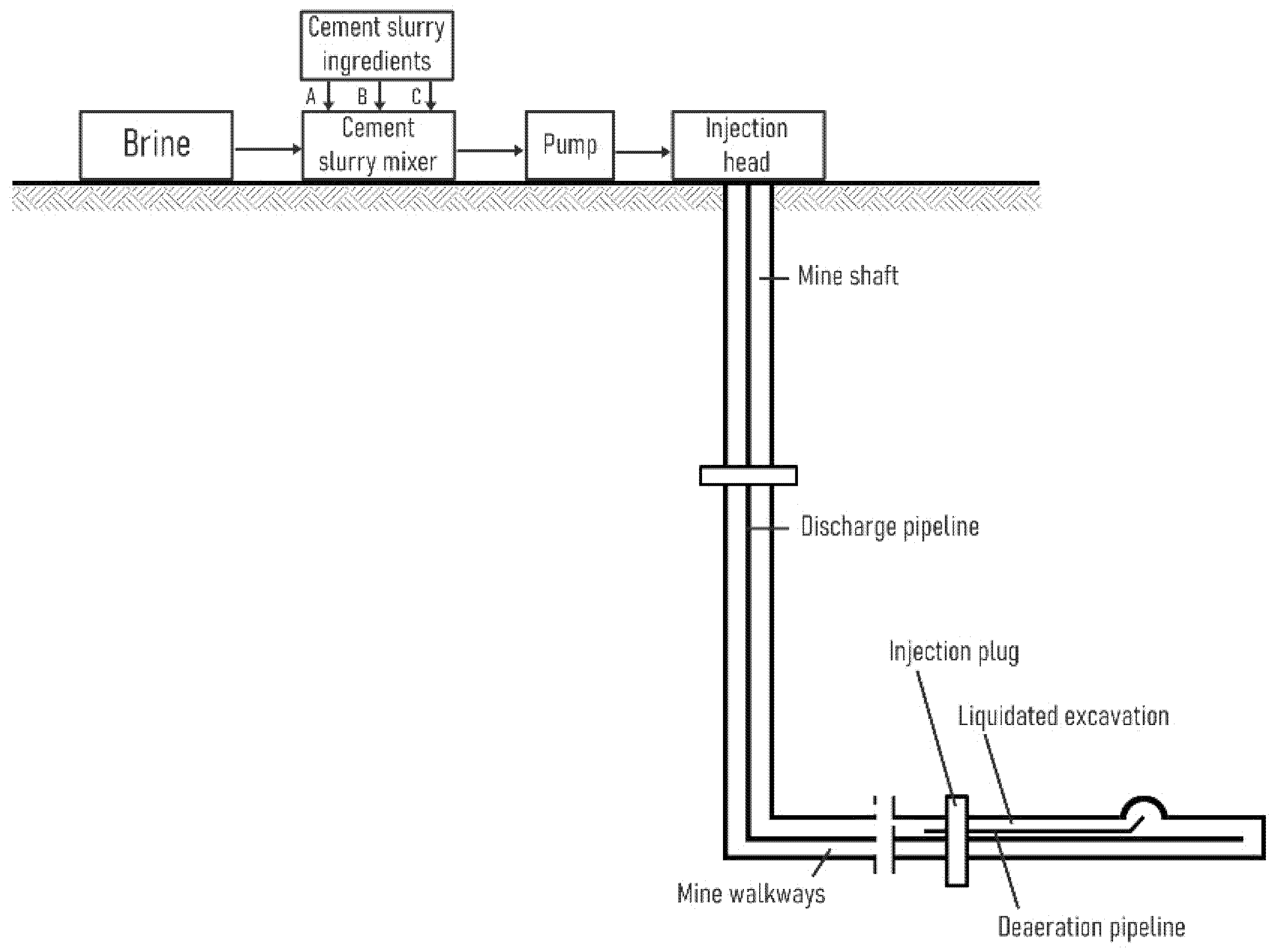
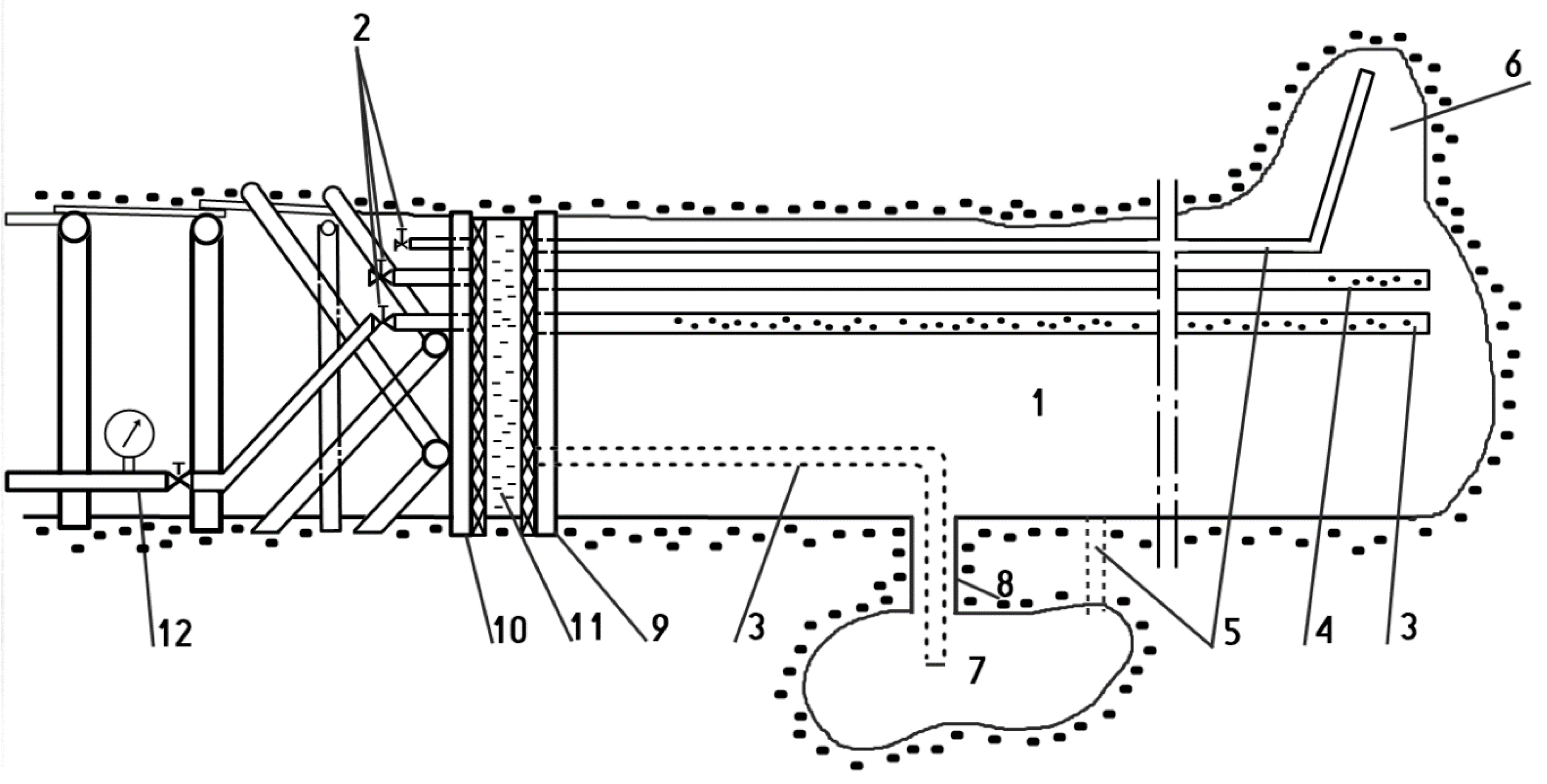
3. Pipeline Injection
- -
- How to transport huge amounts of materials (binders, additives, and admixtures) included in the formulas of sealing slurries [23,24,25] to their destination, if there are no rails enabling the transport of materials, the excavations were approximately 4 m2 in diameter, and in some places there were embankments rocks from the ceiling.
- -
- As in the workings described above, make a continuous large volume of cement slurry.
- -
- Where to find a place to set up pumps for slurry injection.
- -
- What are the recipes of the slurries for filling the voids in the transverse ends and how to secure the given section of the transverse section to ensure that the prepared slurry will not spill uncontrolled and will ensure tight filling of the voids to be liquidated.
- -
- Thanks to the preparation of the sealing slurry on the surface, it is not necessary to transport individual components through the shaft deep into the mine, thus shortening the time of filling the voids in the rock mass.
- -
- -
- Using the technology of surface injection of the sealing slurry, the time of people staying in the area of the filled excavation is reduced to a minimum, which increases work safety.
- -
- Typical surface equipment can be used to prepare the slurry, which does not have to meet the stringent requirements of mining regulations regarding the use of devices and machines in underground workings.
- -
- Having appropriate machines, devices and equipment for the preparation and injection of the slurry into the closed mining excavations.
- -
- Designing the arrangement of discharge, air-pressure and vent pipelines in the liquidated rock mass space.
- -
- Control of gate valves, which are mounted on each pipeline in front of the sealing plug.
- -
- Exercise particular caution when overvoltage of the pipeline supplying the slurry to the liquidated area from the discharge pipeline to the venting and pressure pipeline and, in the final phase, to the deaeration pipeline.
4. Conclusions
- 1.
- Water inflow is a problem for any mine. It is particularly dangerous if water inflow occurs in salt mines located in unfavorable geological and hydrogeological conditions, additionally with large amounts of water inflow and with a significant share of the solid phase. Such a case took place in the Mina crosshead in the “Wieliczka” Salt Mine.
- 2.
- In order to limit the inflow of water to the Kosciuszko Shaft, a vertical anti-filtration screen was designed in the vicinity of its outer casing. The use of the main jet-grouting method and a supplementary method of pressure injection to seal the subsurface anthropogenic embankment under the floor slab of the shaft basement has proved to be an effective technology.
- 3.
- To ensure the safety of the Kosciuszko shaft casing, a special control and measurement system was designed and installed, which during the injection works signaled one of the three states of the casing: normal, warning or alarm. In the case of the jet grouting technology used to strengthen and seal the shaft lining, it is recommended to monitor displacements and use video monitoring as well as to constantly control changes in the inclination of the shaft components during injection.
- 4.
- The use of the pipeline injection method is recommended for the reconstruction of the internal safety pillar and for tight filling of voids in mines, especially salt.
- 5.
- Pipeline injection technology, compared to other methods of tight filling of voids in mines, is characterized by:
- -
- Reduced transport time of materials from the ground surface to their final destination, thus shortening the time of filling voids in the rock mass.
- -
- More favorable conditions for making the slurry on the ground surface than in mining excavations.
- -
- Shorter time spent by employees in the area of the filled excavation compared to underground methods, which increases work safety.
- 6.
- After eliminating the cross-sections in the northern part of the Wieliczka salt deposit, the conducted gravimetric and microgravimetric studies as well as hydrogeological observations confirmed a significant reconstruction of the northern surroundings of the salt deposit.
Author Contributions
Funding
Institutional Review Board Statement
Informed Consent Statement
Data Availability Statement
Conflicts of Interest
References
- Hanik, M.; Klimowski, S. Wieliczka Siedem Wieków Polskiej Soli; Interpress: Warszawa, Poland, 1988. [Google Scholar]
- Porzucek, S.; Loj, M.; d’Obyrn, K. Surface Microgravity Monitoring of Underground Water Migration: A Case Study in Wieliczka, Poland. Energies 2022, 15, 4012. [Google Scholar] [CrossRef]
- Team under Supervision of Aleksander Garlicki. Studium Możliwości Likwidacji Zagrożenia Wodnego Dla Zabytkowej Kopalni Soli Wieliczka za Pomocą Bariery Drenażowej Lub Ekranu Izolującego; Projekt Badawczy Zamawiany KBN nr PBZ 066-01. Faculty of Geology, Geophysics and Environment Protection, AGH University of Science and Technology: Kraków, Poland, 1995; Unpublished work. [Google Scholar]
- Garlicki, A.; Gonet, A.; Stryczek, S. Reinforcement of Saline Rock Mass on the Example of the Salt Mine Wieliczka. Frontiers of Rock Mechanics and Sustainable Development in the 21th Century. In Proceedings of the ISRM International Symposium: Second Asian Rock Mechanics Symposium, Beijng, China, 11–14 September 2001; pp. 581–583. [Google Scholar]
- Sun, Y.; Li, G.; Zhang, J.; Qian, D. Stability Control for the Rheological Roadway by a Novel High-Efficiency Jet Grouting Technique in Deep Underground Coal Mines. Sustainability 2019, 11, 6494. [Google Scholar] [CrossRef] [Green Version]
- Guan, C.; Yang, Y. Field Study on the Waterstop of the Rodin Jet Pile Method in a Water-Rich Sandy Gravel Stratum. Appl. Sci. 2019, 9, 1709. [Google Scholar] [CrossRef] [Green Version]
- Cao, C.; Shi, C.; Lei, M. A Simplified Approach to Design Jet-Grouted Bottom Sealing Barriers for Deep Excavations in Deep Aquifers. Appl. Sci. 2019, 9, 2307. [Google Scholar] [CrossRef] [Green Version]
- Gonet, A.; Stryczek, S. Projekt Techniczno-Technologiczny Wzmocnienia Górotworu w Otoczeniu Poprzeczni Mina Pomiędzy Tamą Wodną a Tamą T-4. Faculty of Drilling, Oil and Gas, AGH University of Science and Technology: Kraków, Poland, 1993; Unpublished work. [Google Scholar]
- Materiały Sympozjum Warsztaty 2001 nt. “Zagrożeń Naturalnych w Górnictwie”, Polska Akademia Nauk, Wieliczka, 29 May–1 June 2001.
- Gonet, A.; Stryczek, S.; Winid, B. Opracowanie Sposobu Likwidacji Otworu Podsadzkowego TP-17, na Odcinku od Powierzchni Terenu do Stropu Komory Lebzeltern w Kopalni Soli “Wieliczka”. Faculty of Drilling, Oil and Gas, AGH University of Science and Technology: Kraków, Poland, 2005; Unpublished work. [Google Scholar]
- Gonet, A.; Stryczek, S.; Brudnik, K. Technologia likwidacji otworów podsadzkowych w kopalniach soli. Drill. Oil Gas 2008, 25, 293–298. [Google Scholar]
- Severino, A.; Wahrhaftig, A.d.M.; Tiutkin, O.; Gubashova, V.; Neduzha, L. Effective Jet-Grouting Application for Improving the State of Deformation of Landmarks. Buildings 2022, 12, 368. [Google Scholar] [CrossRef]
- Gonet, A.; Stryczek, S.; Wojnar, W. Projekt Robót Geologicznych dla Rozpoznania Warunków Geologiczno-Inżynierskich W rejonie szybu Kościuszko w Kopalni Soli “Wieliczka”. WWNiG: Kraków, Poland, 2013; Unpublished work. [Google Scholar]
- Gonet, A.; Stryczek, S. Opracowanie Technologii Uszczelniania Szybów Górniczych Przez Kopalnię Soli “Wieliczka”. WWNiG: Kraków, Poland, 2015; Unpublished work. [Google Scholar]
- Inazumi, S.; Shakya, S.; Komaki, T.; Nakanishi, Y. Numerical Analysis on Performance of the Middle-Pressure Jet Grouting Method for Ground Improvement. Geosciences 2021, 11, 313. [Google Scholar] [CrossRef]
- PN-EN 12716; Wykonawstwo Specjalnych Robót Geotechnicznych-Iniekcja Strumieniowa. Polski Komitet Normalizacyjny: Warszawa, Poland, 2002.
- Farhangi, V.; Karakouzian, M.; Geertsema, M. Effect of Micropiles on Clean Sand Liquefaction Risk Based on CPT and SPT. Appl. Sci. 2020, 10, 3111. [Google Scholar] [CrossRef]
- Kremieniewski, M. Rola plastyfikatora w projektowaniu zaczynu lekkiego o podwyższonej stabilności sedymentacyjnej. Nafta-Gaz 2019, 9, 571–578. [Google Scholar] [CrossRef]
- Kremieniewski, M.; Błaż, S.; Stryczek, S.; Wiśniowski, R.; Gonet, A. Effect of Cleaning the Annular Space on the Adhesion of the Cement Sheath to the Rock. Energies 2021, 14, 5187. [Google Scholar] [CrossRef]
- Verfel, J. Injektovani Hornin a Vystavba Podziemnych Sten; MUS: Bradlo, Slovakia; Bratislava, Slovakia, 1992. [Google Scholar]
- Stryczek, S.; Gonet, A.; Pawlikowska, J. Iniekcja Otworowa. Arkada 1999, 2, 22–23. [Google Scholar]
- Jaśkowski, W.; Lipecki, T. Projekt Wykonania Instalacji Monitorującej Przebieg Uszczelniania Szybu Górniczego Wraz z jej Zabudową w Szybie Kościuszko od Zrębu Szybu do Poziomu I. FAGH: Kraków, Poland, 2014; Unpublished work. [Google Scholar]
- Gonet, A.; Stryczek, S.; Mazurek, J. Projekt Techniczny Doszczelniania Poprzeczni Kunegunda i Poniatowski Oraz Szczelnej Likwidacji chodnika Dobudowa do Szybu Regis Wraz z Występującym w Jego Czole Wyciekiem W II w-7. Faculty of Drilling, Oil and Gas, AGH University of Science and Technology: Krakow, Poland, 1995; Unpublished work. [Google Scholar]
- Kremieniewski, M. Influence of Graphene Oxide on Rheological Parameters of Cement Slurries. Energies 2020, 13, 5441. [Google Scholar] [CrossRef]
- Kremieniewski, M. Wpływ drobnoziarnistej krzemionki na parametr czasu oczekiwania na cement—WOC. Nafta-Gaz 2019, 11, 683–690. [Google Scholar] [CrossRef]
- Gonet, A.; Stryczek, S. Sposób wypełniania pustych przestrzeni górotworu Opis patentowy PL 170267 B1.—Zgłosz nr 299334 z dn 1993-06-14; Opubl. 1996-11-29. Available online: https://uprp.gov.pl/sites/default/files/wup/1996/11/wup11_1996.pdf (accessed on 13 June 2022).
- Gonet, A.; Stryczek, S.; Garlicki, A.; Szybist, A. Projekt Techniczny Likwidacji Poprzeczni Mina na Odcinku od Tamy Wodnej do Tamy T-4 w Kopalni Soli “Wieliczka”. Faculty of Geology, Geophysics and Environment Protection, AGH University of Science and Technology: Krakow, Poland, 2011; Unpublished work. [Google Scholar]
- Kremieniewski, M. Ultra-Lightweight Cement Slurry to Seal Wellbore of Poor Wellbore Stability. Energies 2020, 13, 3124. [Google Scholar] [CrossRef]
- Kremieniewski, M. Zmiana wczesnej wytrzymałości na ściskanie pod wpływem wybranych środków poprawiających stabilność sedymentacyjną. Nafta-Gaz 2020, 7, 466–473. [Google Scholar] [CrossRef]
- Stryczek, S.; Gonet, A. Dobór Zaczynów do Wzmacniania Górotworu Solnego; Materiały Sympozjum Warsztaty 2001. Zagrożenia naturalne w górnictwie, Wieliczka, 29 maja–1 czerwca 2001. Polska Akademia Nauk IGSMiE: Krakow, Poland, 2001; pp. 327–335.
- Gonet, A.; Stryczek, S. Iniekcja Rurociągowa i Otworowa Nowoczesnym Sposobem Zabezpieczania Kopalń. In Proceedings of the Materiały Sympozjum Warsztaty 2001, Wieliczka, Poland, 29 May–1 June 2001; Zagrożenia naturalne w górnictwie; Polska Akademia Nauk IGSMiE: Krakow, Poland, 2001; pp. 319–325. [Google Scholar]
- Kremieniewski, M. Influence of Hblock Fine-Grained Material on Selected Parameters of Cement Slurry. Energies 2022, 15, 2768. [Google Scholar] [CrossRef]
- Kremieniewski, M. Zaczyny o obniżonej gęstości stosowane w warunkach występowania komplikacji w otworze wiertniczym. Nafta-Gaz 2021, 11, 736–743. [Google Scholar] [CrossRef]
- Gonet, A.; Stryczek, S.; Garlicki, A.; Brylicki, W. Protection of Salt Mines against Water Inflow Threat on the Example of Wieliczka Salt Mine: Salt 2000. In Proceedings of the 8th World Salt Symposium, Hague, The Netherlands, 7–11 May 2000; Elsevier: Amsterdam, The Netherlands, 2000; pp. 363–368. [Google Scholar]






| Facies Designation | Facies Thickness, m | Facies Development |
|---|---|---|
| W-1 | 2.0–3.0 | Uncontrolled embankment: concrete rubble, brick rubble, sand or clay mixed with pieces of wood, clay or sand |
| W-2 | 1.0–7.0 | Dusty clay, hard plastic and plastic |
| W-3 | 2.0–3.0 | Dusty clays, soft and liquid dusts |
| W-4 | 3.0–12.5 | Hard plastic loafers |
Publisher’s Note: MDPI stays neutral with regard to jurisdictional claims in published maps and institutional affiliations. |
© 2022 by the authors. Licensee MDPI, Basel, Switzerland. This article is an open access article distributed under the terms and conditions of the Creative Commons Attribution (CC BY) license (https://creativecommons.org/licenses/by/4.0/).
Share and Cite
Gonet, A.; Stryczek, S.; Kremieniewski, M. Modern Methods of Strengthening and Sealing Salt Mines. Energies 2022, 15, 5303. https://doi.org/10.3390/en15145303
Gonet A, Stryczek S, Kremieniewski M. Modern Methods of Strengthening and Sealing Salt Mines. Energies. 2022; 15(14):5303. https://doi.org/10.3390/en15145303
Chicago/Turabian StyleGonet, Andrzej, Stanisław Stryczek, and Marcin Kremieniewski. 2022. "Modern Methods of Strengthening and Sealing Salt Mines" Energies 15, no. 14: 5303. https://doi.org/10.3390/en15145303
APA StyleGonet, A., Stryczek, S., & Kremieniewski, M. (2022). Modern Methods of Strengthening and Sealing Salt Mines. Energies, 15(14), 5303. https://doi.org/10.3390/en15145303

