Power Quality Management Strategy for High-Speed Railway Traction Power Supply System Based on MMC-RPC
Abstract
:1. Introduction
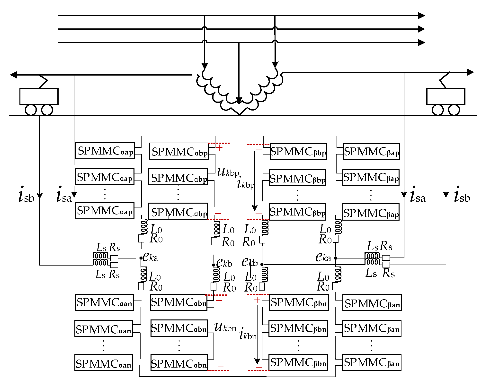
2. Principle of MMC-RPC
2.1. MMC-RPC Model
2.2. Compensation Principle
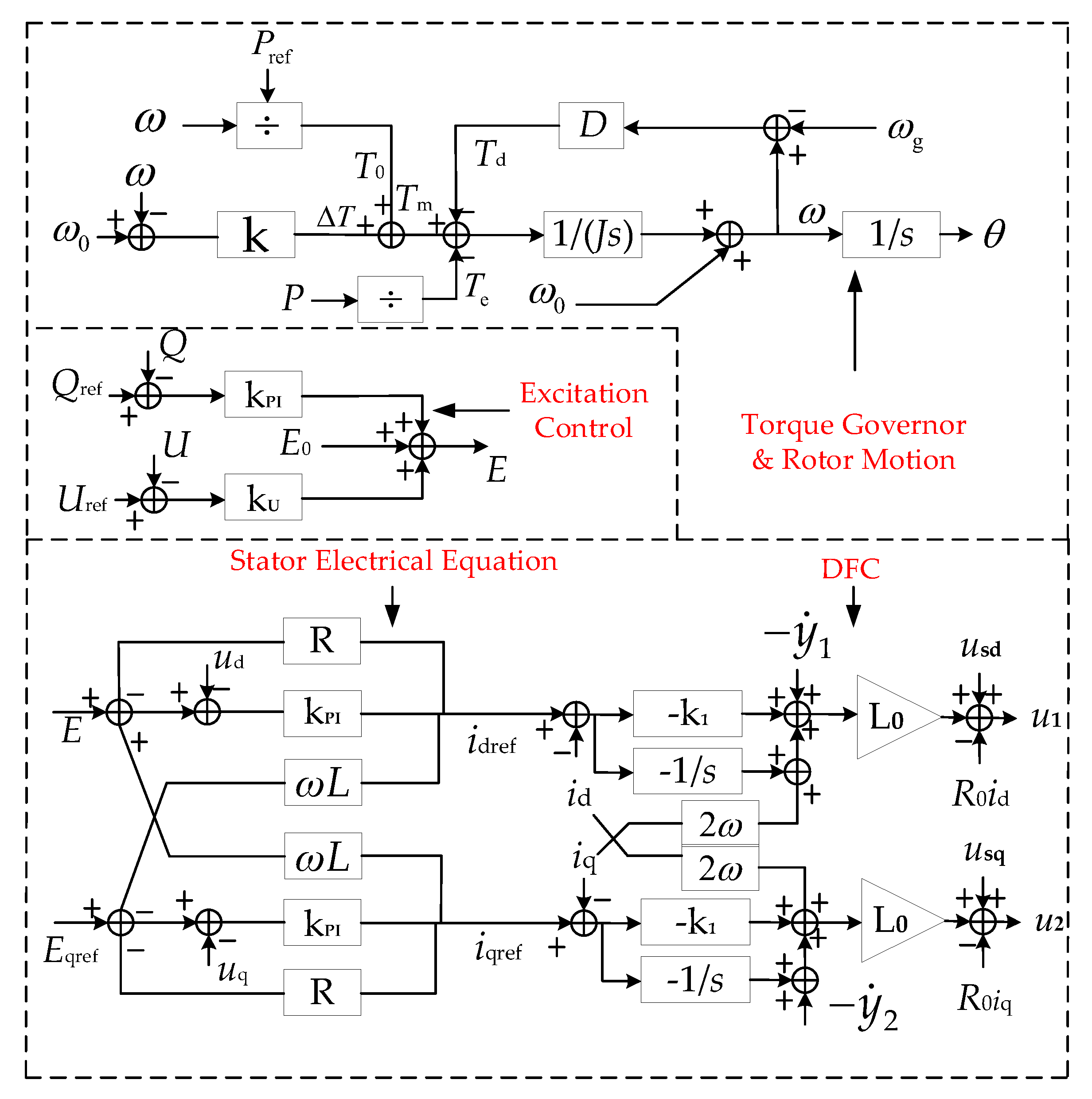
3. VSG Control
3.1. VSG Model
3.2. Design of VSG Controller
3.2.1. Power Loop Design
3.2.2. Inner-Current Loop Design
3.3. Adaptive VSG Control
3.4. Small Signal Analysis of VSG
4. Inner-Loop Control Based on DFC
4.1. Theory of DFC
4.2. Stability Analysis of DFC
5. System Control Strategy Design of MMC-RPC
5.1. Adaptive VSG-DFC Control on Inverter Side
5.2. DC Voltage Three-Level Control on Rectifier Side
5.2.1. System-Level Control on Rectifier Side
5.2.2. Cluster-Group Voltage Control
5.2.3. Inter-Cluster Voltage Control
6. Simulation Analysis
6.1. Verification of the Adaptive VSG-DFC
6.2. Verification of Management Effect under Adaptive VSG-DFC Strategy
7. Conclusions
- (1)
- According to the frequency deviation and frequency derivative of the response, the J and D parameters were adaptively adjusted in the improved VSG control. In the case of sudden change in traction load, the MMC-RPC under the adaptive VSG control has better stability. The small signal analysis verified the stability of VSG control. Adaptive VSG can make the parameters change dynamically, stay away from the unstable region, and maintain the control with more margin. Besides the improved stability, the response speeds of both frequency and power are faster compared with traditional VSG and double closed-loop control, when the MMC-RPC is put into operation or the traction load is suddenly changed;
- (2)
- The DFC has good response speed and stability, which ensures the stable and effective operation of the MMC-RPC. Furthermore, the DFC control on the rectifier side is used to stabilize the DC side voltage. The stability of DFC control was confirmed by stability analysis. By applying the DFC into the inner loop of the adaptive control, both the AC and DC dynamic responses were improved;
- (3)
- Under the adaptive VSG-DFC, the MMC-RPC can realize the bi-directional power control for power supply arms of different phases. Overall, the adaptive VSG-DFC can realize the active power balance, reactive power compensation, and negative sequence current suppression. In addition, it can ensure the current and voltage balance, and realize the comprehensive management of power quality.
Author Contributions
Funding
Institutional Review Board Statement
Informed Consent Statement
Data Availability Statement
Conflicts of Interest
References
- Xu, S.; Chen, C.; Lin, Z.; Zhang, X.; Dai, J.; Liu, L. Review and prospect of maintenance technology for traction system of high-speed train. Transp. Saf. Environ. 2021, 3, stdab017. [Google Scholar] [CrossRef]
- Yu, K. Electric Railway Power Supply and Power Quality; China Electric Power Press: Beijing, China, 2011. [Google Scholar]
- Wang, H.; Li, Q.; Zhang, Y.; Jin, L.; Xie, S.; Zan, X. Comprehensive compensation method and control strategy of negative sequence and harmonic for electrified railway with Dd transformer and SVG. In Proceedings of the 16th IET International Conference on AC and DC Power Transmission (ACDC 2020), Xi’an, China, 2–3 July 2020; pp. 442–447. [Google Scholar]
- Wei, Y.; Jiang, Q.; Zhang, X. An optimal control strategy for power capacity based on railway power static conditioner. In Proceedings of the APCCAS 2008—2008 IEEE Asia Pacific Conference on Circuits and Systems, Macao, China, 9 January 2009; pp. 236–239. [Google Scholar]
- Burchi, G.; Lazaroiu, C.; Golovanov, N.; Roscia, M. Estimation of voltage unbalance in power systems supplying high speed railway. Electr. Power Qual. Utilisation. J. 2005, 11, 113–119. [Google Scholar]
- Brenna, M.; Foiadelli, F.; Roscia, M.; Zaninelli, D. Harmonic analysis of a high speed train with interlaced four quadrant converters. In Proceedings of the 2008 IEEE Power and Energy Society General Meeting–Conversion and Delivery of Electrical Energy in the 21st Century, Pittsburgh, PA, USA, 20–24 July 2008; pp. 1–6. [Google Scholar]
- Danwen, Y.; Guanglei, L.; Weixu, W.; Qingyu, W. Power quality pre-evaluation method considering the impact of electrified railway. In Proceedings of the 2021 6th Asia Conference on Power and Electrical Engineering (ACPEE), Chongqing, China, 8–11 April 2021; pp. 1556–1559. [Google Scholar]
- Ghassemi, A.; Maghsoud, I.; Farshad, S.; Fazel, S.S. Power quality improvement in Y/Δ electric traction system using a Railway Power Conditioner. In Proceedings of the 2013 12th International Conference on Environment and Electrical Engineering, Wroclaw, Poland, 5–8 May 2013; pp. 489–494. [Google Scholar]
- Sun, Y.; Dai, C.; Li, J. A hybrid compensation method for electric railway’s power quality improvement. In Proceedings of the 2015 5th International Conference on Electric Utility Deregulation and Restructuring and Power Technologies (DRPT), Changsha, China, 26–29 November 2015; pp. 2287–2292. [Google Scholar]
- Kaleybar, H.J.; Kojabadi, H.M.; Brenna, M.; Foiadelli, F.; Fazel, S.S. An active railway power quality compensator for 2×25kV high-speed railway lines. In Proceedings of the IEEE International Conference on Environment & Electrical Engineering & IEEE Industrial & Commercial Power Systems Europe IEEE, Milan, Italy, 6–9 June 2017; pp. 1–6. [Google Scholar]
- Hu, S.; Zhang, Z.; Yong, L. An LC-Coupled Electric Railway Static Power Conditioning System. Trans. China Electrotech. Soc. 2016, 31, 199–211. [Google Scholar]
- Luo, A.; Wu, C.; Shen, J.; Shuai, Z.; Ma, F. Railway Static Power Conditioners for High-speed Train Traction Power Supply Systems Using Three-phase V/V Transformers. IEEE Trans. Power Electron. 2011, 26, 2844–2856. [Google Scholar] [CrossRef]
- Tanta, M.; Barros, L.A.; Pinto, J.G.; Martins, A.P.; Afonso, J.L. Modular Multilevel Converter in Electrified Railway Systems: Applications of Rail Static Frequency Converters and Rail Power Conditioners. In Proceedings of the 2020 International Young Engineers Forum (YEF-ECE), Costa da Caparica, Portugal, 3 July 2020; pp. 55–60. [Google Scholar]
- Deng, W.; Dai, C.; Chen, W.; Zhang, H. Research Progress of Railway Power Conditioner. CSEE 2020, 40, 4640–4655 + 4742. [Google Scholar]
- Maghsoud, I.; Ghassemi, A.; Farshad, S.; Fazel, S.S. Current balancing, reactive power and harmonic compensation using a traction power conditioner on electrified railway system. In Proceedings of the 2013 21st Iranian Conference on Electrical Engineering (ICEE), Mashhad, Iran, 14–16 May 2013; pp. 1–6. [Google Scholar]
- Song, P.; Lin, J.; Li, Y.; Wu, J. Direct Power Control Strategy of Railway Static Power Conditioner Based on Modular Multilevel Converter. Power Syst. Technol. 2015, 39, 2511–2518. [Google Scholar]
- Zhao, L.; Chen, F.; Jiang, Y. Research on Topology and Control Strategy of Railway Power Regulator Based on MMC. In Proceedings of the 2020 5th International Conference on Power and Renewable Energy (ICPRE), Shanghai, China, 12–14 September 2020; pp. 6–15. [Google Scholar]
- Song, S.; Liu, J.; Ouyang, S.; Chen, X. A modular multilevel converter based Railway Power Conditioner for power balance and harmonic compensation in Scott railway traction system. In Proceedings of the 2016 IEEE 8th International Power Electronics and Motion Control Conference (IPEMC-ECCE Asia), Hefei, China, 22–26 May 2016; pp. 2412–2416. [Google Scholar]
- Song, P.; Zhou, Z.; Dong, H.; Wen, F. Modeling and Control of Virtual Synchronous Generator Based on MMC-RPC. Control. Inf. Technol. 2018, 01, 26–32. [Google Scholar]
- Dong, S.; Chen, Y.C. Adjusting Synchronverter Dynamic Response Speed via Damping Correction Loop. IEEE Trans. Energy Convers. 2016, 32, 608–619. [Google Scholar] [CrossRef]
- Ma, F.; Xu, Q.; He, Z.; Tu, C.; Shuai, Z.; Luo, A.; Li, Y. A Railway Traction Power Conditioner Using Modular Multilevel Converter and Its Control Strategy for High-Speed Railway System. IEEE Trans. Transp. Electrif. 2016, 2, 96–109. [Google Scholar] [CrossRef]
- Pinggang, S.O.; Jiatong, L.I.; Yunfeng, L.I. Circulating Current Analysis and Suppressing Controller Designing of the MMC Based on Railway Static Power Conditioner. High Volt. Eng. 2016, 42, 3539–3547. [Google Scholar]
- Meng, X.; Liu, Z.; Liu, J.; Wang, S.; Liu, B.; An, R. Comparison between inverters based on virtual synchronous generator and droop control. In Proceedings of the 2017 IEEE Energy Conversion Congress and Exposition (ECCE), Cincinnati, OH, USA, 1–5 October 2017; pp. 4077–4084. [Google Scholar]
- Dong, J.; Wang, L. Study on an Adaptive Virtual Synchronous Generator Control Strategy for Distributed Generators. Electr. Drive 2019, 49, 78–81 + 89. [Google Scholar]
- Jun, F.; Meng, J. Modeling and Parameter Design of Marine Micro-grid Virtual Synchronous Generator. In Proceedings of the 2021 IEEE 4th Advanced Information Management, Communicates, Electronic and Automation Control Conference (IMCEC), Chongqing, China, 8–20 June 2021; pp. 122–127. [Google Scholar]























| Section | Δω | dω/dt | Δω (dω/dt) | J | D |
|---|---|---|---|---|---|
| [t1, t2] | >0 | >0 | >0 | enlarge | enlarge |
| [t2, t3] | >0 | <0 | <0 | reduce | enlarge |
| [t3, t4] | <0 | <0 | >0 | enlarge | enlarge |
| [t4, t5] | <0 | >0 | <0 | reduce | enlarge |
Publisher’s Note: MDPI stays neutral with regard to jurisdictional claims in published maps and institutional affiliations. |
© 2022 by the authors. Licensee MDPI, Basel, Switzerland. This article is an open access article distributed under the terms and conditions of the Creative Commons Attribution (CC BY) license (https://creativecommons.org/licenses/by/4.0/).
Share and Cite
Li, T.; Shi, Y. Power Quality Management Strategy for High-Speed Railway Traction Power Supply System Based on MMC-RPC. Energies 2022, 15, 5205. https://doi.org/10.3390/en15145205
Li T, Shi Y. Power Quality Management Strategy for High-Speed Railway Traction Power Supply System Based on MMC-RPC. Energies. 2022; 15(14):5205. https://doi.org/10.3390/en15145205
Chicago/Turabian StyleLi, Teng, and Yongbin Shi. 2022. "Power Quality Management Strategy for High-Speed Railway Traction Power Supply System Based on MMC-RPC" Energies 15, no. 14: 5205. https://doi.org/10.3390/en15145205
APA StyleLi, T., & Shi, Y. (2022). Power Quality Management Strategy for High-Speed Railway Traction Power Supply System Based on MMC-RPC. Energies, 15(14), 5205. https://doi.org/10.3390/en15145205

