Available Transfer Capability Enhancement in Deregulated Power System through TLBO Optimised TCSC
Abstract
:1. Introduction
2. Literature Survey
3. Method and Materials
3.1. ATC Calculation
- Repeated Power Flow (RPF) method;
- Calculation based on optimization method;
- Linear sensitivity factor based method.
- Considering m node test system with 1, …., g are PV buses and g + 1, …., m are
- PQ buses.
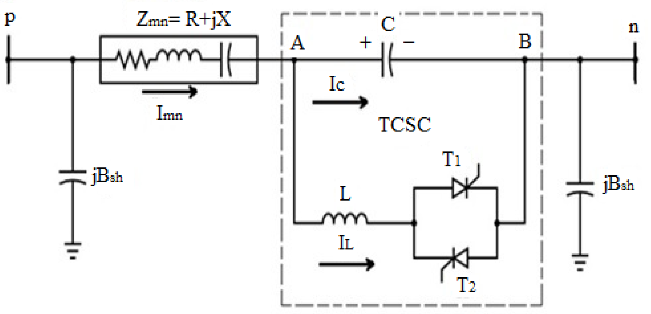
3.2. Reactance Model of TCSC under Consideration
3.3. Objective Function
- (1)
- The major objective is to maximize ATC of the test system.
- (2)
- The second objective is to minimize active power loss:
- For ATC maximization;
- For Power loss minimization.
3.4. Constraints
- (a)
- Equality constraints:here, and are the real and reactive power generations at ith bus, respectively; and are the real and reactive power demands at ith bus, respectively; , , and , are voltage magnitudes and their corresponding angles at ith and jth buses, respectively; , is the admittance of line between ith and jth bus and its corresponding angle; is the number of buses.
- (b)
- Inequality constraints:
- (c)
- Practical constraints of the TCSC [21]:
3.5. TLBO Algorithm
3.5.1. Teacher Phase
3.5.2. Learner Phase
4. Steps Involved in the Implementation of Algorithm in Objective Function
4.1. For ATC Maximization
- TLBO driven optimal power flow (OPF) is carried out.
- Considering prime objective of ATC maximization, TCSC is optimized for suitable location and size by using ACPTDF and TLBO.
- Line flows are obtained by NR with OPF.
- A bilateral transaction between seller bus and buyer bus is created and NR is applied to calculate new line flows.
- Change in active power flow () is calculated.
- ACPTDF values are obtained by using Equation (2).
- ATC is then calculated by applying Equation (8) for nearby and farthest bus connected to the common generator bus (sending bus).
4.2. For Power Loss Minimization
5. Result Analysis
5.1. For ATC Maximization
5.2. For Active Power Loss Minimization
6. Conclusions
Author Contributions
Funding
Institutional Review Board Statement
Informed Consent Statement
Data Availability Statement
Conflicts of Interest
Nomenclature
| DPS | Deregulated power system |
| GENCOS | Generation companies |
| TRANSCOS | Transmission companies |
| DISCO | Distribution company |
| ISO | Independent system operator |
| FACTS | Flexible Alternating Current transmission system |
| TCSC | Thyristor controlled series capacitor |
| TLBO | Teaching learning based algorithm |
| PSO | Particle swarm optimization |
| GWO | Grey wolf optimization |
| ATC | Available transfer capability |
| TTC | Total transfer capability |
| ETC | Existing transmission commitments |
| TRM | Transmission reliability margin |
| CBM | Capacity benefit margin |
| PTDF | Power transmission distribution factor |
| CPF | Continuous power flow |
| NR | Newton Raphson |
| OPF | Optimal power flow |
| and | real and reactive power generations at ith bus, respectively |
| and | real and reactive power demands at ith bus, respectively |
| , | voltage magnitude and corresponding angle of ith bus, respectively |
| , | admittance of line between ith and jth bus and its corresponding angle |
| number of buses | |
| Xpu | per unit reactance |
| PL | Active power loss |
References
- Silva, R.; Alves, E.; Ferreira, R.; Villar, J.; Gouveia, C. Characterization of TSO and DSO Grid System Services and TSO-DSO Basic Coordination Mechanisms in the Current Decarbonization Context. Energies 2021, 14, 4451. [Google Scholar] [CrossRef]
- Khan, M.T.; Siddiqui, A.S. Congestion management in deregulated power system using FACTS device. Int. J. Syst. Assur. Eng. Manag. 2017, 8, 1–7. [Google Scholar] [CrossRef]
- Shweta, N.V.; Prakash, V.; Kuruseelan, S.; Vaithilingam, C. ATC Evaluation in a Deregulated Power System. Energy Procedia 2017, 117, 216–223. [Google Scholar] [CrossRef]
- Mohammed, O.O.; Mustaf, M.W.; Mohammed, D.S.S.; Otuoze, A.O. Available transfer capability calculation methods: A comprehensive review. Electr. Energy Syst. 2019, 29, e2846. [Google Scholar] [CrossRef] [Green Version]
- Alekhya, B.; Rao, J.S. Enhancement of ATC in a deregulated power system by optimal location of multi-facts devices. In Proceedings of the International Conference on Smart Electric Grid (ISEG), Oshawa, ON, Canada, 12–15 August 2014; pp. 1–9. [Google Scholar] [CrossRef]
- Nireekshana, T.; Rao, G.K.; Raju, S.S. Available transfer capability enhancement with FACTS using Cat Swarm Optimization. Ain Shams Eng. J. 2016, 7, 159–167. [Google Scholar] [CrossRef] [Green Version]
- Acharya, N.; Mithulananthan, N. Locating series FACTS devices for congestion management in deregulated electricity markets. Electr. Power Syst. Res. 2007, 77, 352–360. [Google Scholar] [CrossRef]
- Sawhney, H.; Jeyasurya, B. Application of unified power flow controller for available transfer capability enhancement. Electr. Power Syst. Res. 2004, 69, 155–160. [Google Scholar] [CrossRef]
- Pandey, R.K.; Kumar, K.V. Multi agent system driven SSSC for ATC enhancement. In Proceedings of the National Power Systems Conference (NPSC), Bhubaneswar, India, 19–21 December 2016; pp. 1–6. [Google Scholar] [CrossRef]
- Kumar, A.; Kumar, J. ATC determination with FACTS devices using PTDFs approach for multi-transactions in competitive electricity markets. Int. J. Electr. Power Energy Syst. 2013, 44, 308–317. [Google Scholar] [CrossRef]
- Kumar, R.; Kumar, A. Impact of STATCOM Control Parameters on Available Transfer Capability Enhancement in Energy Markets. Procedia Comput. Sci. 2015, 70, 515–525. [Google Scholar] [CrossRef] [Green Version]
- Bavithra, K.; Raja, S.C.; Venkatesh, P. Optimal Setting of FACTS Devices using Particle Swarm Optimization for ATC Enhancement in Deregulated Power System. IFAC-Pap. Online 2016, 49, 450–455. [Google Scholar] [CrossRef]
- Gupta, M.; Gupta, A.K.; Sharma, N.K. A Comparative Study of Series Compensation, TCPAR and TCSR FACTS Controllers for Mitigation of Congestion. J. Inst. Eng. (India) Ser. B 2020, 101, 717–728. [Google Scholar] [CrossRef]
- Kumar, A.; Kumar, J. ATC enhancement in electricity markets with GUPFC and IPFC—A comparison. Int. J. Electr. Power Energy Syst. 2016, 81, 469–482. [Google Scholar] [CrossRef]
- Farahmand, H.; Rashidinejad, M.; Mousavi, A.; Gharaveisi, A.A.; Irving, M.R.; Taylor, G.A. Hybrid Mutation Particle Swarm Optimisation method for Available Transfer Capability enhancement. Int. J. Electr. Power Energy Syst. 2012, 42, 240–249. [Google Scholar] [CrossRef]
- Kumar, Y.N.; Bala, A. Self-adaptiveness in particle swarm optimisation to enhance available transfer capability using thyristor-controlled series compensation (TCSC). Sadhana 2018, 43, 152. [Google Scholar]
- Venkatraman, K.T.; Paramasivam, B.; Chidambaram, I.A. Optimal allocation of TCSC devices for the enhancement of ATC in deregulated power system using flower pollination algorithm. J. Eng. Sci. Technol. 2018, 13, 2857–2871. [Google Scholar]
- North American Electric Reliability Council (NERC). Available Transfer Capability Definition and Determination (Report June 1996); North American Electric Reliability Council: Atlanta, GA, USA, 1996. [Google Scholar]
- Ejebe, G.C.; Tong, J.; Waight, J.G.; Frame, J.G.; Wang, X.; Tinney, W.F. Available transfer capability calculations. IEEE Trans. Power Syst. 1998, 13, 1521–1527. [Google Scholar] [CrossRef]
- Gautam, A.; Sharma, P.R.; Kumar, Y. Sensitivity based ATC Maximization by Optimal Placement of TCSC applying Grey Wolf Optimization. In Proceedings of the 3rd International Conference on Recent Developments in Control, Automation & Power Engineering (RDCAPE), Noida, India, 10–11 October 2019; pp. 313–318. [Google Scholar] [CrossRef]
- Vetrivel, K.; Ganapathy, S.S.; Rao, K.U. Congestion Management and ATC Enhancement in Deregulated Power System Using Optimal Allocation of FACTS Devices. Middle-East J. Sci. Res. 2017, 25, 22–33. [Google Scholar] [CrossRef]
- Rao, R.V. Review of applications of TLBO algorithm and a tutorial for beginners to solve the unconstrained and constrained optimization problems. Decis. Sci. Lett. 2016, 5, 1–30. [Google Scholar]
- Al-Roomi, A.R. Power Flow Test Systems Repository; Dalhousie University, Electrical and Computer Engineering: Halifax, NS, Canada, 2015. [Google Scholar]













| Bilateral Transactions | ATC (MW) | Active Power Loss (MW) | |||||||
|---|---|---|---|---|---|---|---|---|---|
| OPF | OPF with TCSC | OPF | OPF with TCSC | ||||||
| Seller | Buyer | GWO | PSO | TLBO | GWO | PSO | TLBO | ||
| 2 | 5 | 116.65 | 120.75 | 121 | 125.13 | 7.01 | 7.13 | 7.25 | 7.3 |
| 26 | 12.18 | 13.18 | 12.25 | 14.53 | 7.01 | 7.13 | 7.45 | 7.32 | |
| 5 | 2 | 184.56 | 198.04 | 211.3 | 215.13 | 7.03 | 7.45 | 7.14 | 7.23 |
| 26 | 12.26 | 13.45 | 12.75 | 14.45 | 7.09 | 7.19 | 7.22 | 7.29 | |
| 8 | 12 | 70.41 | 69.57 | 67.9 | 75.07 | 7.04 | 7.17 | 7.17 | 7.25 |
| 26 | 12.18 | 14.23 | 13.05 | 16.57 | 7.08 | 7.21 | 7.24 | 7.32 | |
| 11 | 16 | 37.65 | 38.8 | 37.3 | 39.58 | 7.11 | 7.24 | 7.2 | 7.3 |
| 26 | 6.09 | 6.45 | 6.35 | 8.01 | 7.01 | 7.78 | 7.25 | 7.32 | |
| 13 | 7 | 48.5 | 36.89 | 47.5 | 50.23 | 7.05 | 7.69 | 7.24 | 7.23 |
| 26 | 9.26 | 9.46 | 10.24 | 11.46 | 7.08 | 7.97 | 7.26 | 7.29 | |
| Bilateral Transactions | ATC (MW) | Active Power Loss (MW) | |||||||
|---|---|---|---|---|---|---|---|---|---|
| OPF | OPF with TCSC | OPF | OPF with TCSC | ||||||
| Seller | Buyer | GWO | PSO | TLBO | GWO | PSO | TLBO | ||
| 2 | 5 | 116.65 | 98.99 | 90.67 | 100.23 | 7.01 | 6.000 | 6.06 | 5.34 |
| 26 | 12.18 | 10.33 | 8.34 | 10.85 | 7.01 | 6.000 | 6.78 | 5.37 | |
| 5 | 2 | 184.56 | 156.61 | 165.67 | 164.83 | 7.03 | 6.017 | 5.89 | 5.22 |
| 26 | 12.26 | 10.4 | 9.45 | 10.64 | 7.09 | 6.069 | 5.63 | 4.97 | |
| 8 | 12 | 70.41 | 59.75 | 45.89 | 60.87 | 7.04 | 6.026 | 5.32 | 5.25 |
| 26 | 12.18 | 10.33 | 7.54 | 10.58 | 7.08 | 6.060 | 5.98 | 5.48 | |
| 11 | 16 | 37.65 | 31.95 | 32.78 | 32.56 | 7.11 | 6.086 | 5.56 | 5.36 |
| 26 | 6.09 | 5.16 | 6.03 | 5.04 | 7.01 | 6.000 | 6.04 | 5.36 | |
| 13 | 7 | 48.5 | 41.15 | 32.43 | 45.92 | 7.05 | 6.034 | 5.67 | 5.32 |
| 26 | 9.26 | 7.85 | 9.54 | 8.13 | 7.08 | 6.060 | 6.87 | 5.37 | |
| Bilateral Transactions | ATC Enhancement | Power Loss Minimization | |||
|---|---|---|---|---|---|
| Seller | Buyer | TCSC Loc. | TCSC Size | TCSC Loc. | TCSC Size |
| 2 | 5 | 15 | −0.7574 | 6 | −0.60243 |
| 26 | 20 | 0.1896 | 9 | 0.1024 | |
| 5 | 2 | 2 | 0.1270 | 36 | 0.2000 |
| 26 | 9 | −0.776 | 19 | 0.1069 | |
| 8 | 12 | 16 | −0.0708 | 21 | −0.0986 |
| 26 | 36 | −0.0789 | 36 | −0.6704 | |
| 11 | 16 | 6 | 0.1025 | 6 | 0.1069 |
| 26 | 20 | 0.0754 | 36 | 0.1128 | |
| 13 | 7 | 35 | −0.7348 | 26 | −0.7658 |
| 26 | 5 | 0.200 | 5 | 0.1869 | |
Publisher’s Note: MDPI stays neutral with regard to jurisdictional claims in published maps and institutional affiliations. |
© 2022 by the authors. Licensee MDPI, Basel, Switzerland. This article is an open access article distributed under the terms and conditions of the Creative Commons Attribution (CC BY) license (https://creativecommons.org/licenses/by/4.0/).
Share and Cite
Gautam, A.; Ibraheem; Sharma, G.; Bokoro, P.N.; Ahmer, M.F. Available Transfer Capability Enhancement in Deregulated Power System through TLBO Optimised TCSC. Energies 2022, 15, 4448. https://doi.org/10.3390/en15124448
Gautam A, Ibraheem, Sharma G, Bokoro PN, Ahmer MF. Available Transfer Capability Enhancement in Deregulated Power System through TLBO Optimised TCSC. Energies. 2022; 15(12):4448. https://doi.org/10.3390/en15124448
Chicago/Turabian StyleGautam, Anurag, Ibraheem, Gulshan Sharma, Pitshou N. Bokoro, and Mohammad F. Ahmer. 2022. "Available Transfer Capability Enhancement in Deregulated Power System through TLBO Optimised TCSC" Energies 15, no. 12: 4448. https://doi.org/10.3390/en15124448
APA StyleGautam, A., Ibraheem, Sharma, G., Bokoro, P. N., & Ahmer, M. F. (2022). Available Transfer Capability Enhancement in Deregulated Power System through TLBO Optimised TCSC. Energies, 15(12), 4448. https://doi.org/10.3390/en15124448

