Intelligent Tuned Hybrid Power Filter with Fuzzy-PI Control
Abstract
:1. Introduction
2. Proposed Idea
2.1. Research Contribution
- A fuzzy-tuned PI controlled HPF is designed to increase the PI-controlling ability during load variation and system resonance.
- The active power filter design and voltage consideration are improved from [8], and [9]. In these articles, although the neutral voltage was considered, it should have been considered as an induced voltage to the filtering circuit. Thus, this article will consider the incoming phase voltage imbalance and the filter phase sequence as a result of this voltage action.
- In addition to the SAPF design criteria, this article also improves the design of the passive filter to be considered under all limiting conditions of resonance effect and the smoothing inductor element from the active filter part to be considered in passive circuit design. Thus, its values are considered during the maximum resonance finding.
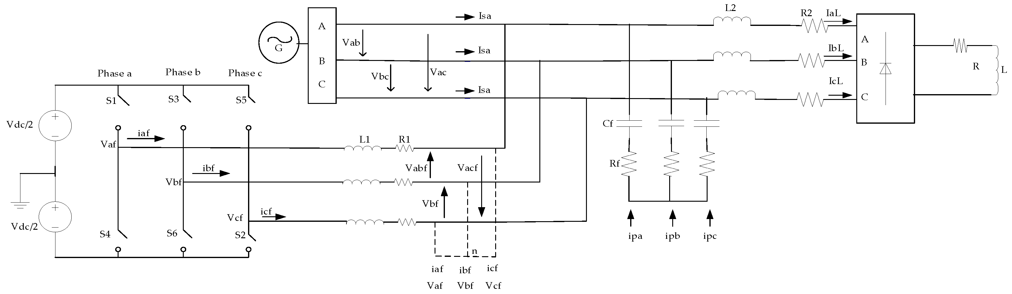
2.2. LCL-HPF Filtering
2.3. SAPF Design
2.4. LCL-Passive Filter Modeling
2.5. Fuzzy Controller Design
2.6. Controller Robustness and Stability
- When the defuzzied output values reaches the upper limits in the universe of discourse, the output will consequently increase, and the feedback responds using the subtracting feedback controller.
- 2.
- When the defuzzied output reaches the lower limits of the universe of discourse, the feedback values is added to the inputs.
- 3.
- When the system condition is stable and the values are at the mid values of the output universe of discourse, the feedback gain is as follows:
2.7. PQ Compensation Method
2.8. Current Injection Technique
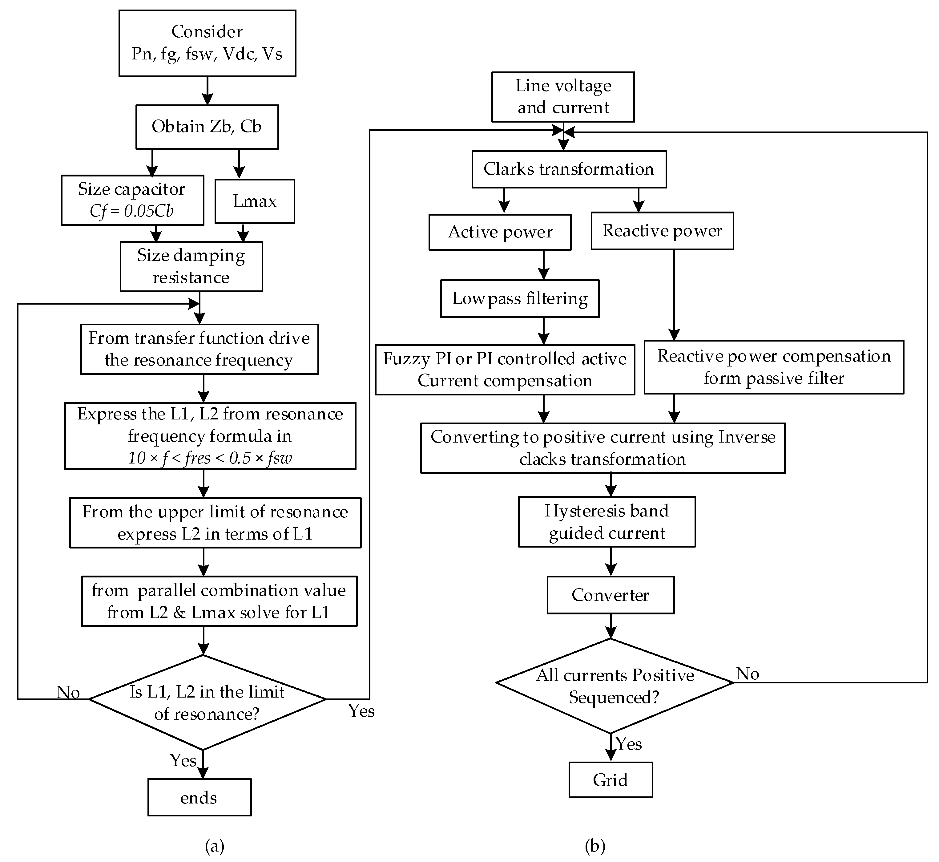
3. Working Algorithm
- Compute the passive and active circuit using Figure 5a.
- The three-phase non-linear loaded line is connected to the fuzzy-tuned HPF filtering.
- Using Clark’s Transformation, the active and reactive current component and voltage are decomposed.
- The active power component would pass through a low pass filter, and then the active component of power is subtracted from the errors of the fuzzy-tuned PI controller injected power.
- The reactive power component was already compensated on the line from the inductor–capacitor–inductor (LCL) circuit; thus, the SAPF would not be expected to generate reactive power.
- Both the active and reactive components are converted to three phase current and voltage components using the inverse Clarkes transformation. This time, the line current is converted to a positive sequence current as required by the grid.
- The converter is guided by the hysteresis band-controlled pulse modulator based on the switching sequences and current presented in (9). Along with the voltage in Table 1, it injects the filtering current on the grid.
- The ripples from the active power filter is filtered by the seriously connected inductor.
- Unbalanced, nonpositive sequenced current and the average power are consumed by the LC filters, and the remainder is eliminated after several cycles in the LCL and SAPF filtering circuits.
4. Results and Discussion
4.1. Filtering Current Injection and DC Shunt Capacitor Switching
4.2. Grid Current and Total Harmonic Distortion
4.3. Comparison with Other Authors
5. Conclusions
Author Contributions
Funding
Institutional Review Board Statement
Informed Consent Statement
Data Availability Statement
Conflicts of Interest
References
- Sou, W.-K.; Choi, W.-H.; Chao, C.-W.; Lam, C.-S.; Gong, C.; Wong, C.-K.; Wong, M.-C. A deadbeat current controller of LC-hybrid active power filter for power quality improvement. IEEE J. Emerg. Sel. Top. Power Electron. 2019, 8, 3891–3905. [Google Scholar] [CrossRef]
- Antunes, H.M.A.; Pires, I.A.; Silva, S.M. Evaluation of series and parallel hybrid filters applied to hot strip mills with cycloconverters. IEEE Trans. Ind. Appl. 2019, 55, 6643–6651. [Google Scholar] [CrossRef]
- Terriche, Y.; Mutarraf, M.U.; Golestan, S.; Su, C.-L.; Guerrero, J.M.; Vasquez, J.C.; Kerdoun, D. A hybrid compensator configuration for var control and harmonic suppression in all electric shipboard power systems. IEEE Trans. Power Deliv. 2020, 35, 1379–1389. [Google Scholar] [CrossRef]
- Xue, C.; Zhou, D.; Li, Y. Hybrid model predictive current and voltage control for LCL-filtered grid-connected inverter. IEEE J. Emerg. Sel. Top. Power Electron. 2021, 9, 5747–5760. [Google Scholar] [CrossRef]
- Xu, C.; Dai, K.; Chen, X.; Peng, L.; Zhang, Y.; Dai, Z. Parallel resonance detection and selective compensation control for SAPF with square-wave current active injection. IEEE Trans. Ind. Electron. 2017, 64, 8066–8078. [Google Scholar] [CrossRef]
- Wang, Y.; Xu, J.; Feng, L.; Wang, C. A novel hybrid modular three level shunt active power filter. IEEE Trans. Power Electron. 2018, 33, 7591–7600. [Google Scholar] [CrossRef]
- Salmerón, P.; Litrán, S.P. A control strategy for hybrid power filter to compensate four wires three-phase systems. IEEE Trans. Power Electron. 2010, 25, 1923–1931. [Google Scholar] [CrossRef]
- Zouidi, A.; Fnaiech, F.; Al-Haddad, K. Voltage source inverter based three-phase shunt active power filter: Topology, modeling and control strategies. In Proceedings of the 2006 IEEE International Symposium on Industrial Electronics, Montreal, QC, Canada, 9–13 July 2006. [Google Scholar]
- Daftary, D.; Shah, M.T. Design and analysis of hybrid active power filter for current harmonics mitigation. In Proceedings of the 2019 IEEE 16th India Council International Conference (INDICON), Rajkot, India, 13–15 December 2019. [Google Scholar]
- Inzunza, R.; Akagi, H. A 6.6-kV transformerless shunt hybrid active filter for installation on a power distribution system. IEEE Trans. Power Electron. 2005, 20, 893–900. [Google Scholar] [CrossRef]
- Wu, W.; He, Y.; Blaabjerg, F. An LLCL power filter for single-phase grid-tied inverter. IEEE Trans. Power Electron. 2012, 27, 782–789. [Google Scholar] [CrossRef]
- Zhou, X.; Cui, Y.; Ma, Y. Fuzzy linear active disturbance rejection control of injection hybrid active power filter for medium and high voltage distribution network. IEEE Access 2021, 9, 8421–8432. [Google Scholar] [CrossRef]
- Shao, Y.; Yao, Y.; Liu, H.; Lv, R.; Zan, P. Power harmonic detection method based on dual HSMW window fft/apfft comprehensive phase difference. In Proceedings of the 40th Chinese Control Conference, Shanghai, China, 26–28 July 2021. [Google Scholar]
- Mohamed, I.S.; Rovetta, S.; Do, T.D.; Dragicevic, T.; Diab, A.A.Z. A neural network-based model predictive control of three-phase inverter with an output LCL filter. IEEE Access 2019, 7, 124737–124749. [Google Scholar] [CrossRef]
- Hao, Z.; Wang, X.; Cao, X. Harmonic control for variable-frequency aviation power system based on three-level NPC Converter. IEEE Access 2020, 8, 132775–132785. [Google Scholar] [CrossRef]
- Suresh, Y.; Panda, A.K.; Suresh, M. Real time implementation of adaptive fuzzy hysteresis-band current control technique for shunt active power filter. IET Power Electron. 2012, 5, 1188–1195. [Google Scholar] [CrossRef] [Green Version]
- Choi, U.; Lee, K.B. Space vector modulation strategy for neutral point voltage balancing in three-level inverter systems. IET Power Electron. 2013, 6, 1390–1398. [Google Scholar] [CrossRef]
- Akagi, H.; Kanazawa, Y.; Nabae, A. Instantaneous reactive power compensators comprising switching devices without energy storage components. IEEE Trans. Ind. Appl. 1984, IA-20, 625–630. [Google Scholar] [CrossRef]
- Herrera, R.S.; SalmerÓn, P.; Kim, H. Instantaneous reactive power theory applied to active power filter compensation: Different approaches, assessment, and experimental results. IEEE Trans. Ind. Electron. 2008, 55, 184–196. [Google Scholar] [CrossRef]
- Willems, J.L. A new interpretation of the Akagi-Nabae power components for nonsinusoidal three-phase situations. IEEE Trans. Instrum. Meas. 1992, 41, 523–527. [Google Scholar] [CrossRef]
- Kazmierkowski, M.P.; Jasinski, M.; Wrona, G. DSP-based control of grid-connected power converters operating under grid distortions. IEEE Trans. Ind. Inform. 2011, 7, 204–211. [Google Scholar] [CrossRef]
- Hong, L.; Shu, W.; Wang, J.; Mian, R. Harmonic resonance investigation of a multi-inverter grid-connected system using resonance modal analysis. IEEE Trans. Power Deliv. 2019, 34, 63–72. [Google Scholar] [CrossRef]
- Lu, M.; Wang, X.; Loh, P.C.; Blaabjerg, F. Resonance interaction of multiparallel grid connected inverters with LCL Filter. IEEE Trans. Power Electron. 2017, 32, 894–899. [Google Scholar] [CrossRef]
- Enslin, J.H.R.; Heskes, P.J.M. Harmonic interaction between a large number of distributed power inverters and the distribution network. IEEE Trans. Power Electron. 2004, 19, 1586–1593. [Google Scholar] [CrossRef]
- Kim, H.-S.; Sul, S.-K. Resonance suppression method for grid-connected converter with LCL filter under discontinuous PWM. IEEE Access 2021, 9, 124519–124529. [Google Scholar] [CrossRef]
- Liserre, M.; Blaabjerg, F.; Hansen, S. Design and control of an LCL-filter-based three-phase active rectifier. IEEE Trans. Ind. Appl. 2005, 41, 1281–1291. [Google Scholar] [CrossRef]
- Chitsazan, M.A. A new approach to LCL filter design for grid-connected PV sources. Am. J. Electr. Power Energy Syst. 2017, 6, 57. [Google Scholar] [CrossRef] [Green Version]
- Li, H.-X.; Zhang, L.; Cai, K.-Y.; Chen, G. An improved robust Fuzzy-PID controller with optimal fuzzy reasoning. IEEE Trans. Syst. Man Cybern. Part B (Cybernetics) 2005, 35, 1283–1294. [Google Scholar] [CrossRef] [Green Version]
- Imam, A.A.; Kumar, R.S.; Al-Turki, Y.A. Modeling and simulation of a PI controlled shunt active power filter for power quality enhancement based on P-Q theory. Electronics 2020, 9, 637. [Google Scholar] [CrossRef]
- Mahaboob, S.; Ajithan, S.K.; Jayaraman, S. Optimal design of shunt active power filter for power quality enhancement using predator-prey based firefly optimization. Swarm Evol. Comput. 2019, 44, 522–533. [Google Scholar] [CrossRef]









| S | Inverter Switch Connection | Inverter Line Voltage | Inverter Phase Voltage | ||||||
|---|---|---|---|---|---|---|---|---|---|
| 1 | + | + | + | 0 | 0 | 0 | 0 | 0 | 0 |
| 2 | − | + | + | 0 | |||||
| 3 | + | − | + | 0 | |||||
| 4 | + | + | − | 0 | |||||
| 5 | − | − | + | 0 | |||||
| 6 | + | − | − | 0 | |||||
| 7 | − | + | − | 0 | |||||
| 8 | − | − | − | 0 | 0 | 0 | 0 | 0 | 0 |
| e | ||||||||||
|---|---|---|---|---|---|---|---|---|---|---|
| NL | NB | NM | NS | ZO | PS | PM | PB | PL | ||
| NL | PL | PL | PB | PB | PM | PM | PS | PS | ZO | |
| NB | PL | PL | PB | PM | PM | PS | PS | ZO | NS | |
| NM | PB | PB | PM | PM | PS | PS | ZO | NS | NS | |
| NS | PB | PB | PM | PS | PS | ZO | NS | NM | NM | |
| ZO | PM | PM | PS | PS | ZO | NS | NS | NM | NM | |
| PS | PM | PM | PS | ZO | NS | NM | NM | NB | NB | |
| PM | PS | PS | ZO | NS | NS | NM | NM | NB | NB | |
| PB | PS | ZO | NS | NM | NM | NB | NB | NL | NL | |
| PL | ZO | NS | NS | NM | NM | NB | NB | NL | NL | |
| Item | Value |
|---|---|
| Source/Grid | 10 kW, 208 Vs, 50 Hz |
| 20 mH | |
| 0.254 mH | |
| 50, 7000, 15,000 | |
| 36.8 | |
| of passive filter = Dc-link capacitor | 36.8 |
| Load | 60 Ω, 200 mH |
| Vdc | 450 V |
| Unbalanced resistive Load phase ABC | 100 w, 90 w, 110 w |
| Unbalanced Inductive reactive Load phase ABC | 10, 9, 11 Var |
| Unbalanced Inductive reactive Load phase ABC | 10, 9, 11 Var |
| Proportional gain (Kp) | 2/5 |
| Integral gain (Ki) | 4 |
| Method | THD (%) | Compensation (%) | |
|---|---|---|---|
| Unbalanced Systems | |||
| Before Compensation | After Compensation | ||
| Fuzzy-tuned PI HPF | 26.62 | 1.72 | 93.54 |
| PI controlled HPF | 26.62 | 4.08 | 84.67 |
| PI [29] | 12.97 | 1.13 | 91.28 |
| FO [30] | 11.90 | 2.18 | 81.68 |
| Deadbeat [1] | 29.9 | 9.4 | 68.56 |
| per phase HAPF [7] | 28.5, 27.6, 25.6 | 0.91, 0.91, 0.92 | 96.8, 96.7, 96.4 |
| PPFO [30] | 11.90 | 2.06 | 82.69 |
| PSO [30] | 11.90 | 2.18 | 81.26 |
| HSO [30] | 11.90 | 3.42 | 71.26 |
Publisher’s Note: MDPI stays neutral with regard to jurisdictional claims in published maps and institutional affiliations. |
© 2022 by the authors. Licensee MDPI, Basel, Switzerland. This article is an open access article distributed under the terms and conditions of the Creative Commons Attribution (CC BY) license (https://creativecommons.org/licenses/by/4.0/).
Share and Cite
Lin, T.-C.; Simachew, B. Intelligent Tuned Hybrid Power Filter with Fuzzy-PI Control. Energies 2022, 15, 4371. https://doi.org/10.3390/en15124371
Lin T-C, Simachew B. Intelligent Tuned Hybrid Power Filter with Fuzzy-PI Control. Energies. 2022; 15(12):4371. https://doi.org/10.3390/en15124371
Chicago/Turabian StyleLin, Tzu-Chiao, and Bawoke Simachew. 2022. "Intelligent Tuned Hybrid Power Filter with Fuzzy-PI Control" Energies 15, no. 12: 4371. https://doi.org/10.3390/en15124371
APA StyleLin, T.-C., & Simachew, B. (2022). Intelligent Tuned Hybrid Power Filter with Fuzzy-PI Control. Energies, 15(12), 4371. https://doi.org/10.3390/en15124371

