A Technical Assessment of Offshore Wind Energy in Mexico: A Case Study in Tehuantepec Gulf
Abstract
:1. Introduction
2. Materials and Methods
2.1. The Study Zone in Mexico: Tehuantepec Gulf
2.2. Wind Power Energy Assessment
2.2.1. Wind Power Estimation Theoretical Approach
2.2.2. Methods Employed to Process and Visualize Data
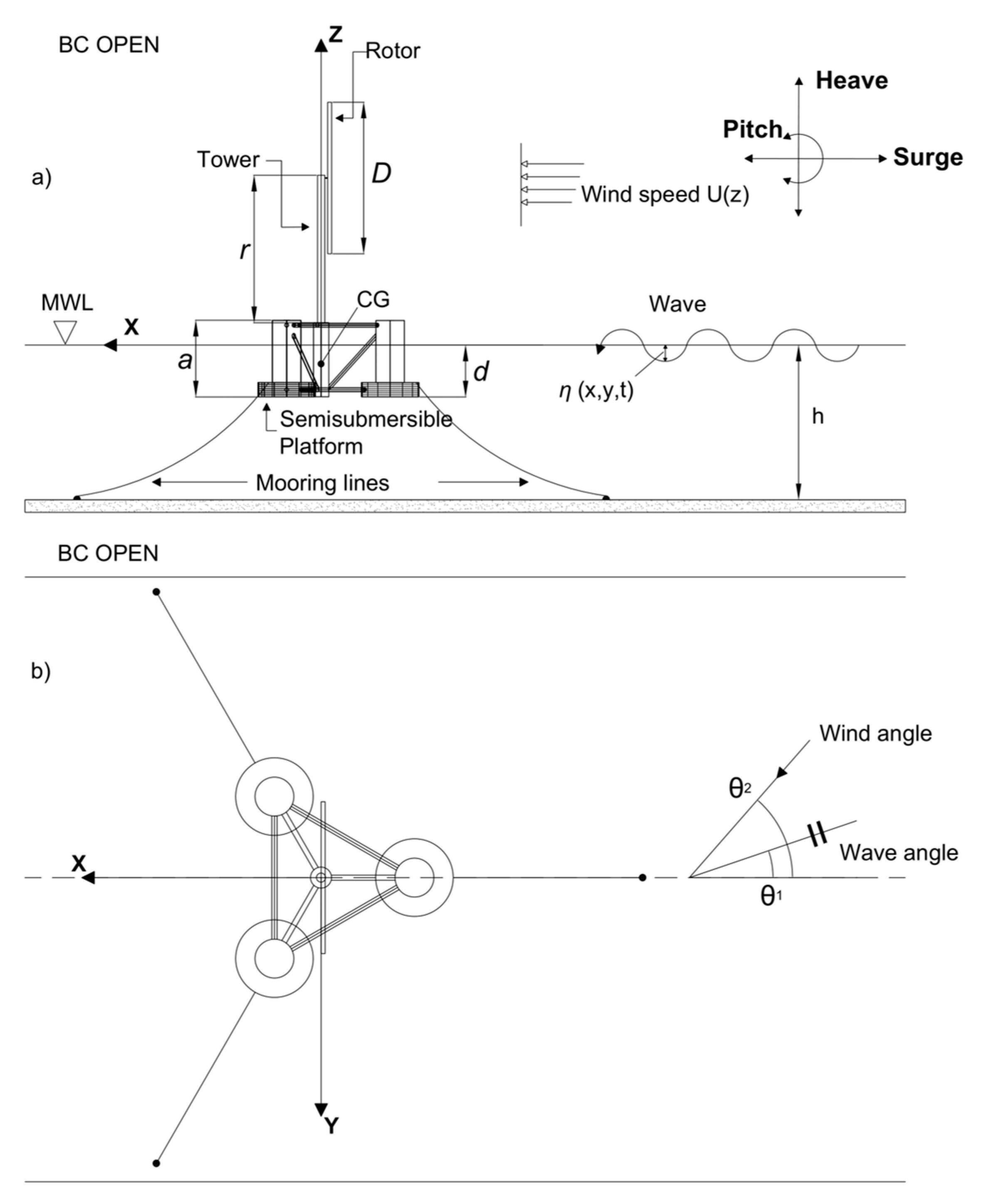
2.3. The Floating Offshore Wind Turbine (FOWT)
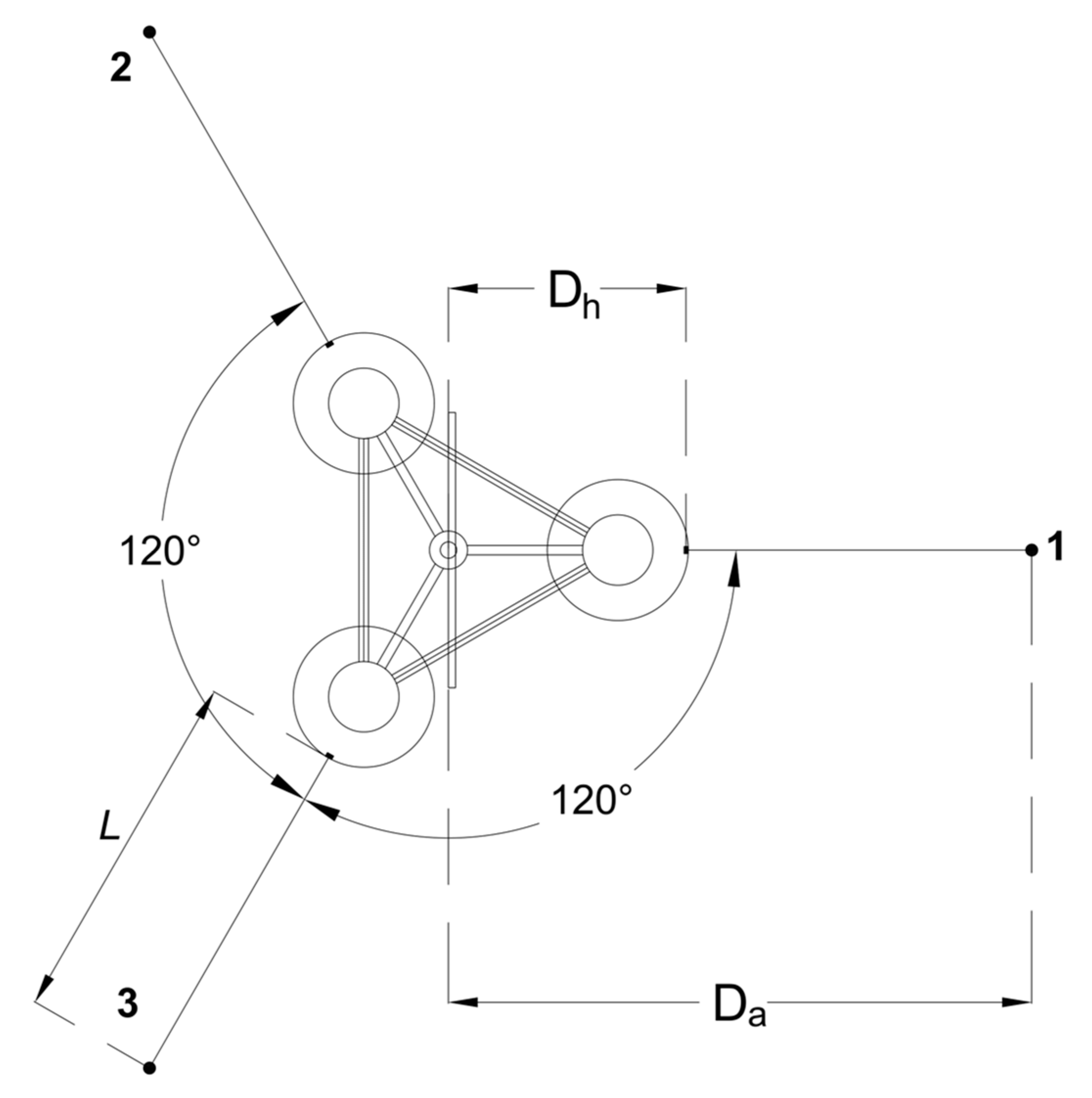
2.3.1. Geometry and Dimensions
2.3.2. Anchoring Lines
2.4. Methods to Evaluate FOWT Dynamics
2.4.1. Numerical Test Cases
2.4.2. General Considerations
3. Results and Discussion
3.1. Wave Statistical Analysis in the Selected Location
3.2. Theoretical Wind Energy Assessment in the Region of Interest
| Case | Hs (m) | Tp (s) | Wave Direction | Wind Direction | U(90) (m/s) | Probability (%) |
|---|---|---|---|---|---|---|
| A | 1.125 | 9.75 | SSW | SSE | 13.25 | 3.06 |
| B | 1.125 | 10.25 | SSW | SSE | 13.25 | 2.79 |
| C | 1.125 | 9.25 | SSW | SSE | 13.25 | 2.73 |
| Case | Hs (m) | Tp (s) | U(90) (m/s) |
|---|---|---|---|
| D | 2.28 | 7.11 | 53 |
3.3. Dynamics of the FOWT
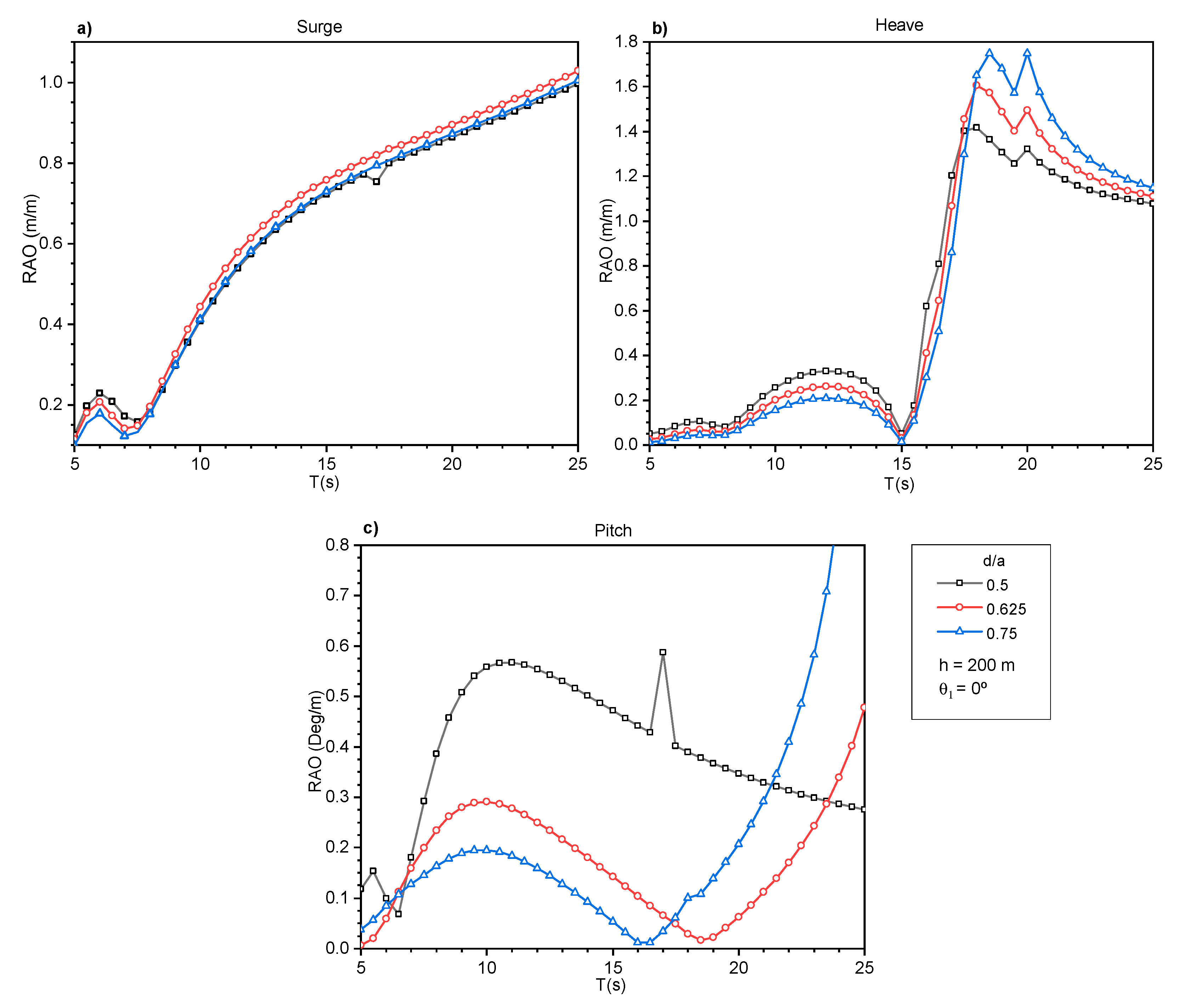
3.3.1. RAO Analysis
3.3.2. Case Study A
3.3.3. Case Study D
3.4. Joint Assessment: Wind Potential with Different Platform Inclinations
4. Conclusions
- Along the coast of Mexico, the area with the most significant offshore wind potential corresponds to the Gulf of Tehuantepec.
- The direction of the waves in the Gulf of Tehuantepec comes mainly from the SSW. The highest percentage of swell in the study area has a height that varies from 0.5–2 m, with an associated period of 8–12 s. Hurricane Barbara category 1 presented a wave height equivalent to 2.28 m with an associated period equal to 7.11 s.
- The wind was mainly from the south, specifically from the SSO and SSE. The average wind speed at 90 m above sea level is 13.25 m/s, while in Hurricane Barbara, it was 53 m/s.
- The effects of different floating conditions (i.e., varying the drafts through the d/a parameter) of the platform were investigated. The draft variation influences the center of gravity position, moments of inertia, natural periods of the degrees of freedom, and the RAOs under the influence of the wind and waves.
- Numerical analysis with three different d/a cases showed that with d/a = 0.5, the platform had the highest RAO values for the surge. For heave motion, from wave periods 5 < T < 15 s, d/a = 0.5 presented the RAO with higher values. However, for T > 15 s the higher RAO value was obtained with d/a = 0.75. Finally, in the wave period range 5 < T < 18.5 s for the pitch motion, the largest RAO value appeared at d/a = 0.5; however, after T = 18.5 s, d/a = 0.75 had the largest RAO value.
- The three degrees of freedom surge, heave, and pitch varied when adding the effect of the wind and to a greater extent for the pitch rotation.
- In more recurring and extreme maritime conditions, the platform d/a = 0.5 experienced the highest displacements.
- In the case of extreme wave and wind conditions, it would be necessary to apply safety and stabilization methods to avoid damage to the OC4 DeepCwind semisubmersible wind turbine and platform.
Author Contributions
Funding
Data Availability Statement
Acknowledgments
Conflicts of Interest
Nomenclature
| FOWT | Floating Offshore Wind Turbine |
| TLP | Tension Leg Platform |
| NMRI | National Maritime Research Institute |
| FAST | Fatigue, Aerodynamics, Structure, and Turbulence |
| MARIN | Maritime Research Institute Netherlands |
| NREL | National Renewable Energy Laboratory |
| DOF | Degrees of freedom |
| GWA | Global Wind Atlas |
| ECMWF | European Centre for Medium Range Weather Forecast |
| NOAA | National Oceanic & Atmospheric Administration |
| GEBCO | The General Bathymetric Chart of the Oceans |
| Tp | Peak wave period |
| Hs | Significant wave height |
| WS | Wind speed |
| RAO | Response Amplitude Operator |
| MSE | Mean Square Error |
| CG | Center of Gravity |
Appendix A

Appendix B

Appendix C
Appendix C.1. Description of Data Used for Validation
| Wave Condition | Hs (m) | Tp (s) | U(90) (m/s) |
|---|---|---|---|
| WN1 | 7.1 | 5-25 | 0 |
| WN1 with steady wind | 7.1 | 5-25 | 21 |
Appendix C.2. Validation Results

| Motion | ECM–WN1 | ECM–WN1 with Steady Wind |
|---|---|---|
| Surge | 0.11 | 0.09 |
| Pitch | 0.37 | 0.36 |
| Heave | 0.09 | 0.07 |
References
- Wang, X.; Zeng, X.; Li, J.; Yang, X.; Wang, H. A Review on Recent Advancements of Substructures for Offshore Wind Turbines. Energy Convers. Manag. 2018, 158, 103–119. [Google Scholar] [CrossRef]
- Zheng, C.W.; Li, C.Y.; Pan, J.; Liu, M.Y.; Xia, L.L. An Overview of Global Ocean Wind Energy Resource Evaluations. Renew. Sustain. Energy Rev. 2016, 53, 1240–1251. [Google Scholar] [CrossRef]
- Barragan-Muñoz, J.M. Manejo Costero Integrado y Política Pública En Iberoamérica: Un Diagnóstico. Necesidad de Cambio; Red IBERMAR (CYTED): Cádiz, Spain, 2010. [Google Scholar]
- Going Global: Expanding Offshore Wind to Emerging Markets (Vol. 41): Technical Potential for Offshore Wind in Mexico—Map (English); World Bank Group: Washington, DC, USA, 2021; Available online: http://documents.worldbank.org/curated/en/540571586840981675/Technical-Potential-for-Offshore-Wind-in-Mexico-Map (accessed on 10 December 2019).
- Elliott, D.; Schwartz, M.; Scott, G.; Haymes, S.; Heimiller, D.; George, R. Wind Energy Resource Atlas of Oaxaca; No. NREL/TP-500-35519; U.S. Department of Energy: Washington, DC, USA, 2003. [Google Scholar]
- Gross, M.; Magar, V. Offshore Wind Energy Potential Estimation Using UPSCALE Climate Data. Energy Sci. Eng. 2015, 3, 342–359. [Google Scholar] [CrossRef]
- Kausche, M.; Adam, F.; Dahlhaus, F.; Großmann, J. Floating Offshore Wind—Economic and Ecological Challenges of a TLP Solution. Renew. Energy 2018, 126, 270–280. [Google Scholar] [CrossRef]
- Liu, Y.; Li, S.; Yi, Q.; Chen, D. Developments in Semi-Submersible Floating Foundations Supporting Wind Turbines: A Comprehensive Review. Renew. Sustain. Energy Rev. 2016, 60, 433–449. [Google Scholar] [CrossRef]
- Hersbach, H.; Bell, B.; Berrisford, P.; Hirahara, S.; Horányi, A.; Muñoz-Sabater, J.; Nicolas, J.; Peubey, C.; Radu, R.; Schepers, D.; et al. The ERA5 Global Reanalysis. Q. J. R. Meteorol. Soc. 2020, 146, 1999–2049. [Google Scholar] [CrossRef]
- Technical University of Denmark (DTU). Global Wind Atlas. Available online: https://globalwindatlas.info/about/introduction (accessed on 10 February 2022).
- Dvorak, M.J.; Archer, C.L.; Jacobson, M.Z. California Offshore Wind Energy Potential. Renew. Energy 2010, 35, 1244–1254. [Google Scholar] [CrossRef]
- Oh, K.Y.; Kim, J.Y.; Lee, J.K.; Ryu, M.S.; Lee, J.S. An Assessment of Wind Energy Potential at the Demonstration Offshore Wind Farm in Korea. Energy 2012, 46, 555–563. [Google Scholar] [CrossRef]
- Argin, M.; Yerci, V.; Erdogan, N.; Kucuksari, S.; Cali, U. Exploring the Offshore Wind Energy Potential of Turkey Based on Multicriteria Site Selection. Energy Strateg. Rev. 2019, 23, 33–46. [Google Scholar] [CrossRef]
- Hong, L.; Möller, B. Offshore Wind Energy Potential in China: Under Technical, Spatial and Economic Constraints. Energy 2011, 36, 4482–4491. [Google Scholar] [CrossRef] [Green Version]
- Elsner, P. Continental-Scale Assessment of the African Offshore Wind Energy Potential: Spatial Analysis of an under-Appreciated Renewable Energy Resource. Renew. Sustain. Energy Rev. 2019, 104, 394–407. [Google Scholar] [CrossRef] [Green Version]
- Global Wind Atlas 3.0. Available online: https://globalwindatlas.info/ (accessed on 12 March 2022).
- Musial, W.; Butterfield, S. Future for Offshore Wind Energy in the United States; No. NREL/CP-500-36313; National Renewable Energy Laboratory: Golden, CO, USA, 2004. [Google Scholar]
- Wilson, J.C.; Elliott, M.; Cutts, N.D.; Mander, L.; Mendão, V.; Perez-Dominguez, R.; Phelps, A. Coastal and Offshore Wind Energy Generation: Is It Environmentally Benign? Energies 2010, 3, 1383–1422. [Google Scholar] [CrossRef]
- Jonkman, J.M. Dynamics of Offshore Floating Wind Turbines—Model Development and Verification. Wind Energy Int. J. Prog. Appl. Wind Power Convers. Technol. 2009, 12, 459–492. [Google Scholar] [CrossRef]
- Nichols, J.; Ronold, K.O.; Hopstad, A.L. Key design considerations. In Floating Offshore Wind Energy The Next Generation of Wind Energy; Springer: Cham, Switzerland, 2016; pp. 241–270. [Google Scholar]
- Nielsen, F.G.; Hanson, T.D.; Skaare, B. Integrated Dynamic Analysis of Floating Offshore Wind Turbines. In Proceedings of the 25th International Conference on Offshore Mechanics and Arctic Engineering, Hamburg, Germany, 4–9 June 2006. [Google Scholar]
- Utsunomiya, T.; Sato, T.; Matsukuma, H.; Yago, K. Experimental Validation for Motion of a Spar-Type Floating Offshore Wind Turbine Using 1/22.5 Scale Model. In Proceedings of the ASME 2009 28th International Conference on Ocean, Offshore and Arctic Engineering, Honolulu, HI, USA, 31 May–5 June 2009; Volume 43444, pp. 951–959. [Google Scholar]
- Roddier, D.; Cermelli, C.; Aubault, A.; Weinstein, A. WindFloat: A Floating Foundation for Offshore Wind Turbines. J. Renew. Sustain. Energy 2010, 2, 033104. [Google Scholar] [CrossRef]
- Shin, H. Model Test of the OC3-Hywind Floating Offshore Wind Turbine. In Proceedings of the Twenty-First International Offshore and Polar Engineering Conference, Maui, HI, USA, 19–24 June 2011. [Google Scholar]
- Ohta, M.; Komatsu, M.; Ito, H.; Kumamoto, H. Development of a V-Shaped Semi-Submersible Floating Structure for 7MW Offshore Wind Turbine. In Proceedings of the International Symposium on Marine and Offshore Renewable Energy, Tokyo, Japan, 28–30 October 2013; pp. 1–5. [Google Scholar]
- Azcona, J.; Bouchotrouch, F.; González, M.; Garciandía, J.; Munduate, X.; Kelberlau, F.; Nygaard, T.A. Aerodynamic Thrust Modelling in Wave Tank Tests of Offshore Floating Wind Turbines Using a Ducted Fan. J. Phys. Conf. Ser. 2014, 524, 012089. [Google Scholar] [CrossRef] [Green Version]
- Koo, B.J.; Goupe, A.J.; Kimball, R.W.; Lambrakos, K.F. Model Tests for a Floating Wind Turbine on Three Different Floaters. J. Offshore Mech. Arct. Eng. 2014, 136, 020907. [Google Scholar] [CrossRef]
- Borisade, F.; Koch, C.; Lemmer, F.; Cheng, P.W.; Campagnolo, F.; Matha, D. Validation of Innwind.Eu Scaled Model Tests of a Semisubmersible Floating Wind Turbine. Int. J. Offshore Polar Eng. 2018, 28, 54–64. [Google Scholar] [CrossRef]
- Yamaguchi, H.; Imakita, A. Learning from Field Test Regarding Damping of a Floater Motion-2mw Fowt “Fukushima Mirai”. In Proceedings of the Grand Renewable Energy, Pacifico Yokohama, Japan, 17–22 June 2018. [Google Scholar]
- Shiohara, H.; Goncalves, R.T.; Houtani, H.; Schnepf, A.; Hirabayashi, S.; Nihei, Y. Numerical and experimental comparison of the wave response of a very light floating offshore wind turbine with guy wires. In Proceedings of the ASME 2020 39th International Conference on Ocean, Offshore and Artic Engineering, Virtual Conference, 3–7 August 2020. [Google Scholar]
- Cao, Q.; Xiao, L.; Cheng, Z.; Liu, M.; Wen, B. Operational and Extreme Responses of a New Concept of 10MW Semi-Submersible Wind Turbine in Intermediate Water Depth: An Experimental Study. Ocean Eng. 2020, 217, 108003. [Google Scholar] [CrossRef]
- Skaare, B.; Hanson, T.; Nielsen, F.; Yttervik, R.; Hansen, A.M.; Thomsen, K.; Larsen, T.J. Integrated dynamic analysis of floating offshore wind turbines. Eur. Wind. Energy Conf. Exhib. 2007, 3, 1929–1939. [Google Scholar]
- Henderson, A.; Collu, M.; Masciola, M. Overview of floating offshore wind technologies. In Floating Offshore Wind Energy; The Next Generation of Wind Energy; Springer: Cham, Switzerland, 2016; pp. 87–132. [Google Scholar]
- Utsunomiya, T.; Sato, I.; Shiraishi, T.; Inui, E.; Ishida, S. Floating Offshore Wind Turbine, Nagasaki, Japan; Springer: Singapore, 2015; pp. 129–155. [Google Scholar]
- Cermelli, C.A.; Roddier, D.G.; Weinstein, A. Implementation of a 2MW Floating Wind Turbine Prototype Offshore Portugal. In Proceedings of the Offshore Technology Conference, Houston, TX, USA, 30 April–3 May 2012; Volume 4, pp. 2678–2686. [Google Scholar]
- Roddier, D.; Cermelli, C.; Weinstein, J.; Byklum, E.; Atcheson, M.; Utsunomiya, T.; Jorde, J.; Borgen, E. State-of-the-Art. In Floating Offshore Wind Energy; The Next Generation of Wind Energy; Springer: Cham, Switzerland, 2016; pp. 271–333. [Google Scholar]
- Ohki, Y. News from Japan: Development of a braided piezoelectric cord for wearable sensors. IEEE Electr. Insul. Mag. 2020, 36, 59–61. [Google Scholar] [CrossRef]
- Robertson, A.; Jonkman, J.; Masciola, M.; Song, H.; Goupee, A.; Coulling, A.; Luan, C. Definition of the Semisubmersible Floating System for Phase II of OC4; NREL: Golden, CO, USA, 2014. [Google Scholar]
- Jonkman, J.; Butterfield, S.; Musial, W.; Scott, G. Definition of a 5-MW Reference Wind Turbine for Offshore System Development; NREL: Golden, CO, USA, 2009; pp. 1–75. [Google Scholar]
- Goupee, A.J.; Koo, B.J.; Kimball, R.W.; Lambrakos, K.F.; Dagher, H.J. Experimental Comparison of Three Floating Wind Turbine Concepts. J. Offshore Mech. Arct. Eng. 2014, 136, 1–9. [Google Scholar] [CrossRef]
- INEGI. Anuario Estadístico y Geográfico Por Entidad Federativa; Instituto Nacional de Estadística y Geografía: Aguascalientes, Mexico, 2018. [Google Scholar]
- Ortega-García, S.; Trigueros-Salmerón, J.A.; Rodríguez-Sanchéz, R.; Salvador, L.-C.; Villalobos, H. El Golfo de Tehuantepec Como un Centro de Actividad Biológica Y Su Importancia en Pesquerias. In BAC Centros de Actividad Biológica del Pacífico Mexicano; Centro de Investigaciones Biológicas del Noroeste: La Plaz, Mexico, 2000. [Google Scholar]
- Gómez, M.; Ma, D.d.L.; Ramírez, J.A. Las Surgencias Costeras de America. Rev. Geofis. 1999, 51, 38. [Google Scholar]
- Noaa Historical Hurricane Tracks. Available online: https://coast.noaa.gov/hurricanes/#map=5.57/16.365/-95&search=eyJzZWFyY2hTdHJpbmciOiJTYWxpbmEgQ3J1eiwgT2F4YWNhLCBNZXhpY28iLCJzZWFyY2hUeXBlIjoiZ2VvY29kZWQiLCJvc21JRCI6IjU5OTk2NzIiLCJjYXRlZ29yaWVzIjpbIkg1IiwiSDQiLCJIMyIsIkgyIiwiSDEiLCJUUyIsIlREIiwiRVQiXSwie (accessed on 15 March 2022).
- Tong, W. Wind Power Generation and Wind Turbine Design; WIT Press: Southampton, UK, 2010. [Google Scholar]
- Manwell, J.F.; Mcgowan, J.G.; Rogers, A.L. Wind Energy Explained: Theory, Design and Application, 2nd ed.; John Wiley & Sons: Hoboken, NJ, USA, 2009. [Google Scholar]
- Palm, W.J., III. MATLAB for Engineering Applications, 4th ed.; Mc Graw Hill: New York, NY, USA, 2019. [Google Scholar]
- GEBCO General Bathymetric Chart of the Oceans. Available online: https://www.gebco.net/ (accessed on 20 January 2022).
- GoldenSoftware. Available online: https://www.goldensoftware.com/products/surfer (accessed on 11 November 2021).
- QGIS Guía de Usuario de QGIS. Available online: https://www.qgis.org/es/site/ (accessed on 23 August 2021).
- ANSYS. Aqwa Theory Manual; ANSYS Inc.: Canonsburg, PA, USA, 2018. [Google Scholar]
- ANSYS. AQWA User Manual; SAS IP, Inc.: Canonsburg, PA, USA, 2012. [Google Scholar]
- Robertson, A.N.; Jonkman, J.M.; Goupee, A.J.; Coulling, A.J.; Prowell, I.; Browning, J.; Masciola, M.D.; Molta, P. Summary of Conclusions and Recommendations Drawn from the Deepcwind Scaled Floating Offshore Wind System Test Campaign. In Proceedings of the International Conference on Ocean, Offshore and Arctic Engineering, Nantes, France, 9–14 June 2013; Volume 8. [Google Scholar]
- Derrett, C.D.; Barrass, B. Ship Stability for Masters and Mates, 5th ed.; Elsevier: Oxford, UK, 1999. [Google Scholar]
- Trasviña, A.; Barton, E.D.; Brown, J.; Velez, H.S.; Kosro, P.M.; Smith, R.L. Offshore Wind Forcing in the Gulf of Tehuantepec, Mexico: The Asymmetric Circulation. Geophys. Res. Ocean. 1995, 100, 20649–20663. [Google Scholar] [CrossRef] [Green Version]
- Garcia, H.; Ocampo, F. Efecto Del Estado Del Mar En El Flujo De Momento Calculado Mediante Mediciones Directas En El Golfo De Tehuantepec. In Oceonografia y Meteorologia del Golfo de Tehuantepec; UGM: Ensenada, Mexico, 2005; Volume 25. [Google Scholar]
- Brown, D.P. Hurricane Barbara; National Hurricane Center: Miami, FL, USA, 2013. [Google Scholar]
- Copernicus Climate Change Service (C3S): ERA5 Copernicus Climate Change Service (C3S): ERA5: Fifth Generation of ECMWF Atmospheric Reanalyses of the Global Climate. Available online: https://cds.climate.copernicus.eu/cdsapp#!/home (accessed on 6 May 2022).
- Coulling, A.J.; Goupee, A.J.; Robertson, A.N.; Jonkman, J.M.; Dagher, H.J. Validation of a FAST Semi-Submersible Floating Wind Turbine Numerical Model with DeepCwind Test Data. J. Renew. Sustain. Energy 2013, 5, 023116. [Google Scholar] [CrossRef]
- Robertson, A.; Jonkman, L.; Vorpahl, F.; Popko, W.; Qvist, J.; Froyd, L.; Chen, X.; Azcona, J.; Uzunoglu, E.; Guedes Soares, C. Offshore code comparison collaboration continuation within iea wind task 30: Phase ii results regarding a floating semisubmersible wind system. In Proceedings of the International Conference on Ocean, Offshore and Arctic Engineering, San Francisco, CA, USA, 8–13 June 2014; Volume 45547, p. V09BT09A012. [Google Scholar]
- Gueydon, S.; Weller, S. Study of a Floating Foundation for Wind Turbines. J. Offshore Mech. Arct. Eng. 2013, 135, 031903. [Google Scholar] [CrossRef]
- Gareth, J.; Daniela, W.; Trevor, H.; Robert, T. An Introduction to Statistical Learning: With Applications in R; Spinger: Berlin/Heidelberg, Germany, 2013. [Google Scholar]
- Johnson, K.E. Adaptive Torque Control of Variable Speed Wind Turbines. Ph.D. Thesis, University of Colorado, Boulder, CO, USA, 2004. [Google Scholar]
- Sadrehaghighi, I. Elements in Fluid Dynamics; CFD Open Series; Academiay: Annapolis, MA, USA, 2017. [Google Scholar]




















| Reference | Project | Scale | Type of Platform | Prototype |
|---|---|---|---|---|
| [21] | Hywind | 1:47 | Spar | ✓ |
| [22] | SPAR type | 1:22.5 | Spar | ✓ |
| [23] | Windfloat | 1:105 | Semisubmersible | ✓ |
| [24] | OC3 Hywind (2011) | 1:128 | Spar | - |
| [25] | V-shape platform | 1:64 | Semisubmersible | ✓ |
| [26] | Concret star floater | 1:40 | Semisubmersible | - |
| [27] | Three different floaters | 1:50 | Spar, semisubmersible, and tension leg platform | - |
| [28] | INWIND-EU | 1:60 | Semisubmersible | - |
| [29] | Fukushima Mirai | 1:60 | Semisubmersible | ✓ |
| [30] | Light platform | 1:60 | Semisubmersible | - |
| [31] | SPIC | 1:64 | Semisubmersible | - |
| Name | Value |
|---|---|
| Mooring lines | 3 |
| Angle between mooring lines | 120 |
| Anchor depth | 200 m |
| Ratio from centerline to anchors | 837.60 m |
| Ratio from centerline to hawsehole | 40.868 m |
| Length of mooring line without tension | 835.50 m |
| Mooring line diameter | 0.0766 m |
| Mooring Line Mass Density Equivalence | 113.35 kg/m |
| Equivalence mass in water of mooring line | 108.63 kg/m |
| Rigid Extensional Mooring Line Equivalence | 753.6 MN |
| Hydrodynamic coefficient of mooring line resistance | 1.1 |
| Hydrodynamic coefficient of added mass of mooring lines | 1 |
| Coefficient of resistance of the seabed for mooring lines | 1 |
| Case | Period T (s) | Frequency f (Hz) | Wave Length λ (m) | Wave Height H (m) | Wind Speed U(90) (m/s) |
|---|---|---|---|---|---|
| A | 9.75 | 0.102 | 148.4 | 1.125 | 13.25 |
| D | 7.11 | 0.141 | 78.9 | 2.28 | 53 |
| d/a | Surge (m/m) | Heave (m/m) | Pitch (deg/m) |
|---|---|---|---|
| 0.500 | 0.002 | 0.005 | 0.017 |
| 0.625 | 0.002 | 0.034 | 0.032 |
| 0.750 | 0.002 | 0.017 | 0.020 |
| d/a | Surge (m/m) | Heave (m/m) | Pitch (deg/m) |
|---|---|---|---|
| 0.500 | 0.170 | 0.081 | 0.272 |
| 0.625 | 0.142 | 0.055 | 0.168 |
| 0.750 | 0.120 | 0.039 | 0.122 |
| Time (s) | X (m) | Z (m) | α (deg) |
|---|---|---|---|
| ti | 14.24 | −7.15 | 9.82 |
| ti + 0.25 T | 14.00 | −7.26 | 9.88 |
| ti + 0.50 T | 13.86 | −7.18 | 9.46 |
| ti + 0.75 T | 14.09 | −7.07 | 9.38 |
| Time (s) | X (m) | Z (m) | α (deg) |
|---|---|---|---|
| ti | 14.97 | −10.77 | 8.80 |
| ti + 0.25 T | 15.15 | −10.81 | 9.06 |
| ti + 0.50 T | 15.01 | −10.89 | 9.15 |
| ti + 0.75 T | 14.82 | −10.85 | 8.88 |
| Time (s) | X (m) | Z (m) | α (deg) |
|---|---|---|---|
| ti | 16.08 | −14.91 | 7.79 |
| ti + 0.25 T | 15.91 | −14.96 | 7.78 |
| ti + 0.50 T | 15.82 | −14.92 | 7.59 |
| ti + 0.75 T | 15.98 | −14.87 | 7.59 |
Publisher’s Note: MDPI stays neutral with regard to jurisdictional claims in published maps and institutional affiliations. |
© 2022 by the authors. Licensee MDPI, Basel, Switzerland. This article is an open access article distributed under the terms and conditions of the Creative Commons Attribution (CC BY) license (https://creativecommons.org/licenses/by/4.0/).
Share and Cite
Bernal-Camacho, D.F.; Fontes, J.V.H.; Mendoza, E. A Technical Assessment of Offshore Wind Energy in Mexico: A Case Study in Tehuantepec Gulf. Energies 2022, 15, 4367. https://doi.org/10.3390/en15124367
Bernal-Camacho DF, Fontes JVH, Mendoza E. A Technical Assessment of Offshore Wind Energy in Mexico: A Case Study in Tehuantepec Gulf. Energies. 2022; 15(12):4367. https://doi.org/10.3390/en15124367
Chicago/Turabian StyleBernal-Camacho, Diego Fernando, Jassiel V. H. Fontes, and Edgar Mendoza. 2022. "A Technical Assessment of Offshore Wind Energy in Mexico: A Case Study in Tehuantepec Gulf" Energies 15, no. 12: 4367. https://doi.org/10.3390/en15124367
APA StyleBernal-Camacho, D. F., Fontes, J. V. H., & Mendoza, E. (2022). A Technical Assessment of Offshore Wind Energy in Mexico: A Case Study in Tehuantepec Gulf. Energies, 15(12), 4367. https://doi.org/10.3390/en15124367

