A Simplified Space Vector Pulse Width Modulation Algorithm of a High-Speed Permanent Magnet Synchronous Machine Drive for a Flywheel Energy Storage System
Abstract
:1. Introduction
- (1)
- We propose a new SVPWM algorithm based on the perspective of optimization to derive the dwell time. The theoretical derivation and the flowcharts of the proposed SVPWM algorithm are presented. Compared with the conventional algorithm, the proposed SVPWM algorithm needs less equation expression and logical judgment to perform the modulation task.
- (2)
- The implementation of the proposed SVPWM algorithm in a high-speed PMSM drive of FESS is reported.
- (3)
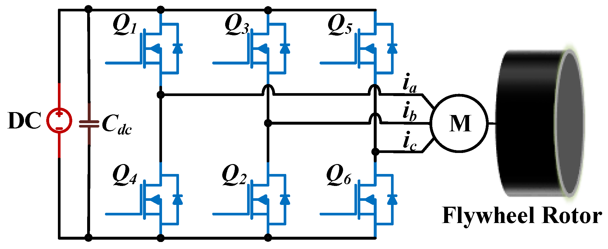
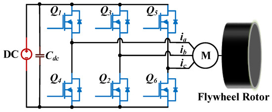
2. Description of SVPWM of PMSM Drive
3. Proposed SVPWM Algorithm with OVDT
3.1. Optimization Problem in SVPWM
3.2. Optimal Solution of the 1-Norm
3.3. Optimal Solution of the 2-Norm
4. Experimental Results
4.1. Experimental Setup
4.2. Application to FOC
4.3. Execution Time of the SVPWM Algorithm
4.4. Increasing Sampling Frequency by Using Simplified SVPWM Algorithm
5. Conclusions
- (1)
- In the proposed SVPWM algorithm, the vector dwell time can be directly calculated by solving the optimization problem without sector identification. Compared with the conventional SVPWM algorithm, the proposed SVPWM algorithm needs less equation expression and logical judgment. Thus, the proposed SVPWM algorithm is simpler.
- (2)
- The proposed SVPWM algorithm is implemented in an FESS prototype. The experimental results show that the proposed SVPWM algorithm can generate a three-phase sinusoidal current for the PMSM of the FESS. The current THD can be smaller than 9.3% at the speed of 30,000 rpm.
- (3)
- Compared to the conventional SVPWM algorithm, the time consumption of the proposed SVPWM algorithm is reduced. With the time consumption reduced, a higher sampling frequency of the control system can be obtained. The current THD and eddy current loss can be reduced by increasing the sampling frequency. As a result, the maintenance speed power consumption is reduced by 4.1% through using the proposed SVPWM algorithm.
6. Future Work
- (1)
- The proposed SVPWM algorithm is only implemented in a PMSM FOC with a sampling frequency of 40 kHz. The execution time can be further reduced by running the program in the RAM and using the IQmath library. The proposed SVPWM algorithm is expectantly utilized in a higher-sampling-frequency PMSM FOC system, such as a 100 kHz FOC system.
- (2)
- The FESS is generally utilized in a high-power application. The power of the FESS of this paper is relatively low. In future work, the proposed SVPWM algorithm may be applied in a higher-power FESS. In high-power FESS, the influence of the SVPWM algorithm on thermal and efficiency can be an appropriate analysis because the problem of thermal and efficiency is notable in high-power FESS.
- (3)
- The proposed SVPWM algorithm deduces the dwell time of the basic vector from the perspective of optimization, which shows a more concise process compared to the conventional SVPWM algorithm. However, the proposed SVPWM algorithm only can apply to the commonly used three-phase two-level DC/AC converter. The multiphase PMSM and multilevel converter have received increasing attention in recent years [33,34,35]. The proposed SVPWM algorithm can be extended to the multiphase and multilevel DC/AC converter.
Author Contributions
Funding
Institutional Review Board Statement
Informed Consent Statement
Data Availability Statement
Conflicts of Interest
Nomenclature
| Vr | Reference vector |
| V, V | Projection of Vr on the and axes |
| V0, V1, V2, V3, V4, V5, V6, V7 | Basic vectors of the PMSM drive |
| Va, Vb, Vc | Redefined basic vectors |
| T | The period of the PWM signal |
| t, t, t, t | Dwell time of V0, V4, V6, and V7 |
| t, t, t | Dwell time of Va, Vb, and Vc |
| f, f | Cost functions of the 1-norm and 2-norm |
| , | First derivative of f and f |
| , | Second derivative of f and f |
| , , | Optimal vector dwell time of the 1-norm |
| , , | Optimal vector dwell time of the 2-norm |
| d, d, d | Duty cycles of the SVPWM algorithm with the OVDT of the 1-norm |
| d, d, d | Duty cycles of the SVPWM algorithm with the OVDT of the 2-norm |
| p, p, p | Phase shifts of the SVPWM algorithm with the OVDT of the 2-norm |
| sgn | Sign function |
| Dirac delta function |
References
- Olabi, A.G.; Wilberforce, T.; Abdelkareem, M.A.; Ramadan, M. Critical Review of Flywheel Energy Storage System. Energies 2021, 14, 2159. [Google Scholar] [CrossRef]
- Zhang, W.; Wang, J.; Zhu, P.; Yu, J. A Novel Vehicle-Mounted Magnetic Suspension Flywheel Battery with a Virtual Inertia Spindle. IEEE Trans. Ind. Electron. 2021, 69, 5973–5983. [Google Scholar] [CrossRef]
- Zhang, W.; Li, Y.; Wu, G.; Rao, Z.; Gao, J.; Luo, D. Robust Predictive Power Control of N*3-Phase PMSM for Flywheel Energy Storage Systems Application. Energies 2021, 14, 3684. [Google Scholar] [CrossRef]
- Haidl, P.; Buchroithner, A. Design of a Low-Loss, Low-Cost Rolling Element Bearing System for a 5 kWh/100 kW Flywheel Energy Storage System. Energies 2021, 14, 7195. [Google Scholar] [CrossRef]
- Masouleh, M.I.; Limebeer, D.J. Fuel Minimization for a Vehicle Equipped with a Flywheel and Battery on a Three-Dimensional Track. IEEE Trans. Intell. Veh. 2017, 2, 161–174. [Google Scholar] [CrossRef]
- Ershad, N.F.; Mehrjardi, R.T.; Ehsani, M. High-performance 4wd Electric Powertrain with Flywheel Kinetic Energy Recovery. IEEE Trans. Power Electron. 2020, 36, 772–784. [Google Scholar] [CrossRef]
- Canova, A.; Campanelli, F.; Quercio, M. Flywheel Energy Storage System in Italian Regional Transport Railways: A Case Study. Energies 2022, 15, 1096. [Google Scholar] [CrossRef]
- Jia, Y.; Wu, Z.; Zhang, J.; Yang, P.; Zhang, Z. Control Strategy of Flywheel Energy Storage System Based on Primary Frequency Modulation of Wind Power. Energies 2022, 15, 1850. [Google Scholar] [CrossRef]
- Mukoyama, S.; Nakao, K.; Sakamoto, H.; Matsuoka, T. Development of Superconducting Magnetic Bearing for 300 kW Flywheel Energy Storage System. IEEE Trans. Appl. Supercond. 2017, 27, 1–4. [Google Scholar] [CrossRef]
- Ghanaatian, M.; Lotfifard, S. Control of Flywheel Energy Storage Systems in the Presence of Uncertainties. IEEE Trans. Sustain. Energy 2018, 10, 36–45. [Google Scholar] [CrossRef]
- Werfel, F.N.; Floegel-Delor, U.; Riedel, T. A Compact HTS 5 kWh/250 kW Flywheel Energy Storage System. IEEE Trans. Appl. Supercond. 2007, 17, 2138–2141. [Google Scholar] [CrossRef]
- Gengji, W.; Ping, W. Rotor Loss Analysis of PMSM in Flywheel Energy Storage System as Uninterruptable Power Supply. IEEE Trans. Appl. Supercond. 2016, 26, 1–5. [Google Scholar] [CrossRef]
- Ji, W.; Ni, F.; Gao, D.; Luo, S.; Lv, Q.; Lv, D. Electromagnetic Design of High-Power and High-Speed Permanent Magnet Synchronous Motor Considering Loss Characteristics. Energies 2021, 14, 3622. [Google Scholar] [CrossRef]
- Jarzebowicz, L. Errors of a Linear Current Approximation in High-Speed PMSM Drives. IEEE Trans. Power Electron. 2017, 32, 8254–8257. [Google Scholar] [CrossRef]
- Zhang, X.; Chen, Y.; Mollet, Y.; Yang, J.; Gyselinck, J. An Accurate Discrete Current Controller for High-Speed PMSMs/Gs in Flywheel Applications. Energies 2020, 13, 1458. [Google Scholar] [CrossRef] [Green Version]
- Ullah, K.; Guzinski, J.; Mirza, A.F. Critical Review on Robust Speed Control Techniques for Permanent Magnet Synchronous Motor (PMSM) Speed Regulation. Energies 2022, 15, 1235. [Google Scholar] [CrossRef]
- Chung, D.W.; Kim, J.S.; Sul, S.K. Unified Voltage Modulation Technique for Real-Time Three-Phase Power Conversion. IEEE Trans. Ind. Appl. 1998, 34, 374–380. [Google Scholar] [CrossRef]
- Shu, Z.; Tang, J.; Guo, Y.; Lian, J. An Efficient SVPWM Algorithm with Low Computational Overhead for Three-Phase Inverters. IEEE Trans. Power Electron. 2007, 22, 1797–1805. [Google Scholar] [CrossRef]
- Yu, B.; Song, W.; Guo, Y. A Simplified and Generalized SVPWM Scheme for Two-Level Multiphase Inverters with Common-Mode Voltage Reduction. IEEE Trans. Ind. Electron. 2021, 69, 1378–1388. [Google Scholar] [CrossRef]
- Ni, K.; Hu, Y.; Liu, Y.; Gan, C. Performance Analysis of a Four-Switch Three-Phase Grid-Side Converter with Modulation Simplification in a Doubly-Fed Induction Generator-Based Wind Turbine (DFIG-WT) with Different External Disturbances. Energies 2017, 10, 706. [Google Scholar] [CrossRef]
- Alouane, A.; Rhouma, A.B.; Hamouda, M.; Khedher, A. Efficient FPGA-Based Real-Time Implementation of an SVPWM Algorithm for a Delta Inverter. IET Power Electron. 2018, 11, 1611–1619. [Google Scholar] [CrossRef]
- Ma, H.; Lu, Y.; Zheng, K.; Xu, T. Research on the Simplified SVPWM for Three-Phase/Switches Y-Type Two-Level Rectifier. IEEE Access 2020, 8, 214310–214321. [Google Scholar] [CrossRef]
- Yan, Q.; Zhou, Z.; Wu, M.; Yuan, X. A Simplified Analytical Algorithm in abc Coordinate for the Three-Level SVPWM. IEEE Trans. Power Electron. 2020, 36, 3622–3627. [Google Scholar] [CrossRef]
- Hu, J.S.; Lin, J.N.; Chen, H.C. A Discontinuous Space Vector PWM Algorithm in abc Reference Frame for Multilevel Three-Phase Cascaded H-Bridge Voltage Source Inverters. IEEE Trans. Ind. Electron. 2017, 64, 8406–8414. [Google Scholar] [CrossRef]
- Jacob, B.; Baiju, M.R. A New Space Vector Modulation Scheme for Multilevel Inverters Which Directly Vector Quantize the Reference Space Vector. IEEE Trans. Ind. Electron. 2014, 62, 88–95. [Google Scholar] [CrossRef]
- Szczepankowski, P.; Nieznański, J. Application of Barycentric Coordinates in Space Vector PWM Computations. IEEE Access 2019, 7, 91499–91508. [Google Scholar] [CrossRef]
- Wang, Q.; Chen, P.; Deng, F.; Cheng, M.; Buja, G. A Novel Method Simulating Human Eye Recognition for Sector Judgement of SVPWM Algorithm. IEEE Access 2020, 8, 90216–90224. [Google Scholar] [CrossRef]
- Bose, B.K. Neural Network Applications in Power Electronics and Motor Drives—An Introduction and Perspective. IEEE Trans. Ind. Electron. 2007, 54, 14–33. [Google Scholar] [CrossRef]
- Langer, N.; Bhat, A.H.; Agarwal, P. Neural-Network-Based Space-Vector Pulse-Width Modulation for Capacitor Voltage Balancing of Three-Phase Three-Level Improved Power Quality Converter. IET Power Electron. 2014, 7, 973–983. [Google Scholar] [CrossRef]
- Mondal, S.K.; Pinto, J.O.; Bose, B.K. A Neural-Network-Based Space-Vector PWM Controller for a Three-Level Voltage-Fed Inverter Induction Motor Drive. IEEE Trans. Ind. Appl. 2002, 38, 660–669. [Google Scholar] [CrossRef]
- Tan, B.; Gu, Z.; Shen, K.; Ding, X. Third Harmonic Injection SPWM Method Based on Alternating Carrier Polarity to Suppress the Common Mode Voltage. IEEE Access 2018, 7, 9805–9816. [Google Scholar] [CrossRef]
- Lei, W.; Shuanghui, H.; Minghui, H.; Baoyu, S. A Harmonic Injection SPWM Method for the High-Responsive PMSM Control System. Int. J. Electron. 2016, 103, 130–146. [Google Scholar] [CrossRef]
- Wei, C.; Yuan, X.; Zhang, Y.; Wu, X. A Generic Multi-Level SVM Scheme Based on Two-Level SVM for N-Level Converters. Energies 2020, 13, 2143. [Google Scholar] [CrossRef]
- Mini, Y.; Nguyen, N.K.; Semail, E.; Vu, D.T. Enhancement of Sensorless Control for Non-Sinusoidal Multiphase Drives-Part I: Operation in Medium and High-Speed Range. Energies 2022, 15, 607. [Google Scholar] [CrossRef]
- Tian, Y.; Wickramasinghe, H.R.; Li, Z.; Pou, J.; Konstantinou, G. Review, Classification and Loss Comparison of Modular Multilevel Converter Submodules for HVDC Applications. Energies 2022, 15, 1985. [Google Scholar] [CrossRef]





















| Symbol | Description | Value |
|---|---|---|
| V | Output voltage | 110 V |
| P | Maximum power | 8 kW |
| E | Stored energy | 357.3 Wh |
| Maximum speed | 36,000 rpm | |
| M | Rotor weight | 32.5 kg |
| S | Prototype size | 350 × 420 mm |
| Symbol | Description | Value |
|---|---|---|
| P | Maximum power | 8 kW |
| V | Rated voltage | 110 VAC |
| Maximum speed | 36,000 rpm | |
| P | Number of poles | 4 |
| L | Stator inductance | 14 H |
| R | Stator resistance | 8 m |
| MCU Types | SVPWM Algorithms | Execution Time @ Flash @ Floating Point | Processor Cycles @ Flash @ Floating Point | Execution Time @ RAM @IQmath Library | Processor Cycles @ RAM @IQmath Library |
|---|---|---|---|---|---|
| TMS320 F28379D | SVPWM algorithm with the OVDT of the 1-norm | 8.2 s | 1229 | 2.6 s | 390 |
| SVPWM algorithm with the OVDT of the 2-norm | 6.3 s | 945 | 1.9 s | 285 | |
| Conventional SVPWM algorithm | 13.4 s | 2008 | 4.2 s | 629 | |
| SVPWM algorithm in [17] | 8.5 s | 1274 | 2.7 s | 404 | |
| SVPWM algorithm in [18] | 10.2 s | 1592 | 3.4 s | 510 | |
| SVPWM algorithm in [31] | 7.4 s | 1109 | 2.3 s | 344 | |
| STM32 F405 | SVPWM algorithm with the OVDT of the 1-norm | 9.7 s | 1358 | 3.0 s | 420 |
| SVPWM algorithm with the OVDT of the 2-norm | 7.1 s | 994 | 2.2 s | 308 | |
| Conventional SVPWM algorithm | 15.2 s | 2128 | 5.3 s | 742 | |
| SVPWM algorithm in [17] | 9.8 s | 1372 | 3.1 s | 434 | |
| SVPWM algorithm in [18] | 11.6 s | 1642 | 3.7 s | 518 | |
| SVPWM algorithm in [31] | 8.1 s | 1134 | 2.5 s | 350 | |
| STM32 F103 | SVPWM algorithm with the OVDT of the 1-norm | 45.8 s | 3297 | 9.2 s | 662 |
| SVPWM algorithm with the OVDT of the 2-norm | 35.2 s | 2640 | 6.7 s | 482 | |
| Conventional SVPWM algorithm | 73.5 s | 5292 | 14.1 s | 1015 | |
| SVPWM algorithm in [17] | 46.3 s | 3334 | 9.6 s | 691 | |
| SVPWM algorithm in [18] | 64.5 s | 4644 | 11.7 s | 824 | |
| SVPWM algorithm in [31] | 40.3 s | 2901 | 7.8 s | 561 |
Publisher’s Note: MDPI stays neutral with regard to jurisdictional claims in published maps and institutional affiliations. |
© 2022 by the authors. Licensee MDPI, Basel, Switzerland. This article is an open access article distributed under the terms and conditions of the Creative Commons Attribution (CC BY) license (https://creativecommons.org/licenses/by/4.0/).
Share and Cite
Hu, H.; Wang, H.; Liu, K.; Wei, J.; Shen, X. A Simplified Space Vector Pulse Width Modulation Algorithm of a High-Speed Permanent Magnet Synchronous Machine Drive for a Flywheel Energy Storage System. Energies 2022, 15, 4065. https://doi.org/10.3390/en15114065
Hu H, Wang H, Liu K, Wei J, Shen X. A Simplified Space Vector Pulse Width Modulation Algorithm of a High-Speed Permanent Magnet Synchronous Machine Drive for a Flywheel Energy Storage System. Energies. 2022; 15(11):4065. https://doi.org/10.3390/en15114065
Chicago/Turabian StyleHu, Hongjin, Haoze Wang, Kun Liu, Jingbo Wei, and Xiangjie Shen. 2022. "A Simplified Space Vector Pulse Width Modulation Algorithm of a High-Speed Permanent Magnet Synchronous Machine Drive for a Flywheel Energy Storage System" Energies 15, no. 11: 4065. https://doi.org/10.3390/en15114065
APA StyleHu, H., Wang, H., Liu, K., Wei, J., & Shen, X. (2022). A Simplified Space Vector Pulse Width Modulation Algorithm of a High-Speed Permanent Magnet Synchronous Machine Drive for a Flywheel Energy Storage System. Energies, 15(11), 4065. https://doi.org/10.3390/en15114065

