Optimizing Allocation of Distributed Electric Heating for Large-Scale Access Distribution Considering the Influence of Power Quality
Abstract
:1. Introduction
2. Analysis of Power Quality Problems and Governance Strategies after Large-Scale Application of Distributed Electric Heating
2.1. Analysis of Power Quality Problems
2.2. User-Side Power Quality Management Strategy
2.2.1. Optimal Design of The Grid Structure
2.2.2. The Reactive Power Compensation and The Harmonic Control Strategy
2.2.3. The Three-Phase Imbalance Management Strategy
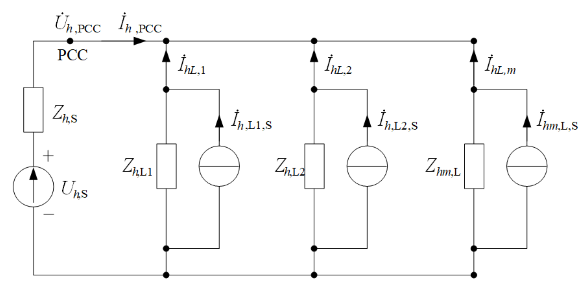
3. Two-Tier Planning Model for the Power Quality Management
3.1. Upper-Level Planning: Optimal Configuration Model of Power Quality Control Devices
3.1.1. The Objective Function
- Investment cost of power quality control device:
- Calculation formula of unit capacity cost of the power quality control device:
3.1.2. Restrictions
3.1.3. Normalized
3.2. Lower-Level Planning: Mathematical Model of Load Optimization Regulation
4. Co-Simulation through Matlab and OpenDSS
4.1. Co-Simulation Platform
4.2. The Solution
4.2.1. Upper-Level Planning Coding
4.2.2. Lower-Level Planning Coding
- Vector gene coding strategy:
- Genetic manipulation:
4.2.3. Algorithm Flow
5. Case Analysis
5.1. Grid Structure Optimization
5.2. Power Quality Management Planning
5.2.1. Configuration of Power Quality Control Devices
5.2.2. Management Situation after Optimal Configuration of Power Quality Devices
6. Conclusions
Author Contributions
Funding
Data Availability Statement
Conflicts of Interest
References
- He, J. Low Carbon Transformation of Energy and Economy under Carbon Neutral Goal. J. Environ. Econ. 2021, 6, 1–9. [Google Scholar]
- Xi, J. China Aims to Peak its Carbon Emissions by 2030 and Achieve Carbon Neutrality by 2060. Manuf. Upgrad. Today 2020, 9, 10. [Google Scholar]
- Li, Z. Electric Energy Substitution is An Important Way to Achieve Carbon Peak Carbon Neutrality. Rep. Notes 2021, 13, 41–45. [Google Scholar]
- Yuan, J.H.; Song, Y. Research on coal consumption control policies of the power industry during the 14th Five-Year Plan period. China Coal 2021, 47, 9–16. [Google Scholar]
- Lv, D.F.; Jiang, T.; Feng, Z.Z.; Cai, F.D. Carried out Result Investigation and Improved Measure Exploration the Replacement of Coal with Electricity. Rural Electrif. 2019, 1, 5–7. [Google Scholar]
- Tuzikova, V.; Tlusty, J.; Muller, Z. A novel power losses reduction method based on a particle swarm optimization algorithm using STATCOM. Energies 2018, 11, 2851. [Google Scholar] [CrossRef] [Green Version]
- Bhat, M.V.; Manjappa, N. Flower pollination algorithm based sizing and placement of DG and D-STATCOM simultaneously in radial distribution systems. In Proceedings of the 2018 20th National Power Systems Conference (NPSC), Tiruchirappalli, India, 14–16 December 2018; pp. 1–5. [Google Scholar]
- Luo, L.; Gu, W.; Zhang, X.-P.; Cao, G.; Wang, W.; Zhu, G.; You, D.; Wu, Z. Optimal siting and sizing of distributed generation in distribution systems with PV solar farm utilized as STATCOM (PV-STATCOM). Appl. Energy 2018, 210, 1092–1100. [Google Scholar] [CrossRef]
- Chen, C.; Ling, Y.; Zhang, S. Reactive Power Optimization of Power Grid Based on Multi-strategy Adaptive Particle Swarm Optimization Algorithm. Power Capacit. React. Power Compens. 2020, 41, 102–108. [Google Scholar]
- Liu, M.; Qiu, X.; Zhang, Z. Multi-objective Reactive Power Optimization of Distribution Network Considering Output Correlation between Wind Turbines and Photovoltaic Units. Power Syst. Technol. 2020, 44, 1892–1899. [Google Scholar]
- Ning, S.; Zhang, J.; Zhou, S. Multi-objective Optimization Model of Passive Power Filter for Harmonic Suppression. Sichuan Electr. Power Technol. 2021, 44, 29–34. [Google Scholar]
- Jin, L.; Cheng, Y.; Hou, K. Research on coordinative optimization of passive filter based on membership function. Chin. J. Sci. Instrum. 2018, 39, 89–98. [Google Scholar]
- Melo, I.D.; Pereira, J.; Variz, A.M. Allocation and sizing of single tuned passive filters in three-phase distribution systems for power quality improvement. Electr. Power Syst. Res. 2020, 180, 106128. [Google Scholar] [CrossRef]
- Mauren, P.; Leborgne, R.C.; Herrera-Orozco, A.R.; Bretas, A.S. NSGAII optimization for single phase passive filter allocation in distribution systems. Electr. Power Syst. Res. 2019, 176, 105923. [Google Scholar]
- Han, S.; Xie, D.; Zhang, W.; Kang, R.S. Study on new passive filtering method based on fundamental magnetic flux compensation and secondary single-tuned resonance. Power Syst. Prot. Control 2012, 40, 46–49, 56. [Google Scholar]
- Wang, N.; Tian, S.; Jia, Q.; Yin, G.; Sun, H.; Du, G. Method for integrated optimal configuration of harmonic control equipment in active distribution network. Chin. J. Sci. Instrum. 2018, 39, 91–98. [Google Scholar]
- Cao, W.; Wu, M.; Zhao, J.; Liu, W.; Lu, Y. An improved current-limiting strategy for shunt active power filter (SAPF) using particle swarm optimization (PSO). In Proceedings of the 2018 IEEE Applied Power Electronics Conference and Exposition (APEC), San Antonio, TX, USA, 4–8 March 2018; pp. 494–498. [Google Scholar]
- Liu, W.; Jia, Q.; Sun, L.; Tian, S.; Ren, M.; Zhang, G. Distributed Configuration of Voltage Detection APF Considering the Contribution of Multi-functional Inverter to Mitigation Harmonics. Proc. CSEE 2021, 1–15. [Google Scholar]
- Cheng, X.; Tian, H.; Zhou, Q.; Xu, F.; Xie, R.; Cheng, X.; Tian, H.; Zhou, Q.; Xu, F.; Xie, R.; et al. Control strategy of intelligent commutation switch considering phase imbalance. Power Syst. Prot. Control 2021, 49, 48–55. [Google Scholar]
- Tang, D.; Hao, J.; Liu, R.; Ma, T.F.; Li, H.H.; Liu, Y.J. Control method of three phase load imbalance in a distribution station area based on dynamic programming. Power Syst. Prot. Control 2020, 48, 58–66. [Google Scholar]
- Zhang, Y.; Ding, Y.; Zhang, J.; Wang, X. Load-balancing Control Strategy Considering Network Topology and Commutation Limitation. Proc. CSU-EPSA 2019, 31, 57–61, 68. [Google Scholar]
- Takriti, S.; Krasenbrink, B.; Wu, L. Incorporating fuel constraints and electricity spot prices into the stochastic unit commitment problem. Oper. Res. 2000, 48, 268–280. [Google Scholar] [CrossRef]
- Brandt, F.; Bauer, R.; Völker, M.; Cardeneo, A. A constraint programming-based approach to a large-scale energy management problem with varied constraints. J. Sched. 2013, 16, 629–648. [Google Scholar] [CrossRef]
- Lusby, R.; Muller, L.; Petersen, B. A solution approach based on Benders decomposition for the preventive maintenance scheduling problem of a stochastic large-scale energy system. J. Sched. 2013, 16, 605–628. [Google Scholar] [CrossRef]
- Dupin, N.; Talbi, E.G. Matheuristics to optimize refueling and maintenance planning of nuclear power plants. J. Heuristics 2021, 27, 63–105. [Google Scholar] [CrossRef]
- Meng, C. Rural Power Grid Planning and Design Considering Coal-to-Electricity Demand and Distributed Power Access; Agricultural University of Hebei: Baoding, China, 2021. [Google Scholar]
- Hu, X.; Shao, Y.; Lei, C.; Su, Y.; Wang, G.; Zhou, N. A solution method for low voltage problem in distribution network considering voltage-violated buses. Power Syst. Prot. Control 2017, 45, 102–109. [Google Scholar]
- Han, S.; Lu, Y.; Zhao, Y. Optimization Analysis of Power Distribution Network Panning Design after Coal is Replaced by Electric Power. Rural Electrif. 2021, 9, 13–15. [Google Scholar]
- Yuan, Z.; Bao, H.; Zhou, L.; Zhang, H.; Zhou, J. Analysis on the impacts of large-scale electric heating radiators to power quality of distribution networks. Electr. Meas. Instrum. 2019, 56, 60–68, 101. [Google Scholar]













| Penetration | Planning Measures | Minimum Voltage Value/p.u. | ||
|---|---|---|---|---|
| Phase A | Phase B | Phase C | ||
| 60% | Before | 0.8745 | 0.9078 | 0.8603 |
| After | 0.8994 | 0.9340 | 0.8816 | |
| 80% | Before | 0.8962 | 0.7951 | 0.6986 |
| After | 1.0213 | 0.9551 | 0.9238 | |
| Penetration | Reactive Power Compensation Capacity/kvar | Harmonic Filter Rate of APF |
|---|---|---|
| 20% | — | 23.24% |
| 40% | — | 40.62% |
| 60% | 39.32 | 61.90% |
| 80% | 92.01 | 66.21% |
| Penetration | Box Position Number | |||||||
|---|---|---|---|---|---|---|---|---|
| ① | ② | ③ | ④ | ⑤ | ⑥ | ⑦ | ⑧ | |
| 20% | 8 | 15 | 19 | 16 | 20 | 6 | — | — |
| 40% | 8 | 15 | 19 | 16 | 20 | 6 | — | — |
| 60% | 5 | 10 | 8 | 13 | 20 | 19 | 11 | — |
| 80% | 4 | 16 | 11 | 8 | 12 | 20 | 7 | 6 |
| Penetration | Planning Measures | Box Position Number | |||||||
|---|---|---|---|---|---|---|---|---|---|
| ① | ② | ③ | ④ | ⑤ | ⑥ | ⑦ | ⑧ | ||
| 20% | Before | C | C | C | A | B | A | — | — |
| After | A | B | B | A | B | A | — | — | |
| 40% | Before | C | C | C | A | B | A | — | — |
| After | A | B | A | A | B | A | — | — | |
| 60% | Before | B | A | C | C | B | C | C | — |
| After | A | A | C | B | B | C | A | — | |
| 80% | Before | B | A | C | C | C | B | C | A |
| After | A | A | C | C | A | B | C | A | |
| Penetration | Planning Measures | Three-Phase Unbalance | Power Factor | Minimum Voltage Value/p.u. | ||
|---|---|---|---|---|---|---|
| Phase A | Phase B | Phase C | ||||
| 20% | Before | 14.87% | 0.9732 | 0.9897 | 0.9876 | 0.9688 |
| After | 1.21% | 0.9731 | 0.9745 | 0.9790 | 0.9937 | |
| 40% | Before | 12.45% | 0.9692 | 0.9328 | 0.9679 | 0.9485 |
| After | 0.96% | 0.9694 | 0.9317 | 0.9576 | 0.9601 | |
| 60% | Before | 14.30% | 0.9250 | 0.8994 | 0.9340 | 0.8816 |
| After | 1.16% | 0.9658 | 0.9112 | 0.9159 | 0.9017 | |
| 80% | Before | 26.66% | 0.8648 | 1.0213 | 0.9551 | 0.9238 |
| After | 1.22% | 0.9697 | 0.9796 | 0.9486 | 0.9548 | |
Publisher’s Note: MDPI stays neutral with regard to jurisdictional claims in published maps and institutional affiliations. |
© 2022 by the authors. Licensee MDPI, Basel, Switzerland. This article is an open access article distributed under the terms and conditions of the Creative Commons Attribution (CC BY) license (https://creativecommons.org/licenses/by/4.0/).
Share and Cite
Li, W.; Li, M.; Zhang, N.; Zhou, X.; Zhou, J.; Song, G. Optimizing Allocation of Distributed Electric Heating for Large-Scale Access Distribution Considering the Influence of Power Quality. Energies 2022, 15, 3587. https://doi.org/10.3390/en15103587
Li W, Li M, Zhang N, Zhou X, Zhou J, Song G. Optimizing Allocation of Distributed Electric Heating for Large-Scale Access Distribution Considering the Influence of Power Quality. Energies. 2022; 15(10):3587. https://doi.org/10.3390/en15103587
Chicago/Turabian StyleLi, Wei, Mengjun Li, Ning Zhang, Xuesong Zhou, Jiegui Zhou, and Guanyu Song. 2022. "Optimizing Allocation of Distributed Electric Heating for Large-Scale Access Distribution Considering the Influence of Power Quality" Energies 15, no. 10: 3587. https://doi.org/10.3390/en15103587
APA StyleLi, W., Li, M., Zhang, N., Zhou, X., Zhou, J., & Song, G. (2022). Optimizing Allocation of Distributed Electric Heating for Large-Scale Access Distribution Considering the Influence of Power Quality. Energies, 15(10), 3587. https://doi.org/10.3390/en15103587
