Analysis and Development of a Small-Scale Supercritical Carbon Dioxide (sCO2) Brayton Cycle
Abstract
:1. Introduction
2. Cycle Description
- Generate power at a kilowatt scale in the range of 1 to 10 kW (3412.14 to 34,121.4 Btu/h) for 5 min.
- Working fluid stays in the supercritical phase throughout the cycle.
- The heat source’s max heating capacity is 16.73 kW (57,085.13 Btu/h).
- The heat exchanger’s max cooling capacity is 13.5 kW (46,063.92 Btu/h).
- The cycle is considered a low-temperature heat source based on the above parameters.
3. Piston Expander Design
3.1. Piston Expander vs. Turbine Analysis
3.2. Geometric Model
3.3. sCO2 Engine’s Main Components
3.4. Working Principle
4. Compressor
5. Heat Source Design
6. Heat Exchanger Design
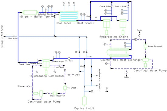
Piping and Instrumentation Diagram (P&ID)
7. Conclusions and Future Work
Author Contributions
Funding
Institutional Review Board Statement
Informed Consent Statement
Data Availability Statement
Conflicts of Interest
References
- U.S. Energy Information Administration—EIA. Independent Statistics and Analysis. Electricity in the U.S. Available online: https://www.eia.gov/energyexplained/electricity/electricity-in-the-us.php (accessed on 1 August 2021).
- Table 7.2a Electricity Net Generation: Total (All…—EIA). Available online: https://www.eia.gov/totalenergy/data/monthly/pdf/sec7_5.pdf (accessed on 1 August 2021).
- Brun, K.; Friedman, P.; Dennis, R. Fundamentals and Applications of Supercritical Carbon Dioxide (SCO2) Based Power Cycles; Elsevier Science & Technology: Cambridge, MA, USA, 2017. [Google Scholar]
- Xu, J.; Liu, C.; Sun, E.; Xie, J.; Li, M.; Yang, Y.; Liu, J. Perspective of S−CO2 Power Cycles. Energy 2019, 186, 115831. [Google Scholar] [CrossRef]
- Persichilli, M.; Kacludis, A.; Zdankiewicz, E.; Held, T. Supercritical CO2 power cycle developments and commercialization: Why sCO2 can displace steam. Power-Gen India Cent. Asia 2012, 2012, 19–21. [Google Scholar]
- Li, M.-J.; Zhu, H.-H.; Guo, J.-Q.; Wang, K.; Tao, W.-Q. The Development Technology and Applications of Supercritical CO2 Power Cycle in Nuclear Energy, solar energy and other energy industries. Appl. Therm. Eng. 2017, 126, 255–275. [Google Scholar] [CrossRef]
- Dostal, V.; Hejzlar, P.; Driscoll, M.J. The supercritical carbon dioxide power cycle: Comparison to other advanced power cycles. Nucl. Technol. 2006, 154, 283–301. [Google Scholar] [CrossRef]
- Klemencic, G.; Flegkas, S.; Werner, A.; Haider, M.; Leibinger, H. Comparison of conventional and CO2 power generation cycles for waste heat recovery. In Proceedings of the 5th International Symposium—Supercritical CO2 Power Cycles, San Antonio, TX, USA, 28–31 March 2016. [Google Scholar]
- Dostal, V. A Supercritical Carbon Dioxide Cycle for Next Generation Nuclear Reactors. Ph.D. Thesis, Massachusetts Institute of Technology, Cambridge, MA, USA, 2004. [Google Scholar]
- Allam, R.J.; Palmer, M.R.; Brown, G.W., Jr.; Fetvedt, J.; Freed, D.; Nomoto, H.; Jones, C., Jr. High efficiency and low cost of electricity generation from fossil fuels while eliminating atmospheric emissions, including carbon dioxide. Energy Procedia 2013, 37, 1135–1149. [Google Scholar] [CrossRef] [Green Version]
- Allam, R.J.; Fetvedt, J.E.; Forrest, B.A.; Freed, D.A. The oxy-fuel, supercritical CO2 Allam Cycle: New cycle developments to produce even lower-cost electricity from fossil fuels without atmospheric emissions. In Turbo Expo: Power for Land, Sea, and Air; American Society of Mechanical Engineers: New York, NY, USA, 2014; Volume 45660, p. V03BT36A016. [Google Scholar]
- Allam, R.; Martin, S.; Forrest, B.; Fetvedt, J.; Lu, X.; Freed, D.; Manning, J. Demonstration of the Allam Cycle: An update on the development status of a high efficiency supercritical carbon dioxide power process employing full carbon capture. Energy Procedia 2017, 114, 5948–5966. [Google Scholar] [CrossRef]
- Weiland, N.; Shelton, W.; Shultz, T.; White, C.W.; Gray, D. Performance and Cost Assessment of a Coal Gasification Power Plant Integrated with a Direct-Fired SCO2 Brayton Cycle; National Energy Technology Laboratory (NETL): Pittsburgh, PA, USA, 2017. [CrossRef]
- Yoon, H.J.; Ahn, Y.; Lee, J.I.; Addad, Y. Potential advantages of coupling supercritical CO2 Brayton cycle to water cooled small and medium size reactor. Nucl. Eng. Des. 2012, 245, 223–232. [Google Scholar] [CrossRef]
- Turchi, C.S.; Ma, Z.; Neises, T.W.; Wagner, M.J. Thermodynamic study of advanced supercritical carbon dioxide power cycles for concentrating solar power systems. J. Sol. Energy Eng. 2013, 135, 041007. [Google Scholar] [CrossRef]
- Iverson, B.D.; Conboy, T.M.; Pasch, J.J.; Kruizenga, A.M. Supercritical CO2 Brayton Cycles for solar-thermal energy. Appl. Energy 2013, 111, 957–970. [Google Scholar] [CrossRef] [Green Version]
- Ho, C.K.; Carlson, M.; Garg, P.; Kumar, P. Technoeconomic analysis of alternative solarized S-CO2 Brayton Cycle Configurations. J. Sol. Energy Eng. 2016, 138, 051008. [Google Scholar] [CrossRef]
- Kimzey, G. Development of a Brayton Bottoming Cycle Using Supercritical Carbon Dioxide as the Working Fluid; Electric Power Research Institute, University Turbine Systems Research Program, Gas Turbine Industrial Fellowship: Palo Alto, CA, USA, 2012. [Google Scholar]
- Chen, Y.; Lundqvist, P.; Platell, P. Theoretical research of carbon dioxide power cycle application in automobile industry to reduce vehicle’s fuel consumption. Appl. Therm. Eng. 2005, 25, 2041–2053. [Google Scholar] [CrossRef]
- Balje, O.E. Turbomachines: A Guide to Design, Selection, and Theory; Wiley-Interscience: New York, NY, USA, 1981. [Google Scholar]
- Heywood, J.B. Internal Combustion Engine Fundamentals; McGraw-Hill Education: New York, NY, USA, 2018. [Google Scholar]
- Kundu, P.K.; Dowling, D.R.; Cohen, I.M. Fluid Mechanics; Elsevier: Amsterdam, The Netherlands, 2016. [Google Scholar]
- Bergman, T.L.; Lavine, A.S. Fundamentals of Heat and Mass Transfer; John Wiley and Sons: Hoboken, NJ, USA, 2017. [Google Scholar]
- Lienhard, J.H.; Lienhard, J.H. A Heat Transfer Textbook; Dover Publications: Mineola, NY, USA, 2020. [Google Scholar]
















| 2-Stroke, 2-Cylinder, and Inline Reciprocating Piston Expander | |
|---|---|
| Bore Diameter, B | 3 in (7.62 × 10−2 m) |
| Stroke Length, L | 3.5 in (8.89 × 10−2 m) |
| Crank Radius, a | 1.75 in (4.45 × 10−2 m) |
| Bore-to-Stroke Ratio, Rbs | 0.85 |
| Connecting Rod Length, l | 6 in (1.52 × 10−1 m) |
| Clearance Length, Lc | 0.5 in (1.27 × 10−2 m) |
| Bore Cross Sectional Area, Ac | 7.07 in2 (4.6 × 10−3 m2) |
| Bore Total Volume, Vtot | 28.27 in2 (1.82 × 10−2 m2) |
| Clearance Volume, Vc | 3.53 in3 (5.79 × 10−5 m3) |
| Displaced Volume, Vd | 24.74 in3 (4.05 × 10−4 m3) |
Publisher’s Note: MDPI stays neutral with regard to jurisdictional claims in published maps and institutional affiliations. |
© 2022 by the authors. Licensee MDPI, Basel, Switzerland. This article is an open access article distributed under the terms and conditions of the Creative Commons Attribution (CC BY) license (https://creativecommons.org/licenses/by/4.0/).
Share and Cite
Patel, R.C.; Bass, D.C.; Dukuze, G.P.; Andrade, A.; Combs, C.S. Analysis and Development of a Small-Scale Supercritical Carbon Dioxide (sCO2) Brayton Cycle. Energies 2022, 15, 3580. https://doi.org/10.3390/en15103580
Patel RC, Bass DC, Dukuze GP, Andrade A, Combs CS. Analysis and Development of a Small-Scale Supercritical Carbon Dioxide (sCO2) Brayton Cycle. Energies. 2022; 15(10):3580. https://doi.org/10.3390/en15103580
Chicago/Turabian StylePatel, Raj C., Diego C. Bass, Ganza Prince Dukuze, Angelina Andrade, and Christopher S. Combs. 2022. "Analysis and Development of a Small-Scale Supercritical Carbon Dioxide (sCO2) Brayton Cycle" Energies 15, no. 10: 3580. https://doi.org/10.3390/en15103580
APA StylePatel, R. C., Bass, D. C., Dukuze, G. P., Andrade, A., & Combs, C. S. (2022). Analysis and Development of a Small-Scale Supercritical Carbon Dioxide (sCO2) Brayton Cycle. Energies, 15(10), 3580. https://doi.org/10.3390/en15103580
