Experimental Validation of Hydrogen Fuel-Cell and Battery-Based Hybrid Drive without DC-DC for Light Scooter under Two Typical Driving Cycles
Abstract
1. Introduction
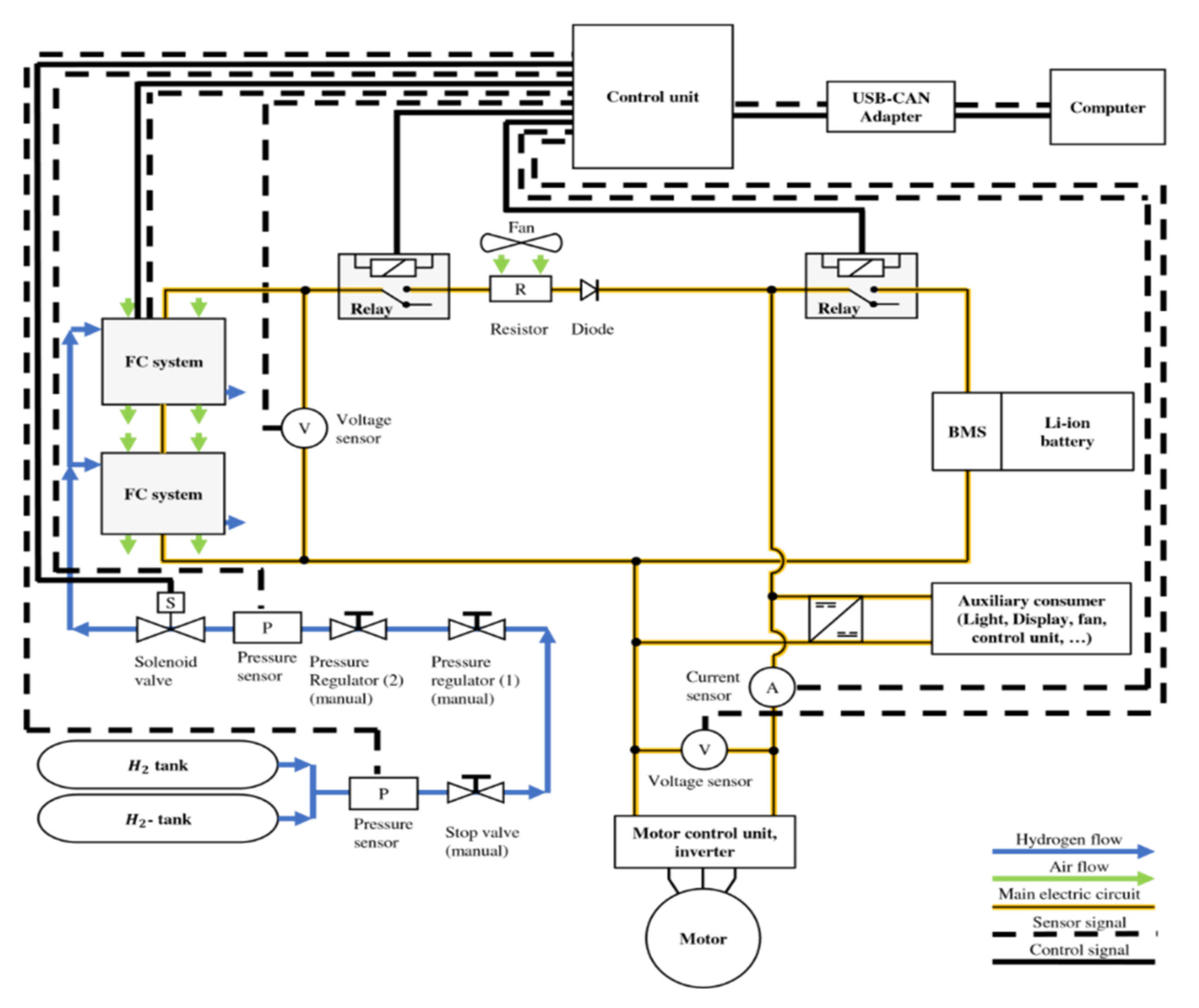
2. Configuration of the Passive Fuel Cell/Battery Hybrid Systems for E-Scooters
- (1)
- If the SOC of the Li-ion battery is higher than a certain level (in this study, the value is set to 90% in order to maintain sufficient power for a relatively high pulse power requirement of the scooter on-road and for the purpose of hydrogen power, which is controlled by FSM strategy), the relay and the solenoid valve of hydrogen inlet will be switched off and the BLDC motor is directly powered by the Li-ion battery in this condition;
- (2)
- If the SOC of the battery drops below 90%, both the solenoid valve of hydrogen and the relay will switch on, i.e., if the scooters are under high load conditions, such as climbing or accelerating, the fuel cell can enhance the capability of output power together with the battery to power the BLDC. When the power demand from the motor is relatively low, the fuel cell will drive the motor and simultaneously charge the battery to increase its SOC to 90%;
- (3)
- If the hydrogen in the tanks is exhausted or improper working conditions occur (i.e., overheating of fuel cell stacks/hydrogen leakage/sudden voltage drops of stacks, etc.), the solenoid valve and the relays will be switched off and stopped until normal working conditions return. Meanwhile, the BLDC motor is powered only by the battery.
3. Test Bench and Dynamic Urban Driving Cycles for Experimental Validation
3.1. Test Bench
3.2. Dynamic Urban Driving Cycles
4. Results and Discussion
4.1. Power Evaluation

4.2. Efficiency Evaluation



5. Conclusions
Author Contributions
Funding
Conflicts of Interest
References
- Modarres, A. Commuting, energy consumption, and the challenge of sustainable urban development. Curr. Opin. Environ. Sustain. 2017, 25, 1–7. [Google Scholar] [CrossRef]
- Chao, D.C.-H.; Van Duijsen, P.J.; Hwang, J.J.; Liao, C.-W. Modeling of a Taiwan fuel cell powered scooter. In Proceedings of the 2009 International Conference on Power Electronics and Drive Systems (PEDS), Taipei, Taiwan, 2–5 November 2009; pp. 913–919. [Google Scholar]
- Weinert, J.X.; Burke, A.F.; Wei, X. Lead-acid and lithium-ion batteries for the Chinese electric bike market and implications on future technology advancement. J. Power Sources 2007, 172, 938–945. [Google Scholar] [CrossRef]
- Voinov, A.; Morales, J.; Hogenkamp, H. Analyzing the social impacts of scooters with geo-spatial methods. J. Environ. Manag. 2019, 242, 529–538. [Google Scholar] [CrossRef] [PubMed]
- Huangfu, Y.; Zhuo, S.; Chen, F.; Pang, S.; Zhao, D.; Gao, F. Robust Voltage Control of Floating Interleaved Boost Converter for Fuel Cell Systems. IEEE Trans. Ind. Appl. 2018, 54, 665–674. [Google Scholar] [CrossRef]
- Sun, L.; Jin, Y.; You, F. Active disturbance rejection temperature control of open-cathode proton exchange membrane fuel cell. Appl. Energy 2020, 261, 114381. [Google Scholar] [CrossRef]
- Tso, C.; Huang, L.-H.; Tseng, C.-J. Hydrogen Scooter Testing and Verification Program. Energy Procedia 2012, 29, 633–643. [Google Scholar] [CrossRef]
- Yap, W.; Karri, V. Regenerative energy control system for plug-in hydrogen fuel cell scooter. Int. J. Energy Res. 2008, 32, 783–792. [Google Scholar] [CrossRef]
- Huang, P.-H.; Kuo, J.-K.; Han, C.-J. Numerical investigation into slope-climbing capability of fuel cell hybrid scooter. Appl. Therm. Eng. 2017, 110, 921–930. [Google Scholar] [CrossRef]
- Jiang, Q.; Bethoux, O.; Ossart, F.; Berthelot, E.; Marchand, C. A-ECMS and SDP Energy Management Algorithms Applied to a Fuel Cell Electric Scooter. In Proceedings of the 2017 IEEE Vehicle Power and Propulsion Conference (VPPC), Belfort, France, 11–14 December 2017; pp. 1–5. [Google Scholar]
- Lin, B. Conceptual design and modeling of a fuel cell scooter for urban Asia. J. Power Sources 2000, 86, 202–213. [Google Scholar] [CrossRef]
- Diloyan, G.; Breziner, L.; Hutapea, P. Development of a Proof-of-Concept Proton Exchange Membrane Fuel Cell Powered Scooter. J. Fuel Cell Sci. Technol. 2012, 9, 034502. [Google Scholar] [CrossRef]
- Hwang, J.J. Review on development and demonstration of hydrogen fuel cell scooters. Renew. Sustain. Energy Rev. 2012, 16, 3803–3815. [Google Scholar] [CrossRef]
- Kim, T.; Vodyakho, O.; Yang, J. Control of a fuel cell hybrid electric motorcycle. In Proceedings of the 2009 IEEE Energy Conversion Congress and Exposition, San Jose, CA, USA, 20–24 September 2009; pp. 438–442. [Google Scholar]
- Di Trolio, P.; Di Giorgio, P.; Genovese, M.; Frasci, E.; Minutillo, M. A hybrid power-unit based on a passive fuel cell/battery system for lightweight vehicles. Appl. Energy 2020, 279, 115734. [Google Scholar] [CrossRef]
- Sulaiman, N.; Hannan, M.; Mohamed, A.; Majlan, E.; Daud, W.W. A review on energy management system for fuel cell hybrid electric vehicle: Issues and challenges. Renew. Sustain. Energy Rev. 2015, 52, 802–814. [Google Scholar] [CrossRef]
- Fathabadi, H. Fuel cell hybrid electric vehicle (FCHEV): Novel fuel cell/SC hybrid power generation system. Energy Convers. Manag. 2018, 156, 192–201. [Google Scholar] [CrossRef]
- Khare, N.; Singh, P. Modeling and optimization of a hybrid power system for an unmanned surface vehicle. J. Power Sources 2012, 198, 368–377. [Google Scholar] [CrossRef]
- Lai, Y.-S.; Lin, Y.-K. Design and implementation of digital-controlled bi-directional converter for scooter applications. In Proceedings of the 2013 IEEE 10th International Conference on Power Electronics and Drive Systems (PEDS), Kitakyushu, Japan, 22–25 April 2013; pp. 271–276. [Google Scholar]
- Li, H.; Ravey, A.; N’Diaye, A.; Djerdir, A. A novel equivalent consumption minimization strategy for hybrid electric vehicle powered by fuel cell, battery and supercapacitor. J. Power Sources 2018, 395, 262–270. [Google Scholar] [CrossRef]
- Luo, Y.; Guo, Q.; Du, Q.; Yin, Y.; Jiao, K. Analysis of cold start processes in proton exchange membrane fuel cell stacks. J. Power Sources 2013, 224, 99–114. [Google Scholar] [CrossRef]
- Robledo, C.B.; van Leeuwen, L.; van Wijk, A.J. Hydrogen fuel cell scooter with plug-out features for combined transport and residential power generation. Int. J. Hydrogen Energy 2019, 44, 29648–29657. [Google Scholar] [CrossRef]
- Renau, J.; Sánchez, F.; Lozano, A.; Barroso, J.; Barreras, F. Analysis of the performance of a passive hybrid powerplant to power a lightweight unmanned aerial vehicle for a high altitude mission. J. Power Sources 2017, 356, 124–132. [Google Scholar] [CrossRef][Green Version]
- Joos, S.; Weißhar, B.; Bessler, W.G. Passive hybridization of a photovoltaic module with lithium-ion battery cells: A model-based analysis. J. Power Sources 2017, 348, 201–211. [Google Scholar] [CrossRef]
- Fathabadi, H. Combining a proton exchange membrane fuel cell (PEMFC) stack with a Li-ion battery to supply the power needs of a hybrid electric vehicle. Renew. Energy 2019, 130, 714–724. [Google Scholar] [CrossRef]
- Jiang, Z.; Dougal, R. A Compact Digitally Controlled Fuel Cell/Battery Hybrid Power Source. IEEE Trans. Ind. Electron. 2006, 53, 1094–1104. [Google Scholar] [CrossRef]
- Bernard, J.; Hofer, M.; Hannesen, U.; Toth, A.; Tsukada, A.; Büchi, F.N.; Dietrich, P. Fuel cell/battery passive hybrid power source for electric powertrains. J. Power Sources 2011, 196, 5867–5872. [Google Scholar] [CrossRef]
- Eduardo, L.G.; Jaime, S.C.; Francisco, C.F.; Fernandez, V.; Lierena, F.I. Experimental evaluation of a passive fuel cell/battery hybrid power system for an unmanned ground vehicle. Int. J. Hydrogen Energy 2018, 44, 12772–12782. [Google Scholar]
- Wu, B.; Parkes, M.A.; Yufit, V.; De Benedetti, L.; Veismann, S.; Wirsching, C. Design and testing of a 9.5 kW proton exchange membrane fuel cell e supercapacitor passive hybrid system. Int. J. Hydrogen Energy 2014, 39, 7885–7896. [Google Scholar] [CrossRef]
- Howroyd, S.; Chen, R. Powerpath controller for fuel cell & battery hybridization. Int. J. Hydrogen Energy 2016, 41, 4229–4238. [Google Scholar]
- Chen, H.; Pei, P.; Song, M. Lifetime prediction and the economic lifetime of Proton Exchange Membrane fuel cells. Appl. Energy 2015, 142, 154–163. [Google Scholar] [CrossRef]
- Cheng, J.-H.; Yu, C.-Y.; Hsu, V. Energy management algorithm for a hybrid fuel cells scooter. In Proceedings of the 2009 IEEE Vehicle Power and Propulsion Conference, Dearborn, MI, USA, 7–10 September 2009; pp. 370–375. [Google Scholar]
- López-Sabirón, A.M.; Barroso, J.; Roda, V.; Barranco, J.; Lozano, A.; Barreras, F. Design and development of the cooling system of a 2 kW nominal power open-cathode polymer electrolyte fuel cell stack. Int. J. Hydrogen Energy 2012, 37, 7289–7298. [Google Scholar] [CrossRef]
- Sasmito, A.; Lum, K.; Birgersson, E.; Mujumdar, A. Computational study of forced air-convection in open-cathode polymer electrolyte fuel cell stacks. J. Power Sources 2010, 195, 5550–5563. [Google Scholar] [CrossRef]
- Li, Z.; Huang, J.; Liaw, B.Y.; Zhang, J. On state-of-charge determination for lithium-ion batteries. J. Power Sources 2017, 348, 281–301. [Google Scholar] [CrossRef]
- Tseng, C.-Y.; Lin, C.-F. Estimation of the state-of-charge of lead–acid batteries used in electric scooters. J. Power Sources 2005, 147, 282–287. [Google Scholar] [CrossRef]
- Wei, Z.; Zhao, J.; Zou, C.; Lim, T.M.; Tseng, K.J. Comparative study of methods for integrated model identification and state of charge estimation of lithium-ion battery. J. Power Sources 2018, 402, 189–197. [Google Scholar] [CrossRef]
- Carignano, M.; Roda, V.; Costa-Castello, R.; Valino, L.; Lozano, A.; Barreras, F. Assessment of Energy Management in a Fuel Cell/Battery Hybrid Vehicle. IEEE Access 2019, 7, 16110–16122. [Google Scholar] [CrossRef]
- Dimitrova, Z.; Nader, W.B. PEM fuel cell as an auxiliary power unit for range extended hybrid electric vehicles. Energy 2022, 239, 121933–121944. [Google Scholar] [CrossRef]




| Main Components | Description | Value | Units |
|---|---|---|---|
| Fuel cell stack | Rated power | 500 (250 × 2) | W |
| Rated voltage | 48 (24 × 2) | V | |
| Cooling method | Air-cooling | ||
| Lithium-ion battery | Rated voltage | 48 | V |
| Capacity | 12 | Ah | |
| BLDC motor | Nominal power | 500 | W |
| Max. Power | 1200 | W | |
| Driving voltage | 48 | V | |
| Compressed hydrogen tank | Nominal volume | 6 | L |
| Max. pressure | 35 | MPa | |
| Power resistor | Resistor | 3 | Ω |
Publisher’s Note: MDPI stays neutral with regard to jurisdictional claims in published maps and institutional affiliations. |
© 2021 by the authors. Licensee MDPI, Basel, Switzerland. This article is an open access article distributed under the terms and conditions of the Creative Commons Attribution (CC BY) license (https://creativecommons.org/licenses/by/4.0/).
Share and Cite
Zhang, Z.; Tang, J.; Zhang, T. Experimental Validation of Hydrogen Fuel-Cell and Battery-Based Hybrid Drive without DC-DC for Light Scooter under Two Typical Driving Cycles. Energies 2022, 15, 69. https://doi.org/10.3390/en15010069
Zhang Z, Tang J, Zhang T. Experimental Validation of Hydrogen Fuel-Cell and Battery-Based Hybrid Drive without DC-DC for Light Scooter under Two Typical Driving Cycles. Energies. 2022; 15(1):69. https://doi.org/10.3390/en15010069
Chicago/Turabian StyleZhang, Zhiming, Jianan Tang, and Tong Zhang. 2022. "Experimental Validation of Hydrogen Fuel-Cell and Battery-Based Hybrid Drive without DC-DC for Light Scooter under Two Typical Driving Cycles" Energies 15, no. 1: 69. https://doi.org/10.3390/en15010069
APA StyleZhang, Z., Tang, J., & Zhang, T. (2022). Experimental Validation of Hydrogen Fuel-Cell and Battery-Based Hybrid Drive without DC-DC for Light Scooter under Two Typical Driving Cycles. Energies, 15(1), 69. https://doi.org/10.3390/en15010069

