Multi-Level Multi-Input Converter for Hybrid Renewable Energy Generators
Abstract
:1. Introduction
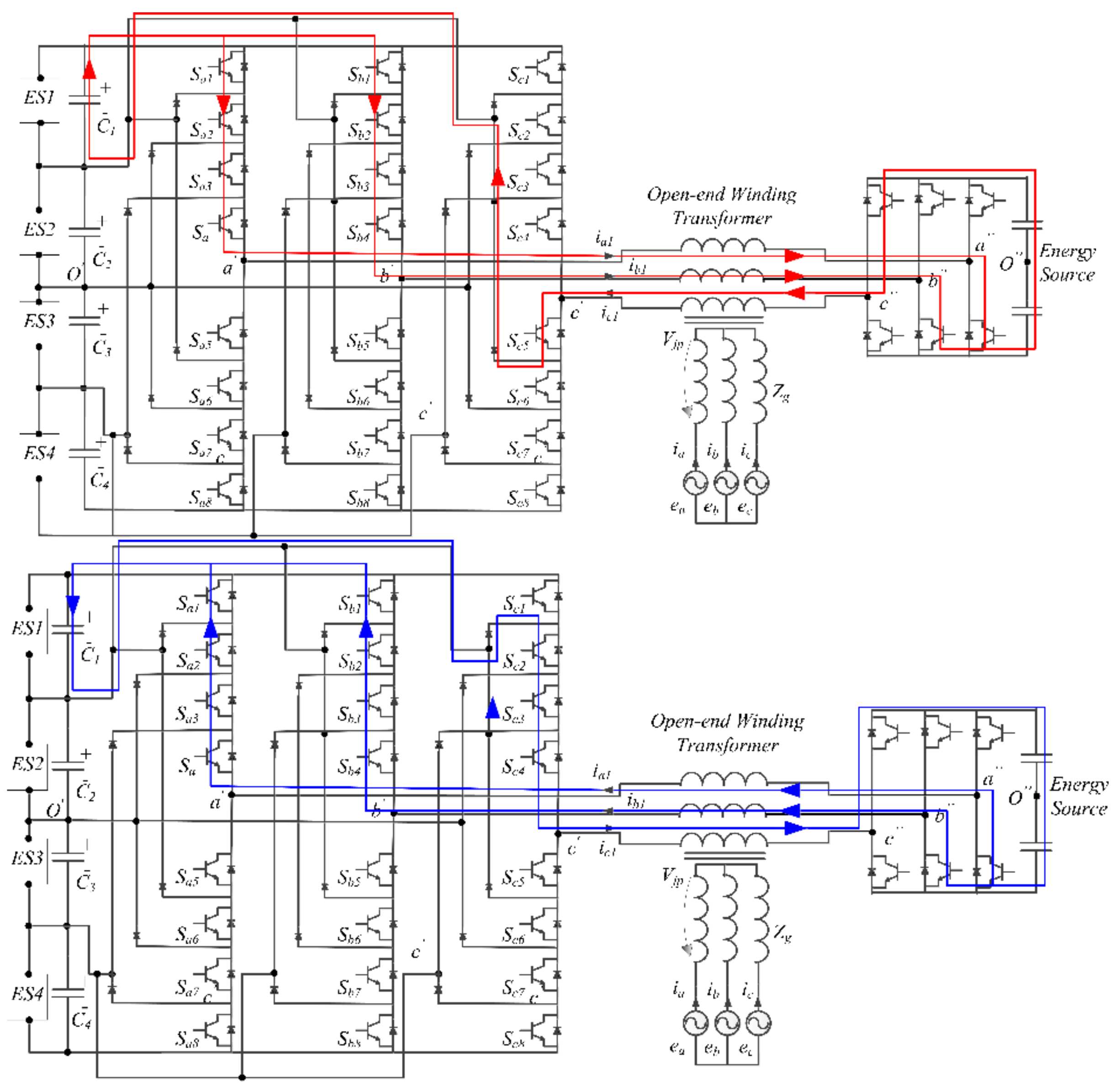
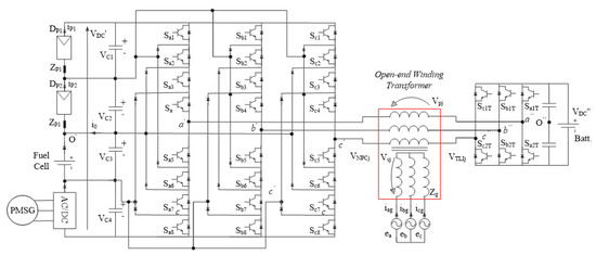
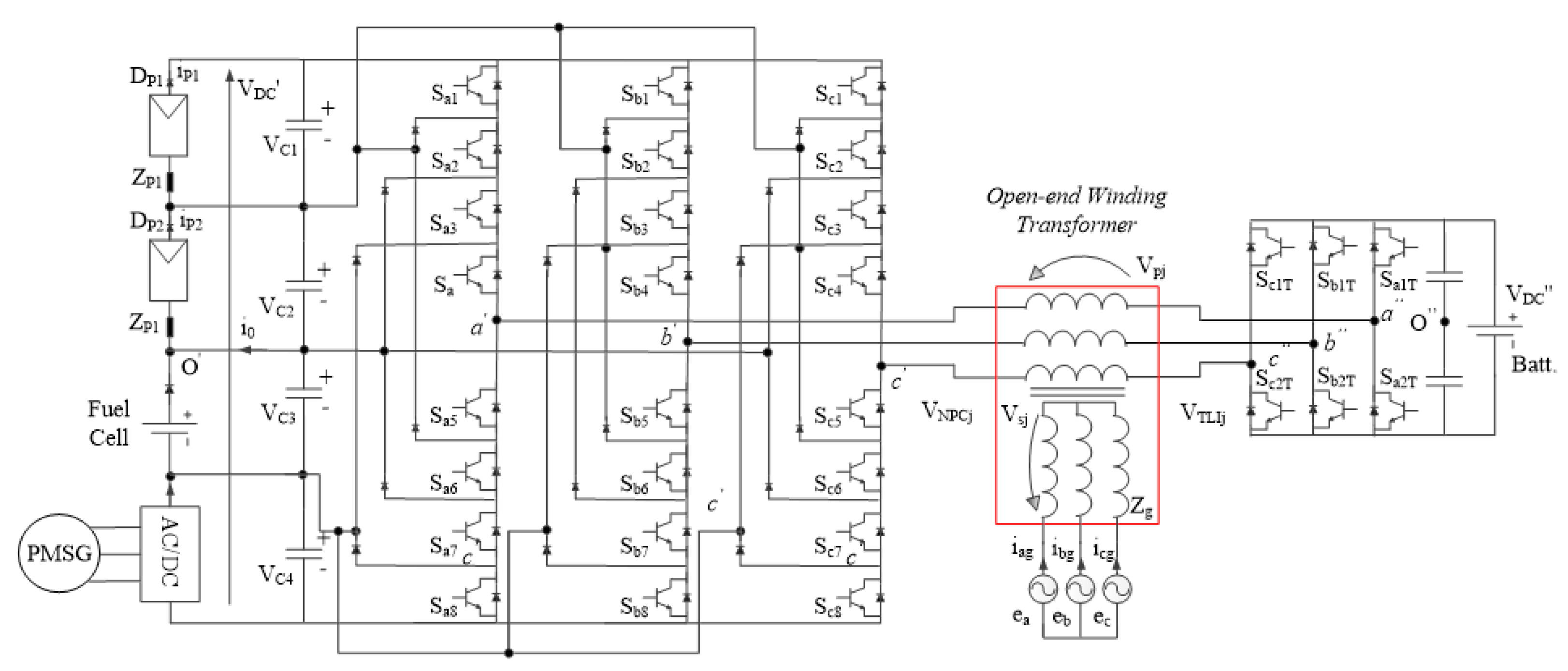
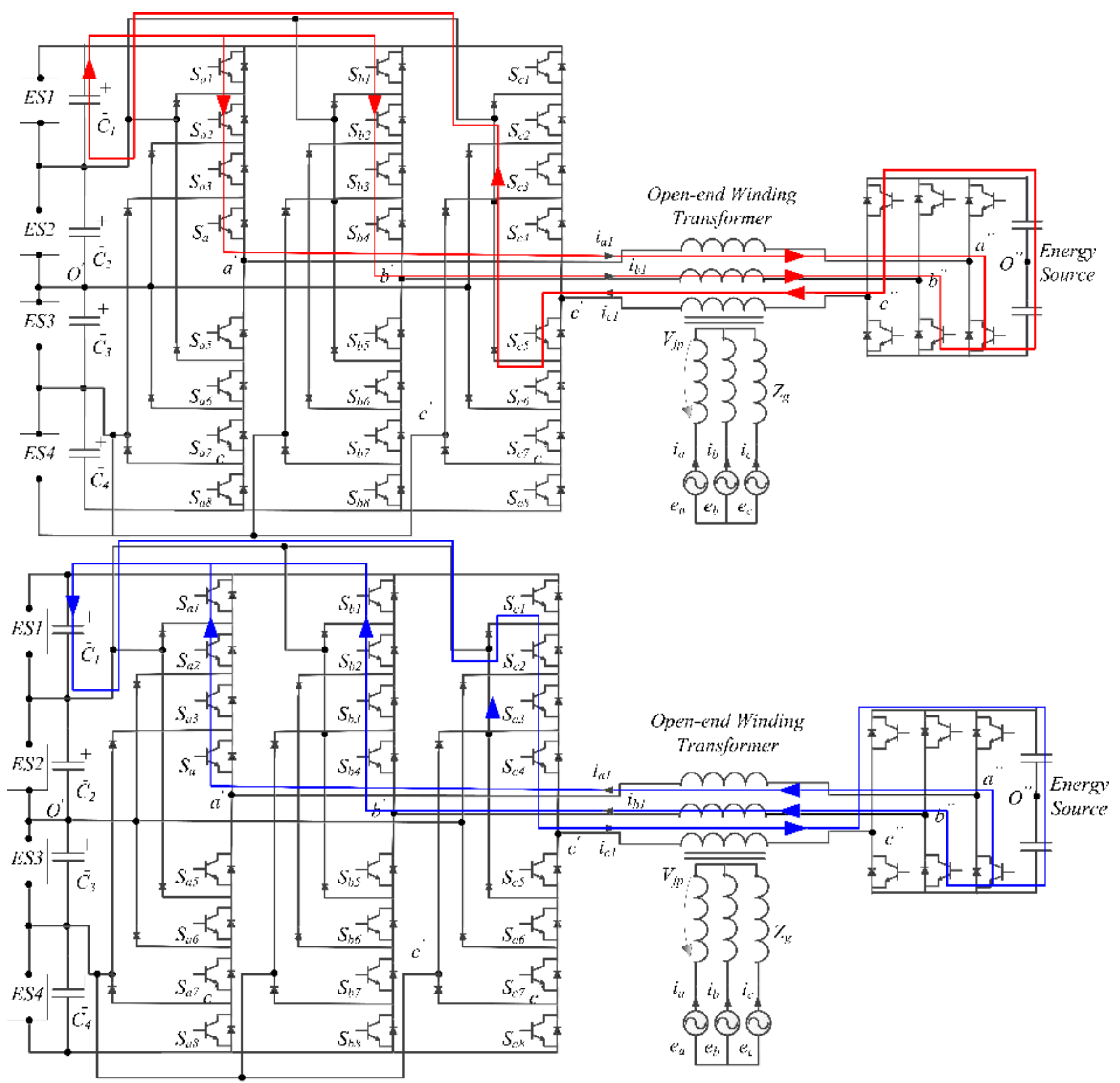
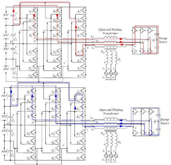
2. The Proposed MMC Topology
3. Proposed MMC Topology Operation
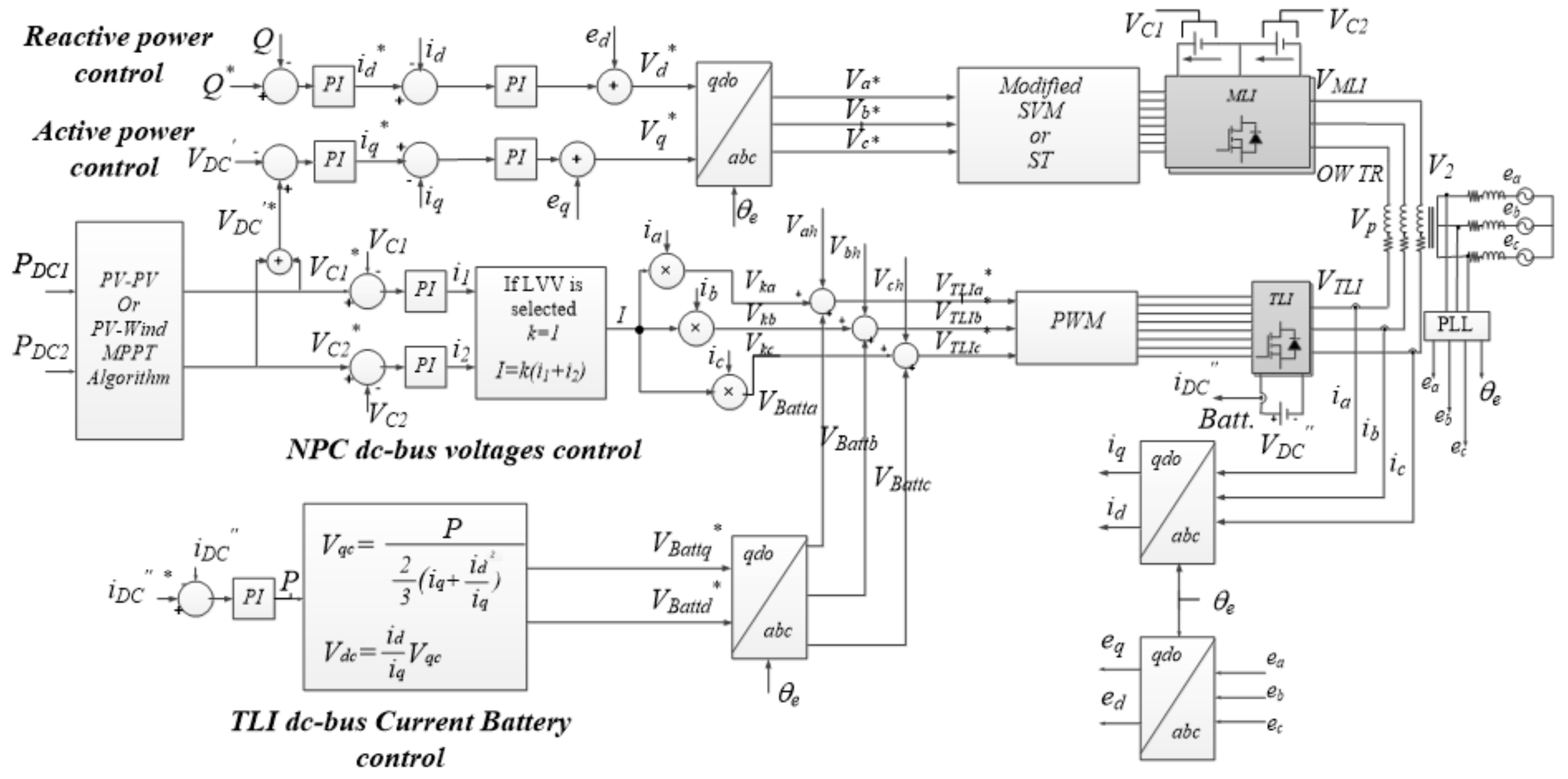
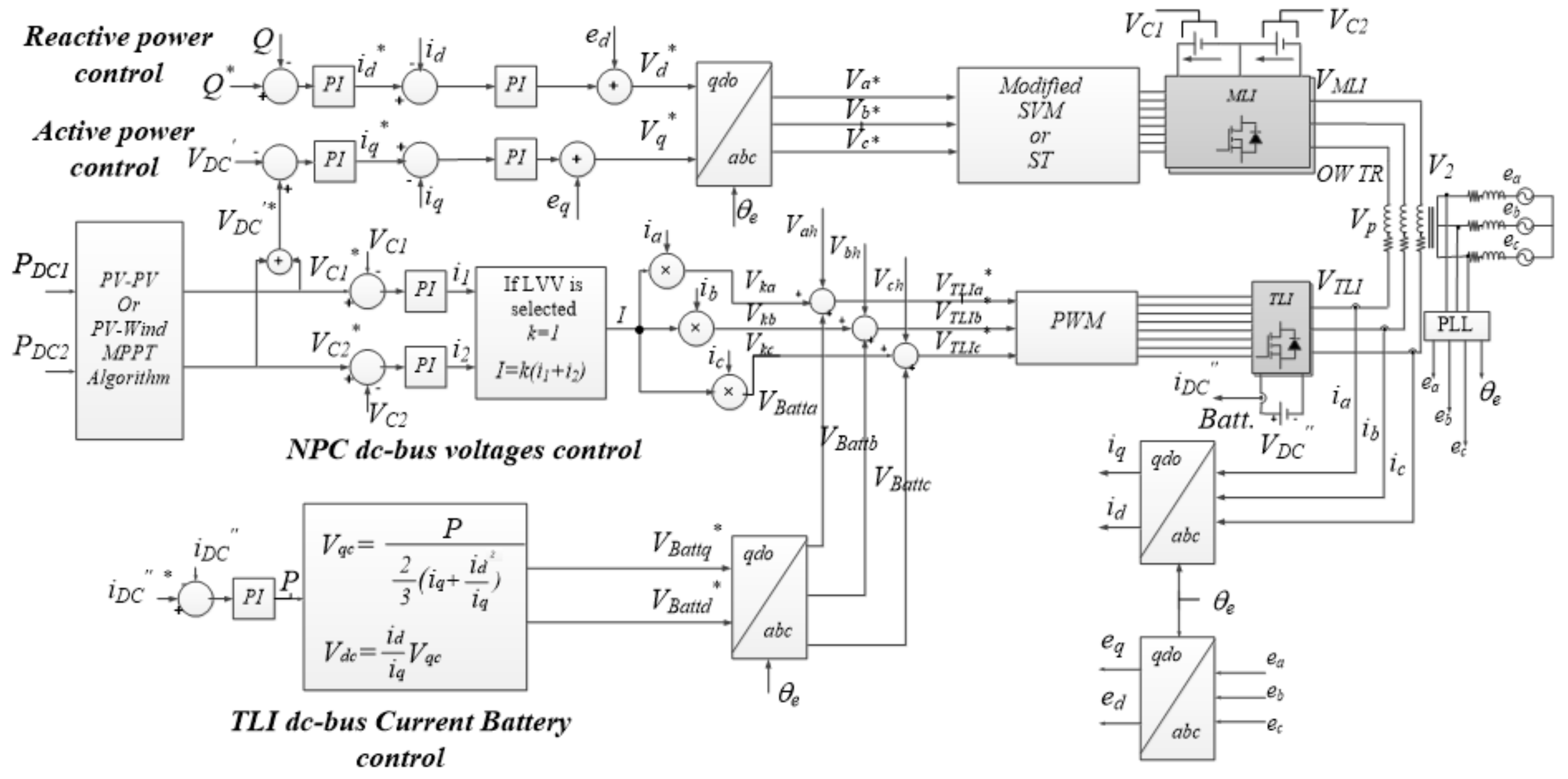
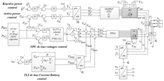
3.1. MLI Control Subsystem
3.2. TLI Operation and 3LI + TLI Control Algorithm
4. Simulation Results
5. Experimental Assessment
6. Power Losses Analysis
7. Discussion
8. Conclusions
Author Contributions
Funding
Institutional Review Board Statement
Informed Consent Statement
Data Availability Statement
Conflicts of Interest
References
- Sefa, I.; Altin, N. Grid interactive photovoltaic inverters—A review. J. Fac. Eng. Archit. Gazi. Univ. 2009, 24, 409–424. [Google Scholar]
- Bhol, S.; Charansahu, N. Performance Analysis and Cost Calculation of Standalone PV-DG Generation System without Storag. In Proceedings of the CISPSSE, Keonjhar, Odisha, India, 29–31 July 2020; pp. 1–5. [Google Scholar]
- Moniruzzaman, M.; Hasan, S. Cost analysis of PV/Wind/diesel/grid connected hybrid systems. In Proceedings of the ICIEV, Dhaka, Bangladesh, 18–19 May 2012; pp. 727–730. [Google Scholar]
- Tyagi, A.; Dubey, M.; Gawre, S. Advance Monitoring of Electrical and Environmental Parameters of PV System: A Revie. In Proceedings of the SEEMS, Greater Noida, India, 26–27 October 2018; pp. 1–5. [Google Scholar]
- Nehrir, M.H.; Wang, C.; Strunz, K.; Aki, H.; Ramakumar, R.; Bing, J.; Miao, Z.; Salameh, Z. A Review of Hybrid Renewable/Alternative Energy Systems for Electric Power Generation: Configurations, Control, and Application. IEEE Trans. Sustain. Energy 2011, 2, 392–403. [Google Scholar] [CrossRef]
- Badin, R.; Huang, Y.; Peng, F.Z.; Kim, H.G. Grid interconnected Z-source PV system. In Proceedings of the IEEE PESC’07, Orlando, FL, USA, 17–21 June 2007; pp. 2328–2333. [Google Scholar]
- Iannone, F.; Leva, S.; Zaninelli, D. Hybrid photovoltaic and hybrid photovoltaic-fuel cell system: Economic and environmental analysis. In Proceedings of the IEEE Power Engineering Society General Meeting, San Francisco, CA, USA, 16 June 2005; pp. 1503–1509. [Google Scholar]
- Chakraborty, S.; Simões, M.G.; Kramer, W.E. Power Electronics for Renewable and Distributed Energy Systems; Springer: Berlin, Germany, 2015; pp. 1–620. [Google Scholar]
- Núñez, J.V. Multilevel Topologies: Can New Inverters Improve Solar Farm Output. Sol. Ind. J. 2013, 5, 12. [Google Scholar]
- Yalamanchili, K.P.; Ferdowsi, M. Review of multiple-input dc-dc converters for electric and hybrid vehicles. In Proceedings of the VPPC, Chicago, IL, USA, 7 September 2005; pp. 160–163. [Google Scholar]
- Chen, Y.; Liu, Y.; Lin, S. Double-input PWM dc/dc converter for high-/low-voltage sources. IEEE Trans. Ind. Electron. 2006, 53, 1538–1545. [Google Scholar] [CrossRef]
- Dobbs, B.G.; Chapman, P.L. A multiple-input DC-DC converter topology. IEEE Power Electron. Lett. 2003, 99, 6–9. [Google Scholar] [CrossRef]
- Khaligh, A.; Cao, J.; Lee, Y. A Multiple-Input DC–DC Converter Topology. IEEE Trans. Power Electron. 2009, 24, 862–868. [Google Scholar] [CrossRef]
- Wai, R.; Lin, C.; Liaw, J.; Chang, Y. Newly designed ZVS multiinput converter. IEEE Trans. Ind. Electron. 2011, 58, 555–566. [Google Scholar] [CrossRef]
- Wai, R.; Lin, C.; Chen, B. High-efficiency dc–dc converter with two input power sources. IEEE Trans. Power Electron. 2012, 27, 1862–1875. [Google Scholar] [CrossRef]
- Rosli, M.A.; Yahaya, N.Z.; Baharudin, Z. A multi-input converter for hybrid photovoltaic array/wind turbine/fuel cell and battery storage system connected AC grid network. In Proceedings of the ISGT ASIA, Kuala Lumpur, Malaysia, 20–23 May 2014; pp. 25–30. [Google Scholar]
- Abdeen, E.; Gaafar, M.A.; Orabi, M.; Ahmed, E.M.; El Aroudi, A. Multi-Input Ćuk-Derived Buck-Boost Voltage Source Inverter for Photovoltaic Systems in Microgrid Applications. Energies 2019, 12, 2007. [Google Scholar] [CrossRef] [Green Version]
- Zhoul, Z.; Wul, H.; Xingl, V. A non-isolated three-port converter for stand-alone renewable power system. In Proceedings of the IEEE Industrial Electronics Society Conference, Montreal, QC, Canada, 25–28 October 2012; pp. 3352–3357. [Google Scholar]
- Taghvaee, M.H.; Radzi, M.A.M.; Moosavain, S.M.; Hizam, H.; Marhaban, M.H. A current and future study on nonisolated dc–dc converters for photovoltaic applications. J. Renew. Sustain. Energy Rev. 2013, 17, 216–227. [Google Scholar] [CrossRef]
- Ding, S.; Wu, H.; Xing, Y.; Fang, Y.; Ma, X. Topology and control of a family of nonisolated three-port dc–dc converters with a bidirectional cell. In Proceedings of the IEEE Applied Power Electron Conference, Long Beach, CA, USA, 17–21 March 2013; pp. 1089–1094. [Google Scholar]
- Wu, H.; Zhang, J.; Xing, Y. A family of multi-port buck-boost converters based on dc-link-inductors (DLIs). IEEE Trans. Power Electron. 2014, 30, 735–746. [Google Scholar] [CrossRef]
- Foti, S.; Testa, A.; de Caro, S.; Scimone, T.; Scelba, G.; Scarcella, G. Multi-level Open End Windings Multi-Motor Drives. Energies 2019, 12, 861. [Google Scholar] [CrossRef] [Green Version]
- De Caro, S.; Foti, S.; Sceiba, G.; Scimone, T.; Testa, A. A six-level asymmetrical Hybrid Photovoltaic Inverter with inner MPPT capability. In Proceedings of the ICCEP, Santa Margherita Ligure, Italy, 27–29 June 2017; pp. 631–635. [Google Scholar]
- Foti, S.; Testa, A.; Scelba, G.; Cacciato, M.; Scarcella, G.; de Caro, S.; Scimone, T. Overvoltage mitigation in open-end winding AC motor drives. In Proceedings of the ICRERA, Palermo, Italy, 22–25 November 2015; pp. 238–245.
- Foti, S.; Testa, A.; Scelba, G.; Sabatini, V.; Lidozzi, A.; Solero, L. Asymmetrical hybrid unidirectional T-type rectifier for high-speed gen-set applications. In Proceedings of the ECCE, Cincinnati, OH, USA, 1–5 October 2017; pp. 4887–4893. [Google Scholar]
- Foti, S.; Scelba, G.; Testa, A.; Sciacca, A. An Averaged-Value Model of an Asymmetrical Hybrid Multi-Level Rectifier. Energies 2019, 12, 589. [Google Scholar] [CrossRef] [Green Version]
- Foti, S.; de Caro, S.; Scelba, G.; Scimone, T.; Testa, A.; Cacciato, M.; Scarcella, G. An Optimal Current Control Strategy for Asymmetrical Hybrid Multilevel Inverters. IEEE Transac. Ind. Appl. 2018, 54, 4425–4436. [Google Scholar] [CrossRef]
- Testa, A.; Foti, S.; de Caro, S.; Tornello, L.D.; Scelba, G.; Scarcella, G. Optimal Selection of the Voltage Modulation Strategy for an Open Winding Multilevel Inverter. In Proceedings of the ECCE, Detroit, MI, USA, 11–15 October 2020; pp. 2231–2237. [Google Scholar]
- Rohner, S.; Bernet, S.; Hiller, M.; Sommer, R. Modulation, Losses, and Semiconductor Requirements of Modular Multilevel Converters. IEEE Trans. Ind. Electron. 2010, 57, 2633–2642. [Google Scholar] [CrossRef]




















| MLI | NPC or Flying Capacitor | MMC (MLI+TLI) VDC″ = VDC′/[(N − 1)] | ||||
|---|---|---|---|---|---|---|
| Power Switches | Phase Voltage Levels | Power Switches | Phase Voltage Levels | |||
| MLI | TLI | MLI + TLI | ||||
| 3-L | 12 | 9 | 12 | 6 | 18 | 17 |
| 5-L | 24 | 17 | 24 | 6 | 30 | 25 |
| 7-L | 36 | 25 | 36 | 6 | 42 | 33 |
| 9-L | 48 | 33 | 48 | 6 | 54 | 41 |
| Vector | Sa1 | Sa2 | Sa3 | Sa4 | Sb1 | Sb2 | Sb3 | Sb4 | Sc1 | Sc2 | Sc3 | Sc4 |
|---|---|---|---|---|---|---|---|---|---|---|---|---|
| PPO | 1 | 1 | 0 | 0 | 1 | 1 | 0 | 0 | 0 | 1 | 1 | 0 |
| OON | 0 | 1 | 1 | 0 | 0 | 1 | 1 | 0 | 0 | 0 | 1 | 1 |
| POO | 1 | 1 | 0 | 0 | 0 | 1 | 1 | 0 | 0 | 1 | 1 | 0 |
| ONN | 0 | 1 | 1 | 0 | 0 | 0 | 1 | 1 | 0 | 0 | 1 | 1 |
| ONO | 0 | 1 | 1 | 0 | 0 | 0 | 1 | 1 | 0 | 1 | 1 | 0 |
| POP | 1 | 1 | 0 | 0 | 0 | 1 | 1 | 0 | 1 | 1 | 0 | 0 |
| NNO | 0 | 0 | 1 | 1 | 0 | 0 | 1 | 1 | 0 | 1 | 1 | 0 |
| OOP | 0 | 1 | 1 | 0 | 0 | 1 | 1 | 0 | 1 | 1 | 0 | 0 |
| NOO | 0 | 0 | 1 | 1 | 0 | 1 | 1 | 0 | 0 | 1 | 1 | 0 |
| OPP | 0 | 1 | 1 | 0 | 1 | 1 | 0 | 0 | 1 | 1 | 0 | 0 |
| NON | 0 | 0 | 1 | 1 | 0 | 1 | 1 | 0 | 0 | 0 | 1 | 1 |
| OPO | 0 | 1 | 1 | 0 | 1 | 1 | 0 | 0 | 0 | 1 | 1 | 0 |
| Vector | Sj1 | Sj2 | Sj3 | Sj4 | Sj5 | Sj6 | Sj7 | Sj8 |
| P2 | 1 | 1 | 1 | 1 | 0 | 0 | 0 | 0 |
| P1 | 0 | 1 | 1 | 1 | 1 | 0 | 0 | 0 |
| O | 0 | 0 | 1 | 1 | 1 | 1 | 0 | 0 |
| N1 | 0 | 0 | 0 | 1 | 1 | 1 | 1 | 0 |
| N2 | 0 | 0 | 0 | 0 | 1 | 1 | 1 | 1 |
| eg (V) | 400 |
| f (Hz) | 50 |
| Lg (mH) | 3 |
| An (kVA) | 5 |
| Vn1 (V) | 400 |
| Vn2 (V) | 400 |
| t | 1 |
| Pnom (W) | 200 |
| Vmpp (V) | 40 |
| Impp (A) | 5 |
| Icc (A) | 5.40 |
| Vopen (V) | 47.8 |
| string | 5 modules |
| Pn (W) | 1000 |
| Vn (V) | 220 |
| ωwind (m/s) | 10 |
| ωmax (m/s) | 55 |
| ω0 (m/s) | 2 |
| Generator | Permanent Magnet Synchronous Generator PMSG |
| (Ah) | 50 |
| Vn (V) | 400 |
| Type | Lithium-Ion |
| VDS (V) | 1000 |
| In (A) | 30 |
| trd (ns) | 67 |
| Qr (μC) | 1.5 |
| Vce (V) | 1200 |
| VenON (V) | 2.7 |
| In (A) | 40 |
| tr (ns) | 48 |
| tf (ns) | 338 |
| VDS (V) | 150 |
| RDSON (mΩ) | 32 |
| In (A) | 35 |
| tr (ns) | 17.2 |
| tf (ns) | 35 |
Publisher’s Note: MDPI stays neutral with regard to jurisdictional claims in published maps and institutional affiliations. |
© 2021 by the authors. Licensee MDPI, Basel, Switzerland. This article is an open access article distributed under the terms and conditions of the Creative Commons Attribution (CC BY) license (http://creativecommons.org/licenses/by/4.0/).
Share and Cite
Foti, S.; Testa, A.; De Caro, S.; Tornello, L.D.; Scelba, G.; Cacciato, M. Multi-Level Multi-Input Converter for Hybrid Renewable Energy Generators. Energies 2021, 14, 1764. https://doi.org/10.3390/en14061764
Foti S, Testa A, De Caro S, Tornello LD, Scelba G, Cacciato M. Multi-Level Multi-Input Converter for Hybrid Renewable Energy Generators. Energies. 2021; 14(6):1764. https://doi.org/10.3390/en14061764
Chicago/Turabian StyleFoti, Salvatore, Antonio Testa, Salvatore De Caro, Luigi Danilo Tornello, Giacomo Scelba, and Mario Cacciato. 2021. "Multi-Level Multi-Input Converter for Hybrid Renewable Energy Generators" Energies 14, no. 6: 1764. https://doi.org/10.3390/en14061764
APA StyleFoti, S., Testa, A., De Caro, S., Tornello, L. D., Scelba, G., & Cacciato, M. (2021). Multi-Level Multi-Input Converter for Hybrid Renewable Energy Generators. Energies, 14(6), 1764. https://doi.org/10.3390/en14061764

