An Active Cascaded Battery Voltage Balancing Circuit Based on Multi-Winding Transformer with Small Magnetizing Inductance
Abstract
1. Introduction
2. Conventional Methods
2.1. Passive and Charge Shuttling Method
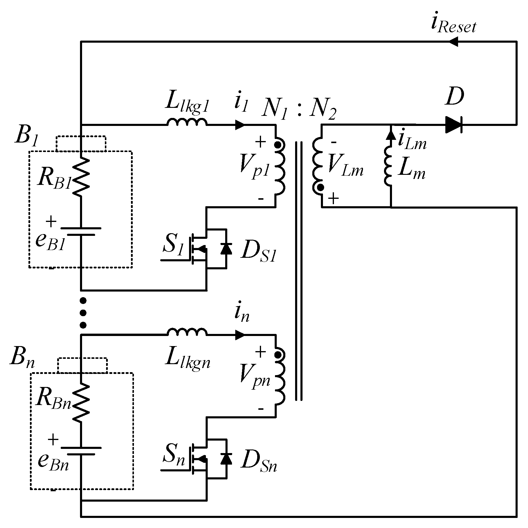
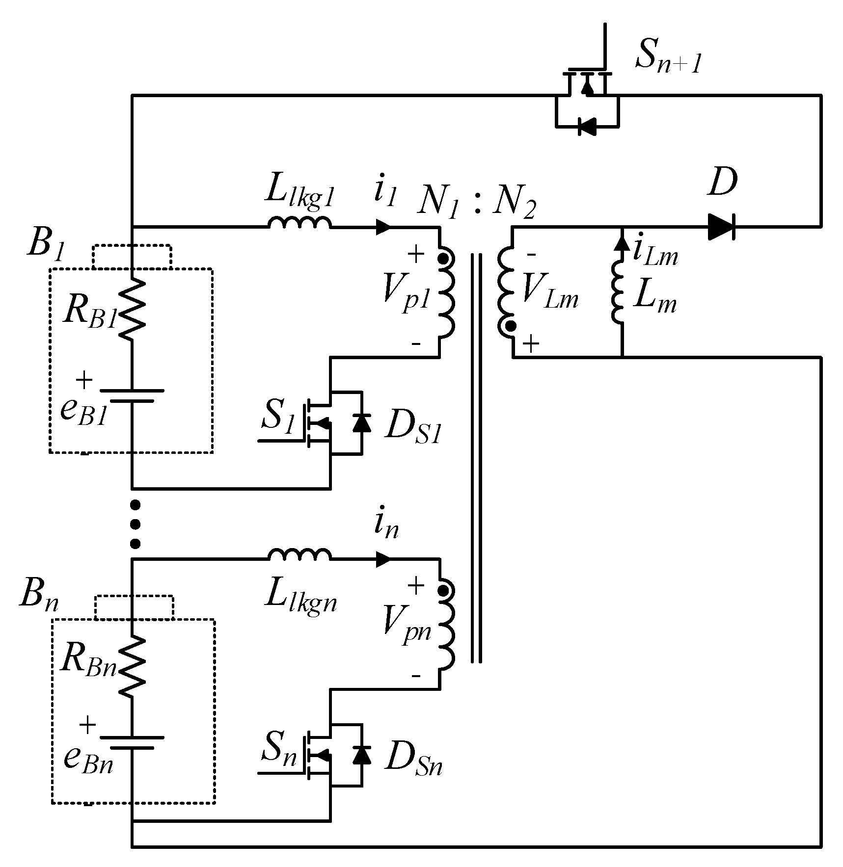
2.2. Multi-Winding Transformer Method
3. Proposed Method
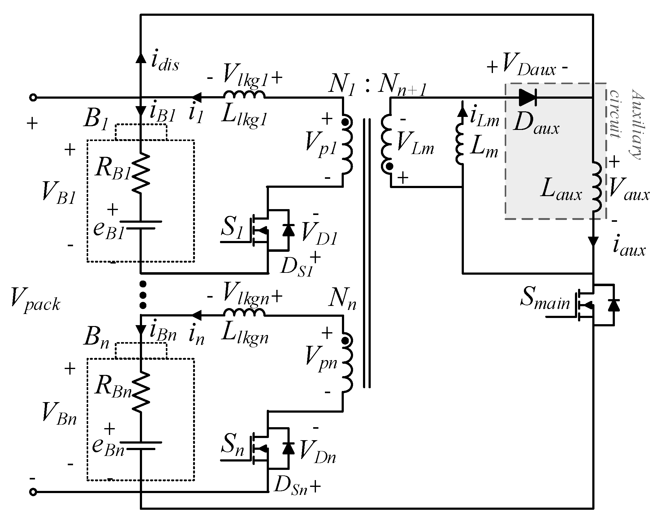
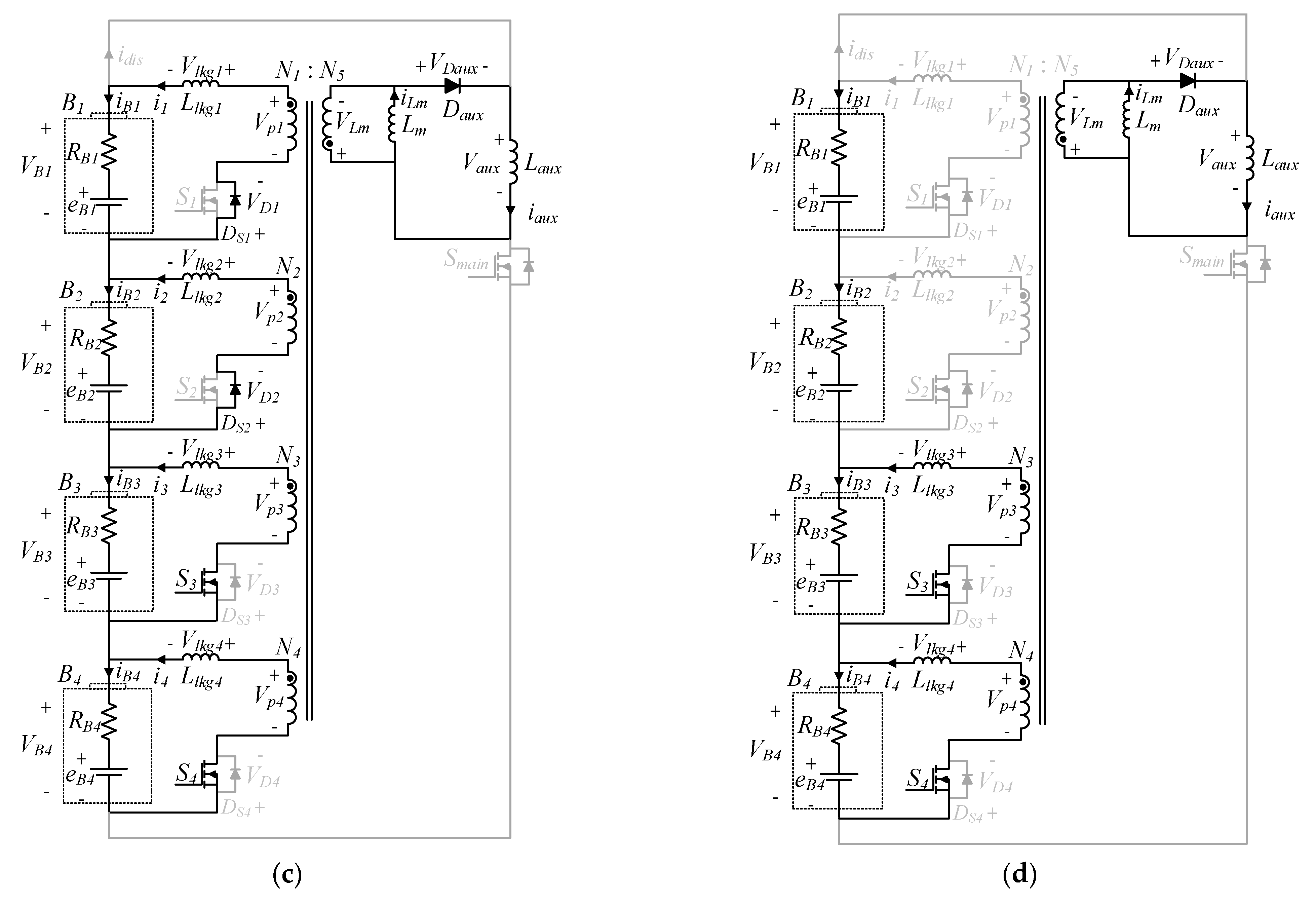
3.1. Circuit Configuration and Operation Principle
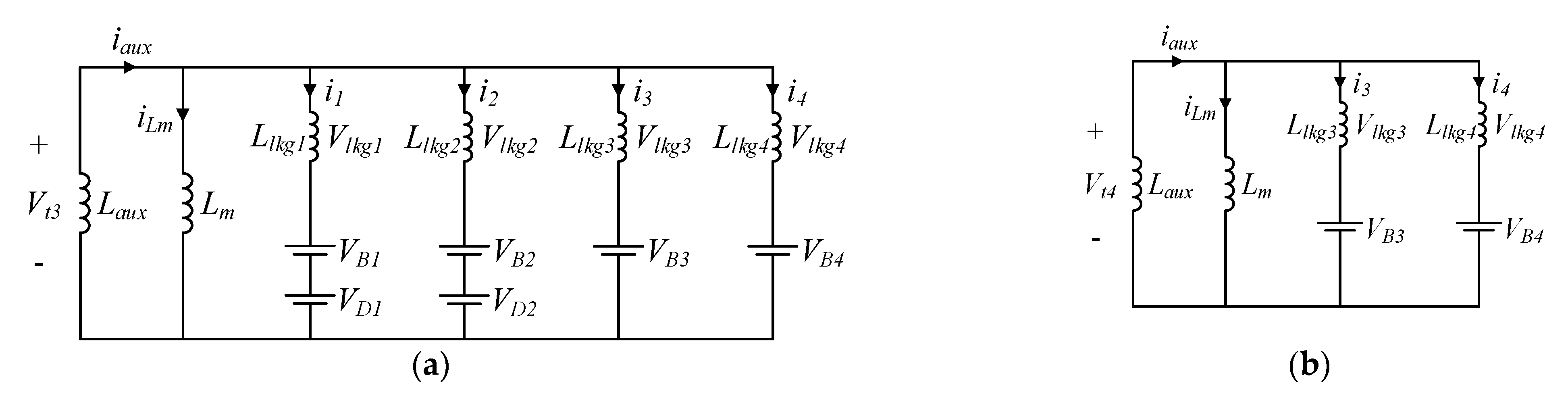
3.2. Mode Analysis
- All leakage inductances of multi-winding transformers are equal to Llkg, and have very small values;
- The internal resistance of all battery cells RB1 ~ RB4 is negligibly small;
- The open-circuit voltages VB1 ~ VBn and the average voltage are expressed as (4),
3.3. Selection of the Auxiliary Inductor of the Proposed Circuit
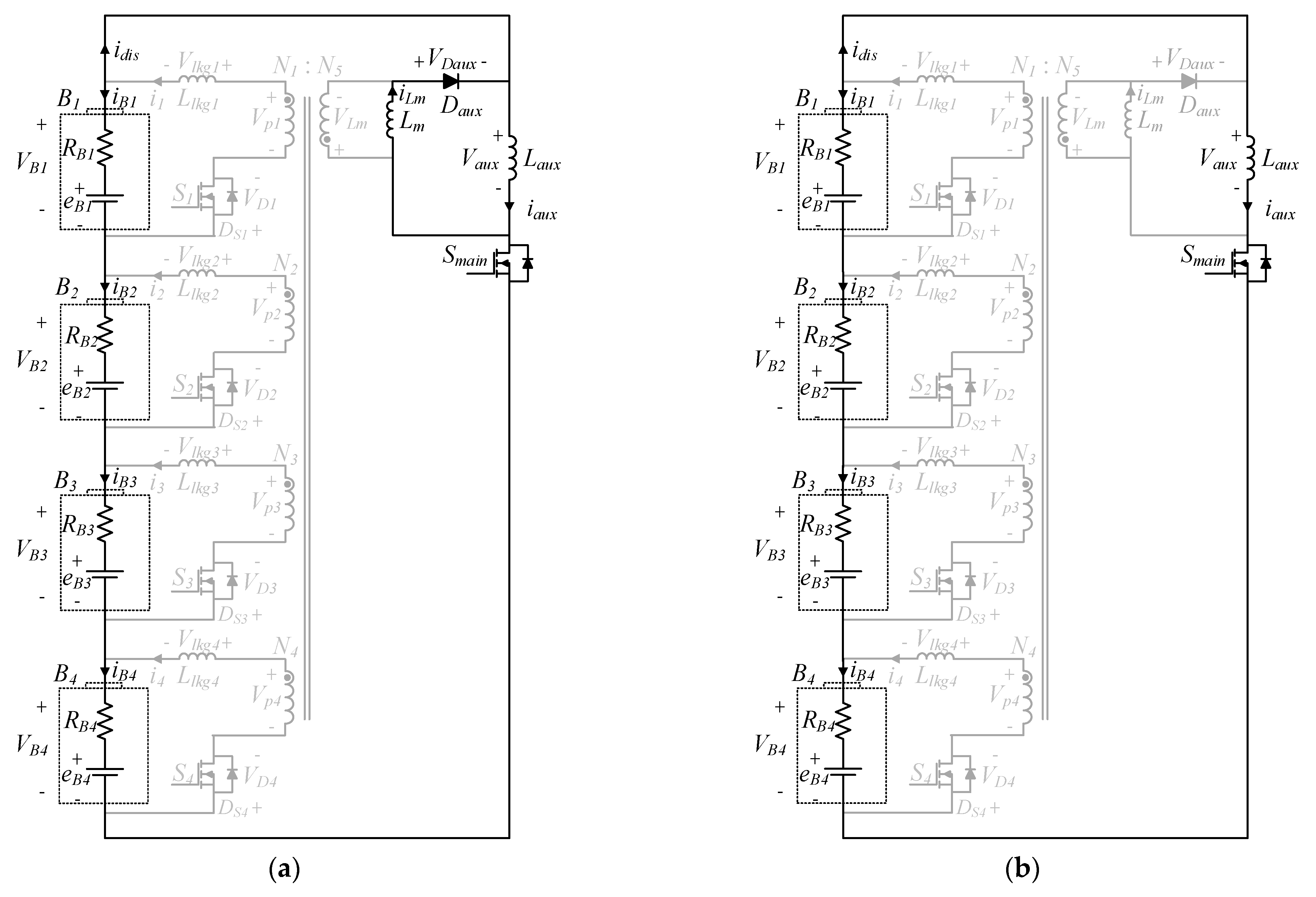
4. Simulation Results
4.1. Simulation Configuration
4.2. Simulation Results and Review
5. Conclusions
Author Contributions
Funding
Institutional Review Board Statement
Informed Consent Statement
Data Availability Statement
Conflicts of Interest
References
- Hannan, M.A.; Hoque, M.M.; Mohamed, A.; Ayob, A. Review of energy storage systems for electric vehicle applications: Issues and challenges. Renew. Sustain. Energy Rev. 2017, 69, 771–789. [Google Scholar] [CrossRef]
- Chris, M.; Masrur, M.A.; Gao, D.W. Batteries, Ultracapacitors, Fuel Cells, and Controls. In Hybrid Electric Vehicles: Principles and Applications with Practical Perspectives; Wiley: New York, NJ, USA, 2011; pp. 315–321. ISBN 978-0-470-74773-5. [Google Scholar]
- Williamson, M. Air Power the Rise of Electric Aircraft. Eng. Technol. 2014, 9, 77–79. [Google Scholar] [CrossRef]
- Emadi, A.; Joo Lee, Y.; Rajashekara, K. Power electronics and motor drives in electric, hybrid electric, and plug-in hybrid electric vehicles. IEEE Trans. Ind. Electron. 2008, 55, 2237–2245. [Google Scholar] [CrossRef]
- Schuster, S.F.; Brand, M.J.; Berg, P.; Gleissenberger, M.; Jossena, A. Lithium-ion cell-to-cell variation during battery electric vehicle operation. J. Power Sources 2015, 297, 242–251. [Google Scholar] [CrossRef]
- Wei, Z.; Dong, G.; Zhang, X.; Pou, J.; Quan, Z.; He, H. Noise-immune model identification and state of charge estimation for lithium-ion battery using bilinear parameterization. IEEE Trans. Ind. Electron. 2020, 68, 312–323. [Google Scholar] [CrossRef]
- Kutkut, N.H.; Wiegman, H.L.N.; Divan, D.M.; Novotny, D.W. Charge equalization for an electric vehicle battery system. IEEE Trans. Aerosp. Electron. Syst. 1998, 34, 235–246. [Google Scholar] [CrossRef]
- Weicker, P. A Systems Approach to Lithium-Ion Battery Management; Artech House: Norwood, MA, USA, 2013; pp. 193–198. ISBN 978-1-608-07659-8. [Google Scholar]
- Schmidt, H.; Siedle, C. The charge equalizer-a new system to extend battery lifetime in photovoltaic systems, UPS and electric vehicles. In Proceedings of the IEEE Telecommunications Energy Conference, Paris, France, 27–30 September 1993. [Google Scholar]
- Pognant-Gros, P.; Di Domenico, D.; Olszewski, D.; Barsacq, F. Switched Capacitor Balancing Time Estimation and Dependency. In Proceedings of the IEEE Vehicle Power and Propulsion Conference (VPPC), Coimbra, Portugal, 27–30 October 2014. [Google Scholar]
- Kutkut, N.H. A modular non dissipative current diverter for EV battery charge equalization. In Proceedings of the IEEE Applied Power Electronics Conference and Exposition, Anaheim, CA, USA, 15–19 February 1998. [Google Scholar]
- Kim, M.Y.; Kim, C.-H.; Cho, S.-Y.; Moon, G.-W. A cell selective charge equalizer using multi-output converter with auxiliary transformer. In Proceedings of the IEEE Power Electronics and ECCE Asia (ICPE & ECCE), Jeju, Korea, 29 May–2 June 2011. [Google Scholar]
- Einhorn, M.; Roessler, W.; Fleig, J. Improved Performance of Serially Connected Li-Ion Batteries With Active Cell Balancing in Electric Vehicles. IEEE Trans. Veh. Technol. 2011, 60, 2448–2457. [Google Scholar] [CrossRef]
- Lim, C.-H.; Lee, K.-J.; Ku, N.-J.; Hyun, D.-S.; Kim, R.-Y. A modularized equalization method based on a magnetizing energy for a series-connected lithium-ion battery string. IEEE Trans. Power Electron. 2014, 29, 1791–1799. [Google Scholar] [CrossRef]
- Gallardo, J.; Romero, E.; Milanes, M.; Guerrero, M. Battery equalization active methods. J. Power Sources 2014, 246, 934–949. [Google Scholar] [CrossRef]
- Lim, C.-S.; Kim, R.-Y.; Hyun, D.-S. Battery voltage sensorless charge equalizer using the multi-winding transformer. In Proceedings of the IEEE Vehicle Power and Propulsion Conference, Seoul, Korea, 9–12 October 2012. [Google Scholar]
- Park, D.-J.; Choi, S.-Y.; Kim, R.-Y.; Kim, D.-S. A novel battery cell balancing circuit using an auxiliary circuit for fast equalization. In Proceedings of the IEEE IECON, Dallas, TX, USA, 29 October–1 November 2014. [Google Scholar]
- Park, Y.-H.; Choi, S.-Y.; Choi, Y.-J.; Kim, R.-Y.; Cho, J.-T. A novel charge equalizer with auxiliary circuit to control the allowable charging and discharging current of the Lithium-ion battery. In Proceedings of the IEEE nternational Future Energy Electronics Conference and ECCE, Kaohsiung, Taiwan, 3–7 June 2017. [Google Scholar]
- Li, S.; Mi, C.C.; Zhang, M. A High-Efficiency Active Battery-Balancing Circuit Using Multiwinding Transformer. IEEE Trans. Ind. Appl. 2013, 49, 198–207. [Google Scholar] [CrossRef]
- Kutkut, N.H.; Wiegman, H.L.N.; Divan, D.M.; Novotny, D.W. Design considerations for charge equalization of an electric vehicle battery system. IEEE Trans. Ind. Appl. 1999, 35, 28–35. [Google Scholar] [CrossRef]
- Park, H.-S.; Kim, C.-E.; Moon, G.-W.; Lee, J.-H.; Oh, J.K. Two-Stage Cell Balancing Scheme for Hybrid Electric Vehicle Lithium-Ion Battery Strings. In Proceedings of the IEEE Power Electronics Specialists Conference, Orlando, FL, USA, 17–21 June 2007. [Google Scholar]
- Bonfiglio, C.; Roessler, W. A cost optimized battery management system with active cell balancing for lithium ion battery stacks. In Proceedings of the IEEE Vehicle Power and Propulsion Conference, Dearborn, MI, USA, 7–11 September 2009. [Google Scholar]
- Hsieh, Y.-H.; Liang, T.-J.; Chen, S.-M.O.; Horng, W.-Y.; Chung, Y.-Y. A Novel High-Efficiency Compact-Size Low-Cost Balancing Method for Series-Connected Battery Applications. IEEE Trans. Power Electron. 2013, 28, 5927–5939. [Google Scholar] [CrossRef]
- Uno, M.; Kukita, A. Single-Switch Single-Transformer Cell Voltage Equalizer Based on Forward–Flyback Resonant Inverter and Voltage Multiplier for Series-Connected Energy Storage Cells. IEEE Trans. Veh. Technol. 2014, 63, 4232–4247. [Google Scholar] [CrossRef]
- Hasan, M.K.; Habib, A.A.; Islam, S.; Ghani, A.T.A.; Hossain, E. Resonant Energy Carrier Base Active Charge-Balancing Algorithm. Electronics 2020, 9, 2166. [Google Scholar] [CrossRef]
- Wang, S.-C.; Liu, C.-Y.; Liu, Y.-H. A Non-Dissipative Equalizer with Fast Energy Transfer Based on Adaptive Balancing Current Control. Electronics 2020, 9, 1990. [Google Scholar] [CrossRef]
- Lee, Y.-L.; Lin, C.-H.; Yang, S.-J. Power Loss Analysis and a Control Strategy of an Active Cell Balancing System Based on a Bidirectional Flyback Converter. Appl. Sci. 2020, 10, 4380. [Google Scholar] [CrossRef]
- Choi, Y.-J.; Cha, H.-R.; Jung, S.-M.; Kim, R.-Y. An Integrated Current-Voltage Compensator Design Method for Stable Constant Voltage and Current Source Operation of LLC Resonant Converters. Energies 2018, 11, 1325. [Google Scholar] [CrossRef]















| Parameter | Value | Parameter | Value |
|---|---|---|---|
| VB1 | 3.900 V | Lm | 0.1 mH |
| VB2 | 3.895 V | Laux | 1 mH |
| VB3 | 3.750 V | Llkg1 ~ Llkg4 | 0.59 μH |
| VB4 | 3.700 V | VD1 ~ VD4 | 0.8 V |
| CB1 ~ CB4 | 718 mF | VDaux | 0.5 V |
| RB1 ~ RB4 | 34.803 mΩ | - | - |
Publisher’s Note: MDPI stays neutral with regard to jurisdictional claims in published maps and institutional affiliations. |
© 2021 by the authors. Licensee MDPI, Basel, Switzerland. This article is an open access article distributed under the terms and conditions of the Creative Commons Attribution (CC BY) license (http://creativecommons.org/licenses/by/4.0/).
Share and Cite
Park, Y.-H.; Kim, R.-Y.; Choi, Y.-J. An Active Cascaded Battery Voltage Balancing Circuit Based on Multi-Winding Transformer with Small Magnetizing Inductance. Energies 2021, 14, 1302. https://doi.org/10.3390/en14051302
Park Y-H, Kim R-Y, Choi Y-J. An Active Cascaded Battery Voltage Balancing Circuit Based on Multi-Winding Transformer with Small Magnetizing Inductance. Energies. 2021; 14(5):1302. https://doi.org/10.3390/en14051302
Chicago/Turabian StylePark, Young-Hwa, Rae-Young Kim, and Yeong-Jun Choi. 2021. "An Active Cascaded Battery Voltage Balancing Circuit Based on Multi-Winding Transformer with Small Magnetizing Inductance" Energies 14, no. 5: 1302. https://doi.org/10.3390/en14051302
APA StylePark, Y.-H., Kim, R.-Y., & Choi, Y.-J. (2021). An Active Cascaded Battery Voltage Balancing Circuit Based on Multi-Winding Transformer with Small Magnetizing Inductance. Energies, 14(5), 1302. https://doi.org/10.3390/en14051302

