Towards Modeling Partial Discharge Phenomena and Propagation in Power Networks Using the Transmission-Line Matrix Method
Abstract
1. Introduction
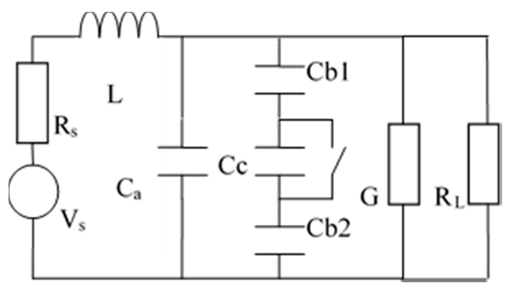
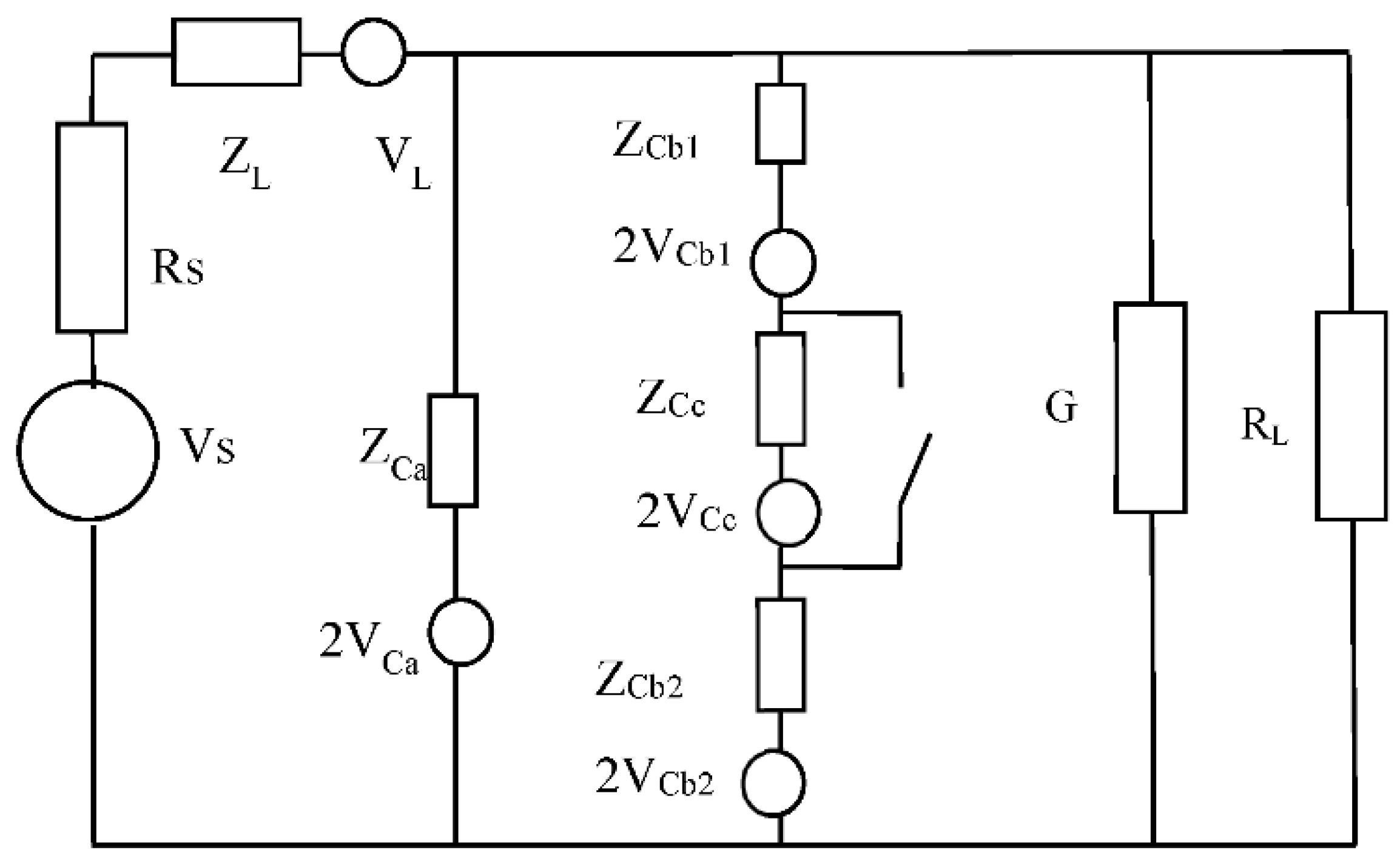
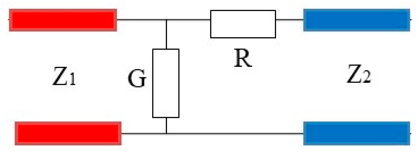
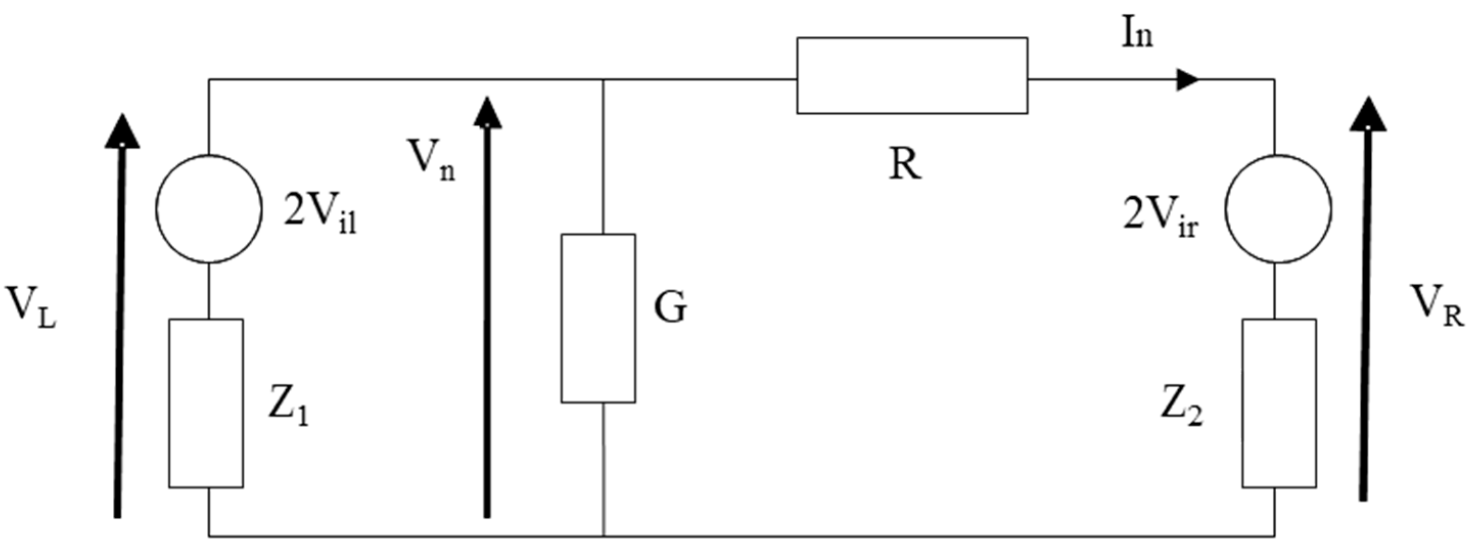
2. Transmission Line Matrix Representation of the Partial Discharge Site
3. 1D Transmission-Line Matrix Representation of a Line with Partial Discharge Site
4. Radiation from Partial Discharge Pulses
5. Conducted and Radiated Emission from a Partial Discharge in a MV Transmission Line
5.1. Conducted PD Disturbance Propagation
5.2. Radiated PD Disturbance Propagation
6. Conclusions and Future Works
Author Contributions
Funding

Institutional Review Board Statement
Informed Consent Statement
Data Availability Statement
Acknowledgments
Conflicts of Interest
List of Symbols and Abbreviations
| PD | partial discharge |
| TLM | transmission-line matrix method |
| EMC | electromagnetic compatibility |
| UHF | ultra-high frequency |
| Ca | bulk material capacitance |
| Cc | capacitance of the partial discharge site |
| Cb1, Cb2 | capacitance of the dielectric either side of the discharge site |
| Vs, Rs | source of the transmission line |
| RL | load of the transmission line |
| ZL | impedance of the stub model of an inductor |
| ZC | impedance of the stub model of a capacitor |
| Δt | time step of the TLM model |
| Vstub | voltage across the stub capacitor |
| V, I | voltage source and current in the capacitor stub |
| Г | reflection coefficient |
| V(next time step) | stub capacitor voltage at the next step |
| R | lumped resistance of a node of the line |
| L | lumped inductance of a node of the line |
| C | lumped capacitance of a node of the line |
| G | lumped conductance of a node of the line |
| Zpd | equivalent impedance of a transmission line node with partial discharge event |
| Vpd | equivalent voltage source of a transmission line node with partial discharge event |
| Z1, Z2 | impedance of two consecutive transmission line segments |
| Vn | nodal voltage |
| VL | voltage on the left of the node |
| VR | voltage on the right of the node |
| In | nodal current |
| V1l | voltage of the Thevenin equivalent circuit of the line on the left of the node |
| V1r | voltages of the Thevenin equivalent circuit of the line on the right of the node |
| Ipd | current source representing partial discharge event |
| δl | segment of the line |
| R | vector that defines the distance from δl from the measurement point |
| H | magnetic field |
| Hn | magnetic field generated by the current in a segment δl of the line |
| N | total number of segments in the transmission line |
| Z1L, Z2L | power transformer impedances |
| Z0 | characteristic impedance of the line |
| ZL | impedance at the cable end |
| u | propagation speed of the line |
| r, l, c, g | electrical characteristic of the cables per unit length |
| fmax | maximum frequency of interest |
| ρP, ϕP, zP | circular cylindrical coordinates |
References
- Lei, Z.; Song, J.; Tian, M.; Cui, X.; Li, C.; Wen, M. Partial discharge of cavities in ethylene propylene rubber insulations. IEEE Trans. Dielectr. Electr. Insul. 2014, 21, 1647–1659. [Google Scholar] [CrossRef]
- Ambikairajah, R.; Phung, B.T.; Ravishankar, J. The modeling of partial discharge waveforms in power systems equipment. In Proceedings of the 2012 Conference on Power and Energy Conference, Ho Chi Min City, Vietnam, 12–14 December 2012. [Google Scholar]
- Refaat, S.; Sham, M. A Review of Partial Discharge Detection, Diagnosis Techniques in High Voltage Power Cables. In Proceedings of the 2018 IEEE 12th International Conference on Compatibility, Power Electronics and Power Engineering, Doha, Qatar, 10–12 April 2018. [Google Scholar]
- Mohamed, F.; Siew, W.; Liu, K. A Novel Approach in the Measurement of High Frequency Disturbances from Very Large Electrical Systems. IEEE EMC Mag. 2014, 3, 46–50. [Google Scholar] [CrossRef]
- Foxall, M.; Duffy, A.; Gow, J.; Seltzer-Grant, M.; Renforth, L. Development of a New High Current Hybrid “Ferrite-Rogowski” Frequency Current Transformer for Partial Discharge Sensing in Medium and High Voltage Cabling. In Proceedings of the International Wire and Cable Symposium, Charlotte, NC, USA, 7–10 November 2010. [Google Scholar]
- Cheng, J.; Xu, Y.; Ding, D.; Liu, W. Investigation of the UHF partial discharge detection characteristics of a novel bushing tap sensor for transformers. IEEE Trans. Power Deliv. 2020, 1–9. [Google Scholar] [CrossRef]
- Ragusa, A.; Sasse, H.; Duffy, A.; Rachidi, F.; Rubinstein, M. Electromagnetic Time Reversal Method to Locate Partial Discharges in Power Networks using 1D TLM modelling. IEEE Lett. Electromagn. Compat. Pract. Appl. 2020, 1–5. [Google Scholar] [CrossRef]
- Yii, C.C.; Rohani, M.N.K.H.; Isa, M.; Hassan, S.I.S. Multi-end PD Location Algorithm using Segmented Correlation and Trimmed Mean Data Filtering Techniques for MV Underground Cable. IEEE Trans. Dielec. Elect. Insul. 2017, 24, 92–98. [Google Scholar] [CrossRef]
- Mohamed, F.P.; Siew, W.H.; Soraghan, J.J.; Strachan, S.M.; McWilliam, J. Partial Discharge Location in Power Cables using a Double Ended Method Based on Time Triggering with GPS. IEEE Trans. Dielec. Elect. Insul. 2013, 20, 2212–2221. [Google Scholar]
- Dukanac, D. Application of UHF method for partial discharge source location in power transformers. IEEE Trans. Dielectr. Electr. Insul. 2018, 25, 2266–2278. [Google Scholar] [CrossRef]
- Klein, T.; Denissov, D.; Köhler, W.; Tenbohlen, S. Application of UHF method for on-line PD diagnostics of cable terminations. CIGRE 2008, 2008, 1–8. [Google Scholar]
- Zhang, W.; An, B.; Cui, X.; Li, J.; Shi, Y. A Study on Electromagnetic Disturbance in Substation to Wireless Sensor Unit; EMC Europe: Rome, Italy, 2012. [Google Scholar]
- Shan, Q.; Glover, I.A.; Atkinson, R.C.; Bhatti, S.A.; Portugues, I.E.; Moore, P.J.; Rutherford, R.; Vieira, M.D.F.Q.; Lima, A.M.N.; De Souza, B.A. Estimation of Impulsive Noise in an Electricity Substations. IEEE Trans. Electr. Compat. 2011, 53, 653–663. [Google Scholar] [CrossRef]
- Taccini, A.; Grossi, D.; Vincetti, L.; Maini, M.; Serra, S.; Fattori, M.; Sandrolini, L. Electromagnetic Analysis of PD Detection in GIS Systems; Asia Pacific Symposium on EMC: Singapore, 2012. [Google Scholar]
- Illias, G.H.A.; Chen, G.; Lewin, P.L. Comparison between Three-Capacitance, Analytical-based and Finite Element Analysis Partial Discharge Models in Condition Monitoring. IEEE Trans. Diel. Electr. Insul. 2017, 24, 99–109. [Google Scholar] [CrossRef]
- Arief, Y.Z.; Izzati, W.A.; Adzis, Z. Modeling of Partial Discharge Mechanisms in Solid Dielectric Material. Inter. J. Eng. Innov. Tech. 2012, 1, 315–320. [Google Scholar]
- Niemeyer, L. A generalized Approach to Partial Discharge Modeling. IEEE Trans. Dielec. Elec. Insul. 1995, 2, 510–528. [Google Scholar] [CrossRef]
- Ragusa, A.; Sasse, A.H. Duffy—3D Model of Partial Discharge in Defects with Different Sizes and Positions inside Cables for Power Distribution and Transmission Networks. IET Sci. Measurement Technol. 2020, 14, 776–783. [Google Scholar] [CrossRef]
- Li, Y.; Wu, L.; Wouters, P.A.; Wagenaars, P.; van der Wielen, P.C.; Steennis, E.F. Effect of ground return path on partial discharge signal propagation along single-core and three-core power cables. Int. Trans. Electr. Energ. Syst. 2016, 26, 1783–1798. [Google Scholar] [CrossRef]
- Shafiq, M.; Kauhaniemi, K.; Robles, G.; Hussain, G.A.; Kumpulainen, L. Partial Discharge Signal Propagation in Medium Voltage Branched Cable Feeder. IEEE Electr. Insul. Mag. 2018, 34, 10–29. [Google Scholar] [CrossRef]
- Sheng, B.; Zhou, C.; Hepburn, D.M.; Dong, X.; Peers, G.; Zhou, W.; Tang, Z. Partial Discharge Pulse Propagation in Power Cable and Partial Discharge Monitoring System. IEEE Trans. Dielectr. Electr. Insul. 2014, 21, 948–956. [Google Scholar] [CrossRef]
- Christopoulos, C. The Transmission Line Modeling Method—TLM, IEEE/OUP Series on Electromagnetic Wave Theory; IEEE Press: Piscataway, NJ, USA, 1995. [Google Scholar]
- HA, I. Measurement and Simulation of Partial Discharges within a Spherical Cavity in a Solid Dielectric Material. Ph.D Thesis, University of Southampton, Southampton, UK, 2011. [Google Scholar]
- Fung, K.; Hui, S. Fast Simulation of Multistage Power Electronic Systems with Widely Separated Operating Frequencies. IEEE Trans. Power Electr. 1996, 11, 405–412. [Google Scholar] [CrossRef]
- Ragusa, A.; Sasse, H.; Duffy, A. Electromagnetic Time Reversal to Locate Partial Discharges in Power Networks with Inhomogeneous cables using the Transmission Line Matrix Method. CIGRE Sci. Eng. J. 2021. Submitted. [Google Scholar]






















Publisher’s Note: MDPI stays neutral with regard to jurisdictional claims in published maps and institutional affiliations. |
© 2021 by the authors. Licensee MDPI, Basel, Switzerland. This article is an open access article distributed under the terms and conditions of the Creative Commons Attribution (CC BY) license (http://creativecommons.org/licenses/by/4.0/).
Share and Cite
Ragusa, A.; Sasse, H.; Duffy, A. Towards Modeling Partial Discharge Phenomena and Propagation in Power Networks Using the Transmission-Line Matrix Method. Energies 2021, 14, 689. https://doi.org/10.3390/en14030689
Ragusa A, Sasse H, Duffy A. Towards Modeling Partial Discharge Phenomena and Propagation in Power Networks Using the Transmission-Line Matrix Method. Energies. 2021; 14(3):689. https://doi.org/10.3390/en14030689
Chicago/Turabian StyleRagusa, Antonella, Hugh Sasse, and Alistair Duffy. 2021. "Towards Modeling Partial Discharge Phenomena and Propagation in Power Networks Using the Transmission-Line Matrix Method" Energies 14, no. 3: 689. https://doi.org/10.3390/en14030689
APA StyleRagusa, A., Sasse, H., & Duffy, A. (2021). Towards Modeling Partial Discharge Phenomena and Propagation in Power Networks Using the Transmission-Line Matrix Method. Energies, 14(3), 689. https://doi.org/10.3390/en14030689

