Fixed Transmission Charges Based on the Degree of Network Utilization
Abstract
1. Introduction
1.1. Key Requirements for Transmission Tariffs
- costs reflectivity–charges paid by individual network users should correspond to the actual costs of the services provided to them; this reflectivity will ensure equal and non-discriminatory access to the network for all entities,
- price signals–rates of transmission charges should provide information on favorable locations for new generators and large electricity consumers, as well as the required new transmission lines,
- costs recovery–transmission charges must ensure a level of financial revenue for the network operator that will be sufficient to recover capital and operating costs,
- simplicity–setting the rates of transmission charges and settling commercial transactions should be transparent and as simple as possible.
1.2. Transmission Fixed Costs Allocation Methods
1.3. The Scope and the Contribution of the Article
2. Methodology of Determining the Degree of Network Utilization
2.1. Definition of the Degree of Branch Utilization
2.2. Power Flow Decomposition by Power Flow Tracing Method
- the power consumed by the consumer connected to bus 1 (20 MW) flows in its entirety via line A-1 from supply node A,
- the power consumed by the consumer connected to bus 2 (45 MW) flows in part (25 MW) via lines A-1 and 1-2 from supply node A and in part (20 MW) via lines 2–3 and 3-B from supply node B,
- the power consumed by the consumer connected to bus 3 (10 MW) flows in its entirety via line 3-B from supply node B.
2.3. Power Flow Decomposition by Incremental Power Flow Method
2.4. Definition of the Degree of Network Utilization
- in the simple power flow based method: ⅓ TFC and ⅔ TFC,
- in the MW∙km method: l1/(2l1 + l2) TFC and (l1 + l2)/(2l1 + l2) TFC,
- negative and positive values of SFb,i factors are considered,
- only positive values of SFb,i factors are considered,
- absolute values of SFb,i factors are considered.
2.5. Practical Aspects of the Calculation of the Sensitivity Factors in the Real Network
3. The Rates of Fixed Transmission Charges Based on the Degree of Network Utilization
3.1. The Rates of Fixed Transmission Charges in the Two-Sided Supplied Network
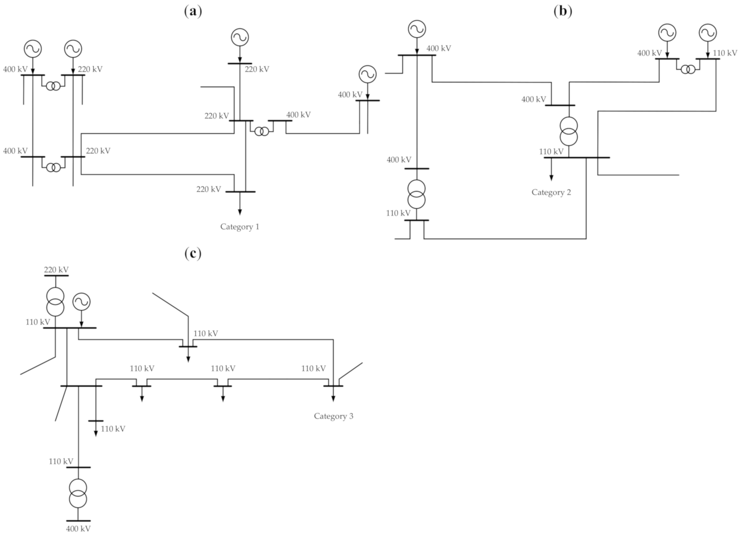
3.2. The Rates of Transmission Charges for Industrial Customers Connected to the Transmission Network
- category 1–consumer connected to the 220 kV network node,
- category 2–consumer connected to the strong 110 kV network node,
- category 3–consumer connected to the node located deep inside the 110 kV network.
- the total system load (including transmission losses) was 26,258 MW,
- generation of centrally dispatched generating units was 17,605 MW,
- generation of non-centrally dispatched generating units was 8312 MW,
- the cross-border exchange was 341 MW (import).
- for the considered consumer: 5855 MW·km ÷ 99 MW = 59.1 km,
- in the entire network: 1,837,236 MW·km ÷ 14,420 MW = 127.4 km.
3.3. Potential Benefits Resulting from the Implementation of the Proposed Methodology in the Energy Market
4. Summary and Conclusions
Author Contributions
Funding
Institutional Review Board Statement
Informed Consent Statement
Data Availability Statement
Conflicts of Interest
Appendix A

References
- ENTSO-E Working Group Economic Framework, ENTSO-E Overview of Transmission Tariffs in Europe: Synthesis 2019. June 2019. Available online: https://www.entsoe.eu/publications (accessed on 7 April 2020).
- Agency for the Cooperation of Energy Regulators (ACER). Practice Report on Transmission Tariff Methodologies in Europe. December 2019. Available online: https://www.acer.europa.eu (accessed on 17 July 2020).
- Council of European Energy Regulators (CEER). Electricity Distribution Network Tariffs CEER Guidelines of Good Practice. January 2017. Available online: https://www.ceer.eu (accessed on 6 April 2020).
- Mayadeo, H.; Dharme, A.; Abhyankar, A. Comparison of various Sunk Cost Methods of Transmission Pricing. EasyChair Preprint no. 335; Ver. 2. August 2018. Available online: https://easychair.org (accessed on 15 April 2020).
- Xiao, Y.; Wang, X.; Wang, X.; Du, C. Transmission Cost Allocation by Power Tracing Based Equivalent Bilateral Exchanges. CSEE J. Power Energy Syst. 2016, 2, 1–10. [Google Scholar] [CrossRef]
- Murali, M.; Kumari, M.S.; Sydulu, M. A Comparison of Fixed Cost Based Transmission Pricing Methods. Electr. Electron. Eng. 2011, 1, 33–41. [Google Scholar] [CrossRef]
- Orfanos, G.A.; Tziasiou, G.T.; Georgilakis, P.S.; Hatziargyriou, N.D. Evaluation of transmission pricing methodologies for pool based electricity markets. In Proceedings of the 2011 IEEE Trondheim PowerTech, Trondheim, Norway, 19–23 June 2011. [Google Scholar] [CrossRef]
- Lima, D.A.; Padilha–Feltrin, A.; Contreras, J. An overview on network cost allocation methods. Electr. Power Syst. Res. 2009, 79, 750–758. [Google Scholar] [CrossRef]
- Krause, T. Evaluation of Transmission Pricing Methods for Liberalized Markets. A Literature Survey; ZTH: Zürich, Switzerland, 2003; Available online: https://www.research-collection.ethz.ch (accessed on 15 April 2020).
- Jing, Z.; Duan, X.; Wen, F.; Ni, Y.; Wu, F.F. Review of Transmission Fixed Costs Allocation Methods. In Proceedings of the 2003 IEEE Power Engineering Society General Meeting, Toronto, ON, Canada, 13–17 July 2003. [Google Scholar] [CrossRef]
- Venkatesh, P.; Manikandan, B.V.; Charles Raja, S.; Srinivasan, A. Electrical Power Systems Analysis, Security and Deregulation; PHI Learning Pvt. Ltd.: New Delhi, India, 2012; pp. 489–495. [Google Scholar]
- Rubio-Oderiz, F.J.; Perez-Arriaga, I.J. Marginal pricing of transmission services: A comparative analysis of network cost allocation methods. IEEE Trans. Power Syst. 2000, 15, 448–454. [Google Scholar] [CrossRef]
- Reneses, J.; Rodríguez Ortega, M.P. Distribution pricing: Theoretical principles and practical approaches. IET Gener. Transm. Distrib. 2014, 8, 1645–1655. [Google Scholar] [CrossRef]
- Jing, Z.; Wen, F. Review of Cost Based Transmission Losses Allocation Methods. In Proceedings of the 2006 IEEE PES Power Systems Conference and Exposition, Atlanta, GA, USA, 29 October–1 November 2006. [Google Scholar] [CrossRef]
- Teng, J.H. Power flow and loss allocation for deregulated transmission systems. Int. J. Electr. Power Energy Syst. 2005, 27, 327–333. [Google Scholar] [CrossRef]
- Salgado, R.S.; Moyano, C.F.; Medeiros, A.D.R. Reviewing strategies for active power transmission loss allocation in power pools. Int. J. Electr. Power Energy Syst. 2004, 26, 81–90. [Google Scholar] [CrossRef]
- Yang, Z.; Lei, X.; Yu, J.; Lin, J. Objective transmission cost allocation based on marginal usage of power network in spot market. Int. J. Electr. Power Energy Syst. 2020, 118. [Google Scholar] [CrossRef]
- Bialek, J. Tracing the flow of electricity. IEE Proc. Gener. Transm. Distrib. 1996, 143, 313–320. [Google Scholar] [CrossRef]
- Kirschen, D.; Allan, R.; Strbac, G. Contributions of individual generators to loads and flows. IEEE Trans. Power Syst. 1997, 12, 52–60. [Google Scholar] [CrossRef]
- Stott, B.; Jardim, J.; Alsac, O. DC Power Flow Revisited. IEEE Trans. Power Syst. 2009, 24, 1290–1300. [Google Scholar] [CrossRef]
- Wood, A.J.; Wollenberg, B.F. Power Generation, Operation and Control, 2nd ed.; John Wiley & Sons Inc.: New York, NY, USA, 1996; pp. 421–424. [Google Scholar]
- Hinojosa, V.H.; Gonzalez-Longatt, F. Preventive Security-Constrained DCOPF Formulation Using Power Transmission Distribution Factors and Line Outage Distribution Factors. Energies 2018, 11, 1497. [Google Scholar] [CrossRef]
- Lo, K.L.; Hassan, M.Y.; Jovanovic, S. Assessment of MW-mile method for pricing transmission services: A negative flow-sharing approach. IET Gener. Transm. Distrib. 2007, 1, 904–911. [Google Scholar] [CrossRef]
- Polish Power System Operation. Available online: https://www.pse.pl/web/pse-eng/data/polish-power-system-operation (accessed on 31 March 2020).
- Majchrzak, H. Problems related to balancing peak power on the example of the Polish National Power System. Arch. Electr. Eng. 2017, 66, 207–221. [Google Scholar] [CrossRef]
- Commission Decision (EU) 2019/56 of 28 May 2018 on aid scheme SA.34045 (2013/c) (ex 2012/NN) Implemented by Germany for Baseload Consumers under Paragraph 19 StromNEV. Available online: http://data.europa.eu/eli/dec/2019/56/oj (accessed on 10 September 2020).











| Allocation Method | Costs Reflectivity | Price Signals | Costs Recovery | Simplicity |
|---|---|---|---|---|
| “Postage stamp” | low | lack | full | high |
| Power flow based: | ||||
| Simple | average | average | full | average |
| MW∙km (or MW∙mile) | good | good | full | average |
| Marginal costs based: | ||||
| Short-run | very good | very good | full | low |
| Long-run | very good | very good | full | low |
| Allocation Method | Advantages | Drawbacks |
|---|---|---|
| “Postage stamp” | Simplicity:
| Lack of price signals Cross-subsidization between customers An equal degree of network utilization is assumed for all consumers Localization of consumer in the power system is not considered |
| Power flow based | The influence of each customer on the network is analyzed Localization of consumer in the power system is considered Individual degree of network utilization is calculated (cross-subsidization is eliminated) | Depending on the applied power flow decomposition method, the results may be affected by the choice of reference bus or by the choice of network operating conditions |
| Marginal costs based | Economic efficiency (in theory, provides the best cost reflection and correct price signals) | Does not ensure the recovery of the total fixed costs of the network (the adjustment of rates is necessary; this adjustment may significantly distort the price signals) High computational complexity |
| The Consumer in the Bus: | The Degree of Branch Utilization | |||||||
|---|---|---|---|---|---|---|---|---|
| A-1 | 1-2 | 2-3 | 3-B | |||||
| MW/MW | % | MW/MW | % | MW/MW | % | MW/MW | % | |
| 1 | 20/45 | 44 | 0 | 0 | 0 | 0 | 0 | 0 |
| 2 | 25/45 | 56 | 25/25 | 100 | 20/20 | 100 | 20/30 | 67 |
| 3 | 0 | 0 | 0 | 0 | 0 | 0 | 10/30 | 33 |
| Sum | 45/45 | 100 | 25/25 | 100 | 20/20 | 100 | 30/30 | 100 |
| The Consumer in the Bus: | The Degree of Branch Utilization | |||||||
|---|---|---|---|---|---|---|---|---|
| A-1 | 1-2 | 2-3 | 3-B | |||||
| MW/MW | % | MW/MW | % | MW/MW | % | MW/MW | % | |
| 1 | 20/66 | 30 | 0 | 0 | 0 | 0 | 0 | 0 |
| 2 | 45/66 | 68 | 45/46 | 98 | 0 | 0 | 0 | 0 |
| 3 | 1/66 | 2 | 1/46 | 2 | 1/1 | 100 | 9/9 | 100 |
| Sum | 66/66 | 100 | 25/25 | 100 | 20/20 | 100 | 30/30 | 100 |
| The Consumer in the Bus: | The Degree of Branch Utilization | |||||||
|---|---|---|---|---|---|---|---|---|
| A-1 | 1-2 | 2-3 | 3-B | |||||
| MW/MW | % | MW/MW | % | MW/MW | % | MW/MW | % | |
| 1 | 17.14/45 | 38 | −2.86/25 | −11 | 2.86/20 | 14 | 2.86/30 | 10 |
| 2 | 25.71/45 | 57 | 25.71/25 | 103 | 19.29/20 | 96 | 19.29/30 | 64 |
| 3 | 2.15/45 | 5 | 2.15/25 | 8 | −2.15/20 | −10 | 7.85/30 | 26 |
| Sum | 45/45 | 100 | 25/25 | 100 | 20/20 | 100 | 30/30 | 100 |
| The Consumer in the Bus: | Sensitivity Factors of Active Power Flow in the Branch | |||
|---|---|---|---|---|
| A-1 | 1-2 | 2-3 | 3-B | |
| MW/MW | MW/MW | MW/MW | MW/MW | |
| 1 | 0.857 | −0.143 | 0.143 | 0.143 |
| 2 | 0.571 | 0.571 | 0.429 | 0.429 |
| 3 | 0.214 | 0.214 | −0.214 | 0.786 |
| The Consumer in the Bus: | TF | TFL |
|---|---|---|
| MW | MW∙km | |
| 1 | 25.7 | 342.9 |
| 2 | 90.0 | 1542.9 |
| 3 | 14.3 | 235.7 |
| Sum | 130.0 | 2121.5 |
| Consumer and Network | Pp | TF | TFL |
|---|---|---|---|
| MW | MW | MW∙km | |
| Consumer of category 1 | 99 | 368 | 5,855 |
| Entire 400 kV and 220 kV networks | 14,420 | 41,801 | 1,837,236 |
| Consumer and Network | Pp | TF | TFL |
|---|---|---|---|
| MW | MW | MW∙km | |
| Consumer of category 2 | 44 | 80 | 547 |
| Entire 110 kV network of DSO 1 | 860 | 3426 | 20,928 |
| Consumer of category 3 | 68 | 289 | 885 |
| Entire 110 kV network of DSO 2 | 925 | 4257 | 15,344 |
Publisher’s Note: MDPI stays neutral with regard to jurisdictional claims in published maps and institutional affiliations. |
© 2021 by the authors. Licensee MDPI, Basel, Switzerland. This article is an open access article distributed under the terms and conditions of the Creative Commons Attribution (CC BY) license (http://creativecommons.org/licenses/by/4.0/).
Share and Cite
Korab, R.; Kocot, H.; Majchrzak, H. Fixed Transmission Charges Based on the Degree of Network Utilization. Energies 2021, 14, 614. https://doi.org/10.3390/en14030614
Korab R, Kocot H, Majchrzak H. Fixed Transmission Charges Based on the Degree of Network Utilization. Energies. 2021; 14(3):614. https://doi.org/10.3390/en14030614
Chicago/Turabian StyleKorab, Roman, Henryk Kocot, and Henryk Majchrzak. 2021. "Fixed Transmission Charges Based on the Degree of Network Utilization" Energies 14, no. 3: 614. https://doi.org/10.3390/en14030614
APA StyleKorab, R., Kocot, H., & Majchrzak, H. (2021). Fixed Transmission Charges Based on the Degree of Network Utilization. Energies, 14(3), 614. https://doi.org/10.3390/en14030614

