Comparative Analysis of Low-Grade Heat Utilization Methods for Thermal Power Plants with Back-Pressure Steam Turbines
Abstract
:1. Introduction
1.1. The Problem of the Exhaust Heat Utilization for Back-Pressure Steam Turbines
1.2. Existing Solution for Integration of Low-Boiling-Point Fluid Cycles in TPPs with BPSTs
2. Research Objective
2.1. A State of the Art Review of TPPs with BPSTs
- Facilities with unchanged load (Group 1);
- Modified facilities (Group 2);
- Facilities with remarkably reduced load (Group 3);
- Decommissioned facilities (Group 4).
2.2. Choice of the Low-Boiling Point Heat Carrier for Heat Utilization of the Turbine Exhaust Steam
- The thermophysical properties of the heat carrier, providing a maximum increase in power production;
- Low toxicity;
- No environmental harm (ozone layer depletion, the greenhouse effect);
- Low cost for the heat carrier;
- A heat carrier that does not freeze at the ambient temperature (especially important for northern regions).
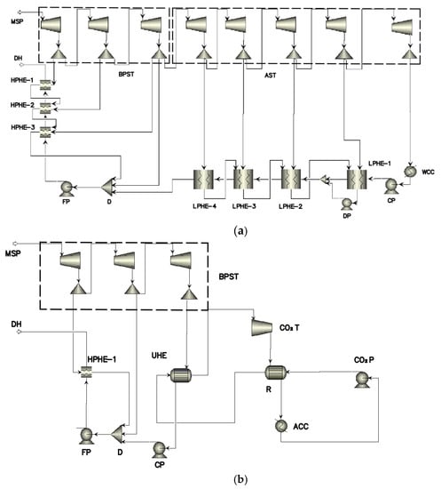
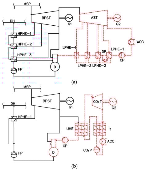
2.3. Prospective Modernization Methods of TPPs with BPSTs
3. Methods
4. Results and Discussion
Thermodynamic Analysis of TPPs with BPSTs
- Gross power of 55.6 MW;
- Domestic electric power consumption (own needs) of 2 MW;
- Net power of 53.6 MW.
- An increase in the gross power of 7.6 MW (6.7% increment) due to the 13.3% higher carbon dioxide turbine mass flow;
- A domestic power consumption increase of 7.6 MW (29.3% increment) due to the 13.3% higher carbon dioxide mass flow rate and the 17.0% higher compression heat drop (this remarkable change of compression heat drop was related to the transition to gaseous fluid compression);
- A constant net power output (0% increment was caused by the equality of the CO2 turbine and compressor power increments).
- Mean reduction in the gross power of 0.47 MW (0.41% decrement) due to mean reduction in CO2 turbine heat drop of 4.57% and mean increase in mass flow rate of 6.98%;
- Mean increase in the domestic power consumption of 0.79 MW (6.78% increment) due to mean increase in mass flow rate of 6.98% and mean increase in CO2 pump heat drop of 0.71%;
- Mean reduction in the net power of 1.26 MW (1.21% decrement).
- Mean increase in the gross power by 3.7 MW (3.1% increment) due to mean reduction in CO2 turbine heat drop of 2.4% and mean increase in mass flow rate of 8.7%;
- Mean increase in the domestic power consumption of 6.94 MW (20.8% increment) due to mean increase in mass flow rate of 8.7% and mean increase in CO2 compressor heat drop of 10.65%;
- Reduction in the net power of 3.24 MW (3.7% decrement).
- -
- By 74% (Case 2a: increase from 20.69 to 36.08%);
- -
- By 65% (Case 2b (with CO2 condensation): increase from 20.69 to 34.03%);
- -
- By 56% (Case 2b (without CO2 condensation): increase from 20.69 to 34.03%).
5. Conclusions
Author Contributions
Funding
Institutional Review Board Statement
Informed Consent Statement
Conflicts of Interest
References
- Ma, G.; Zhang, Y.; Yue, M.; Shi, Y. Thermal economy study on the waste heat utilization of a double reheat unit under coupled steam turbine and boiler. Appl. Therm. Eng. 2020, 175, 115112. [Google Scholar] [CrossRef]
- Thanganadar, D.; Asfand, F.; Patchigolla, K.; Turner, P. Techno-economic analysis of supercritical carbon dioxide cycle integrated with coal-fired power plant. Energy Convers. Manag. 2021, 242, 114294. [Google Scholar] [CrossRef]
- Morimoro, W. Validation Results of 1650 C Class JAC Gas Turbine at T-point 2 Demonstration Plant. Mitsubishi Heavy Ind. Tech. Rev. 2021, 58, 1. [Google Scholar]
- Okajima, Y.; Torigoe, T.; Mega, M.; Kuwabara, M.; Okaya, N. Development of Advanced TBC for 1650 °C Class Gas Turbine. In ITSC2021; ASM International: Almere, The Netherlands, 2021; pp. 695–699. [Google Scholar]
- Ol’khovskii, G.G. The Most Powerful Power-Generating GTUs (a Review). Therm. Eng. 2021, 68, 490–495. [Google Scholar] [CrossRef]
- Salwan, G.K.; Subbarao, R.; Mondal, S. Comparison and selection of suitable materials applicable for gas turbine blades. Mater. Today Proc. 2021, 46, 8864–8870. [Google Scholar] [CrossRef]
- Nourin, F.N.; Amano, R.S. Review of Gas Turbine Internal Cooling Improvement Technology. J. Energy Resour. Technol. 2021, 143, 080801. [Google Scholar] [CrossRef]
- Lytvynenko, O.; Tarasov, O.; Mykhailova, I.; Avdieieva, O. Possibility of using liquid-metals for gas turbine cooling system. In Design, Simulation, Manufacturing: The Innovation Exchange; Springer: Cham, Switzerland, 2020; pp. 312–321. [Google Scholar]
- Bozhko, V.V. Modernization of the type “P” turbines aimed at their transition to the heat supply schedule. Exp. Oper. Modif. Turbines. Available online: http://www.combienergy.ru/stat/908-Modernizaciya-turboustanovok-tipa-Rs-celyu-ih-perevoda (accessed on 12 June 2021).
- Gribkov, A.M. Version of the CHP turbine axial location with the power generator placed on the HPT side. Therm. Power Ind. 2013, 3, 69. [Google Scholar]
- Ryzhenkov, V.A. Efficient protection against atmospheric corrosion of power production equipment during the repair and long-term standby periods. Reliab. Saf. Power Ind. 2017, 1, 43–46. [Google Scholar]
- Khlebalin Yu, M. Modernization of TPP with back-pressure turbine and intermediate superheating. Power Prod. Ind. 2005, 8, 2–4. [Google Scholar]
- Gafurov, A.M. Recovery of the low potential exhaust heat for the TPP efficiency increase during winter periods. Tatarstan Power Ind. 2014, 3–4, 69–76. [Google Scholar]
- Galashov, N.N.; Tsibulsky, S.А. Analysis of the efficiency of a triple combined cycle gas turbine. Bulletin of the Tomsk Polytechnic University. Georesour. Eng. 2014, 4, 33–38. [Google Scholar]
- Song, J.; Li, X.; Ren, X.; Gu, C. Performance analysis and parametric optimization of supercritical carbon dioxide (S-CO2) cycle with bottoming Organic Rankine Cycle (ORC). Energy 2018, 143, 406–416. [Google Scholar] [CrossRef]
- Grinman, M.I.; Fomin, V.A. Application prospects of power production facilities on low boiling heat carrier. Compress. Equip. Pneum. 2009, 7, 35–39. [Google Scholar]
- Rogalev, A.; Rogalev, N.; Kindra, V.; Komarov, I.; Zlyvko, O. Research and Development of the Oxy-Fuel Combustion Power Cycles with CO2 Recirculation. Energies 2021, 14, 2927. [Google Scholar] [CrossRef]
- Saleh, B.; Koglbauer, G.; Wendland, M.; Fischer, J. Working fluids for low-temperature organic Rankine cycles. Energy 2007, 32, 1210–1221. [Google Scholar] [CrossRef]
- Wang, D.; Ling, X.; Peng, H.; Liu, L.; Tao, L. Efficiency and optimal performance evaluation of organic Rankine cycle for low grade waste heat power generation. Energy 2013, 50, 343–352. [Google Scholar] [CrossRef]
- Bao, J.J.; Zhao, L.; Zhang, W.Z. A novel auto-cascade low-temperature solar Rankine cycle system for power generation. Sol. Energy 2011, 85, 2710–2719. [Google Scholar] [CrossRef]
- Rogalev, A.; Rogalev, N.; Kindra, V.; Zlyvko, O.; Vegera, A. Study of Low-Potential Heat Utilization Methods for Oxy-Fuel Combustion Power Cycles. Energies 2021, 14, 3364. [Google Scholar] [CrossRef]
- Rogalev, N.; Rogalev, A.; Kindra, V.; Komarov, I.; Zlyvko, O. Structural and Parametric Optimization of S–CO2 Nuclear Power Plants. Entropy 2021, 23, 1079. [Google Scholar] [CrossRef] [PubMed]
- Rogalev, A.; Kindra, V.; Komarov, I.; Osipov, S.; Zlyvko, O. Structural and Parametric Optimization of S-CO2 Thermal Power Plants with a Pulverized Coal-Fired Boiler Operating in Russia. Energies 2021, 14, 7136. [Google Scholar] [CrossRef]
- Yu, X.; Xiao, Z.; Xie, D.; Wang, C.; Wang, C. A 3D method to evaluate moisture losses in a low pressure steam turbine: Application to a last stage. Int. J. Heat Mass Transf. 2015, 84, 642–652. [Google Scholar] [CrossRef]
- Voronin, V.P. Some areas of technical re-equipment of CHP plants. Therm. Eng. 2002, 12, 2–11. [Google Scholar]
- Dubrovsky, V.G.; Zubov, A.P.; Koshelev, S.A. Reconstruction of a CHP plant in conditions of reduction or release of steam for production needs. Therm. Eng. 2018, 6, 21–28. [Google Scholar]
- Bidkar, R.A.; Mann, A.; Singh, R.; Sevincer, E.; Cich, S.; Day, M.; Moore, J. Conceptual designs of 50 MWe and 450 MWe supercritical CO2 turbomachinery trains for power generation from coal. Part 1: Cycle and turbine. In Proceedings of the 5th International Symposium-Supercritical CO2 Power Cycles, San Antonio, TX, USA, 28–31 March 2016; Volume 2, pp. 28–31. [Google Scholar]
- Melnikov, A.S.; Popov, B.I. Determination of the efficiency of condensing and heating turbine units based on the energy characteristics of turbines. Proc. Natl. Acad. Sci. Belarus A Ser. Phys. Tech. Sci. 2020, 64, 438–446. Available online: http://vestift.belnauka.by/jour/issue/view/33 (accessed on 24 June 2021).
- Kawagishi, H.; Onoda, A.; Shibukawa, N.; Niizeki, Y. Development of moisture loss models in steam turbines. Heat Transf.—Asian Res. 2013, 42, 651–664. [Google Scholar] [CrossRef]
- Sengupta, B.; Bhattacharya, C. Investigation of energy loss on fractional deposition in last stages of condensing steam turbine due to blade shape and moisture droplet size. J. Eng. Gas Turbines Power 2018, 140, 072601. [Google Scholar] [CrossRef]
- Imteyaz, B.; Tahir, F.; Habib, M.A. Thermodynamic assessment of membrane-assisted premixed and non-premixed oxy-fuel combustion power cycles. J. Energy Resour. Technol. 2021, 143, 052303. [Google Scholar] [CrossRef]
- Wei, X.; Manovic, V.; Hanak, D.P. Techno-economic assessment of coal-or biomass-fired oxy-combustion power plants with supercritical carbon dioxide cycle. Energy Convers. Manag. 2020, 221, 113143. [Google Scholar] [CrossRef]
- Wimmer, K.; Sanz, W. Optimization and comparison of the two promising oxy-combustion cycles NET Power cycle and Graz Cycle. Int. J. Greenh. Gas Control 2020, 99, 103055. [Google Scholar] [CrossRef]








| № | TPP Name/Russia Region | Average Annual Temperature/Type of Fuel | Turbine Marking/TPP Layout | BPST Current State |
|---|---|---|---|---|
| 1 | Balakovo CHP/Saratov region | 7.1 °C/ natural gas | P-50-130/13/ unknown | decommissioned |
| 2 | Novocheboksarskaya CHP-3/Chuvashiya republic | 3.5 °C/ natural gas | P-25-130/13/ transversal connections | load reduced by 50% (from 50 to 25 MW) |
| 3 | Kazan CHP-2/Tatarstan republic | 4.0 °C/ natural gas | P-25-130/13/ transversal connections | load reduced by 50% (from 50 to 25 MW) |
| 4 | Nizhegorodskaya TPP/Nizhegorodskaya region | 5.9 °C/ natural gas | P-32-130/13/ unknown | load reduced by 36% (from 50 to 32 MW) and decommissioned |
| 5 | Saratov CHP-2/Saratov region | 7.1 °C/ natural gas | P-50-130/13/ unknown | decommissioned |
| 6 | Sterlitamak CHP/Bashkortostan republic | 4.9 °C/ natural gas | 2 × P-50-130/13/ transversal connections | decommissioned |
| 7 | Irkutsk CHP-9/Irkutsk region | 2.2 °C/ coal | P-50-130/13/ transversal connections | decommissioned |
| 8 | Kemerovo TPP/Kemerovo region | 1.5 °C/ coal | P-35-130/30/15, P-35-130/30/ transversal connections | load reduced by 30% (from 50 to 35 MW) |
| 9 | Novo-Kemerovo CHP /Kemerovo region | 1.5 °C/ coal | P-50-130/13, P-50-130/18/ transversal connections | decommissioned |
| Parameter | Value |
|---|---|
| Turbine inlet mass flow, kg/s | 116.6 |
| Turbine inlet pressure, MPa | 12.8 |
| Turbine inlet temperature, °C | 555 |
| Turbine exit pressure, MPa | 1.5 |
| Turbine exit temperature, °C | 258 |
| Turbine internal relative efficiency, % | 89 |
| Mechanical efficiency, % | 99 |
| Power generator efficiency, % | 99 |
| Feed water temperature, °C | 234 |
| High-pressure heat exchanger minimal temperature reduction, °C | 5 |
| Pressure in deaerator, MPa | 0.6 |
| Feed pump internal relative efficiency, % | 75 |
| Condensate pump internal relative efficiency, % | 0.89 |
| Feed pump outlet pressure, MPa | 1.34 |
| Pressure in the first steam turbine bleed, MPa | 34.4 |
| Pressure in the second steam turbine bleed, MPa | 21.9 |
| Relative pressure losses in turbine bleeds, % | 5 |
| Substance | Relative Price | Safety Data | Environmental Data | ||
|---|---|---|---|---|---|
| Toxicity | Danger of Explosion | Ozone Depletion | Global Warming | ||
| R123 | average | + | - | + | - |
| R365mfc | high | - | - | - | + |
| R601a | high | - | + | - | - |
| R601 | high | - | + | - | - |
| R141 | average | - | - | + | - |
| C5H12 | low | + | + | - | + |
| CO2 | low | - | - | - | + |
| Parameter | Value |
|---|---|
| Low-pressure heat exchanger minimal temperature reduction, °C | 5 |
| Condenser minimal temperature reduction, °C | 10 |
| Low-pressure turbine internal relative efficiency, % | 84 |
| Pressure in the first bleed of LPT, MPa | 0.14 |
| Pressure in the second bleed of LPT, MPa | 0.20 |
| Pressure in the third bleed of LPT, MPa | 0.27 |
| Pressure in the fourth bleed of LPT, MPa | 0.37 |
| Parameter | Value |
|---|---|
| CO2 turbine inlet pressure, MPa | 19 |
| CO2 turbine inlet temperature, °C | 193 |
| CO2 turbine internal relative efficiency, % | 90 |
| CO2 condenser minimal temperature reduction, °C | 10 |
| CO2 regenerator minimal temperature reduction, °C | 5 |
| Utilization of heat exchanger minimal temperature reduction, °C | 5 |
| Pressure in deaerator, MPa | 1.83 |
| № | New Power Generation Equipment for Case 2a | New Power Generation Equipment for Case 2b |
|---|---|---|
| 1 | Accessory steam turbine | CO2 turbine |
| 2 | Generator 2 | Generator 2 |
| 3 | Water cooled condenser | Air cooled condenser |
| 4 | Condensate pump (high-pressure) | Condensate pump (high-pressure) |
| 5 | Low-pressure heat exchangers (LPHE-1, LPHE-2, LPHE-3, LPHE-4) | Regenerator |
| 6 | Drainline pump | CO2 pump |
| 7 | - | Utilization of heat exchanger |
| 8 | - | Deaerator (high-pressure) |
| № | Removal of Power Generation Equipment for Case 2a | Removal of Power Generation Equipment for Case 2b |
|---|---|---|
| 1 | Condensate pump (low-pressure) | Condensate pump (low-pressure) |
| 2 | - | Deaerator (low-pressure) |
| № | TPP Name | Average Annual Temperature, °C | Net Power Increment for Case 2a, MW | Net Power Increment for Case 2b, MW | The Choice of Superstructure Case |
|---|---|---|---|---|---|
| 1 | Balakovskaya CHP | 7.1 | 94.26 | 94.11 | 2a |
| 2 | Novocheboksarskaya CHP-3 | 3.5 | 69.26 | 70.55 | 2b |
| 3 | Kazanskaya CHP-2 | 4.0 | 69.26 | 70.40 | 2b |
| 4 | Nizhegorodskaya TPP | 5.9 | 76.26 | 76.80 | 2b |
| 5 | Saratovskaya CHP-2 | 7.1 | 94.26 | 94.11 | 2a |
| 6 | Sterlitamakskaya CHP | 4.9 | 94.26 | 95.30 | 2b |
| 7 | Irkutskaya CHP-9 | 2.2 | 94.26 | 95.59 | 2b |
| 8 | Kemerovskaya TPP | 1.5 | 79.26 | 81.15 | 2b |
| 9 | Novo-Kemerovskaya CHP | 1.5 | 94.26 | 96.15 | 2b |
Publisher’s Note: MDPI stays neutral with regard to jurisdictional claims in published maps and institutional affiliations. |
© 2021 by the authors. Licensee MDPI, Basel, Switzerland. This article is an open access article distributed under the terms and conditions of the Creative Commons Attribution (CC BY) license (https://creativecommons.org/licenses/by/4.0/).
Share and Cite
Rogalev, N.; Kindra, V.; Komarov, I.; Osipov, S.; Zlyvko, O.; Lvov, D. Comparative Analysis of Low-Grade Heat Utilization Methods for Thermal Power Plants with Back-Pressure Steam Turbines. Energies 2021, 14, 8519. https://doi.org/10.3390/en14248519
Rogalev N, Kindra V, Komarov I, Osipov S, Zlyvko O, Lvov D. Comparative Analysis of Low-Grade Heat Utilization Methods for Thermal Power Plants with Back-Pressure Steam Turbines. Energies. 2021; 14(24):8519. https://doi.org/10.3390/en14248519
Chicago/Turabian StyleRogalev, Nikolay, Vladimir Kindra, Ivan Komarov, Sergey Osipov, Olga Zlyvko, and Dmitrii Lvov. 2021. "Comparative Analysis of Low-Grade Heat Utilization Methods for Thermal Power Plants with Back-Pressure Steam Turbines" Energies 14, no. 24: 8519. https://doi.org/10.3390/en14248519
APA StyleRogalev, N., Kindra, V., Komarov, I., Osipov, S., Zlyvko, O., & Lvov, D. (2021). Comparative Analysis of Low-Grade Heat Utilization Methods for Thermal Power Plants with Back-Pressure Steam Turbines. Energies, 14(24), 8519. https://doi.org/10.3390/en14248519

