Abstract
This article presents studies related to the driving and control of the switched reluctance generator in order to enhance its efficiency. This type of electrical machine is an option for wind energy conversion systems, favoring the generation of electricity in distributed generation systems and contributing positively to loads without access to the main grid. The studies developed in this paper verify the possibility of controlling the output voltage of the switched reluctance generator in parallel with an efficiency tracking technique acting on the switching angles of the power converter. Simulation and experimental results are presented in order to verify the feasibility of implementing this technique to enhance the efficiency of the generator.
1. Introduction
The production of electricity from renewable primary sources is a matter that has been substantially addressed by the scientific community. Primary sources available include wind energy, which integrates most of the energy matrices in Asia, Europe, and North America [1]. Energy conversion systems from wind kinetic energy are commonly called wind energy conversion systems (WECS). Primary sources for generating electricity, such as solar and wind, are of substantial importance in the set of renewable energies. In addition, the scientific community has invested in efforts to apply these sources efficiently, safely, and effectively [2]. In recent years, many studies have been conducted on wind energy.
Currently, the switched reluctance generator (SRG) has been the object of study in applications with wind turbines, mainly in an attempt to increase the generator’s efficiency. This electric machine is interesting for this type of application as it presents positive characteristics, such as mechanical robustness, high efficiency, possibility of operating in a wide speed range, high power density, and is fault tolerant [3]. In addition to being able to operate with various speed values, the SRG can be used to generate electricity without the need for a gearbox in wind turbine applications.
Several studies related to SRG are present in the literature, such as [4,5,6,7]. In Xiao [8], some advantages of the SRG for WECS applications are presented, both for systems with gearbox and for directly coupled systems. Another way to enhance efficiency is during the design stage, as shown in [4]. In [6], the SRG is also presented for applications in WECS, with modeling elaborated in Matlab toolbox. As presented in [7], the authors present the closed-loop power control using the half-bridge converter, also with the objective of generating energy from a wind turbine. In several studies it can be observed that there is concern about the efficiency of the generator associated with the wind turbine. In Toulabi [9], efficiency is analyzed when the SRG has independent excitation and when it is self-excited.
Machine performance is usually analyzed when it is subjected to output power control. Control loops are commonly set for output current, voltage, and power. Although the power generated by the SRG can be controlled through a current loop, the power control can also be carried out by directly acting on the power generated by the SRG, as described in [10]. The control of these quantities can be accomplished using classic controllers such as the PID. The classic controllers with proportional (P), integral (I), and derivative (D) have some advantages, such as simple structure, relative ease of design, and low cost. Nevertheless, these controllers have some disadvantages, including poor performance when its parameters are not properly adjusted, especially if the object to be controlled has nonlinearities [2].
The generation of distributed electric energy, as well as the implementation of isolated generation systems, in regions without access to the main power grid normally makes use of primary sources such as solar and wind energy. As an example, ref. [11] presents experimental results for validating the SRG in operation on a low-voltage DC microgrid. In these cases, it is appropriate to use generators that provide high efficiency to enhance the power generation. Considering this scenario, this paper investigates the hypothesis of associating the control of the output voltage of the SRG with a tracking technique of better efficiency with performance in the angles of switching of the power converter. This association contributes positively to the generation of energy by the SRG in variable speed scenarios, also allowing the generation of energy with low levels of generator excitation power.
Considering the previous studies developed by the scientific community on this topic, many works are noticeable related to tracking techniques applied to power maximization, as seen in [12,13,14,15]. However, this paper aims to develop an SRG output voltage control system while a tracking technique can enhance the generator’s efficiency, making it even more attractive for electricity generation from wind energy in locations without access to the main grid.
2. Theoretical Background
The switched reluctance machine is an electromechanical energy conversion equipment that has been the object of study for several years [16]. The constructive characteristics of the switched reluctance machine basically involve a package of sheets of magnetic material for stator composition. The rotor is also laminated, so both stator and rotor have salient poles, with no brushes or slip rings. The machine is supplied with direct current via power converter. The absence of brushes on the rotor ensures greater robustness for this type of machine [17], providing lower maintenance costs. The SRG has fault tolerance due to the independence between the magnetic fluxes of the machine phases, in addition to the phase independence also in the power converter [18].
The absence of windings and brushes on the SRG rotor requires low starting torque. This is a positive feature for wind generation systems.
Figure 1a illustrates the cross section of a 6 × 4 topology switched reluctance machine [19], with six poles on the stator and four poles on the rotor. A 6 × 4 topology SRG typically has three coils. Figure 1a illustrates only one of the three coils of the machine. Other configurations related to the number of poles of the stator, rotor, and number of phases are also explored, as shown in [20,21].
Figure 1.
Cross section of a 6 × 4 SRG and its respective inductance profile as a function of the rotor angular position: (a) Cross section of a single-phase switched reluctance machine and (b) inductance profile of one of the SRG phases.
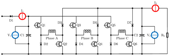
Figure 1b illustrates the behavior of the inductance of one SRG phase as a function of the angular position . This behavior is periodic and has the same pattern for the other two phases of the SRG. The activation of the SRG is determined by the moments in which the electric current is applied to the phase coils. Current is applied by the power converter. The most commonly used converter is the asymmetric half-bridge (AHB) converter, illustrated in Figure 2.
Figure 2.
Schematic diagram of the AHB converter.
In Figure 2, , , , , , and are semiconductor power switches that are driven by a microprocessor system responsible for determining the machine operation. On the other hand , , , , , and are power diodes that allow the establishment of the path for the electric current during the regeneration stage. In Figure 2, the position of the three coils of the SRG is shown and the elements , , , and are measuring instruments for collecting voltage and current values for SRG input and output. The element is the load to be supplied by the SRG and AHB converter.
The production of mechanical energy by switched reluctance machine operating as a motor or the production of electrical energy operating as a generator depends on the type of excitation provided by the AHB converter. This excitation depends on the instantaneous position of rotor , as is presented later.
2.1. Mathematical Model of the SRG
Each of the SRG coils establishes an circuit to be powered by the excitation source . The circuit formed by the coil is associated with the magnetic circuit provided by the core, which can be analyzed by
where is the resistance of each phase in ohms , i is the stator current in each phase in amperes , is the concatenated stator flux per phase in weber and is given by
The inductance L in henrys depends on the instantaneous position of the rotor , as shown in Figure 1b and the phase current i. Therefore, the phase voltage using (1) and (2) is
The mechanical expression is
where is the rotor speed in radians per second , J is the total inertia in , and B is the friction coefficient in . The electromagnetic torque in is obtained from
From (6), it is possible to observe that the torque production by the switched reluctance machine depends on the current applied to the coils (independent of the direction) and the rate of change of the inductance L as a function of the angular position . Thus, it is necessary that the machine’s drive system has some resource that allows instantaneous measurement of the angular position for current application to the coils during , producing positive torque (operation as a motor), or during , producing negative torque (operation as generator) [22]. Figure 3 shows the current application scheme for one of the SRG coils via the AHB converter. The switching angles and are moments in which the power semiconductors and of the converter in Figure 2 are activated, thus defining the excitation and generation steps of the SRG.
Figure 3.
Inductance profile and current waveform in one of the SRG phases.
From the information presented, it is possible to observe that the output power of the SRG depends on some factors, among them, the excitation voltage of the AHB converter of Figure 2 and of the switching angles and of the converter. Regarding these last parameters, it is expected that with appropriate excitation stage, it is possible to obtain higher values of output power [23].
In the scientific community there are studies related to the driving of SRG without a source of permanent excitation. This type of drive is known as a self-excitation. An example of this type of SRG operation can be seen in [24].
2.2. Simulation Model of the SRG
Based on the SRG working theory and its mathematical model, it is possible to establish its computational model. Usually the computational model depends on the way in which coil inductance is represented, which can be linear models, mathematical models based on periodic signs [25], or nonlinear models that consider the magnetic saturation of the core [22].
Figure 4 illustrates a diagram commonly used in SRG simulation. In the figure, IM is an induction motor that serves as the primary movement to supply mechanical energy to the SRG.
Figure 4.
Block diagram of the computational model.
The SRG mathematical model used in this study was elaborated from points obtained experimentally, considering the saturation of the magnetic circuit, in order to obtain an expression for the surface using parametric regression [22].
Measurements of electrical and mechanical quantities via sensors and instruments normally contribute to the evaluation of SRG efficiency, obtained by
where is the electrical output power, is the electrical excitation power, and is the mechanical input power, all of them in watts . The mechanical power is given as the product between the rotor speed, in , and the torque, in .
In this study, the nonlinear model of the coil inductance was used, considering the saturation of the magnetic core of the generator, as performed by Araujo [22].
Parameters commonly analyzed in the simulations are values that represent the performance of the SRG. In addition to the electrical, mechanical, and generator efficiency, other parameters can be analyzed, such as torque ripple, vibration, heating, and other parameters that, when necessary, resort to the application of the finite element method [26].
3. Methodology
Considering that the SRG is a DC generator, its output is normally used in alternating current conversion systems, such as inverters or charge controllers. In these cases, there is usually a need to control the generator output voltage to suit these conversion systems. Therefore, in this study, a voltage PID controller is designed and applied to the SRG output.
Thus, the output voltage is the variable controlled by the PID. However, as shown in Figure 5, in this paper the controller is evaluated considering some manipulated variables, such as excitation voltage , the turn-on angle of activation of the power converter (), and the turn-off angle of the power converter ().
Figure 5.
Closed-loop system diagram for direct power control.
Manipulating excitation voltage of the SRG power converter provides control of its output voltage. On the other hand, the manipulation of the switching angles and of the power converter allows adjustment of the excitation window, as shown in Figure 3, which also contributes to changing the values of the output voltage. In other words, the and values allow adjusting the SRG excitation time before the generation period.
Thus, in this article, three case studies are established for the SRG operating at variable speed:
- Analysis of the turn-on angle influence on the generator behavior, in order to establish a suitable value for use in the other stages of the methodology.
- Optimization of the PID controller for the SRG output voltage and analysis of the generator behavior when the manipulated variable is the excitation voltage and when it is the turn-off angle of phases .
- Development of an algorithm to implement a technique for tracking the maximum generator efficiency associated with the output voltage PID controller.
The PID controller has a linear characteristic and is a controller that has only one output. Thus, it is expected that the use of the maximum efficiency tracker in parallel with the controller can positively contribute to the SRG efficiency. Therefore, the last step of the methodology carries out this study for this verification.
With the results of these methodologies in mind, it is expected that the SRG can be activated and controlled in order to provide better performance for wind energy applications, resulting in lower excitation power, better efficiency, and lower levels of mechanical vibration.
3.1. Case Study I—Analysis of the Influence of Turn-On Angle on SRG Performance
As can be seen in Figure 3, normally, the electronic switches of the power converter of Figure 2, for each of the phases, are energized when the inductance of the respective phase is maximum, at which point the instantaneous angle is considered null (). At this point, the generator excitation step begins. When the switches of the respective phase are turned off, the generation step begins. Therefore, the size of the generation window determines the behavior of the SRG with respect to the output voltage, efficiency, and torque ripple.
For topology reluctance machines, the literature usually establishes that the most suitable conduction window is 30 degrees [25,27], i.e.,
However, at this stage of the methodology, a study was carried out to determine if this conduction window, even maintained at , can positively contribute to the generator’s performance if it is anticipated for angles smaller than .
In this way, the computational model was subjected to several iterations so that the turn-on angle was varied from to degrees while the conduction window was kept fixed at , respecting Equation (8).
For analysis purposes, the generator was simulated in open loop in this methodology, with fixed excitation around . The speed was also kept fixed at = 1000 rpm.
The interest in this stage, as explained above, is to analyze the generator’s behavior. The main parameters used as a metric in this step are the output power , the efficiency of the generator, shown in Equation (7), and the torque ripple. Several studies on the reluctance machines are concentrated in the attempt to minimize the torque ripple, as presented in [14], where an artificial neural controller is applied to minimize the torque ripple and to maximize the power of the SRG. This process is appropriate because the oscillatory nature of this type of electric machine makes the vibrations greater when compared to other types of machines. Therefore, minimizing the torque ripple can contribute positively above all, with wind generation systems, as also presented in [28].
3.2. Case Study II—PID Controller Optimization and Performance Analysis for Different Manipulated Variables
As illustrated in Figure 5, the SRG is excited with a DC voltage from a fully controlled three-phase AC–DC converter. The system controller acts on the firing angle of the AC–DC converter, providing control of the generator excitation.
On the other hand, the system controller obtains the instantaneous position of the rotor through a rotary encoder, being able to modify the values of the excitation window for the power converter. However, the value will be kept fixed according to the result obtained in the previous methodology.
Therefore, in this step it is appropriate to check which manipulated variable provides the best contribution to the system’s performance when submitted to a closed-loop output voltage control: the excitation voltage or the turn-off angle .
In this way, a PID controller was implemented for the generator output voltage , acting on the excitation voltage . The switching angles of the power converter were kept fixed, so that assumed the value found in the previous methodology and the excitation window was kept fixed at , according to Equation (8). For this configuration, the controller was subjected to various setpoint values in the range from 50 V to 180 V, in 10 V intervals. For each setpoint value, the rotor speed was adjusted from 500 rpm to 1800 rpm, in intervals of 100 rpm.
Then, the manipulated variable by the PID controller was changed to the turn-off angle . In this case, the excitation voltage was kept fixed at the generator nominal voltage ( = 180 V) and the turn-on angle was kept fixed at the value found in the previous methodology. However, in this case, the controller acts on the turn-on angle of the power converter to affect the control of the output voltage. Likewise, the voltage PID controller was subjected to various setpoint values in the range from 50 V to 180 V, in 10 V intervals. Again, for each setpoint value, the simulation was performed by varying the generator speed from 500 rpm to 1800 rpm, in 100 rpm intervals.
These two tests for the two manipulated variables have, as main objectives, to evaluate both the performance of the controller and the generator. The metric used for this evaluation is the capacity of the controller to control the output voltage, the generator efficiency, and the torque ripple under setpoint variations and disturbances.
For both tests, the gains of the PID controller were adjusted using an optimization process.
The parameters of the voltage controller are the proportional gain , the integral gain , and the derivative gain . The tuning of these parameters can be carried out considering several methods already presented by the scientific community. In this work, the adjustment of , , and is carried out using a hybrid optimization process, combining the quasi-Newton method (QNM) and the genetic algorithm (GA). The optimization process applied to the adjustment of the PID controller parameters is advantageous, as the obtained values can be applied with variation of parameters such as the setpoint, load insertion, and speed variation [29].
In this way, the optimization process employed tests various values for the parameters of the PID controller with the following fitness function:
This fitness function was used to evaluate the controller performance for the , , and parameters at each iteration of the process until the stop criterion is reached. In Equation (10), is the instant that output voltage has a maximum value in t. The Expression (10) evaluates the partial results of the optimization process considering three factors: (i) the integral of absolute error (IAE), (ii) the percentage of overshoot of the output voltage (), and (iii) the error in steady state of the output voltage (). These three values are normalized in relation to the generator output ().
The optimization process guarantees satisfactory response for the control system. In this process, the parameters , , and can even be updated by the optimization process, which can lead to controllers without one of the actions, such as (i) P, (ii) PI, (iii) PD, or (iv) PID. With the appropriate parameters provided by the optimization process, the PID controller is then tuned to these values. To validate the controller performance, tests must be performed with variation of the setpoint and with disturbance in the output variable (). The efficiency tracking technique is then applied.
3.3. Case Study III—Development of Maximum Efficiency Tracking Technique Associated with the PID Controller
As previously explained, electric machines used in isolated or distributed generation systems are machines that should, as far as possible, have high efficiency. As the focus of this work is on SRG efficiency for these scenarios, an efficiency tracking technique was developed. As well as techniques for tracking the maximum power point (MPPT) used in various energy systems, in this case, a perturb-and-observe algorithm is employed, but with a focus on generator efficiency instead of power. Therefore, a maximum efficiency point tracking technique (MEPT) is established here.
The MEPT technique developed in this work acts in parallel with the PID controller of the generator output voltage. In this case, the advantage is the possibility of acting on more than one variable simultaneously, which would not be possible only with a linear controller such as the PID. The MEPT tracking Algorithm 1 is shown as follows.
| Algorithm 1: Maximum Efficiency Point Tracking (MEPT) algorithm |
![]() |
As can be seen, the MEPT algorithm initially waits for the PID controller to act. This means that the tracking is only started when the output voltage reaches the steady state, assuming the value indicated in the setpoint with a margin of error of . Then, the conduction window defined by the values of the and angles (initially set at and , respectively), begins to be left-shifted so that the angle assumes, at most, the value found in the first methodology.
When value reaches the appropriate value, according to the first phase of the methodology, a perturb-and-observe technique is implemented; therefore, the angle is decreased as a disturbance and the efficiency value is observed. The purpose of this procedure is to reduce the size of the conduction window of Expression (8) so that the excitation power of the SRG is reduced, contributing positively to the efficiency indicated in Expression (7).
In this way, the MEPT algorithm allows achieving better values of efficiency for the generator in parallel to the PID control of the output voltage, as the MEPT acts only while the permanent regime is reached. This means that the algorithm does not allow the disturbance in values to negatively influence the performance of the PID controller.
4. Results
As explained in one of the methodology sections of this study, the SRG was subjected to three stages of tests to assess the influence of the turn-on angle on the parameters: output power , efficiency , and torque ripple . This first stage, in addition to providing an analysis of SRG performance based on established metrics, provides for the other stages of the methodology to operate with a more favorable value. In sequence, the optimization of a voltage PID controller with actuation in (i) excitation voltage and (ii) the turn-off angle was performed. Finally, an algorithm with maximum efficiency tracking technique was developed and applied in parallel to the voltage PID controller to evaluate the final results.
The methods used in this study were performed considering a switched reluctance machine with topology, with parameters shown in Table 1.
Table 1.
Parameters of the SRG used in this study.
For all tests developed in this study, a purely resistive load with a value of was used. In some cases, the load resistance was varied in order to promote a disturbance in the system, in order to evaluate the performance of the voltage controller.
Figure 6 presents the experimental platform developed to evaluate the results.
Figure 6.
Experimental setup.
4.1. Case Study I—Analysis of the Influence of Turn-On Angle on SRG Performance
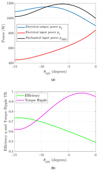
This stage of the study assesses the influence of turn-on angle on SRG performance. All tests of this stage were performed in open loop with fixed excitation and speed of 1000 rpm. Figure 7a illustrates the electrical output power (output power ), the electrical input power (excitation power ), and the mechanical input power (), and Figure 7b illustrates the SRG efficiency and the torque ripple .
Figure 7.
Behavior of SRG performance against the variation of the turn-on angle : (a) SRG input and output powers as a function of variation, and (b) SRG efficiency and torque ripple as a function of variation.
Analyzing Figure 7a, it is appropriate to adopt as a metric a value of that provides greater power generated at the output, while both the electrical and mechanical input powers are the lowest, favoring the enhancement of efficiency, as shown in Equation (7). For the results shown in Figure 7a, value is presented as favorable for this case.
On the other hand, in Figure 7b, it is interesting to note a value that provides higher efficiency values and lower torque ripple values, favoring the minimization of the generator’s mechanical vibrations. Likewise, in Figure 7b, the value is presented as suitable for this metric.
In this way, the value is considered for the later stages of the methodology of this study.
4.2. Case Study II—PID Controller Optimization and Performance Analysis for Different Manipulated Variables
In this stage of the study, the PID controllers for the SRG output voltage were optimized in order to obtain proportional, integral, and derivative gains (, , and ), both for the controller acting on the excitation voltage and the controller acting on the turn-off angle .
The optimization method employed is hybrid, as it mixes heuristic and deterministic techniques in the search for the best values. The genetic algorithm, used as a heuristic technique, was configured with the following characteristics: population of 20 individuals, 100 generation stop criteria, uniform mutation, selection by tournament, and heuristic crossover. The stopping criterion for iterations involves the maximum number of generations or when the fitness function represented by Equation (10) reaches zero.
The parameters found by the optimization method were = 84.04 · 10°/V, = 512.77 · 10°/V, and = 2.146 · 10°/V for the voltage PID controller that acts on the excitation voltage of the SRG. For the PID controller operating on the turn-off angle, the parameters obtained were = 42.86 · 10°/V, = 297.94 · 10°/V, and = 758.56 · 10°/V.
Figure 8a,b present simulation and experimental results for the control of the SRG output voltage using the excitation voltage V1 as manipulated variable.
Figure 8.
Voltage PID controller response using as manipulated variable (80 V reference): (a) Simulation result and (b) experimental result.
For both results, a load disturbance was applied at time . The load initially has a value of 50.6 , and at t = 8 s it is instantly changed to 32.9 .
More tests were performed, but with the setpoint adjusted to 100 V and 120 V, as shown in Figure 9 and Figure 10.
Figure 9.
Voltage PID controller response using as manipulated variable (100 V reference): (a) Simulation result and (b) experimental result.
Figure 10.
Voltage PID controller response using as manipulated variable ( reference): (a) Simulation result and (b) experimental result.
In order to more broadly assess the behavior of the SRG with the aforementioned controllers, simulations were performed varying the setpoint and the speed of the generator. Figure 11a,b and Figure 12a,b illustrate the surfaces, for each simulated PID controller, of the output voltage , excitation voltage , efficiency , and torque ripple . For these figures, the blue surfaces are related to the PID controller acting on the excitation voltage and the red surfaces are related to the PID controller acting on the turn-off angle. To obtain the surfaces, both controllers were subjected to variations in the setpoint, in the 50 V ≤ setpoint ≤ 180 V range. The rotor speed was also varied in range 500 rpm ≤ ≤ 1800 rpm.
Figure 11.
Output voltage surfaces for the implemented PID controllers and excitation voltage applied to the SRG for each controller (blue surface: PID controller acting on the excitation voltage, red surface: PID controller acting on the turn-off angle): (a) SRG output voltage and (b) SRG excitation voltage applied by the PID controller.
Figure 12.
Efficiency and torque ripple surfaces for each implemented PID controller (blue surface: PID controller acting on the excitation voltage, red surface: PID controller acting on the turn-off angle): (a) SRG efficiency and (b) SRG torque ripple.
Analyzing Figure 11a, it is possible to verify that the performance of both controllers is satisfactory, as the surfaces of Figure 11a present an angle of approximately between the y axes (setpoint) and z (output voltage). Therefore, the controllers provided the same values in the setpoint at the output, with low error values in steady state. In addition, it is possible to verify that the parameters found for the controllers via optimization process contribute positively when the generator speed is modified, which is an appropriate result for wind generation scenarios.
On the other hand, as previously shown, in Figure 11b it is possible to verify that the PID controller that operates at the turn-off angle applies high voltages in the generator’s DC bus, exceeding even the nominal value shown in Table 1.
Regarding the performance of the SRG when subjected to voltage PID controllers, it is desirable that the efficiency of the generator is as high as possible and that the torque ripple is as low as possible. However, in Figure 12a,b, it can be seen that the controller that acts on the turn-off angle causes the generator to present more favorable results. However, as previously presented, this type of controller has the drawback of the need for high excitation voltages for its correct operation. Therefore, the strategy at this point in the research is to develop some technique parallel to the PID controller that acts on the excitation voltage so that the efficiency and torque ripple metrics can be improved in relation to the results presented in Figure 12a,b. This technique is presented in the next section.
4.3. Case Study III—Development of Maximum Efficiency Tracking Technique Associated with the PID Controller
As previously explained, it is desired in this study that the PID controller that acts on the SRG excitation voltage be used, in view of some disadvantages presented by the PID controller that acts at the turn-off angle. However, in an attempt to improve the performance of the PID controller that acts on the generator excitation, a maximum efficiency point tracking algorithm was developed in parallel to the controller.
The MEPT algorithm acts by waiting for the voltage PID controller to enter a steady state and then initiates the displacement of the conduction window so that the turn-on angle is at least , as presented in the previous section algorithm. Then, a perturb-and-observe algorithm acts on the turn-off angle and verifies the variation of the generator’s efficiency until a maximum value is reached for that driving scenario.
From Figure 13 are shown the behavior of the SRG when submitted to the PID controller that acts on excitation with and without the presence of efficiency tracking.
Figure 13.
Simulation result for reference: (a) Evolution of angles and with MEPT algorithm; (b) Performance of voltage controller inparallel with MEPT algorithm.
In Figure 13a it is possible to see that the switching angles remain with the conventional window and for an instant of time. This one instant, as indicated by the algorithm, is the time required for the voltage to output to go into steady state by the actuation of the PID controller. Then, the driving window is delayed by in until it reaches its limit at , a satisfactory value for the GRC, as presented previously. Then, the angle starts to decrease by a perturb-and-observe algorithm, so that at each degree that is decreased, the efficiency value is compared to the previous value, until the efficiency can no longer increase. In Figure 13a, the angles are stabilized at and . This provides a driving window of , minimizing the excitation power of the GRC and, consequently, increasing the generator’s efficiency. Figure 13b shows the performance of the voltage PID controller acting in parallel with the MEPT tracking algorithm. The controller performance was satisfactory even with the disturbances in the switching angles of the converter. In this test, the reference used was 100 V.
Figure 14 presents the results for the 100 V reference, illustrating the evolution of the GRC performance according to the performance of the MEPT algorithm and also the experimental result with the obtained angles.
Figure 14.
Simulation and experimental results for 100 V reference: (a) Simulation result: efficiency increase with MEPT algorithm; (b) Experimental result: controller performance and GRC throughput.
In Figure 14a, the GRC efficiency is raised from to . This is a result obtained by the computational model. In order to experimentally verify the performance of the MEPT algorithm, the angles provided by the algorithm, illustrated in Figure 13a, were inserted into the experimental platform and the result is shown in Figure 14b. It can be seen in Figure 14b that, in addition to the controller having guaranteed the voltage regulation at the pre-established value by the reference (100 V), the efficiency was raised to approximately , as indicated in Figure 14b.
Figure 15 and Figure 16 show the results for the same procedure as above, but with a reference voltage of 120 V for the controller.
Figure 15.
Simulation result for 120 V reference: (a) Evolution of angles and with MEPT algorithm; (b) Performance of voltage controller in parallel with MEPT algorithm.
Figure 16.
Simulation and experimental results for 120 V reference: (a) Simulation result: efficiency increase with MEPT algorithm; (b) Experimental result: controller performance and GRC throughput.
In Figure 15a, the switching angles have stabilized at and . In Figure 15b, the PID controller kept the generator output at , despite transient instability.
Figure 16a illustrates the evolution of GRC performance with the MEPT algorithm, where the efficiency increased from to . In the same way as in the previous procedure, the values obtained for the switching angles, that is, and , were used in the experimental platform, and the test result for reference is shown in Figure 16b.
As the last experimental procedure to validate the MEPT algorithm in parallel with the voltage PID controller, the reference was raised to . The results for this test are shown in Figure 17 and Figure 18.
Figure 17.
Simulation result for reference: (a) Evolution of angles and with MEPT algorithm: (b) Performance of voltage controller in parallel with MEPT algorithm.
Figure 18.
Simulation and experimental results for reference: (a) Simulation result: efficiency increase with MEPT algorithm; (b) Experimental result: controller performance and GRC throughput.
The evolution of the switching angles illustrated in Figure 17a, due to the action of the MEPT algorithm, results in the values and . The performance of the voltage PID controller, shown in Figure 17b, indicates that the controller has a satisfactory action for operation in parallel with the MEPT algorithm, considering its adjustment made by the optimization process. The generator output was maintained at values close to the 140 V reference.
5. Discussion
The development of this work is supported by previous research in which the reluctance machine was designed and built, however, for operation as a motor with current control in an attempt to minimize the oscillations of the conjugate produced. In this way, the beginning of the development of this work took place with the construction of the experimental platform for the activation and control of the machine as a generator.
Then came the first difficulties, because the generator voltage control requires implementation of more elements, which makes the system more demanding in terms of the adjustments and, consequently, makes it more difficult to present results consistent with the computational model. On the other hand, obtaining the inductance surface using regression for metric contributed positively to this difficulty, as it provided results simulations closer to the experimental platform than the models already known, in addition to requiring less computational effort.
The studies conducted in this article take into account the use of the switched reluctance generator in wind power generation systems. The SRG has some advantages that make it interesting for this type of application. Several studies on the control of the SRG output voltage have already been conducted by the scientific community, as presented by [30], even employing modern control techniques, as presented in [31,32,33]. In this work, in addition to controlling the output voltage of the SRG, there is an interest in enhancing the efficiency of the machine. Works such as [34] also have a quest to improve machine performance. Some studies, such as [12,13], use tracking techniques to enhance the power generated by the SRG. However, in this work, the output voltage driver, despite being a traditional controller (PID), was optimized and associated with a tracking technique, however, not the conventional MPPT technique, but a technique that seeks to enhance the efficiency of the generator. In this study, the SRG was subjected to output voltage control for different setpoint values, and the machine’s performance was evaluated considering metrics such as its efficiency and torque ripple.
Thus, it is expected that the SRG can contribute positively to the generation of energy in isolated or in distributed generation systems when employed with the techniques shown in this article, making better use of primary sources due to the elevation achieved for its efficiency. In addition, it is expected that the generation system that employs the SRG and the techniques shown in this study can contribute to the useful life of the structures, implying less maintenance, with a view to reducing the torque ripple of the generator.
Future studies can be applied in order to improve the performance of the PID controller when associated with the MEPT algorithm proposed in this article. As a suggestion, PID controller optimization techniques can be applied in conjunction with the MEPT algorithm to improve the performance of the output voltage control, aiming to minimize variations when MEPT contribution occurs.
Tracking techniques, whether of power or efficiency, can be easily used in practice, as they do not require major hardware modifications for their implementation. An example can be seen in [35], where experimental results of the application of an MPPT algorithm in a wind turbine are presented.
6. Conclusions
In this article, the SRG was proposed as an alternative to conventional machines for wind generation systems. As the SRG is a DC machine, this study aimed at the application of a PID controller for the generator’s output voltage, making it possible to apply the output voltage in AC–DC converters or load controllers. The PID controller implemented here was optimized so that the proportional, integral, and derivative gains could present better dynamic performance to the controller. A substantial advantage of the optimized controller, especially in wind power applications, is the fact that greater robustness provided by the optimization process enables the SRG to operate over a wide speed range.
An evaluation was carried out in order to verify if the control of the SRG output voltage provides better results using the excitation voltage or the turn-on angle as the manipulated variable. In this case, it was found that although the control by the turn-on angle provides some better results than the control by the excitation, the control by presents a disadvantage that eliminates it as an option. This disadvantage is related to the fact that for this type of control, the voltage on the generator’s DC bus can be raised above its nominal voltage.
As the main objective of this work is to enhance the efficiency of the SRG, a tracking algorithm was developed and implemented in parallel with the PID controller. This algorithm seeks to track the maximum efficiency point of the SRG regardless of the assigned setpoint or the rotor speed of the generator. Simulation results were presented in order to show that the association of the PID controller with the MEPT algorithm positively contributes to the enhancement of SRG efficiency, making the machine even more attractive for wind generation systems.
The simulation results presented in this article indicate an SRG, whose construction characteristics provide efficiency less than , in some cases. This is because the SRG under study was simulated with the real physical characteristics of a machine manufactured nonindustrially. Thus, as the inductance profile used in the computational model takes into account the experimental data of current and angular position of this machine, the results presented refer to the machine used as the model of the study. However, the MEPT algorithm was able to increase the efficiency of the generator, proving its effectiveness for different output voltage values and in the face of disturbances in the load fed by the generator.
Author Contributions
This section presents a contribution from the authors in the different stages of the development of this study. The author W.R.H.A. developed the conceptualization of the work, while W.R.H.A. and M.R.C.R. experimentally raised the experimental data that provided the creation of the mathematical model of the SRG considering the magnetic saturation of the core. The author G.A.W. developed the computational model based on the mathematical model developed by W.P.C. The methodology, although discussed by all authors, was developed especially by W.R.H.A. and M.R.C.R., who wrote the efficiency tracking algorithms. The draft of the article was prepared by W.R.H.A. and M.R.C.R., and was validated and consolidated by G.A.W. and W.P.C. All authors have read and agreed to the published version of the manuscript.
Funding
This research received no external funding.
Acknowledgments
The authors would like to thank Foundation for Research Support of the State of Goias (FAPEG) and Brazilian Federal Agency for Support and Evaluation of Graduate Education (CAPES) for scholarships: 88881.133454/2016-01 and 88881.132192/2016-01. The authors would also like to thank the Federal University of Goias and the Carleton University.
Conflicts of Interest
The authors declare no conflict of interest.
Abbreviations
The following abbreviations are used in this manuscript:
| AHB | Asymmetric Half Bridge |
| DC | Direct Current |
| DFIG | Double Fed Induction Generator |
| FSWT | Fixed Speed Wind Turbine |
| AHB | Asymmetric Half Bridge |
| IG | Induction Generator |
| IM | Induction Motor |
| MEPT | Maximum Efficiency Point Tracker |
| MPPT | Maximum Power Point Tracker |
| PID | Proportional, Integral and Derivative |
| PMSG | Permanent Magnet Synchronous Generator |
| SRG | Switched Reluctance Generator |
| VSWT | Variable Speed Wind Turbine |
| WECS | Wind Energy Conversion System |
| WFSG | Wound Field Synchronous Generator |
References
- Apata, O. Wind Turbine Generators: Conventional and Emerging Technologies. IEEE PES-IAS Powerafrica 2017, 10, 606–611. [Google Scholar]
- Rahmanian, E. Maximum Power Point Tracking in Grid Connected Wind Plant by using Intelligent Controller and Switched Reluctance Generator. IEEE Trans. Sustain. Energy 2017, 10, 1313–1320. [Google Scholar] [CrossRef]
- Yu, S. Efficiency Analysis of Switched Reluctance Generator According to Current Shape under Rated Speed. J. Int. Conf. Electr. Mach. Syst. 2013, 2, 491–497. [Google Scholar] [CrossRef][Green Version]
- Nassereddine, M. Switched Reluctance Generator for Wind Power Applications. Master’s Thesis, University of Western Sydney, Penrith, Australia, 2011. [Google Scholar]
- Zhang, Q. A Small Single-Phase Switched Reluctance Generator for Wind Power Generation. Int. Conf. Electr. Syst. 2001, 10, 1003–1006. [Google Scholar]
- Arifin, A. Switched Reluctance Generator for variable speed wind energy applications. Smart Grid Renew. Energy 2011, 10, 27–36. [Google Scholar] [CrossRef][Green Version]
- Cardenas, R. Control of a switched reluctance generator for variable speed wind energy applications. IEEE Trans. Energy Convers. 2005, 10, 781–791. [Google Scholar] [CrossRef]
- Xiao, L. Characteristics Analysis of an Excitation Assistance Switched Reluctance Wind Power Generator. IEEE Trans. Magn. 2015, 10, 1–4. [Google Scholar]
- Toulabi, M. Experimental comparison between the electric efficiencies of two different types of switched reluctance generators. 2nd Power Electron. Drive Syst. Technol. Conf. 2011, 10, 157–162. [Google Scholar]
- Barros, T. Direct Power Control for Switched Reluctance Generator in Wind Energy. IEEE Lat. Am. Trans. 2015, 10, 123–128. [Google Scholar] [CrossRef]
- Sarr, A.; Bahri, I.; Berthelot, E.; Kebe, A.; Diallo, D. Switched Reluctance Generator for Low Voltage DC Microgrid Operation: Experimental Validation. Energies 2020, 13, 3032. [Google Scholar] [CrossRef]
- Zhi, X.; Xiangjun, D.; Lei, L. MPPT for wind power system with switched reluctance generator. In Proceedings of the 13th IEEE Conference on Industrial Electronics and Applications (ICIEA), Wuhan, China, 31 May–2 June 2018; pp. 1420–1424. [Google Scholar]
- Jagwani, S.; Sah, G.K.; Venkatesha, L. MPPT Based Switched Reluctance Generator Control for a Grid Interactive Wind Energy System. In Proceedings of the 2018 7th International Conference on Renewable Energy Research and Applications (ICRERA), Paris, France, 14–17 October 2018; pp. 998–1003. [Google Scholar]
- Saad, N.H.; El-Sattar, A.A.; Metally, M.E. Artificial neural controller for torque ripple control and maximum power extraction for wind system driven by switched reluctance generator. Ain Shams Eng. J. 2018, 9, 2255–2264. [Google Scholar] [CrossRef]
- Mendes, R.; Calado, M.D.R.; Mariano, S. Maximum Power Point Tracking for a Point Absorber Device with a Tubular Linear Switched Reluctance Generator. Energies 2018, 11, 2192. [Google Scholar] [CrossRef]
- Lawrenson, P. Variable-speed switched reluctance motors. IEE Proc. B Electr. Power Appl. 1980, 10, 253–265. [Google Scholar] [CrossRef]
- Hao, C. Implementation of the Three-Phase Switched Reluctance Machine System for Motors and Generators. IEEE/ASME Trans. Mechatron. 2010, 10, 421–432. [Google Scholar]
- Hao, C. Fault tolerant control for switched reluctance motor drive. In Proceedings of the IEEE 2002 28th Annual Conference of the Industrial Electronics Society, Seville, Spain, 5–8 November 2002; Volume 10, pp. 1050–1054. [Google Scholar]
- Reis, M. Optimized techniques for driving and control of the switched reluctance motor to improve efficiency. Control. Eng. Pract. 2019, 10, 1–18. [Google Scholar] [CrossRef]
- Chancharoensook, P. Control of a Four-Phase Switched Reluctance Generator: Experimental Investigations. In Proceedings of the 2003 IEEE International Electric Machines and Drives Conference, Madison, WI, USA, 1–4 June 2003; Volume 10, pp. 842–848. [Google Scholar]
- Barros, T.; Filho, A.; Filho, E. Direct Power Control for Switched Reluctance Generator in Wind Energy. 2013, pp. 39–60. Available online: https://www.intechopen.com/chapters/43625 (accessed on 28 November 2021).
- Araujo, W. Nonlinear simulation methodology for switched reluctance machine using induction profile found by parametric regression. In Proceedings of the 2017 CHILEAN Conference on Electrical, Electronics Engineering, Information and Communication Technologies, Pucon, Chile, 18–20 October 2017; Volume 13, pp. 1–8. [Google Scholar]
- Yu, G. Research on the control strategy of switched reluctance generator system. In Proceedings of the 2014 International Power Electronics and Application Conference and Exposition, Shanghai, China, 5–8 November 2014; Volume 13, pp. 1242–1247. [Google Scholar]
- Martinez-Iturbe, A.; Perez-Cebolla, F.J.; Martín-del-Brío, B.; Bernal, C.; Bono-Nuez, A. Energy Transformations in a Self-Excited Switched Reluctance Generator. Energies 2016, 9, 321. [Google Scholar] [CrossRef]
- Yu, G. Characterization of switched reluctance machines using Fourier series approach. In Proceedings of the Conference Record of the 2001 IEEE Industry Applications Conference, Chicago, IL, USA, 30 September–4 October 2001; Volume 13, pp. 48–54. [Google Scholar]
- Yujie, Z. Design and finite element analysis of outer-rotor-type switched reluctance generator in wind power generation. In Proceedings of the IEEE Conference and Expo Transportation Electrification Asia-Pacific (ITEC Asia-Pacific), Beijing, China, 31 August–3 September 2014; Volume 13, pp. 1–5. [Google Scholar]
- Robert, E.B. Chapter 8–Modeling and Control of Synchronous Reluctance Machines. Marian, P., Kazmierkowski, R., Krishnan, F.B., Eds. In Academic Press Series in Engineering, Control in Power Electronics; Academic Press: Cambridge, MA, USA, 2002; pp. 251–299. [Google Scholar] [CrossRef]
- Shin, H.-U.; Park, K.; Lee, K.-B. A Non-Unity Torque Sharing Function for Torque Ripple Minimization of Switched Reluctance Generators in Wind Power Systems. Energies 2015, 8, 11685–11701. [Google Scholar] [CrossRef]
- Reis, M. Analysis of switched reluctance motor efficiency under different speed control strategies. In Proceedings of the CHILEAN Conference on Electrical, Electronics Engineering, Information and Communication Technologies (CHILECON), St. Petersburg, Russia, 2–4 February 2015; Volume 13, pp. 467–472. [Google Scholar]
- Wang, W.; Chen, H.; Wang, Q.; Dou, Y.; Yan, S.; Liu, Z.; Huo, Y.; Wang, Y.; Wang, T.; He, D. Control system of switched reluctance generator. In Proceedings of the IEEE Conference of Russian Young Researchers in Electrical and Electronic Engineering (EIConRus), St. Petersburg and Moscow, Russia, 1–3 February 2017; pp. 1064–1069. [Google Scholar]
- Liu, Y.; Zhou, Z.; Song, J.; Fan, B.; Wang, C. Based on sliding mode variable structure of studying control for status switching of switched reluctance starter/generator. In Proceedings of the 2015 Chinese Automation Congress (CAC), Wuhan, China, 27–29 November 2015; pp. 934–939. [Google Scholar]
- Osorio, C.R.D.; Vieira, R.P.; Grundling, H.A. Sliding mode technique applied to output voltage control of the switched reluctance generator. In Proceedings of the IECON 2016–42nd Annual Conference of the IEEE Industrial Electronics Society, Florence, Italy, 23–26 October 2016; pp. 2935–2940. [Google Scholar]
- Ačkar, H.; Huseinbegović, S.; Mašić, Š.; Smaka, S.; Tahirbegović, A. Voltage Control of a Switched Reluctance Generator Using Discrete Sliding Mode Technique. In Proceedings of the 2018 XIII International Conference on Electrical Machines (ICEM), Alexandroupoli, Greece, 3–6 September 2018; pp. 2935–2940. [Google Scholar]
- Wang, J.; Dong, L.; Wen, X.; Cong, Y.; Liao, X. Output power maximization control for high number poles switched reluctance generator in wind power generation system. In Proceedings of the 32nd Chinese Control Conference, Xi’an, China, 26–28 July 2013; pp. 7585–7589. [Google Scholar]
- Xiong, L.; Xu, B.; Gao, H.; Xu, L. A novel algorithm of switched reluctance generator for maximum power point tracking in wind turbine application. In Proceedings of the 2009 International Conference on Sustainable Power Generation and Supply, Nanjing, China, 6–7 April 2009; pp. 1–5. [Google Scholar]
Publisher’s Note: MDPI stays neutral with regard to jurisdictional claims in published maps and institutional affiliations. |
© 2021 by the authors. Licensee MDPI, Basel, Switzerland. This article is an open access article distributed under the terms and conditions of the Creative Commons Attribution (CC BY) license (https://creativecommons.org/licenses/by/4.0/).
