Induction Heating for Variably Sized Ferrous and Non-Ferrous Materials through Load Modulation
Abstract
1. Introduction
2. Design of Induction Heating System
2.1. System Description
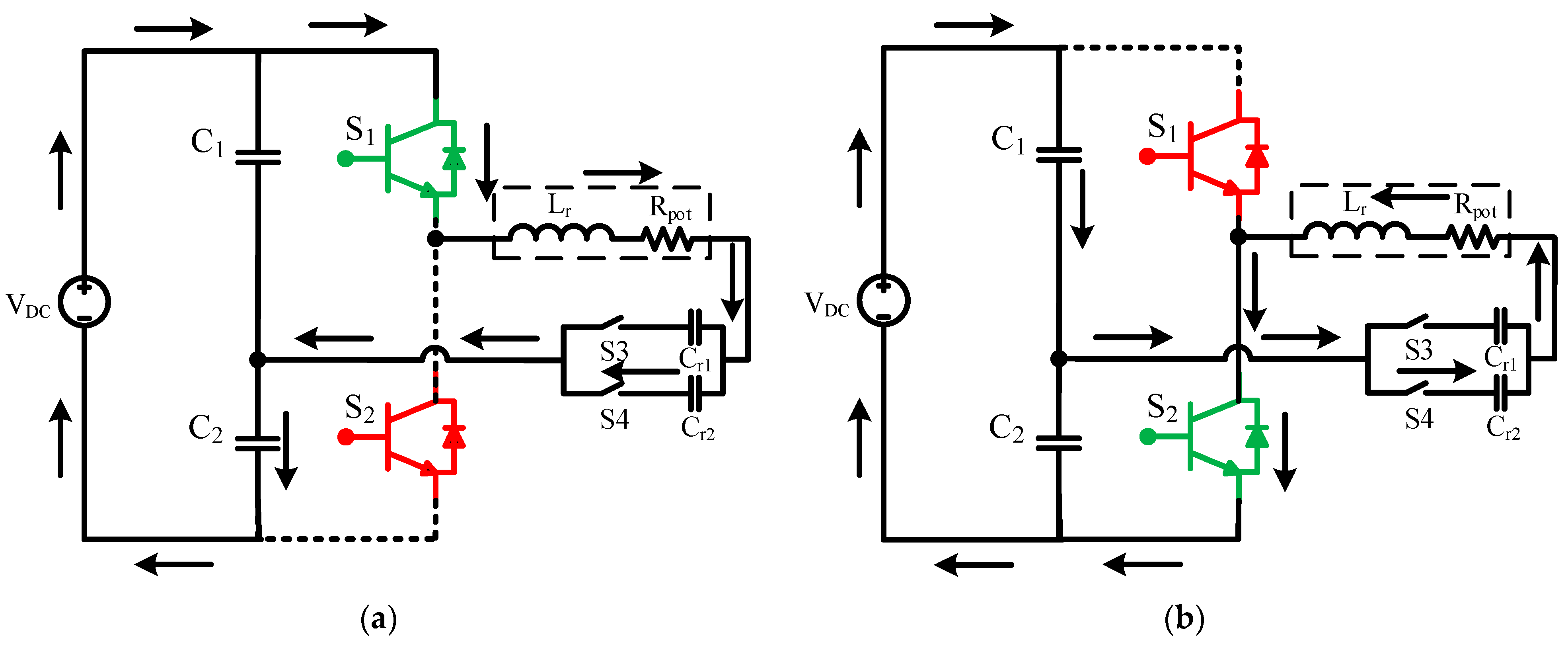
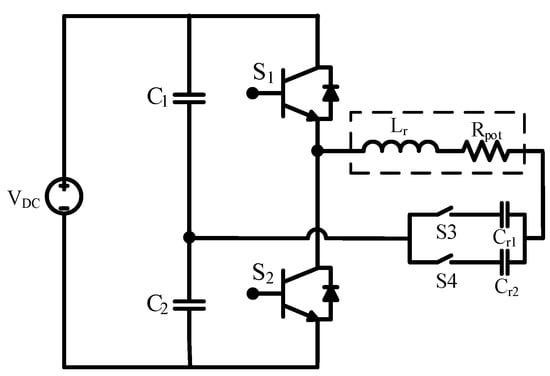
2.2. System Topology
2.3. Modes of Operation
2.3.1. Ferrous Heating Mode
2.3.2. Non-Ferrous Heating Mode
2.4. Selection of the Operational Mode
3. Results and Discussion
3.1. Simulation Results of Heating Different Metals
3.1.1. Analysis of Results with Ferrous Heating Mode
3.1.2. Analysis of Results with Non-Ferrous Heating Mode
3.2. Experimental Results of Heating Different Metals
3.2.1. Hardware Implementation
3.2.2. Practical Results of Ferrous Heating Mode
3.2.3. Practical Results of Non-Ferrous Heating Mode
3.3. General Discussion
4. Conclusions
Author Contributions
Funding
Institutional Review Board Statement
Informed Consent Statement
Data Availability Statement
Acknowledgments
Conflicts of Interest
Correction Statement
Nomenclature
| VDC | Input DC voltage for the system |
| Lr | Resonant tank inductor |
| Cr | Resonant tank capacitor |
| ts | Time period of PWM pulses |
| Gm | Maximum voltage gain |
| Pf | Maximum power in ferrous heating mode |
| Pnf | Maximum power in non-ferrous heating mode |
| FLM | Flexible load modulation |
| IH | Induction heating |
| Rpot | Resistance of the material to be heated |
| Fs | Resonance frequency |
| Fsw | Switching frequency |
| PWM | Pulse width modulation |
| Pr | Rated power |
References
- Lucía, Ó.; Maussion, P.; Dede, E.J.; Burdío, J.M. Induction heating technology and its applications: Past developments current technology and future challenges. IEEE Trans. Ind. Electron. 2014, 61, 2509–2520. [Google Scholar] [CrossRef]
- Acero, J.; Burdio, J.M.; Barragan, L.A.; Navarro, D.; Alonso, R.; Ramon, J.; Monterde, F.; Hernandez, P.; Lorente, S.; Garde, I. Domestic induction appliances: An overview of recent research. In Proceedings of the 2008 Twenty-Third Annual IEEE Applied Power Electronics Conference and Exposition, Austin, TX, USA, 24–28 February2008; pp. 39–47. [Google Scholar]
- Sarnago, H.; Lucia, O.; Burdio, J.M. A Versatile Resonant Tank Identification Methodology for Induction Heating Systems. IEEE Trans. Power Electron. 2018, 33, 1897–1901. [Google Scholar] [CrossRef]
- Baldan, M.; Stolte, M.-H.; Nacke, B.; Nurnberger, F. Improving the Accuracy of FE Simulations of Induction Tempering Toward a Microstructure-Dependent Electromagnetic Model. IEEE Trans. Magn. 2020, 56, 1–9. [Google Scholar] [CrossRef]
- Sackl, S.; Zuber, M.; Clemens, H.; Primig, S. Induction Tempering vs Conventional Tempering of a Heat-Treatable Steel. Metall. Mater. Trans. A 2016, 47, 3694–3702. [Google Scholar] [CrossRef]
- Watanabe, T.; Nagaya, S.; Hirano, N.; Fukui, S.; Furuse, M. Development of Conduction-Cooled Superconducting Split Coil for Metal Melting by DC Induction Heating. IEEE Trans. Appl. Supercond. 2018, 28, 1–4. [Google Scholar] [CrossRef]
- Han, W.; Chau, K.T.; Liu, W.; Tian, X.; Wang, H. A Dual-Resonant Topology-Reconfigurable Inverter for All-Metal Induction Heating. IEEE J. Emerg. Sel. Top. Power Electron. 2021, 1. [Google Scholar] [CrossRef]
- Park, S.M.; Jang, E.; Joo, D.; Lee, B.K. Power curve-fitting control method with temperature compensation and fast-response for all-metal domestic induction heating systems. Energies 2019, 12, 2915. [Google Scholar] [CrossRef]
- Llorente, S.; Monterde, F.; Burdío, J.M.; Acero, J. A Comparative Study of Resonant Inverter Topologies Used in Induction Cookers. In Proceedings of the Applied Power Electronics Conference (APEC), Dallas, TX, USA, 10–14 March 2002; Volume 2, pp. 1168–1174. [Google Scholar]
- Lucia, O.; Burdio, J.M.; Millan, I.; Acero, J.; Puyal, D. Load-adaptive control algorithm of half-bridge series resonant inverter for domestic induction heating. IEEE Trans. Ind. Electron. 2009, 56, 3106–3116. [Google Scholar] [CrossRef]
- Millán, I.; Burdío, J.M.; Acero, J.; Lucía, O.; Llorente, S. Series resonant inverter with selective harmonic operation applied to all-metal domestic induction heating. IET Power Electron. 2011, 4, 587–592. [Google Scholar] [CrossRef]
- Park, H.-P.; Jung, J.-H. Load-adaptive modulation of a series-resonant inverter for all-metal induction heating applications. IEEE Trans. Ind. Electron. 2018, 65, 6983–6993. [Google Scholar] [CrossRef]
- Han, W.; Chau, K.T.; Zhang, Z. Flexible induction heating using magnetic resonant coupling. IEEE Trans. Ind. Electron. 2017, 64, 1982–1992. [Google Scholar] [CrossRef]
- Han, W.; Chau, K.T.; Zhang, Z.; Jiang, C. Single-source multiple-coil homogeneous induction heating. IEEE Trans. Magn. 2017, 53, 1–6. [Google Scholar]
- Tanaka, T. A new induction cooking range for heating any kind of metal vessels. IEEE Trans. Consum. Electron. 1989, 35, 635–641. [Google Scholar] [CrossRef]
- Koertzen, H.W.; van Wyk, J.D.; Ferreira, J.A. Design of the Non-ferrous high resistance heating mode series resonant converters for induction cooking. In Proceedings of the Power ElectronicsSpecialistConference Records, Atlanta, GA, USA, 18–22 June 1995; pp. 729–735. [Google Scholar]
- Acero, J.; Lope, I.; Carretero, C.; Burdio, J.M. Adapting of non-metallic cookware for induction heating technology via thin-layer nonmagnetic conductive coatings. IEEE Access 2020, 8, 11219–11227. [Google Scholar] [CrossRef]
- Oncu, S.; Unal, K.; Tuncer, U. Laboratory setup for teaching resonant converters and induction heating. Eng. Sci. Technol. 2021, in press. [Google Scholar] [CrossRef]
- Dawson, F.P.; Jain, P. A comparison of load commutated inverter Systems for Induction Heating and Melting Applications. IEEE Trans. Power Electronics 1991, 6, 430–441. [Google Scholar] [CrossRef]
- Shoji, H.; Uruno, J.; Isogai, M.; Yanagidaira, T. Buck-Boost-Full-Bridge Inverter for All-Metals Induction Heating Cookers. IEEJ J. Ind. Appl. 2016, 5, 339–346. [Google Scholar] [CrossRef][Green Version]
- Ahmed, N.A.; Nakaoka, M. Boost-half-bridge edge resonant soft switching PWM high-frequency inverter for consumer induction heating appliances. IEEE Proc. Electr. Power Appl. 2006, 153, 932–938. [Google Scholar] [CrossRef]
- Sadakata, H.; Fujita, A.; Saha, B.; Ahmed, T.; Nakaokaet, M. Latest practical developments of triplex series load resonant frequency operated high frequency inverter for induction-heated low resistivity metallic appliances in consumer built-in cooktops. In Proceedings of the 2010 Twenty-Fifth Annual IEEE Applied Power Electronics Conference and Exposition (APEC 2010), Palm Springs, CA, USA, 21–25 February2010; pp. 1825–1832. [Google Scholar]
- Vishnuram, P.; Ramachandiran, G.; Ramasamy, S.; Dayalan, S. A comprehensive overview of power converter topologies for induction heating applications. Int. Trans. Electr. Energ. Syst. 2020, 30, e12554. [Google Scholar] [CrossRef]
- Sarnago, H.; Lucía, O.; Burdio, J.M. Multiresonant power converter for improved dual-frequency induction heating. IEEE Trans. Power Electron. 2019, 34, 2097–2103. [Google Scholar] [CrossRef]
- Fernández, M.; Perpiñà, X.; Rebollo, J.; Velllvehi, M.; Sánchez, D.; Cabeza, T.; Lorente, S.; Jordà, X. Solid-state relay solutions for induction cooking applications based on advanced power semiconductor devices. IEEE Trans. Ind. Electron. 2019, 66, 1832–1841. [Google Scholar] [CrossRef]
- Gomes, R.C.M.; Vitorino, M.A.; Acevedo-Bueno, D.A.; de RossiterCorrêa, M.B. Multiphase resonant inverter with coupled coils for AC–AC induction heating application. IEEE Trans. Ind. Appl. 2020, 56, 551–560. [Google Scholar] [CrossRef]
- Komeda, S.; Fujita, H. A phase-shift-controlled direct AC-to-AC converter for induction heaters. IEEE Trans. Power Electron. 2018, 33, 4115–4124. [Google Scholar] [CrossRef]
- Sarnago, H.; Guillén, P.; Burdío, J.M.; Lucia, O. Multiple-output ZVS resonant inverter architecture for flexible induction heating appliances. IEEE Access 2019, 7, 157046. [Google Scholar] [CrossRef]
- Saha, B.; Kim, R. High Power Density Series Resonant Inverter Using an Auxiliary Switched Capacitor Cell for Induction Heating Applications. IEEE Trans. Power Electron. 2014, 29, 1909–1918. [Google Scholar] [CrossRef]
- Vishnuram, P.; Ramachandiran, G. Capacitor-less induction heating system with self-resonant bifilar coil. Int. J. Circ. Theory Appl. 2020, 48, 1411–1425. [Google Scholar] [CrossRef]
- Rudnev, V.; Loveless, D.; Cook, R.L. Handbook of Induction Heating; CRC Press: Boca Raton, FL, USA, 2017. [Google Scholar] [CrossRef]
- Bleiker, S. Fabrication of Through Silicon Vias (TSVs)with RF Capability by Magnetic Assembly of Nickel Wires. Master’s Thesis, KTH Royal Institute of Technology, Stockholm, Sweden, 2011. [Google Scholar]



















| Parameters | Ferrous Heating Mode | Non-Ferrous Heating Mode |
|---|---|---|
| Vin (Volts) | 220 | 220 |
| Capacitance (C1) (mF) | 1.0 | 1.0 |
| Capacitance (C2) (mF) | 1.0 | 1.0 |
| Pot resistance (ohms) | 15.2 | 9.8 |
| Inductance (Lr) (uH) | 160 | 160 |
| Capacitance (Cr) (nF) | 253 | 63.3 |
| Resonant frequency (kHz) | 25 | 50 |
| Type of Metal | Dimension (cm) | Weight (gm) | Calculated Temperature, T (°C) | Time Taken to Attain Calculated Temperature (s) |
|---|---|---|---|---|
| ALUMINIUM | ||||
| Aluminium bowl | Diameter = 16 | 155 | 367 °C | 656 |
| Thickness = 3.2 | ||||
| Aluminium rod | Diameter = 2.6 | 47 | 369 °C | 700 |
| Length = 3.2 | ||||
| COPPER | ||||
| Copper bowl | Diameter = 8 | 166 | 377 °C | 965 |
| Thickness = 3.7 | ||||
| Copper round bar | Diameter = 1.16 | 35.1 | 401 °C | 1000 |
| Length = 3.7 | ||||
| STAINLESS STEEL (S4) | ||||
| Stainless steel bowl | Diameter = 8 | 144 | 889 °C | 333 |
| Thickness = 3.7 | ||||
| Stainless steel round bar | Diameter = 1.72 | 68 | 906 °C | 591 |
| Length = 3.7 | ||||
| CAST IRON | ||||
| Iron pan | Diameter = 16 | 152 | 315 °C | 765 |
| Thickness = 3.2 | ||||
| Iron rod | Diameter = 1.7 | 53 | 400 °C | 768 |
| Length = 3.2 |
| Types of Metal | Switching Frequency (kHz) | Simulation Results | Experimental Results | ||||
|---|---|---|---|---|---|---|---|
| Output Voltage, Vo (V) | Output Current, Io (A) | Output Power, Po (W) | Output Voltage, Vo (V) | Output Current, Io (A) | Output Power, Po (W) | ||
| Ferrous | 25 | ±110 V | 9 A | 990 | ±108.9 V | 8.59 A | 935.5 |
| Non-ferrous | 50 | ±110 V | 14 A | 1540 | ±108.3 V | 13.2 A | 1429.6 |
| Study | Key Technology | Scheme Topology | Remarks |
|---|---|---|---|
| Millan et al. [11] | Selective harmonic scheme | Modified half-bridge series resonant inverter. | The authors proposed a modified topology of half-bridge inverter with two operation modes of selective harmonics. |
| Park and Jung [12] | Load adaptive modulation (LAM) | Full bridge series resonant converter. | LAM was proposed by the authors to vary the input voltage magnitude of IH coil and series resonant inverter’s operating frequency based on the pot resistance. |
| Tanaka [15] | - | Half-bridge series resonant inverter. | Examined the input resistance of different metals and determined the finest condition for a high-frequency inverter. |
| Shoji et al. [20] | - | Buck–boostfull-bridge inverter. | The authors applied this method for induction cookers with left and right sides to heat all metals. |
| Proposed system | Flexible load modulation (FLM) | Half-bridge resonant converter | Here, FLM was proposed to heat various loads with variable sizes by using a half-bridge resonant converter without any rectification stage. |
Publisher’s Note: MDPI stays neutral with regard to jurisdictional claims in published maps and institutional affiliations. |
© 2021 by the authors. Licensee MDPI, Basel, Switzerland. This article is an open access article distributed under the terms and conditions of the Creative Commons Attribution (CC BY) license (https://creativecommons.org/licenses/by/4.0/).
Share and Cite
Ramalingam, S.R.; Boopthi, C.S.; Ramasamy, S.; Ahsan, M.; Haider, J. Induction Heating for Variably Sized Ferrous and Non-Ferrous Materials through Load Modulation. Energies 2021, 14, 8354. https://doi.org/10.3390/en14248354
Ramalingam SR, Boopthi CS, Ramasamy S, Ahsan M, Haider J. Induction Heating for Variably Sized Ferrous and Non-Ferrous Materials through Load Modulation. Energies. 2021; 14(24):8354. https://doi.org/10.3390/en14248354
Chicago/Turabian StyleRamalingam, Senthil Rajan, C. S. Boopthi, Sridhar Ramasamy, Mominul Ahsan, and Julfikar Haider. 2021. "Induction Heating for Variably Sized Ferrous and Non-Ferrous Materials through Load Modulation" Energies 14, no. 24: 8354. https://doi.org/10.3390/en14248354
APA StyleRamalingam, S. R., Boopthi, C. S., Ramasamy, S., Ahsan, M., & Haider, J. (2021). Induction Heating for Variably Sized Ferrous and Non-Ferrous Materials through Load Modulation. Energies, 14(24), 8354. https://doi.org/10.3390/en14248354

