Next Article in Journal
Enabling Technologies for Sector Coupling: A Review on the Role of Heat Pumps and Thermal Energy Storage
Next Article in Special Issue
Analysis Performance of SRM Based on the Novel Dependent Torque Control Method
Previous Article in Journal
Conceptualizing Walking and Walkability in the Smart City through a Model Composite w2 Smart City Utility Index
Previous Article in Special Issue
Traffic Intersection Lane Control Using Radio Frequency Identification and 5G Communication
 
 
Font Type:
Arial Georgia Verdana
Font Size:
Aa Aa Aa
Line Spacing:
Column Width:
Background:
Article

Fuzzy Logic Based Synchronization Method for Solar Powered High Frequency On-Board Grid

Faculty of Electrical and Computer Engineering, Rzeszow University of Technology, Al. Powstańców Warszawy 12, 35-959 Rzeszów, Poland
Energies 2021, 14(24), 8194; https://doi.org/10.3390/en14248194
Submission received: 15 November 2021 / Revised: 1 December 2021 / Accepted: 3 December 2021 / Published: 7 December 2021

Abstract

:
This paper proposes a method for synchronizing a grid inverter with the voltage of an on-board high-frequency power grid. The described synchronization method belongs to the adaptive methods, which use fuzzy logic in the process of estimating the fundamental component of the voltage. The synchronization system has been tuned to achieve the primary goal of achieving synchronization in the shortest possible time. This is to allow for the efficient energy fed from photovoltaic sources into the on-board grid at 400 Hz. The proposed method was implemented in the field programmable gate array (FPGA) based power converter controller and static and dynamic tests for harmonic, interharmonic and subharmonic voltage disturbances were performed. Dynamic tests for phase jump, frequency jump and sag of the on-board voltage were also performed. To evaluate the effectiveness of synchronization with high-frequency voltage, the grid current control system in the grid tied inverter was elaborated. Proper current waveforms at the perturbed voltage were recorded while identifying the effectiveness of power ripple suppression. The results obtained were compared with the enhanced phase locked loop (EPLL) synchronization method. Satisfactory test results confirmed the suitability of the proposed method in systems coupling the photovoltaic source to the on-board high-frequency power grid.

Graphical Abstract

1. Introduction

In a situation of constantly growing energy demand and shrinking resources of fossil fuels, scientific attention is increasingly focused on finding less energy-intensive solutions to technical problems. Newer and more energy efficient apparatuses and energy converters are being developed. One way to reduce the primary energy obtained directly from natural resources is to design electrical equipment that operates at higher frequencies. This allows the reduction of the amount of raw materials used in their production, because the size of such devices decreases as a function of the square frequency of voltage waveforms. The ability to reduce the size of an electrical device while maintaining its power is particularly important when the device is to be installed on board an aerospace vehicle, flying platform or ships. This is associated with a reduction in mass due to reduced size and reduced energy consumption in dynamic states, which is a result of reduced inertia. The concept of an on-board high-frequency power grid has been used before in ships, aircraft, submarines and aerospace vehicles and has been reported in [1,2]. Considering the above requirements, the idea of an on-board power grid with 400 Hz frequency was developed.
Solar powered flying platforms are becoming an increasingly interesting alternative to urban and special-purpose transport [3,4,5,6]. Drives powered by the high-frequency grid must operate in a critical mode and must be characterized by high energy efficiency. Detailed requirements and characteristics of critical drives with a permanent magnet (BLDCM) and a switched reluctance (SRM) motor, which can operate in a 400 Hz on-board system, are reported in [7]. With the solar-powered grid, the battery charging and power delivery to the local grid problems are connected and widely studied. Among the scientific problems being studied there are the solar-based chargers, which can deliver solar power to the grid or charge the battery. In [8], an intelligent solar-powered, battery-buffered electric consumer charging station with solar forecasting and load prediction functions for charging the energy consumer is presented.
One of the key components that converts solar energy into a form of electricity that is fed into the on-board grid at a higher frequency is the photovoltaic inverter. There are many studies in the literature describing grid tied inverters [9,10]. A special group is the inverters operating with a single-phase power grid, because of the problem of power ripples’ occurrence with double grid frequency [11,12,13,14,15]. These ripples are particularly important when the inverter operates with photovoltaic panels, as they interfere with the efficiency of maximum power extraction. In the literature, solutions to this problem can be found in the form of modified converter topologies or an appropriately designed control system. In this study, a classical two-leg inverter controlled to buffer the power ripple in the DC-link was used.
Referring to [11], the power ripple can be reduced when the inverter is controlled in a dual feedback system. Then the DC-link voltage controller must be a low-bandwidth and the grid current controller must be wide-bandwidth. However, the effectiveness of the current controller is dependent on the voltage waveform signal of the power grid. This signal is obtained from the synchronization system, which should effectively extract the fundamental component from the noisy and distorted grid voltage. Of the former methods used in synchronization systems, there are methods that can be applied to the 400 Hz on-board grid. Their performance is sufficient to fulfill their role in this specific power grid. In the literature, one can find descriptions of many methods of synchronization with the distorted grid voltage. These methods are known and proven when applied to power grids with a standard frequency of 50/60 Hz. However, the literature does not describe how known synchronization methods perform for the low stiffness and high frequency power grids used in on-board applications. Therefore, this paper describes the basic, known and used synchronization methods tests adapted to operate with a high frequency on-board grid and proposes a new synchronization method using fuzzy logic. The research objective defined in this paper is to design a synchronization system with even better performance than previous, good synchronization systems. The use of fuzzy logic allowed the synchronization system to be tuned to unknown disturbances and, as a result, reach the shortest time for obtaining the synchronous state in relation to the other methods.
Among the grid voltage synchronization methods, internal feedback circuits are of particular interest, which have been introduced to overcome the problems of open-loop synchronizers during synchronization under large grid voltage distortions or to simplify the implementation of filtration-based synchronization methods. Currently, phase lock loop (PLL) systems have replaced open-loop methods in grid converter applications. The structure of a classical PLL consists of a phase detector, a loop filter and a voltage-controlled oscillator and is described in [16,17]. The PLL circuit is a second-order circuit that has good tracking performance for phase angle changes. In addition, this circuit has characteristics similar to a low-pass filter, so it effectively suppresses errors resulting from the content of higher harmonics in the input signal [18,19,20]. To eliminate the double frequency component in the phase error signal, quadrature generators were implemented into the synchronizer structure. The first and simplest way to implement a quadrature signal generator is the T/4 delay method. It is based on the use of a first-in-first-out (FIFO) cycle buffer, which is set to one quarter of the number of samples contained in one cycle of the fundamental frequency. This method of synchronization is described in detail in [17,21]. A very interesting synchronization circuit structure is described in [19] using the inverse Park transform. An important component of the Inverse Park method is a low-pass filter (LPF) at the input of the inverse transform block. When the input and output signals are not synchronized it means that the transformed signals are not perfectly quadrature, so that the virtual rotating vector will not have a fixed amplitude and frequency value. This implies the creation of oscillations in the signals of the vector components, which are suppressed with a low-pass filter. This will ensure that the transformed signals are quadrature despite the phase error. This state will continue until the input is synchronized with the output [22,23].
Adaptive systems play an important role in synchronizing converters with the power grid. The most popular system is the enhanced adaptive PLL (EPLL) method. It has the positive features of the PLL, while eliminating its primary drawback—double frequency ripples in the phase error signal. This method is widely used and reported in the literature [17,24]. Improving the adaptation process, especially when the grid voltages are of high frequency, is the main challenge in the implementation of this project. Therefore, a synchronizer structure is proposed which adaptation is performed using fuzzy logic. The structure of such a synchronizer and its tuning process are described in Section 2. Section 3 describes the results of the experiments and discusses them. The experiments involved open loop testing including frequency and trajectory analysis of the synchronization signal, steady-state and dynamic studies. The results were also compared with the EPLL system, which showed the best performance among the other methods. The other synchronization methods were compared qualitatively in general. The last group of tests was the closed-loop system tests. Inverter dynamics studies have been carried out for constant photovoltaic source parameters under disturbances occurring in the on-board grid. The conclusions are presented in Section 4.

2. Materials and Methods

The energy produced by the photovoltaic cells can only be fed into the high-frequency on-board grid if the photovoltaic converter can synchronize itself effectively and quickly enough with the waveform of the main harmonic component of the grid voltage. In the majority of applications of converters cooperating with power grids, synchronization systems are designed with the synchronization accuracy in mind, thus neglecting the influence of the response time to dynamic changes occurring in the grid voltages. In the case of an on-board grid, any voltage disturbance caused by another operating electrical apparatus with insufficiently fast synchronization may imply problems for the management of electrical energy on board the flying platform. This is a particularly important issue when the synchronizers are responsible for the quality of power input from a dynamically varying energy source such as a set of photovoltaic cells. In order to convert the solar energy into an electrical form and feed it into the on-board grid, one of the conventional coupling systems, such as photovoltaic converters adapted to operate at an increased frequency, must be used. In this paper, a coupling system with the structure shown in Figure 1 was used.
When the coupling system shown in Figure 1 connects a single-phase AC grid to a DC source, the problem of power ripple occurs. For this project, the ripple problem for on-board grids was solved and is described in detail in [25]. To design the power electronics coupling system an indirect photovoltaic converter, which consists of a boost converter, a DC-link circuit and a single-phase grid-tied inverter, was used. The power electronics part is shown in Figure 2.
Figure 2 shows the energy flow chain of the photovoltaic (PV) generation to the 400 Hz on-board grid (HF Grid) along with the necessary measurement points. The generated photovoltaic current is converted in a boost converter (BC) in such a way that the maximum power point is reached. The boost converter consists of an input capacitance Cin, an inductance L1, a switch Sb, a diode Db, and a DC-link capacitor Cb. To determine the maximum power point, it is necessary to measure the photovoltaic current IPV and the photovoltaic voltage VPV. The conversion of DC voltage from DC-link and the shaping of 400 Hz sinusoidal waveforms of current fed into the HF-Grid is implemented in the grid tied inverter (GC) cooperating with the low-pass L-C-L type filter by appropriate switching of switches S1, S2, S3 and S4. To perform the task of the power grid current control and synchronization with the fundamental component of the voltage, measuring systems of the DC link voltage (VDC-link) the grid current (iG) and the grid voltage (vG), were made. In the event of maintenance of the on-board grid, the photovoltaic power source is disconnected by driving the switch with the emergency signal (A-I).
In order to ensure the correct operation of the grid converter, two control systems shown in Figure 3 were used. The first one is responsible for the operation of the photovoltaic panels at the maximum power point. This is achieved by implementing the maximum power point tracking (MPPT) algorithm which, based on the actual value of photovoltaic current iPV and voltage vPV, controls the operation of the boost converter. In this project, the popular MPPT Perturb & Observe method, described in Reference [26], was used. Obtaining maximum power from photovoltaic sources is therefore an independent process, whereby the power ripples resulting from the instantaneous power equilibrium can be decoupled from the photovoltaic cells. The second independent control system is a dual feedback controller. The first feedback comes from the DC-link circuit voltage and is designed to control its value. To perform this task, a continuous low-bandwidth energy-storage capacitor voltage PI controller was implemented (according to [25]). The second feedback loop is to control the current feeding the on-board grid. For this purpose, the current reference value obtained from the DC link voltage controller is multiplied by the current waveform signal generated by the synchronizer circuit. The reference current waveform is then obtained through a wide-bandwidth output current PI-type controller. The control system operation of the grid converter analysis clearly shows that the quality of the grid current is determined not only by the static and dynamic characteristics of the applied controllers but also by the efficiency of the synchronization system. In the case of disturbances occurring in the on-board grid, it is the value of the synchronizer response time that will determine the additional disturbance in the current feed the grid by the inverter. This is especially important when the on-board grid is characterized by high frequency waveforms. The literature describes many solutions for synchronizers, which are able to generate synchronous waveforms of the fundamental component from distorted and noisy waveforms. In order to carry out the synchronization task in the system under consideration, a fast synchronizer has been used, developed for the purpose of the project, which uses fuzzy logic and adapts to voltage changes on the board grid side. The structure of the fuzzy synchronizer is shown in Figure 4.
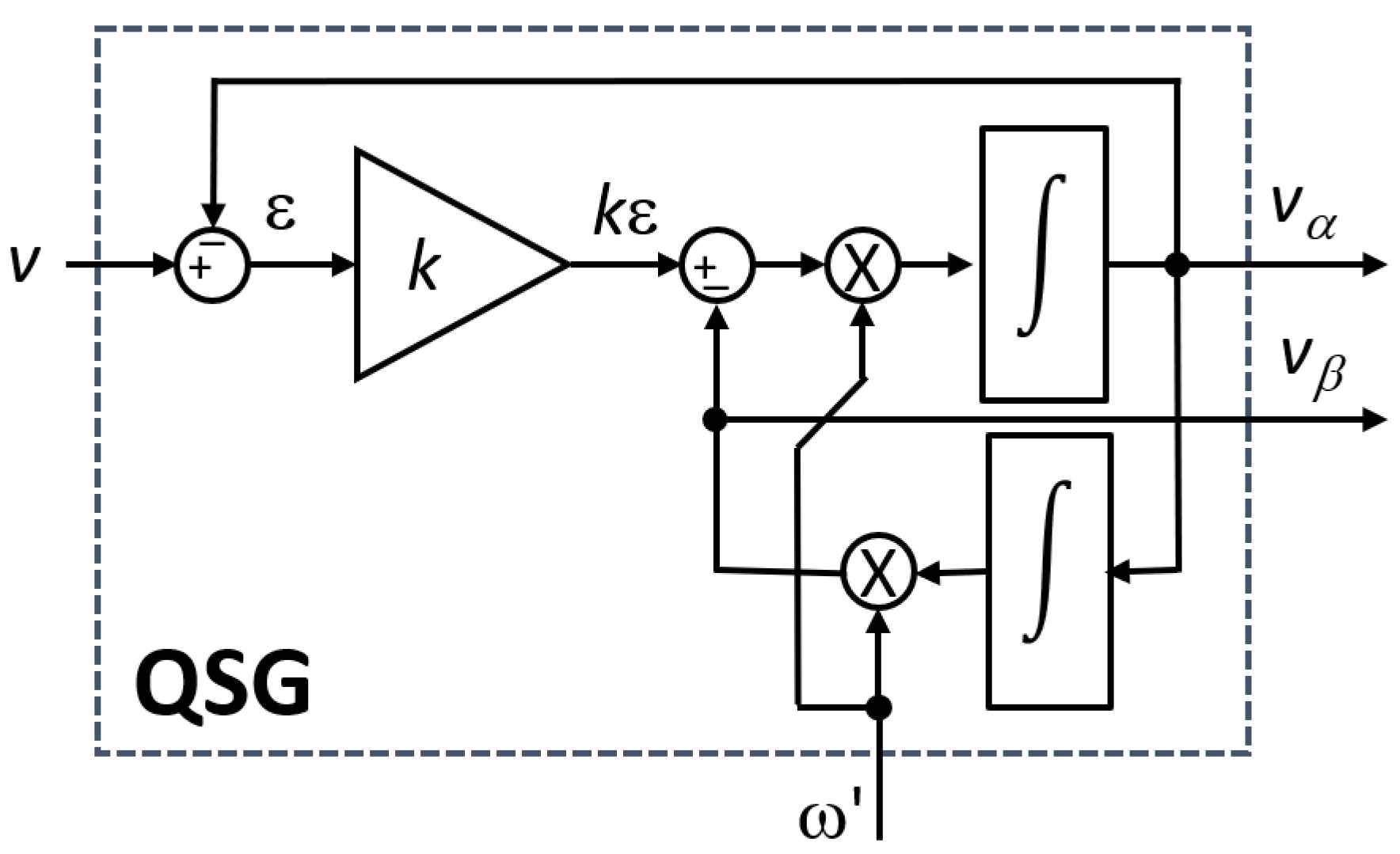
This synchronizer has a double feedback loop, providing the center frequency ω’ to the quadrature signal generator (QSG) element and the estimated phase angle to the Park transform block. The fuzzy synchronizer uses the QSG that generates two orthogonal sinusoidal waveforms vα and vβ. The applied quadrature signal generator was developed based on the Laplace transmittance of the cosine function, which after discretization can be written in the form of the second order generalized integrator (SOGI) [27]. The SOGI based QSG is presented in Figure 5.
The QSG in Figure 5 is the adaptive filter, which generates orthogonal signals. The transmittances of such a system can be written as:
v α k ε ( s ) = ω s s 2 + ω 2
v α v ( s ) = k ω s s 2 + k ω s + ω 2
v β v ( s ) = k ω s 2 s 2 + k ω s + ω 2 .
The presented transmittances (1), (2) and (3) show that the QSG bandwidth depends only on the gain k. In addition, the amplitude of the quadrature signals synchronizes its value to the input signal when ω = ω’. The result of transforming quadrature signals using Park transform is the phase error signal:
v ( d q ) = [ v d v q ] = V [ sin ( θ θ ) cos ( θ θ ) ] .
Equation (4) shows that the phase error obtained from the quadrature signal generator depends only on the phase difference between the output waveform and the input waveform. The lack of a variable part makes it unnecessary to use additional low-pass filtering. Thus, the developed synchronizer will be characterized by the absence of bandwidth limitation, which can be observed in other feedback synchronizers such as the classical PLL.
In order for the synchronizer to adapt quickly to changes in the frequency of the on-board power grid, a fuzzy inference system (FLC) was designed to generate the angular velocity increment of the rotating d-q coordinate system. The information flow in a fuzzy system can be divided into three stages: fuzzification, inference from a given rule base, and defuzzification. Based on the sharp numerical value, a fuzzy representation of it is created. The inference is the central and the most important element in the operation of a fuzzy system. The basis of inference is the rules created, from which conclusions are drawn. The final stage of the fuzzy system is defuzzification, or sharpening of the output. Based on the determined distribution of the fuzzy output variable, its deterministic value was calculated by calculating the center of gravity of the output set. The fuzzy corrector of the d-q coordinate system velocity was designed in a Mamdani structure with two input signals: the angle error and angle error change, and one output signal, which is the angular velocity. The most important, from the corrector operation quality point of view, is the proper selection of the shape of the input and output signal membership functions and the creation of the proper rule base. For the FLC block, the triangular and trapezoidal type membership functions for input and output signals were used. Both of these fuzzy sets have arms that are straight segments, which simplifies the determination of the value of the membership function. The rule base is the key component of a fuzzy system. On its basis the central process of the corrector’s work—inference—takes place. The rule base, created from expert knowledge, contains information about the behavior of the controller for different combinations of input signals. The sharpened output signal is next integrated to obtain the Takagi–Sugeno–Kang structure [28]. The knowledge base used premises in the form of:
Y(vq) = supx [A(x)⊺(A(x)⇒B(vq))],
where Y(vq) is the conclusion, A(x)⇒B(vq)—first premise, A(x)—second premise and ⊺ is the T-norm. The inputs and outputs of the linguistically specified rules are represented as triangular membership functions described by the peak value aij and the base bij as follows:
L X j ( i ) ( x ) = 1 2 | x a i j | b i j ,
where x is the input of the fuzzy corrector in the range Xj of the input variable xi. The output signal is obtained from the output set v by defuzzification:
  v f = i = 1 n μ i u i i = 1 n μ i ,
where   μ i   is calculated based on Mamdani implication as:
μ i = L X 1 ( i ) ( x 1 ) L X 2 ( i ) ( x 2 )   L X m ( i ) ( x m ) .
Next, the fuzzy corrector was tuned using a gradient descent algorithm:
(a)
The output equation depending on the parameters of the membership function aij, bij and ui, i = 1…n; j = 1…m was defined.
(b)
The parameters in (a) were tuned using an optimization procedure proposed by Nomura. An objective function E of the form:
E = 1 2 ( u u r ) 2 ,
where ur is the required true value of the control output obtained from the measurements and u is the output of the fuzzy controller, was chosen for minimization.
(c)
The optimization task with the iterative method of the largest gradient was solved. The objective function decreases most rapidly in the direction of the vector minus the gradient calculated at a given point with respect to the parameters. For the objective function E(z), where Z = (z1, z2, …, zp) the gradient vector looks as follows:
( E z 1 , E z 2 , , E z p ) .
For zi(t), which is the value of the i-th parameter at iteration t, the fastest descent algorithm modifies the value of the objective function by modifying the parameter value as follows:
z i ( t + 1 ) = z i ( t ) K E ( Z ) z i ,   i = 1 , , p ,
where K is a constant that determines the amount of parameter change in subsequent iterations. As a consequence of it, the function converges to a local minimum as it progresses. In this case, the parameters of the objective function are membership functions:
(z1, …, zp) = (a11, …, anm, b11, …, bnm, u1, …, an), p = 2mn + n.
By substituting expressions (9)–(12) we obtain the objective function in the form:
E = 1 2 ( i = 1 n ( j = 1 m L X j ( i ) ( x j r ) ) u i i = 1 n ( j = 1 m L X j ( i ) ( x j r ) ) u r ) 2 .
The fastest drop algorithm results in the following iterative equations for the parameter values:
a i j ( t + 1 ) = a i j ( t ) K a E a i j ,   i = 1 , , n ;   j = 1 , , m b i j ( t + 1 ) = b ( t ) K b E b i j ,   i = 1 , , n ;   j = 1 , , m u i ( t + 1 ) = u i ( t ) K u E u i ,   i = 1 , , n .
The tuning of the system results in the rules shown in Table 1.
The rules written in Table 1 were implemented off-line and were written into the memory blocks of the FPGA chip. This resulted in a very short response time of the synchronizer system to changes occurring in the on-board power grid.

3. Results and Discussion

The synchronization system tests were carried out in two variants. The first variant concerns open-loop tests, in which the fuzzy synchronization system was operated independently of the control system of the grid converter. In the second variant, basic tests were performed in which the synchronization signal was applied to the control system of the grid tied converter. This variant was called the closed-loop variant. The open-loop variant of the study was performed in a hardware-in-the-loop (HIL) system, in which the concurrent processes associated with the execution of the synchronization algorithm ran in an Altera EP4CE22E22C6N FPGA. The input voltage patterns were fed from the internal ROM, allowing tests to be performed for unusual cases that were difficult to achieve in the on-board grid. The output signal from the synchronizer was monitored through the JTAG interface using the built-in Signal Tap II Logic Analyzer tool. Closed-loop feedback tests were performed in the same FPGA-based control system, with the input signal to the synchronizer being connected with the on-board voltage measurement system. The result of the synchronization system was observed in real time while being fed to the closed-loop inverter control system. The hardware setup for open-loop and closed-loop tests is presented in Figure 6.

3.1. Open-Loop Test Results

An experimental system using a grid simulator with the voltage curves stored in the ROM type memory has been built in order to test the elaborated structure. The control part and voltage waveforms were implemented using FPGA. The study was conducted in four stages:
  • Frequency and trajectories analysis;
  • Steady-state performance;
  • Dynamic analysis;
  • Comparison with other synchronizers approaches.
In each case studied, the determined responses of the synchronization circuits in the FPGA were sent by the JTAG probe to an external recorder, which enabled their simultaneous visualization.

3.1.1. Frequency and Trajectories Analysis

The first stage involved recording the trajectories of the orthogonal signals from the start of synchronization until a steady-state trajectory was reached, and recording the Bode plots of the quadrature signals. Information regarding the estimated synchronism angle and frequency are considered as a reference, from which cosines function is obtained to be used as the input signal of the fuzzy corrector. Thus, the quadrature signals are determined to be employed to represent the trajectories in a four-quadrant XY plane. The recorded trajectories for the considered tuned system are shown in Figure 7.
To plot the trajectory, the X and Y axes are represented by the sine and cosine, respectively. The initial point of the trajectory is the center of the XY plane, also considering that an accurate estimation of the frequency and synchronization angle allows obtaining a circle of unit radius. In this context, it is possible to analyze the effect of QSG on the accuracy and dynamic behavior of the synchronizer. The analysis was performed for an input signal v consisting of a 400 Hz fundamental component of unit amplitude. This strategy is adopted in order to check the initial behavior of the QSG during gain adjustment. Assuming a quadrature signal generator gain of k = 1/ 2 , Bode plots were recorded. The results are shown in Figure 8.

3.1.2. Steady-State Performance

The proposed FLC synchronizer was experimentally validated in steady-state. Four cases were considered. The first of them refers to the purely sinusoidal 400 Hz input signal. According to Figure 9a, the fundamental component was properly determined. Other cases consider a disturbed input signal. In order to assess the algorithm robustness to distorted signals, interharmonic and subharmonic components have been added to the sinusoidal signal. For a sinusoidal input signal containing a fifth harmonic of amplitude 10%, an accurate output signal was obtained as shown in Figure 9b. The subharmonic components in the input signal have also been analyzed. The 20% of the fundamental component at 370 Hz and 350 Hz has been analyzed in Figure 9c. It can be seen that the synchronizer is able to generate an accurate signal regarding the fundamental component of the input signal as desired. The presence of interharmonic components with amplitudes equal to 15% of the fundamental component at 1500 Hz and 1300 Hz has been taken into consideration, where good performance was also achieved. Results in this case were presented in Figure 9c.

3.1.3. Dynamic Analysis

The dynamic analysis was performed using the system shown in Figure 4. For all experimental results presented, the gain in the quadrature waveform generator circuit was set to k = 1/ 2 . The input signal was a sinusoidal waveform of frequency 400 Hz with an added harmonic component at 2 kHz with the amplitude being 10% of the fundamental component. The input waveform THD was set to 10% for this experiment, while the measured THD was 12%. This was due to the presence of noise in the input signal, which was accounted for by the TrueTHD formula used. Figure 10 shows the behavior of the synchronization system under grid voltage sag of 40%.
The dynamic response of the FLC synchronizer algorithm was also investigated for the fundamental frequency change from 400 Hz to 404 Hz, which is 1% of the allowable deviation of the on-board grid frequency. The dynamic performance for this investigation case was presented in Figure 11. It should be added that only the frequency of the fundamental component changes, while the frequency of the distortion component in the form of the 5th harmonic component does not change. This results in the fact that, when the frequency of the fundamental component changes, the nature of the distortion changes from harmonic to interharmonic distortion. The change in the nature of the grid voltage (v) distortion with step change in frequency can be seen in Figure 11a along with the waveforms of the estimated quadrature functions (v’ and qv’) and the estimated value of the grid voltage amplitude (A). Estimation errors of the grid voltage amplitude (eu), frequency (ef) and instantaneous waveform (e) were calculated based on formula:
e x = 0.5 ( y x y r e f ) 2 ,
where ex is the calculated error, yx is the measured quantity and yref is the reference of measured quantity, presented in Figure 11b–d, respectively.
The fuzzy logic-based synchronization method under a fundamental component phase jump of 30 degrees was presented in Figure 12. As a result of the fundamental component at 400 Hz phase jump, the harmonic distortion at 2 kHz was changed to the interharmonic distortion and can be observed in Figure 12a. A fast estimation of the grid voltage amplitude with the maximum error, calculated using formula (15), about 6.8%, can be observed in Figure 12b. The estimation error of the fundamental component of the input waveform is at a similar level, as shown in Figure 12d. Its largest value reaches about 5% and is quickly reduced in the assumed time to half the period of the input waveform. It can be seen that the fuzzy logic-based synchronization system responds quickly according to the assumed time, not exceeding twice the period of the grid voltage waveform. As shown in Figure 12c, for the studied case associated with a distorted grid voltage and a phase jump of 30 degrees, the estimated angle reaches the setpoint much faster, in just one grid voltage period. This confirms the very good performance of the studied system in dynamic states.

3.1.4. Comparison with Other Synchronizers Approaches

In order to make a fair comparison with other synchronization methods reported in the literature, the algorithm proposed in this work was compared in detail with the EPLL method and, additionally, a general comparison was made with other known synchronization methods. The main advantage of the EPLL is that it does not have the main drawback of the conventional PLL: double-frequency ripples. The EPLL block reconstructs, in real time, the fundamental component of the input signal by estimating its amplitude, phase and frequency. During testing, the EPLL was configured as follows: the proportional gain kP = 350; the integral gain kI = 350, the damping factor for frequency fluctuations λ = 350. During the tests, the same setup of the system using the proposed method was used as for the previous cases.
In Figure 13—the proposed method and the EPLL method—estimated waveforms were compared for the phase jump of 30 degrees. It can be seen that the estimation error is almost two times smaller when FLC method is used. At the same time, it can be observed that the time to achieve system synchronization with the proposed method is equal to the period of the input signal, while it is at least three times longer for EPLL.
The dynamic performance of the system synchronized using the proposed algorithm and using the EPLL for the input amplitude jump of 50% is presented in Figure 14. It can be observed that, for the proposed method, the estimation error is smaller and the estimated amplitude is more accurate. This confirms the improved performance of the developed method.
The dynamic responses for the phase jump from −90 to 90 degrees were measured for the proposed method and other popular methods. The response time was measured as a period from phase jump to 1% error and was expressed in relation to fundamental component period value. This relation for the proposed method, EPLL method, Inverse PLL method, classical PLL method and T4-delay method is presented in Figure 15. The analysis clearly shows that the shortest response time characterizes the proposed method, which predestines it for use in a higher frequency on-board grid.
The synchronization methods studied were subjected to a series of tests in which the response time for the start-up phase, frequency jumps, frequency estimation accuracy, phase angle jump change, phase angle estimation accuracy and voltage distortion effects were determined. Based on the results obtained, Table 2 qualitatively estimates the analyzed cases, assuming that a higher number of tags (+) in a given category refers to the suitability of the method in high frequency power grids.

3.2. Closed-Loop Tests

The closed-loop tests were performed in a system, the structure of which is shown in Figure 3, where the SYNC block denotes the developed synchronization method. Instead of PV panels, the ITECH IT6526C emulator was used, which features the ability to simulate the characteristics of a solar panel. This device uses the Sandia model for PV modules, which is fully described in the report SAND2004-3535 (2004) available directly on the web. The grid converter was connected to the local small scale power grid of 400 Hz. The bench test stand was modified by redirecting the output of the synchronizing system to the control system of the grid inverter. Closed-loop feedback studies were performed on the dynamics of voltage changes in the on-board power grid. In order to perform a reliable study of the synchronizer, the absence of energy source dynamics was assumed. Standard and unchanging solar irradiance of photovoltaic panels s = 1000 W/m2 and constant outdoor temperature T = 25° were assumed. Recording of the waveforms began after the maximum power point was established. Dynamics studies were performed in three variants. Figure 16a shows the first variant of the study in which the 400 Hz grid voltage and the grid current at a voltage sag of 50% were recorded. The current and voltage of the photovoltaic source were recorded simultaneously. As can be seen, the power ripples resulting from the instantaneous power balance did not appear on the PV battery side, and the grid current did not change in amplitude. This was a result of the grid current control strategy used. Analogous waveforms were also recorded for the appearance of the interharmonic component in the grid—Figure 16b and the subharmonic component—Figure 16c. In each case, the assumed effect was achieved, which confirmed the usefulness of the applied synchronization method in relation to on-board 400 Hz grids.

4. Conclusions

This work has proposed a single-phase adaptive synchronization algorithm using fuzzy logic to reduce the impact of disturbances that typically occur in a power grid such as harmonic, interharmonic and subharmonic disturbances. When the proposed method is applied to a high-frequency on-board grid, it is of particular importance to reduce the time to obtain synchronicity when a single disturbance takes place. Therefore, the system was studied for voltage sag, phase and voltage frequency jumps. The proposed synchronization system is applied to an on-board 400 Hz grid cooperating with a photovoltaic source. The proposed synchronization strategy has been properly described in terms of including a fuzzy inference block to reduce estimation errors. At steady-state, all methods properly tuned have a small steady-state error and effectively suppress the disturbance components. For the dynamic studies, it is clearly seen that, by using the proposed method, the maximum errors and response times have been drastically reduced compared to the EPLL method. The steady-state and dynamic behavior of the proposed single-phase synchronization method has been analyzed based on recorded waveforms. It has been successfully demonstrated that the proposed method accurately determines the synchronism angle and the fundamental component of the input signal even under high distortion. This makes it a great solution for power electronic converter applications where grid connection is required, especially for a high frequency on-board grid.

Funding

This research was funded by Polish Ministry of Science and Higher Education under the program “Regional Initiative of Excellence” in 2019–2022, grant number 027/RID/2018/19, amount granted 11 999 900 PLN and the APC was funded by private funds.

Institutional Review Board Statement

Not applicable.

Informed Consent Statement

Not applicable.

Conflicts of Interest

The author declares no conflict of interest.

References

  1. Yaskiv, V.; Stachiw, P.; Dyvak, M.; Gurnik, O. On-Board Power Supply Systems with High-Frequency On-Board Net for Space Vehicles. In Proceedings of the Conference on Compatibility in Power Electronics (CPE), Gdansk, Poland, 29 May–1 June 2007; pp. 1–2. [Google Scholar] [CrossRef]
  2. Parripati, M.; Devi, V. A Single Phase DC-AC Inverter for Aircraft Application. In Proceedings of the Fourth International Conference on Inventive Systems and Control (ICISC), Coimbatore, India, 8–10 January 2020; pp. 250–255. [Google Scholar] [CrossRef]
  3. Arum, S.; Grace, D.; Mitchell, P.; Zakaria, M.; Morozs, N. Energy Management of Solar-Powered Aircraft-Based High Altitude Platform for Wireless Communications. Electronics 2020, 9, 179. [Google Scholar] [CrossRef] [Green Version]
  4. Sun Seeker Duo—First Two Seat Solar Powered Aircraft. Available online: https://www.solar-flight.com/sunseeker-duo (accessed on 11 November 2021).
  5. Aglietti, G.; Markvart, T.; Tatnall, A.; Walker, S.J. Solar power generation using high altitude platforms feasibility and viability. Prog. Photovolt. Res. Appl. 2008, 16, 349–359. [Google Scholar] [CrossRef] [Green Version]
  6. Malaver, A.; Motta, N.; Corke, P.; Gonzalez, L. Development and Integration of a Solar Powered Unmanned Aerial Vehicle and a Wireless Sensor Network to Monitor Greenhouse Gases. Sensors 2015, 15, 4072–4096. [Google Scholar] [CrossRef] [PubMed]
  7. Korkosz, M.; Bogusz, P.; Prokop, J.; Pakla, B.; Podskarbi, G. Comparative Analysis of Fault-Tolerant Dual-Channel BLDC and SR Motors. Energies 2019, 12, 2489. [Google Scholar] [CrossRef] [Green Version]
  8. Zhao, H.; Burke, A. An Intelligent Solar Powered Battery Buffered EV Charging Station with Solar Electricity Forecasting and EV Charging Load Projection Functions. In Proceedings of the 2014 IEEE International Electric Vehicle Conference, Florence, Italy, 17–19 December 2014. [Google Scholar]
  9. Kjær, S.; Pedersen, J.; Blaabjerg, F. A Review of Single-Phase Grid-Connected Inverters for Photovoltaic Modules. IEEE Trans. Ind. Appl. 2005, 41, 1292–1306. [Google Scholar] [CrossRef]
  10. Tang, Y.; Blaabjerg, F. Power decoupling techniques for single-phase power electronics systems—An overview. In Proceedings of the 2015 IEEE Energy Conversion Congress and Exposition (ECCE), Montreal, QC, Canada, 20–24 September 2015; pp. 2541–2548. [Google Scholar]
  11. Vitorino, M.; Alves, L.; Wang, R.; Correa, M. Low-Frequency Power Decoupling in Single-Phase Applications: A Comprehensive Overview. IEEE Trans. Power Electron. 2017, 32, 4. [Google Scholar] [CrossRef]
  12. Zhang, L.; Ruan, X. Control Schemes for Reducing the Second Harmonic Current in Two-Stage Single-Phase Converter: An Overview from DC-Bus Port-Impedance Characteristic. IEEE Trans. Power Electron. 2019, 34, 10341–10358. [Google Scholar] [CrossRef]
  13. Zhang, L.; Ruan, X.; Ren, X. Second Harmonic Current Reduction for Two-Stage Inverter with Boost-Derived Front-End Converter: Control Schemes and Design Considerations. IEEE Trans. Power Electron. 2017, 33, 6361–6378. [Google Scholar] [CrossRef]
  14. Shi, Y.; Liu, B.; Duan, S. Low-Frequency Input Current Ripple Reduction Based on Load Current Feed-Forward in Two-Stage Single-Phase Inverter. IEEE Trans. Power Electron. 2015, 31, 7972–7985. [Google Scholar] [CrossRef]
  15. Wang, W.; Ruan, X. A Modified Reference of an Intermediate Bus Capacitor Voltage-Based Second-Harmonic Current Reduction Method for a Standalone Photovoltaic Power System. IEEE Trans. Power Electron. 2015, 31, 5562–5573. [Google Scholar] [CrossRef]
  16. Hsieh, G.; Hung, J.C. Phase-locked loop techniques. A survey. IEEE Trans. Ind. Electron. 1996, 43, 609–615. [Google Scholar] [CrossRef]
  17. Silva, S.; Lopes, B.M.; Filho, B.J.; Campana, R.; Bosventura, W. Performance evaluation of PLL algorithms for single-phase grid-connected systems. In Proceedings of the Conference Record of the 2004 IEEE Industry Applications Conference, 39th IAS Annual Meeting, Seattle, DC, USA, 3–7 October 2004; pp. 2259–2263. [Google Scholar]
  18. Blaabjerg, F.; Teodorescu, R.; Liserre, M.; Timbus, A.V. Overview of Control and Grid Synchronization for Distributed Power Generation Systems. IEEE Trans. Ind. Electron. 2006, 53, 1398–1409. [Google Scholar] [CrossRef] [Green Version]
  19. Teodorescu, R.; Liserre, M.; Rodríguez, P. Grid Converters for Photovoltaic and Wind Power Systems; John Wiley & Sons: Hoboken, NJ, USA, 2011. [Google Scholar]
  20. Qian, Y.C.; Chao, Y.Y.; Liu, S.I. A Low-Jitter Sub-Sampling PLL with A Sub-Sampling DLL. IEEE Trans. Circuits Syst. II Express Briefs 2021, 1–5. [Google Scholar] [CrossRef]
  21. Ciobotaru, M.; Teodorescu, R.; Blaabjerg, F. Improved PLL structures for single-phase grid inverters. In Proceedings of the PELINCEC, Warsaw, Poland, 16–19 October 2005; pp. 1–65. [Google Scholar]
  22. Nayak, S.; Gurunath, S.; Rajasekar, N. Advanced single-phase inverse park PLL with tuning of PI controller for improving stability of grid utility using soft computing technique. In Proceedings of the 2016 Online International Conference on Green Engineering and Technologies (IC-GET), Coimbatore, India, 19 November 2016; pp. 1–5. [Google Scholar]
  23. Silva, M.J.; Ferreira, S.C.; Silva, J.P.; Santos, M.G.; Paganotti, A.L.; Barbosa, L.M. Equivalency between Adaptive Notch Filter PLL and Inverse Park PLL by Modelling and Parameter Adjustment. IEEE Lat. Am. Trans. 2020, 18, 2112–2121. [Google Scholar] [CrossRef]
  24. Singh, Y.; Hussain, Y.; Singh, B.; Mishra, S. Real time implementation of EPLL with generalized filtering in single phase grid interfaced SPV system. In Proceedings of the 2016 IEEE Uttar Pradesh Section International Conference on Electrical, Computer and Electronics Engineering (UPCON), Varanasi, India, 9–11 December 2016; pp. 50–54. [Google Scholar] [CrossRef]
  25. Binkowski, T. A Conductance-Based MPPT Method with Reduced Impact of the Voltage Ripple for One-Phase Solar Powered Vehicle or Aircraft Systems. Energies 2020, 13, 1496. [Google Scholar] [CrossRef] [Green Version]
  26. González-Castaño, C.; Marulanda, J.; Restrepo, C.; Kouro, S.; Alzate, A.; Rodriguez, J. Hardware-in-the-Loop to Test an MPPT Technique of Solar Photovoltaic System: A Support Vector Machine Approach. Sustainability 2021, 13, 3000. [Google Scholar] [CrossRef]
  27. Busarello, T.D.; Zeb, K.; Péres, A.; Oruganti, V.S.; Simões, M.G. Designing a Second Order Generalized Integrator Digital Phase Locked Loop based on a Frequency Response Approach. In Proceedings of the 2019 IEEE PES Innovative Smart Grid Technologies Conference-Latin America (ISGT Latin America), Gramado Brazil, 18 September 2019; pp. 1–6. [Google Scholar]
  28. Schnitman, L.; Souza, J.A.; Yoneyama, T. Takagi-Sugeno-Kang Fuzzy Structures in Dynamic System Modeling. In Proceedings of the IASTED International Conference on Control and Application (CA’2001), Banff, AB, Canada, 27–29 June 2001. [Google Scholar]
Figure 1. The coupling system structure of DC power source side with on-board high frequency grid.
Figure 1. The coupling system structure of DC power source side with on-board high frequency grid.
Energies 14 08194 g001
Figure 2. The power electronics coupling system: PV—photovoltaic source, BC—boost converter, GC—grid-tied inverter, GF—grid low-pass filter, HF Grid—high frequency on-board grid.
Figure 2. The power electronics coupling system: PV—photovoltaic source, BC—boost converter, GC—grid-tied inverter, GF—grid low-pass filter, HF Grid—high frequency on-board grid.
Energies 14 08194 g002
Figure 3. The control system structure: MPPT and boost control, DC-link and grid current control, synchronization block (SYNC).
Figure 3. The control system structure: MPPT and boost control, DC-link and grid current control, synchronization block (SYNC).
Energies 14 08194 g003
Figure 4. The fuzzy logic-based synchronizer.
Figure 4. The fuzzy logic-based synchronizer.
Energies 14 08194 g004
Figure 5. The second-order generalized integrator structure.
Figure 5. The second-order generalized integrator structure.
Energies 14 08194 g005
Figure 6. Hardware setup with diagram illustrating paths for open-loop and closed-loop tests of the synchronization system.
Figure 6. Hardware setup with diagram illustrating paths for open-loop and closed-loop tests of the synchronization system.
Energies 14 08194 g006
Figure 7. Trajectories in the XY plane for the QSG gain: (a) k = 1/ 2 and (b) k = 1.
Figure 7. Trajectories in the XY plane for the QSG gain: (a) k = 1/ 2 and (b) k = 1.
Energies 14 08194 g007
Figure 8. Bode plots of the quadrature signals at chosen QSG gain k = 1/ 2 .
Figure 8. Bode plots of the quadrature signals at chosen QSG gain k = 1/ 2 .
Energies 14 08194 g008
Figure 9. Steady-state responses of the FLC synchronizers: (a) waveforms of the input signal (v), estimated sine signal (v’), estimated cosine signal (qv’) under sinusoidal condition; (b) waveforms of the input signal (v), estimated sine signal (v’), estimated cosine signal (qv’) with 5-th harmonic distortion; (c) waveforms of the input signal (v), estimated sine signal (v’), estimated cosine signal (qv’) with subharmonics distortion; (d) waveforms of the input signal (v), estimated sine signal (v’), estimated cosine signal (qv’) with interharmonics distortion.
Figure 9. Steady-state responses of the FLC synchronizers: (a) waveforms of the input signal (v), estimated sine signal (v’), estimated cosine signal (qv’) under sinusoidal condition; (b) waveforms of the input signal (v), estimated sine signal (v’), estimated cosine signal (qv’) with 5-th harmonic distortion; (c) waveforms of the input signal (v), estimated sine signal (v’), estimated cosine signal (qv’) with subharmonics distortion; (d) waveforms of the input signal (v), estimated sine signal (v’), estimated cosine signal (qv’) with interharmonics distortion.
Energies 14 08194 g009
Figure 10. Grid voltage sag of 40%: (a) recorded waveforms of input signal (v), estimated sine signal (v’), estimated cosine signal (qv’), and estimated amplitude of the fundamental component (A); (b) zoomed fragment for voltage sag.
Figure 10. Grid voltage sag of 40%: (a) recorded waveforms of input signal (v), estimated sine signal (v’), estimated cosine signal (qv’), and estimated amplitude of the fundamental component (A); (b) zoomed fragment for voltage sag.
Energies 14 08194 g010
Figure 11. Dynamic performance of the proposed algorithm for grid frequency step of 1%: (a) waveforms of the input signal (v), estimated quadrature signals (v’ and qv’) and estimated amplitude of input signal (A); (b) waveforms of the input signal (v), estimated sine signal (v’) and amplitude estimation error (eA); (c) waveforms of the estimated sine signal (v’) and frequency estimation error (ef); (d) waveforms of the estimated sine signal (v’) and instantaneous estimation error (e).
Figure 11. Dynamic performance of the proposed algorithm for grid frequency step of 1%: (a) waveforms of the input signal (v), estimated quadrature signals (v’ and qv’) and estimated amplitude of input signal (A); (b) waveforms of the input signal (v), estimated sine signal (v’) and amplitude estimation error (eA); (c) waveforms of the estimated sine signal (v’) and frequency estimation error (ef); (d) waveforms of the estimated sine signal (v’) and instantaneous estimation error (e).
Energies 14 08194 g011
Figure 12. Dynamic performance of the proposed algorithm for phase jump of 30%: (a) waveforms of the input signal (v), estimated quadrature signals (v’ and qv’) and estimated amplitude of input signal (A); (b) waveforms of the input signal (v), estimated sine signal (v’) and amplitude estimation error (eA); (c) waveforms of the estimated sine signal (v’), set angle (φ) and estimated angle (φ); (d) waveforms of the estimated sine signal (v’) and instantaneous estimation error (e).
Figure 12. Dynamic performance of the proposed algorithm for phase jump of 30%: (a) waveforms of the input signal (v), estimated quadrature signals (v’ and qv’) and estimated amplitude of input signal (A); (b) waveforms of the input signal (v), estimated sine signal (v’) and amplitude estimation error (eA); (c) waveforms of the estimated sine signal (v’), set angle (φ) and estimated angle (φ); (d) waveforms of the estimated sine signal (v’) and instantaneous estimation error (e).
Energies 14 08194 g012
Figure 13. Dynamic performance of the proposed method compared to the EPLL method for phase jump of 30%: (1) estimated fundamental waveform for the FLC method, (2) estimated fundamental waveform for the EPLL, (3) estimation error for the proposed method and (4) estimation error for the EPLL.
Figure 13. Dynamic performance of the proposed method compared to the EPLL method for phase jump of 30%: (1) estimated fundamental waveform for the FLC method, (2) estimated fundamental waveform for the EPLL, (3) estimation error for the proposed method and (4) estimation error for the EPLL.
Energies 14 08194 g013
Figure 14. Dynamic performance of the proposed method compared to the EPLL method for amplitude jump down of 50%: (a) recorded signals of (1) estimated fundamental waveform for the FLC method, (2) estimated fundamental waveform for the EPLL, (3) estimation error for the proposed method and (4) estimation error for the EPLL; (b) recorded signals of (1) estimated fundamental waveform for the FLC method, (2) estimated fundamental waveform for the EPLL, (3) estimation error for the proposed method and (4) estimation error for the EPLL.
Figure 14. Dynamic performance of the proposed method compared to the EPLL method for amplitude jump down of 50%: (a) recorded signals of (1) estimated fundamental waveform for the FLC method, (2) estimated fundamental waveform for the EPLL, (3) estimation error for the proposed method and (4) estimation error for the EPLL; (b) recorded signals of (1) estimated fundamental waveform for the FLC method, (2) estimated fundamental waveform for the EPLL, (3) estimation error for the proposed method and (4) estimation error for the EPLL.
Energies 14 08194 g014
Figure 15. Response time of synchronization systems expressed in fundamental component periods tr/T for phase jumps: (1) proposed method, (2) EPLL method, (3) inverse PLL method, (4) PLL method and (5) T/4 delay method.
Figure 15. Response time of synchronization systems expressed in fundamental component periods tr/T for phase jumps: (1) proposed method, (2) EPLL method, (3) inverse PLL method, (4) PLL method and (5) T/4 delay method.
Energies 14 08194 g015
Figure 16. Performance of the closed-loop control system. Waveforms of (1) on-board 400 Hz grid voltage, (2) the grid current, (3) the photovoltaic voltage and (4) the photovoltaic current: (a) in case of 50% grid voltage sag, (b) in the presence of the interharmonics and (c) in the presence of subharmonics.
Figure 16. Performance of the closed-loop control system. Waveforms of (1) on-board 400 Hz grid voltage, (2) the grid current, (3) the photovoltaic voltage and (4) the photovoltaic current: (a) in case of 50% grid voltage sag, (b) in the presence of the interharmonics and (c) in the presence of subharmonics.
Energies 14 08194 g016
Table 1. The rules for the fuzzy correction block.
Table 1. The rules for the fuzzy correction block.
vq−1.00−0.70−0.45−0.1000.100.450.701.00
vq
−1.00−1−1−1−1−1−0.73−0.52−0.200
−0.70−1−0.73−0.73−0.73−0.73−0.35−0.1900.20
−0.45−1−0.73−0.52−0.52−0.52−0.1900.190.52
−0.10−1−0.73−0.52−0.20−0.2000.100.350.73
0−1−0.73−0.52−0.2000.200.520.731
0.10−0.73−0.35−0.1900.200.200.520.731
0.45−0.52−0.1900.190.520.520.520.731
0.70−0.2900.190.350.730.730.730.731
1.0000.200.520.7311111
Table 2. Comparison results.
Table 2. Comparison results.
MethodStart-UpPhase JumpPhase EstimationFrequency JumpFrequency EstimationDistortion
FLC+++++++++++++++++++++++
EPLL++++++++++++++++++++++
Inverse Park+++++++++++++++++
PLL+++++++++++++
T4-delay++++++++
Publisher’s Note: MDPI stays neutral with regard to jurisdictional claims in published maps and institutional affiliations.

Share and Cite

MDPI and ACS Style

Binkowski, T. Fuzzy Logic Based Synchronization Method for Solar Powered High Frequency On-Board Grid. Energies 2021, 14, 8194. https://doi.org/10.3390/en14248194

AMA Style

Binkowski T. Fuzzy Logic Based Synchronization Method for Solar Powered High Frequency On-Board Grid. Energies. 2021; 14(24):8194. https://doi.org/10.3390/en14248194

Chicago/Turabian Style

Binkowski, Tomasz. 2021. "Fuzzy Logic Based Synchronization Method for Solar Powered High Frequency On-Board Grid" Energies 14, no. 24: 8194. https://doi.org/10.3390/en14248194

APA Style

Binkowski, T. (2021). Fuzzy Logic Based Synchronization Method for Solar Powered High Frequency On-Board Grid. Energies, 14(24), 8194. https://doi.org/10.3390/en14248194

Note that from the first issue of 2016, this journal uses article numbers instead of page numbers. See further details here.

Article Metrics

Back to TopTop