MARIA Reactor Irradiation Technology Capabilities towards Advanced Applications
Abstract
1. General Information
2. Description of the MARIA Reactor Core
2.1. Fuel Elements
2.2. Moderator
2.3. Reflector
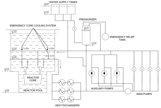
2.4. Reactor Cooling System
- fuel channel cooling circuit;
- reactor pool cooling circuit.
2.5. Reactor Shielding
3. Irradiation, Experimental and Testing Facilities in MARIA Reactor
- vertical channels for radionuclide production;
- thermostatic irradiation rigs for material testing and reactor fuel studies, horizontal experimental channels for neutron beam studies;
- possibility of using pressurized fuel channels for radionuclide production and advanced nuclear technology research.
3.1. Infrastructure for Radionuclide Production
3.2. Facility for Irradiation Uranium Targets for 99Mo Production
3.2.1. Production of Fission Product 99Mo Using Uranium Plates
3.2.2. Production of Fission Product 99Mo Using LEU Microspheres
3.3. Experimental Facilities for Fast Neutron Irradiation
3.4. Irradiation of Ho-PLLA Microspheres
3.5. Experimental Fuel Assembly MR-2 for Fast Neutron Irradiation
3.6. Horizontal Channels
3.7. Thermostatic Irradiation Rig Program in MARIA
4. Summary
Author Contributions
Funding
Institutional Review Board Statement
Informed Consent Statement
Data Availability Statement
Conflicts of Interest
References
- Volkov, V.; Arustamov, A.; Semenov, S.; Pavlenko, V.; Muzrukova, V.; Chesnokov, A. Experience of MR and RFT reactors decomissioning in RRC “Kurchatov Institute”. In Proceedings of the WM2011 Conference, Phoenix, AZ, USA, 27 February–3 March 2011. [Google Scholar]
- Stepanov, A.; Simirsky, Y.; Semin, I.; Volkovich, A.; Potapov, V.; Stepanov, V. Characterisation of MR Reactor Pond in NRC “Kurchatov Institute” Before Dismantling Work. In Volume 2: Facility Decontamination and Decommissioning; Environmental Remediation; Environmental Management/Public Involvement/Crosscutting Issues/Global Partnering, Presented at the ASME 2013 15th International Conference on Environmental Remediation and Radioactive Waste Management, Brussels, Belgium, 8–12 September 2013; American Society of Mechanical Engineers: New York, NY, USA, 2013. [Google Scholar]
- Uranium in Poland Removed for Disposal. The New York Times. 10 August 2006. Available online: https://www.nytimes.com/2006/08/10/world/europe/10poland.html (accessed on 1 December 2021).
- National Nuclear Security Administration (NNSA) on YouTube. Removal of All Highly Enriched Uranium (HEU) from Poland. Available online: https://www.youtube.com/watch?v=HbAnTr1ZvEA (accessed on 22 November 2021).
- Pytel, K.; Bąk, W.; Borek-Kruszewska, E.; Ciborek, E.; Czarnecki, M.; Dorosz, M.; Frydrysiak, A.; Gołąb, A.; Idzikowski, J.; Jaroszewicz, J.; et al. Eksploatacyjny Raport Bezpieczeństwa Reaktora MARIA; National Centre for Nuclear Research: Świerk, Poland, 2015.
- Prokopowicz, R.; Pytel, K. Determination of nuclear fuel burn-up axial profile by neutron emission measurement. In Nuclear Instruments and Methods in Physics Research Section A: Accelerators, Spectrometers, Detectors and Associated Equipment; Elsevier: Amsterdam, The Netherlands, 2016; Volume 838, pp. 18–23. [Google Scholar]
- European Comission. Co-Ordinated Approach to the Development and Supply of Radionuclides in the EU-NoENER/D3/2019-231-Final Report; Publications Office of the European Union: Luxembourg, 2021. [Google Scholar]
- Wald, M.L. New Source of An Isotope in Medicine Is Found. The New York Times. 16 February 2010. Available online: https://www.nytimes.com/2010/02/17/health/17isotope.html (accessed on 1 December 2021).
- Jaroszewicz, J.; Marcinkowska, Z.; Pytel, K. Production of fission product 99Mo using high enriched uranium plates in Polish nuclear research reactor MARIA. Technology and neutronic analysis. Nukleonika 2014, 59, 43–52. [Google Scholar] [CrossRef]
- Pytel, K.; Bąk, W.; Borek-Kruszewska, E.; Ciborek, E.; Czarnecki, M.; Dorosz, M.; Frydrysiak, A.; Gołąb, A.; Idzikowski, J.; Jaroszewicz, J.; et al. Testowe Napromienianie Płytek Uranowych w Reaktorze MARIA; National Centre for Nuclear Research: Otwock, Poland, 2017.
- Pytel, K.; Bąk, W.; Borek-Kruszewska, E.; Ciborek, E.; Czarnecki, M.; Dorosz, M.; Frydrysiak, A.; Gołąb, A.; Idzikowski, J.; Jaroszewicz, J.; et al. Testowe Napromienianie Płytek Uranowych w Reaktorze MARIA; National Centre for Nuclear Research: Otwock, Poland, 2018.
- Mianowski, S.; Brylew, K.; Dziedzic, A.; Grzenda, K.; Karpowicz, P.; Korgul, A.; Krakowiak, M.; Prokopowicz, R.; Madejowski, G.; Mianowska, Z.; et al. Neutron hardness of EJ-276 scintillation material. J. Instrum. 2020, 15, P10012. [Google Scholar] [CrossRef]
- Jankowski, J.; Prokopowicz, R.; Pytel, K.; El-Ahmar, S. Toward the development of an InSb-based neutron-resistant Hall sensor. IEEE Trans. Nucl. Sci. 2019, 66, 926–931. [Google Scholar] [CrossRef]
- Prokopowicz, R.; Pytel, K.; Dorosz, M.; Zawadka, A.; Lechniak, J.; Lipka, M.; Marcinkowska, Z.; Wierzchnicka, M.; Malkiewicz, A.; Wilczek, I.; et al. The 14 MeV neutron irradiation facility in MARIA reactor. In Proceedings of the RRFM 2015, European Research Reactor Conference 2015, Bucarest, Romania, 19–23 April 2015. [Google Scholar]
- Pohorecki, W.; Jodłowski, P.; Pytel, K.; Prokopowicz, R. Measurement and calculations of long-lived radionuclide activity forming in the fast neutron field in some ITER construction steels. In Fusion Engineering and Design; Elsevier: Amsterdam, The Netherlands, 2014; Volume 89, pp. 932–936. [Google Scholar]
- Pohorecki, W.; Jodłowski, P.; Pytel, K.; Prokopowicz, R. Long-lived radionuclide activity formed in ITER construction steels in 6Li-D converter neutron field. In Fusion Enginering and Design; Elsevier: Amsterdam, The Netherlands, 2017; Volume 124, pp. 1042–1045. [Google Scholar]
- Smits, M.; Nijsen, J.F.W.; van den Bosch, M.A.A.J.; Lam, M.G.E.H.; Vente, M.A.D.; Mali, W.P.T.M.; van Het Schip, A.D.; Zonneberg, B.A. Holmium-166 radioembolisation in patients with unresectable, chemorefractory liver metastases (HEPAR trial): A phase 1, dose-escalation study. Lancet Oncol. 2012, 13, 1025–1034. [Google Scholar] [CrossRef]
- Vente, M.A.D.; Nijsen, J.F.W.; de Roos, R.; Van Steenbergen, M.; Kaajik, C.N.J.; Koster-Ammerlaan, M.J.J.; de Leege, P.F.A.; van Het Schip, A.D.; Hennik, E.; Krijger, G. Neutron activation of holmium poly(L-lactic acid) microspheres for hepatic arterial radioembolization: A validation study. Biomed. Microdevices 2009, 11, 763–772. [Google Scholar] [CrossRef] [PubMed]
- Available online: https://www.ncbj.gov.pl/en/aktualnosci/microspheres-swierk-help-patients-liver-cancer (accessed on 22 November 2021).
- Prokopowicz, R.; Pytel., K.; Jaroszewicz, J.; Tarchalski, M.; Gryziński, M.; Dorosz, M.; Madejowski, G.; Zagubień, I.; Keler, R.; Zawadka, A.; et al. Irradiation of holmium poli(L-lactic acid) microspheres in the MARIA reactor. In Proceedings of the RRFM 2019, European Research Reactor Conference, Swemieh, Jordan, 24–28 March 2019. [Google Scholar]
- Lipka, M. New fuel in MARIA research reactor, providing better conditions for irradiation in the fast neutron spectrum. In Proceedings of the RRFM 2018, European Research Reactor Conference, Munich, Germany, 11–15 March 2018. [Google Scholar]
- El Abd, A.; Czachor, A.; Milczarek, J. Neutron radiograohy determination of water diffusivity in fired clay brick. In Applied Radiation and Isotopes; Elsevier: Amsterdam, The Netherlands, 2009; Volume 67, pp. 556–559. [Google Scholar]
- Fijał-Kirejczyk, I.; Milczarek, J.; Żołądek-Nowak, J. Neutron radiography observations of inner wet region in drying of quartz sand cylinder. In Nuclear Instruments and Methods in Physics Research Section A: Accelerators, Spectrometers, Detectors and Associated Equipment; Elsevier: Amsterdam, The Netherlands, 2011; Volume 651, pp. 205–210. [Google Scholar]
- Milczarek, J.; Fijal-Kirejczyk, I.; Jurkowski, Z.; Zoladek, J.; Chojnowski, M. Neutron Radiography Studies of Water Self-Diffusion in Porous Medium. Acta Phys. Pol. A 2008, 113, 1237–1244. [Google Scholar] [CrossRef]
- Sołtysiak, A.; Miśta-Jakubowska, E.A.; Dorosz, M.; Kosiński, T.; Fijał-Kirejczyk, I. Estimation of collagen presence in dry bone using combined X-ray and neutron radiography. In Applied Radiation and Isotopes; Elsevier: Amsterdam, The Netherlands, 2018; Volume 139, pp. 141–145. [Google Scholar]
- Kalicki, A.; Panczyk, E.; Rowinska, L.; Sartowska, B.; Walis, L.; Pytel, K.; Pytel, B.; Koziel, A.; Dabkowski, L.; Wierzchnicka, M.; et al. Neutron autoradiography: Working-out method and application in investigations of test paintings. In Radiation Measurements; Elsevier: Amsterdam, The Netherlands, 2001; Volume 34, pp. 567–569. [Google Scholar]
- Pańczyk, E.; Pytel, K.; Kalicki, A.; Rowińska, L.; Sartowska, B.; Waliś, L. Neutron-induced autoradiography in the study of oil paintings by Tintoretto, Marieschi and Belotto. MRS Online Proc. Libr. 2002, 712, II3-5. [Google Scholar] [CrossRef]
- Gryziński, M.A.; Maciak, M.; Wielgosz, M. Summary of recent BNCT Polish programme and future plans. In Applied Radiation and Isotopes; Elsevier: Amsterdam, The Netherlands, 2015; Volume 106, pp. 10–17. [Google Scholar]
- Pytel, K.; Andrzejewski, K.; Golnik, N.; Osko, J. Concept of a BNCT line with in-pool fission converter at MARIA reactor in Swierk. Pol. J. Med. Phys. Eng. 2009, 15, 209–214. [Google Scholar] [CrossRef][Green Version]
- Tymińska, K.; Wojtania, G.; Talarowska, A.; Maciak, M.; Madejowski, G.; Araszkiewicz, M.; Wiliński, M.; Kuć, M.; Gryziński, M.A. BNCT research facility at MARIA reactor-Numerical models and preliminary measurements. In Applied Radiation and Isotopes; Elsevier: Amsterdam, The Netherlands, 2020; Volume 166. [Google Scholar]
- Michaś, E.; Dorosz, M.; Wójciuk, K.; Tymińska, K.; Wiliński, M.; Maciak, M.; Domański, S.; Wojtania, G.; Bartosik, Ł.; Małkiewicz, A.; et al. Reactor Laboratory for Biomedical Research in National Centre for Nuclear Research in Poland. Pol. J. Med. Phys. Eng. 2021, 27, 119–122. [Google Scholar] [CrossRef]
- Ibarra, A.; Arbeiter, F.; Bernardi, D.; Cappelli, M.; Garcia, A.; Heidinger, R.; Krolas, W.; Fischer, U.; Martin-Fuertes, F.; Micciché, G.; et al. The IFMIF-DONES project: Preliminary engineering design. Nucl. Fusion 2018, 58, 105002. [Google Scholar] [CrossRef]
- Ibarra, A.; Arbeiter, F.; Bernardi, D.; Krolas, W.; Cappelli, M.; Fischer, U.; Heidinger, R.; Martin-Fuertes, F.; Micciché, G.; Muñoz, A.; et al. The European approach to the fusion-like neutron source: The IFMIF-DONES project. Nucl. Fusion 2019, 59, 065002. [Google Scholar] [CrossRef]
- Talarowska, A.; Lipka, M.; Wojtania, G. Preliminary computational study and experimental design studies of the ISHTAR thermostatic rig for the high-temperature reactors materials irradiation. Nukleonika 2021, 66, 127–132. [Google Scholar] [CrossRef]
- Available online: https://www.ncbj.gov.pl/en/aktualnosci/high-temperature-irradiation-rig-started-its-operation-maria-reactor-core (accessed on 25 October 2021).









| Parameter | Value |
|---|---|
| Maximum power | 1.8 MW per fuel element |
| Core | |
| - Thermal flux, in core | 2.5 × 1014 n/(cm2s) |
| - Thermal flux, in reflector | Up to 3 × 1013 n/(cm2s) |
| - Fast flux, irradiation position | Up to 1 × 1014 n/(cm2s) |
| - Neutron lifetime | 142–151 µs |
| - Light water moderation ratio | ~70% |
| - Beryllium moderation ratio | ~30% |
| Fuel channel cooling circuit | |
| - Inlet temperature/pressure | 50 °C/1.7 MPa |
| - Outlet temperature/pressure | 115 °C/1.1–1.3 MPa |
| - Flow rates | 25–30 m3/h per channel |
Publisher’s Note: MDPI stays neutral with regard to jurisdictional claims in published maps and institutional affiliations. |
© 2021 by the authors. Licensee MDPI, Basel, Switzerland. This article is an open access article distributed under the terms and conditions of the Creative Commons Attribution (CC BY) license (https://creativecommons.org/licenses/by/4.0/).
Share and Cite
Migdal, M.; Balcer, E.; Bartosik, Ł.; Bąk, Ł.; Celińska, A.; Cybowska, J.; Dobrzelewski, K.; Jaroszewicz, J.; Jezierski, K.; Knake, N.; et al. MARIA Reactor Irradiation Technology Capabilities towards Advanced Applications. Energies 2021, 14, 8153. https://doi.org/10.3390/en14238153
Migdal M, Balcer E, Bartosik Ł, Bąk Ł, Celińska A, Cybowska J, Dobrzelewski K, Jaroszewicz J, Jezierski K, Knake N, et al. MARIA Reactor Irradiation Technology Capabilities towards Advanced Applications. Energies. 2021; 14(23):8153. https://doi.org/10.3390/en14238153
Chicago/Turabian StyleMigdal, Marek, Emilia Balcer, Łukasz Bartosik, Łukasz Bąk, Agnieszka Celińska, Justyna Cybowska, Krzysztof Dobrzelewski, Janusz Jaroszewicz, Krzysztof Jezierski, Natalia Knake, and et al. 2021. "MARIA Reactor Irradiation Technology Capabilities towards Advanced Applications" Energies 14, no. 23: 8153. https://doi.org/10.3390/en14238153
APA StyleMigdal, M., Balcer, E., Bartosik, Ł., Bąk, Ł., Celińska, A., Cybowska, J., Dobrzelewski, K., Jaroszewicz, J., Jezierski, K., Knake, N., Kubiński, W., Lechniak, J., Lipka, M., Madejowski, G., Małkiewicz, A., Murawski, Ł., Owsianko, I., Piwowarski, B., Prokopowicz, R., ... Wójcik, M. (2021). MARIA Reactor Irradiation Technology Capabilities towards Advanced Applications. Energies, 14(23), 8153. https://doi.org/10.3390/en14238153

