Pitch Control of Three Bladed Large Wind Energy Converters—A Review
Abstract
:1. Introduction
2. Pitch Control for Speed and Power Regulation
2.1. Collective Pitch Control
2.2. Control Laws Applied to the CPC
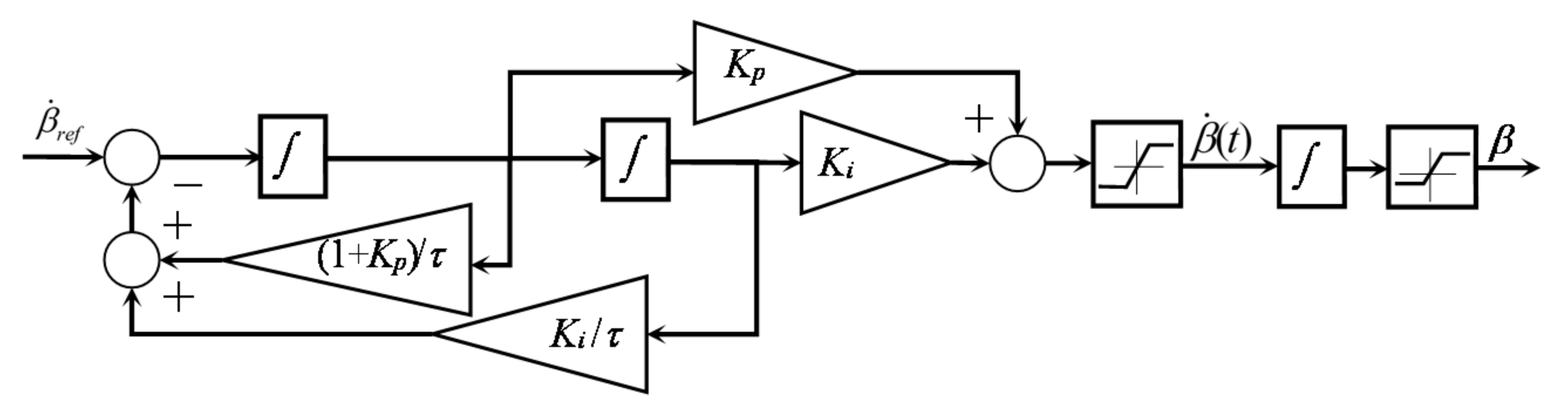
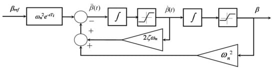
2.2.1. Standard PI/PID Controllers
2.2.2. Nonlinear PI/PID Controllers
2.2.3. Fractional Order PI/PID Controllers
2.2.4. Fractional Order Nonlinear PI/PID Controllers
2.2.5. Collective Pitch Fuzzy Control
2.3. Collective Pitch Neural Control
2.4. Adaption
2.5. Collective Pitch Control with Maximum Power Limitation
2.6. Improvement by Using Feed-Forward Control
2.7. Estimation of the Effectve Wind Speed
2.8. Advantage and Disadvantage of the Controllers
3. Control for Compensation of the Pitching Activity
3.1. Active Tower Damping Control
3.2. Active Blade Damping Control
4. Pitch Control for Load Reduction
4.1. Loads in Wind Turbines
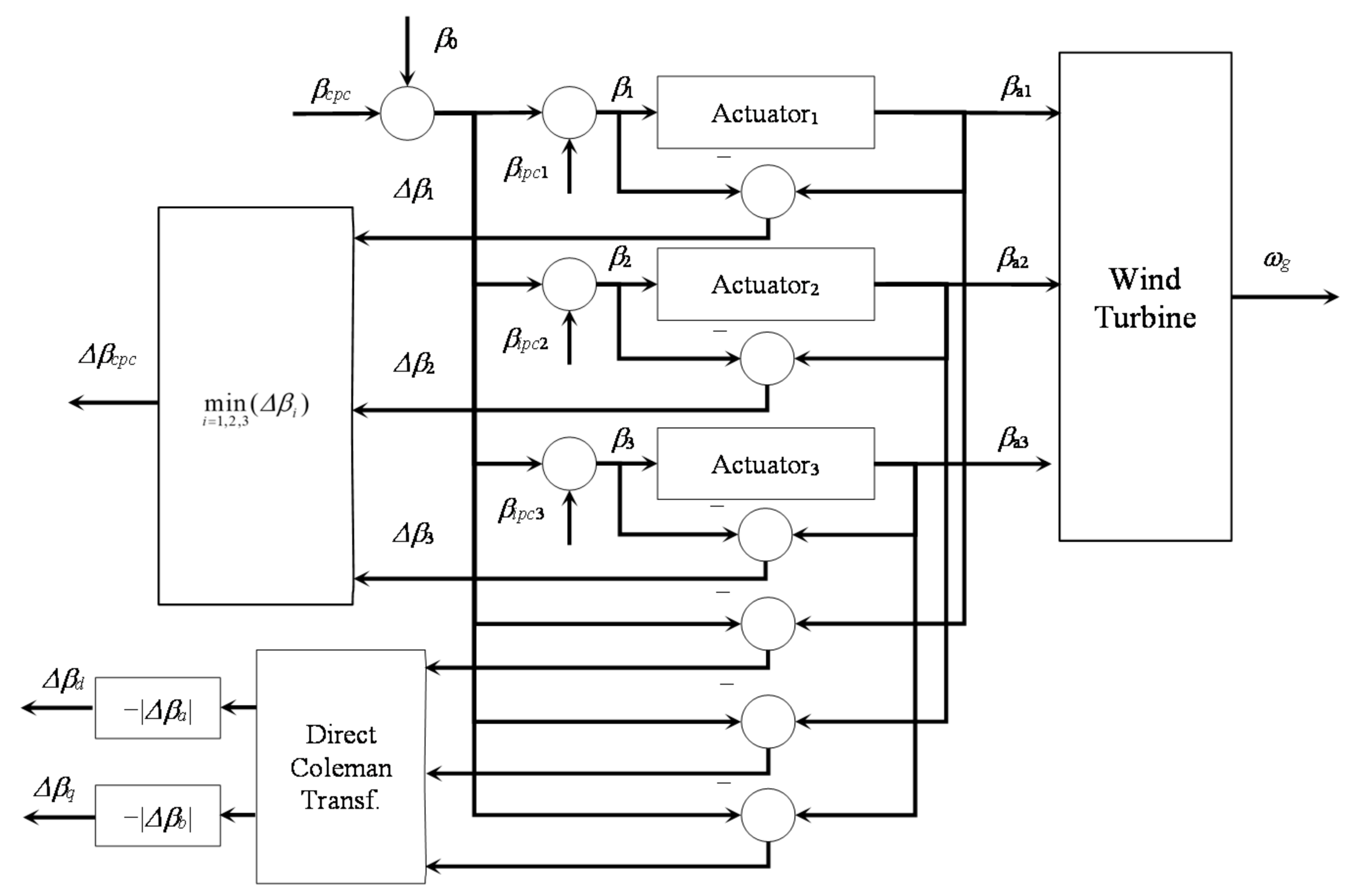
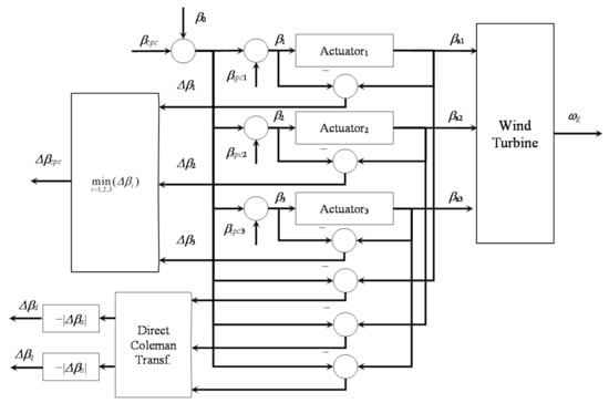
4.2. Indivitual Pitch Control Based on Transformation
4.3. Indivitual Pitch Control without Transformation
4.4. Control Laws Applied to the IPC
4.5. Analysis and Discusion of the Different Control Schemesfor IPC
5. Anti-Windup Techniques for Pitch Control
5.1. Classic Anti-Windup Techniques
5.2. Anti-Windup Techniques for Magnitude and Rate Limitations
5.3. Anti-Windup Technique for Fractional Order Controller
5.4. Anti-Windup Technique for the Collective Pitch Control
5.5. Anti-Windup Technique for the Individual Pitch Control
6. Parameter Tuning for the Pitch Control with Multi-SISO Controllers
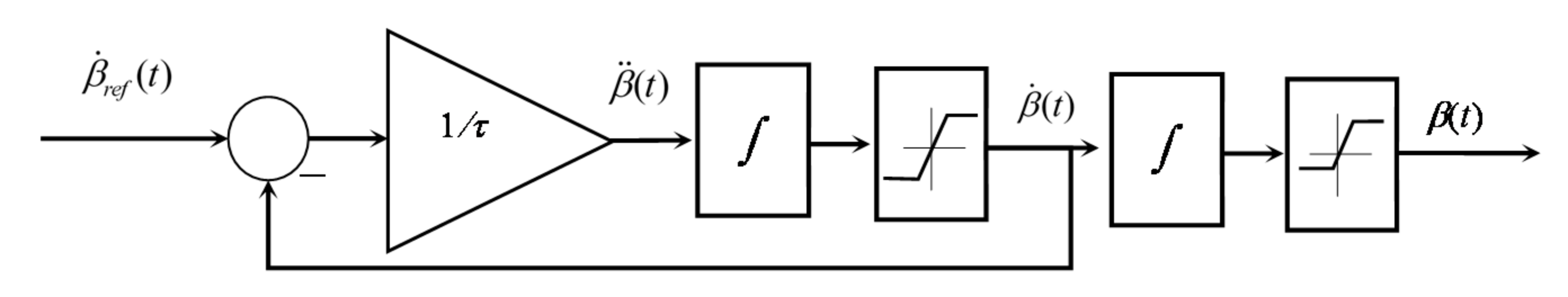
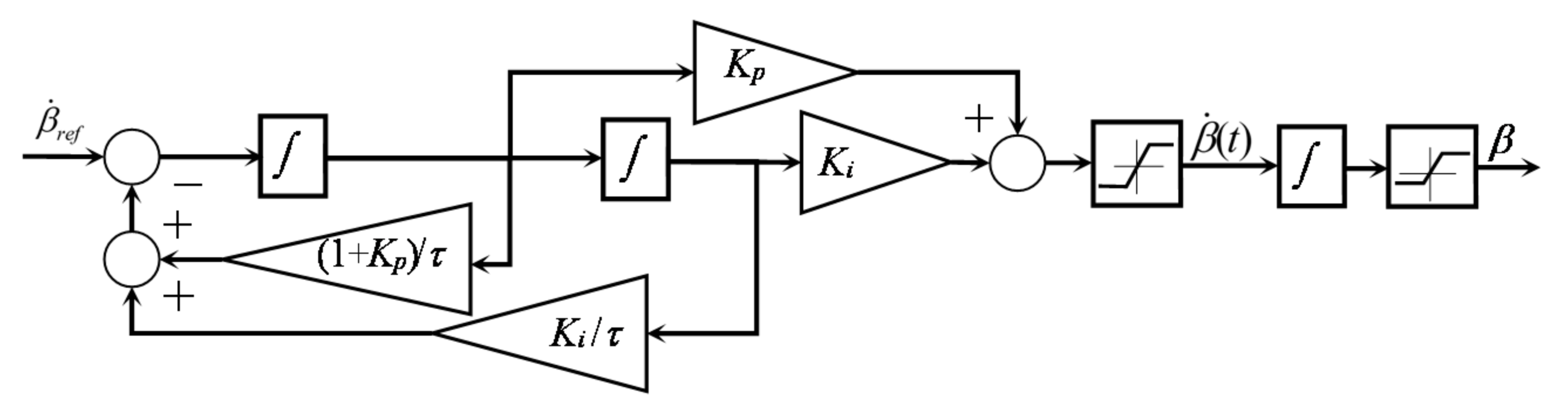
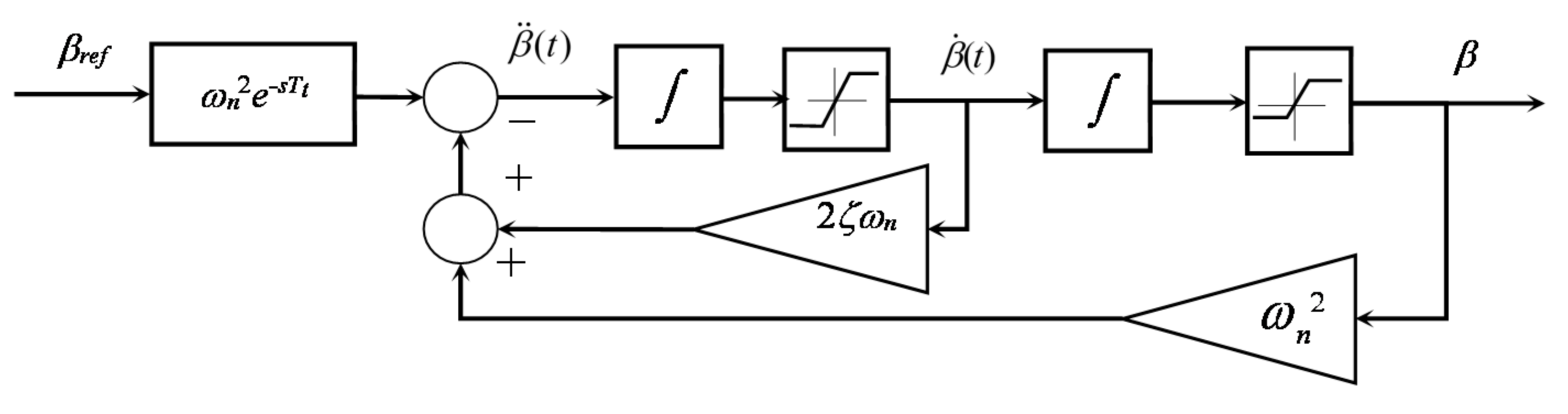
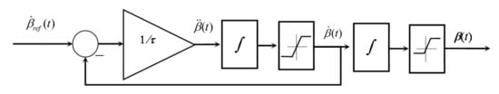
7. Low-Level Control of Pitch Actuators
7.1. Models of Pitch Actuators without Control
7.2. Models of Pitch Actuators with Control
7.3. Pitch Actuators with Fault-Tolerant Control
8. Conclusions
Funding
Conflicts of Interest
References
- McIver, A.; Holmes, D.G.; Freere, P. Optimal control of a variable speed wind turbine under dynamic wind conditions. In Proceedings of the 1996 IEEE Industry Applications Conference Thirty-First IAS Annual Meeting, San Diego, CA, USA, 6–10 October 1996; pp. 1692–1698. [Google Scholar]
- Zinger, D.S.; Muljadi, E.; Miller, A. A simple control scheme for variable speed wind turbines. In Proceedings of the 1996 IEEE Industry Applications Conference Thirty-First IAS Annual Meeting, San Diego, CA, USA, 6–10 October 1996; pp. 1613–1618. [Google Scholar]
- Leithead, W.E.; Connor, B. Control of variable speed wind turbines: Design task. Int. J. Control 2000, 73, 1189–1212. [Google Scholar] [CrossRef]
- Muljadi, E.; Butterfield, C.P. Pitch-controlled variable-speed wind turbine generation. IEEE Trans. Ind. Appl. 2001, 37, 240–246. [Google Scholar] [CrossRef] [Green Version]
- Ackermann, T.; Söder, L. An overview of wind energy-status 2002. Renew. Sustain. Energy Rev. 2002, 6, 67–128. [Google Scholar] [CrossRef]
- Sahin, D.A. Progress and recent trends in wind energy. Prog. Energy Combust. Sci. 2004, 30, 501–543. [Google Scholar] [CrossRef]
- McMillan, G.K. Industrial Applications of PID Control. In PID Control in the Third Millennium; Vilanova, R., Visioli, A., Eds.; Springer: London, UK, 2012; pp. 415–461. [Google Scholar]
- Blevins, T.L. PID advances in industrial control. IFAC Proc. Vol. 2012, 45, 23–28. [Google Scholar] [CrossRef] [Green Version]
- Liu, G.P.; Daley, S. Optimal-tuning PID control for industrial systems. Control. Eng. Pract. 2001, 9, 1185–1194. [Google Scholar] [CrossRef]
- Åström, K.J.; Hagglund, T. Advanced PID Control; ISA—The Instrumentation, Systems and Automation Society: Research Triangle Park, NC, USA, 2005. [Google Scholar]
- Johnson, M.A.; Moradi, M.H. PID Control—New Identification and Design Methods; Springer: London, UK, 2005. [Google Scholar]
- Visioli, A. Practical PID Control; Springer: London, UK, 2006. [Google Scholar]
- Kos, J.M. On line control of a large horizontal axis energy conversion system and its performance in a turbulent wind environment. In Proceedings of the 13th Intersociety Energy Conversion Engineering Conference, San Diego, CA, USA, 20–25 August 1978; pp. 2064–2073. [Google Scholar]
- Wasynczuk, O.; Man, D.T.; Sullivan, J.P. Dynamic behavior of a class of wind turbine generators during random wind fluctuations. IEEE Trans. Power Appar. Syst. 1981, PAS-100, 2837–2845. [Google Scholar] [CrossRef]
- Shahruz, S.M.; Schwartz, A.L. Design of optimal nonlinear PI compensators. In Proceedings of the IEEE Conference on Decision and Control, San Antonio, CA, USA, 15–17 December 1993; pp. 3564–3565. [Google Scholar]
- Xu, Y.; Hollerbach, J.M.; Ma, D. A nonlinear PD controller for force and contact transient control. IEEE Control. Syst. Mag. 1995, 15, 15–21. [Google Scholar]
- Isayed, B.M.; Hawwa, M.A. A nonlinear PID control scheme for hard disk drive servosystems. In Proceedings of the 15th Mediterranean Conference on Control and Automation, Athens, Greece, 27–29 June 2007; pp. 1–6. [Google Scholar]
- Gambier, A.; Nazaruddin, Y. Collective pitch control with active tower damping of a wind turbine by using a nonlinear PID approach. IFAC–PaperOnline 2018, 51, 238–243. [Google Scholar] [CrossRef]
- Gambier, A.; Nazaruddin, Y. Nonlinear PID control for pitch systems of large wind energy converters. In Proceedings of the 2018 IEEE Conference on Control Technology and Applications, Copenhagen, Denmark, 21–24 August 2018; pp. 996–1001. [Google Scholar]
- Podlubny, I. Fractional-order systems and piλdμ-controllers. IEEE Trans. Autom. Control. 1999, 44, 208–214. [Google Scholar] [CrossRef]
- Ranganayakulu, R.; Uday Bhaskar Babu, G.; Seshagiri Rao, A.; Shikchand Patle, D. A comparative study of fractional order PIλ/PIλDμ tuning rules for stable first order plus time delay processes. Resour. Effic. Technol. 2016, 2, 136–152. [Google Scholar] [CrossRef]
- Chevalier, A.; Francis, C.; Copot, C.; Ionescu, C.; de Keyser, R. Fractional-order PID design: Towards transition from state-of- art to state-of-use. ISA Trans. 2019, 84, 178–186. [Google Scholar] [CrossRef] [PubMed]
- Efe, M.O. Fractional order systems in industrial automation—A survey. IEEE Trans. Ind. Inf. 2011, 7, 582–591. [Google Scholar] [CrossRef]
- Monje, C.A.; Vinagre, B.M.; Feliu, V.; Chen, Y.Q. Tuning and autotuning of fractional order controllers for industry applications. Control. Eng. Pract. 2008, 16, 798–812. [Google Scholar] [CrossRef] [Green Version]
- Padula, F.; Visioli, A.; Pagnoni, M. On the anti-windup schemes for fractional-order PID controllers. In Proceedings of the 2012 IEEE 17th International Conference on Emerging Technologies & Factory Automation, Krakow, Poland, 17–21 September 2012; pp. 1–4. [Google Scholar]
- Rosas-Jaimes, O.A.; Munoz-Hernandez, G.A.; Mino-Aguilar, G.; Castaneda-Camacho, J.; Gracios-Marin, C.A. Evaluating fractional PID control in a nonlinear MIMO model of a hydroelectric power station. Hindawi-Wiley 2019, 2019, 9367291. [Google Scholar] [CrossRef]
- El-Khazali, R. Fractional-order PIλDμ controller design. Comput. Math. Appl. 2013, 66, 639–646. [Google Scholar] [CrossRef]
- Oustaloup, A.; Sabatier, J.; Lanusse, P.; Malti, R.; Melchior, P.; Moreau, X.; Moze, M. An overview of the CRONE approach in system analysis, modeling and identification, observation and control. IFAC Proc. Vol. 2008, 41, 10–13. [Google Scholar] [CrossRef] [Green Version]
- Carlson, G.E.; Halijak, C.A. Approximation of fractional capacitors (1/s)1/n by a regular Newton process. IEEE Trans. Circuit Theory 1964, 7, 210–213. [Google Scholar] [CrossRef]
- Vinagre, B.M.; Podlubny, I.; Hernandez, A.; Feliu, V. Some approximations of fractional order operators used in control theory and applications. Fract. Calc. Appl. Anal. 2000, 3, 231–248. [Google Scholar]
- Wang, X.; Gambier, A.; Vinagre, B. Fractional Order PID Control with Rate-limited Anti-windup for the Pitch System of Wind Turbines. In Proceedings of the 2020 IEEE Conference on Control Technology and Applications, Montreal, QC, Canada, 24–26 August 2020; pp. 933–938. [Google Scholar]
- Wang, X.; Gambier, A. Individual pitch control of a large wind turbine using a fractional order nonlinear PI approach with anti-windup strategy. In Proceedings of the 2021 IEEE Conference on Control Technology and Applications, San Diego, CA, USA, 8–11 August 2021; pp. 289–294. [Google Scholar]
- Shaw, I.S. Fuzzy Control of Industrial Systems: Theory and Application; Springer Science+Business Media, LLC: New York, NY, USA, 1998. [Google Scholar]
- Jantzen, J. Foundations of Fuzzy Control, 2nd ed.; John Wiley & Sons: Chichester, UK, 2013. [Google Scholar]
- Hooda, D.S.; Raich, V. Fuzzy Logic Models: An Introduction; Alpha Science International: Oxford, UK, 2017. [Google Scholar]
- Hanss, M. Applied Fuzzy Arithmetic; Springer: Berlin, Germany, 2005. [Google Scholar]
- Pedrycz, W.; Gomide, F. Fuzzy Systems Engineering; John Wiley & Sons: Hoboken, NY, USA, 2007. [Google Scholar]
- Ross, T.J. Fuzzy Logic with Engineering Applications, 3rd ed.; John Wiley & Sons: Chichester, UK, 2010. [Google Scholar]
- Sahoo, S.; Subudhi, B.; Panda, G. Torque and pitch angle control of a wind turbine using multiple adaptive neuro-fuzzy control. Wind. Eng. 2020, 44, 125–141. [Google Scholar] [CrossRef]
- Sierra-Garcia, J.E.; Santos, M. Deep learning and fuzzy logic to implement a hybrid wind turbine pitch control. Neural Comput. Appl. 2021, 1–15. [Google Scholar] [CrossRef]
- Zhang, X.; Wang, W.; Liu, Y. Fuzzy control of variable speed wind turbine. In Proceedings of the 6th World Congress on Intelligent Control and Automation, Dalian, China, 21–23 June 2006; pp. 3872–3876. [Google Scholar]
- Gong, X.; Li, W. Wind turbine fuzzy logic individual pitch control based on chaotic optimization. Earth Environ. Sci. 2018, 146, 012063. [Google Scholar] [CrossRef] [Green Version]
- Guo, R.; Du, J.; Wu, J.; Liu, Y. The pitch control algorithm of wind turbine based on fuzzy control and PID control. Energy Power Eng. 2013, 5, 6–10. [Google Scholar] [CrossRef]
- Viveiros, C.; Melício, R.; Igreja, J.M.; Mendesb, V.M.F. Supervisory control of a variable speed wind turbine with doubly fed. Energy Rep. 2015, 1, 89–95. [Google Scholar] [CrossRef] [Green Version]
- Pham, D.T.; Liu, X. Neural Networks for Identification, Prediction and Control; Springer: London, UK, 1995. [Google Scholar]
- Schiff, S.J. Neural Control Engineering; MIT Press: Cambridge, MA, USA, 2012. [Google Scholar]
- Liu, J. Radial Basis Function (RBF) Neural Network Control for Mechanical Systems; Springer: Berlin/Heidelberg, Germany, 2013. [Google Scholar]
- Aggarwal, C.C. Neural Networks and Deep Learning: A Textbook; Springer: Cham, Switzerland, 2018. [Google Scholar]
- Poultangari, I.; Shahnazi, R.; Sheikhan, M. RBF neural network based PI pitch controller for a class of 5-MW wind turbines using particle swarm optimization algorithm. ISA Trans. 2012, 51, 641–648. [Google Scholar] [CrossRef] [PubMed]
- Yao, X.; Su, X.; Tian, L. Pitch angle control of variable pitch wind turbines based on neural network PID. In Proceedings of the 4th IEEE Conference on Industrial Electronics and Applications, Xi’an, China, 25–27 May 2009; pp. 3235–3239. [Google Scholar]
- Asgharnia, A.H.; Jamali, A.; Shahnazi, R.; Maheri, A. Load mitigation of a class of 5-MW wind turbine with RBF neural network based fractional-order PID controller. ISA Trans. 2020, 96, 272–286. [Google Scholar] [CrossRef]
- El-Mjabber, E.-K.; El Hajjaji, A.; Khamlichi, A. Analysis of a RBF neural network based controller for pitch angle of variable speed wind turbines. Procedia Eng. 2017, 181, 552–559. [Google Scholar] [CrossRef]
- Jafarnejadsani, H.; Pieper, J.; Ehlers, J. Adaptive control of a variable-speed variable-pitch wind turbine using radial-basis function neural network. IEEE Trans. Control. Syst. Technol. 2013, 21, 2264–2272. [Google Scholar] [CrossRef]
- Kang, M.-J.; Kim, H.-C. Neural Network Based Pitch Controller. In Proceedings of the World Congress on Electrical Engineering and Computer Systems and Science, Barcelona, Spain, 13 July 2015; pp. 140–146. [Google Scholar]
- Yilmaz, A.S.; Özer, Z. Pitch angle control in wind turbines above the rated wind speed by multi-layer perceptron and radial basis function neural networks. Expert Syst. Appl. 2009, 36, 9767–9775. [Google Scholar] [CrossRef]
- Ro, K.; Choi, H.-h. Application of neural network controller for maximum power extraction of a grid-connected wind turbine system. Electr. Eng. 2005, 88, 45–53. [Google Scholar] [CrossRef]
- Du, J.; Wang, B. Pitch control of wind turbines based on BP neural network. J. Phys. Conf. Ser. 2020, 1678, 012060. [Google Scholar] [CrossRef]
- Jie, W.; Jingchun, C.; Lin, Y.; Wenliang, W.; Jian, D. Pitch control of wind turbine based on deep neural network. IOP J. Conf. Ser. 2020, 619, 012034. [Google Scholar] [CrossRef]
- Åström, K.J.; Wittenmark, B. Adaptive Control, 2nd ed.; Dover Publications: New York, NY, USA, 2008. [Google Scholar]
- Chalam, V.V. Adaptive Control Systems: Techniques and Applications; Marcel Dekker: New York, NY, USA, 1987. [Google Scholar]
- Tao, G. Adaptive Control Design and Analysis; John Wiley & Sons: Hoboken, NY, USA, 2003. [Google Scholar]
- Liberzon, D. Switching in Systems and Control; Birkhäuser: Boston, MA, USA, 2003. [Google Scholar]
- Hanus, R. A new technique for preventing control windup. J. A 1980, 21, 15–20. [Google Scholar]
- Leithead, W.E.; Leith, D.J.; Hardan, F.; Markou, H. Global gain-scheduling control for variable speed wind turbines. In Proceedings of the European Wind Energy Conference, Nice, France, 1–5 March 1999; pp. 853–856. [Google Scholar]
- Tibaldi, C.; Hansen, M.H.; Henriksen, L.C.; Bak, C. Effects of gain-scheduling methods in a classical wind turbine controller on wind turbine aero-servo-elastic modes and loads. In Proceedings of the 32nd ASME Wind Energy Symposium, National Harbor, MD, USA, 13–17 January 2014; pp. 1–12. [Google Scholar]
- Hansen, M.H.; Hansen, A.; Larsen, T.J.; Øye, S.; Sørensen, P.; Fuglsang, P. Control Design for a Pitch-Regulated, Variable Speed Wind Turbine; Technical Report; Risø National Laboratory: Roskilde, Denmark, 2005. [Google Scholar]
- Díaz de Corcuera, A.; Pujana-Arrese, A.; Ezquerra, J.M.; Milo, A.; Landaluze, J. Linear models-based LPV modelling and control for wind turbines. Wind. Energy 2015, 18, 1151–1168. [Google Scholar] [CrossRef]
- Shan, W.W. Gain Scheduling Pitch Control for Fatigue Load Reduction for Wind Turbines; Fraunhofer Verlag: Stuttgart, Germany, 2016. [Google Scholar]
- Perdana, A. Dynamic Models of Wind Turbines. Ph.D. Thesis, Chalmers University of Technology, Göteborg, Sweden, 2008. [Google Scholar]
- Shahidehpour, M.; Eremia, M. Wind power generation. In Handbook of Electrical Power System Dynamics: Modeling, Stability, and Control; John Wiley & Sons: Hoboken, NY, USA, 2013; pp. 179–228. [Google Scholar]
- Goodwin, G.C.; Graebe, S.F.; Salgado, M.E. Control System Design; Prentice Hall: Upper Saddle River, NY, USA, 2001. [Google Scholar]
- Scholbrock, A.; Fleming, P.; Fingersh, L.; Wright, A.; Schlipf, D.; Haizmann, F.; Belen, F. Field testing LIDAR based feed-forward controls on the NREL controls advanced research turbine. In Proceedings of the 51st AIAA Aerospace Sciences Meeting Including the New Horizons Forum and Aerospace Exposition, Dallas, TX, USA, 7–10 January 2013; pp. 1–8. [Google Scholar]
- Park, H.-S.; Chang, P.H.; Lee, D.Y. Continuous zero phase error tracking controller with gain error compensation. In Proceedings of the American Control Conference, San Diego, CA, USA, 2–4 June 1999; pp. 3554–3558. [Google Scholar]
- Nam, Y.; Kimt, J.; Paek, l.; Moon, Y.-H.; Kim, S.-J.; Kim, D.-J. Feedforward pitch control using wind speed estimation. J. Power Electron. 2011, 11, 211–217. [Google Scholar] [CrossRef]
- Jiao, X.; Yang, Q.; Zhu, C.; Fu, L.; Chen, Q. Effective wind speed estimation and prediction based feedforward feedback pitch control for wind turbines. In Proceedings of the 12th Asian Control Conference (ASCC), Kitakyusyu, Japan, 9–12 June 2019; pp. 799–804. [Google Scholar]
- Taruffi, F.; Fontanella, A.; Muggiasca, S.; Di Carlo, S.; Belloli, M. Numerical design of a wind observer and feedforward control of wind turbines. J. Phys. Conf. Ser. 2020, 1452, 012003. [Google Scholar] [CrossRef] [Green Version]
- Ungurán, R.; Petrovic, V.; Boersma, S.; van Wingerden, J.-W.; Pao, L.Y.; Kühn, M. Feedback-feedforward individual pitch control design for wind turbines with uncertain measurements. In Proceedings of the 2019 American Control Conference, Philadelphia, PA, USA, 10–12 July 2019; pp. 4151–4158. [Google Scholar]
- Van der Hooft, E.L.; Engelen, T.G. Estimated wind speed feed forward control for wind turbine operation optimisation. In Proceedings of the European Wind Energy Conference and Exhibition, London, UK, 22–25 November 2004; pp. 1–9. [Google Scholar]
- Jena, D.; Rajendran, S. A review of estimation of effective wind speed based control of wind turbines. Renew. Sustain. Energy Rev. 2015, 43, 1046–1062. [Google Scholar] [CrossRef]
- Østergaard, K.Z.; Brath, P.; Stoustrup, J. Estimation of effective wind speed. J. Phys. Conf. Ser. 2007, 75, 012082. [Google Scholar] [CrossRef] [Green Version]
- Najafi Khoshrodi, M.; Jannati, M.; Sutikno, T. A review of wind speed estimation for wind turbine systems based on Kalman filter technique. Int. J. Electr. Comput. Eng. 2016, 6, 1406–1411. [Google Scholar]
- Odgaard, P.F.; Damgaard, C.; Nielsen, R. Unknown input observer based estimation of wind speed for wind turbines control. In Proceedings of the 18th IFAC World Congress, Milan, Italy, 28 August–2 September 2011; pp. 1698–1703. [Google Scholar]
- Ortega, R.; Mancilla-David, F.; Jaramillo, F. A globally convergent wind speed estimator for wind turbine systems. Int. J. Adapt. Control. Signal Process. 2013, 27, 413–425. [Google Scholar] [CrossRef]
- Wrigth, A.D. Modern Control Design for Flexible Wind Turbines; National Renewable Energy Laboratory: Golden, CO, USA, 2004. [Google Scholar]
- Xu, Z.; Hu, Q.; Ehsani, M. Estimation of effective wind speed for fixed-speed wind turbines based on frequency domain data fusion. IEEE Trans. Sustain. Energy 2012, 3, 57–64. [Google Scholar] [CrossRef]
- Barambones, O.; Gonzalez de Durana, J.M.; Kremers, E. A Neural Network Based Wind Speed Estimator for a Wind Turbine Control. In Proceedings of the 15th IEEE Mediterranean Electrotechnical Conference, Valletta, Malta, 26–28 April 2010; 2010. [Google Scholar]
- Jaramillo-Lopez, F.; Kenné, G.; Lamnabhi-Lagarrigue, F. A novel online training neural network-based algorithm for wind speed estimation and adaptive control of PMSG wind turbine system for maximum power extraction. Renew. Energy 2016, 86, 38–48. [Google Scholar] [CrossRef]
- Sardar Maran, P.; Ponnusamy, R. Neural network based wind speed estimation and wind energy prediction. Eur. J. Sci. Res. 2013, 95, 324–331. [Google Scholar]
- Isermann, R. Digital Control Systems, 2nd ed.; Springer: Berlin, Germany, 1989. [Google Scholar]
- Nguyen, N.T. Model-Reference Adaptive Control; Springer: Cham, Switzerland, 2018. [Google Scholar]
- Bossanyi, E.A. Wind turbine control for load reduction. Wind Energy 2003, 6, 229–244. [Google Scholar] [CrossRef]
- Murtagh, P.J.; Basu, B.; Broderick, B.M. Along-wind response of a wind turbine tower with blade coupling. Eng. Struct. 2005, 27, 1209–1219. [Google Scholar] [CrossRef]
- Arrigan, J.; Huang, C.; Staino, A.; Basu, B.; Nagarajaiah, S. A frequency tracking semi-active algorithm for control of edgewise vibrations in wind turbine blades. Smart Struct. Syst. 2014, 13, 177–201. [Google Scholar] [CrossRef]
- Fitzgerald, B.; Basu, B. Vibration control of wind turbines: Recent advances and emerging trends. Int. J. Sustain. Mater. Struct. Syst. 2020, 4, 347–372. [Google Scholar] [CrossRef]
- Rezaee, M.; Aly, M.A. Vibration control in wind turbines to achieve desired system-level performance under single and multiple hazard loadings. Struct. Control. Health Monit. 2018, 25, e2261. [Google Scholar] [CrossRef]
- Xie, F.; Aly, A.-M. Structural control and vibration issues in wind turbines: A review. Eng. Struct. 2020, 210, 110087. [Google Scholar] [CrossRef]
- Zhao, X.; Weiss, G. Suppression of the vibrations of wind turbine towers. IMA J. Math. Control. Inf. 2011, 28, 377–389. [Google Scholar] [CrossRef]
- Zuo, H.; Bi, K.; Hao, H. A state-of-the-art review on the vibration mitigation of wind turbines. Renew. Sustain. Energy Rev. 2020, 121, 109710. [Google Scholar] [CrossRef]
- Han, Q.; Wei, J.; Han, Q.; Zhang, H. Dynamics and Vibration Analyses of Gearbox in Wind Turbine; Springer Nature: Singapore, 2017. [Google Scholar]
- Barszcz, T. Vibration-Based Condition Monitoring of Wind Turbines, 1st ed.; Springer Nature: Cham, Switzerland, 2019. [Google Scholar]
- Takegaki, M.; Arimoto, S. A new feedback method for dynamic control of manipulators. J. Dyn. Syst. Meas. Control. 1981, 103, 119–125. [Google Scholar] [CrossRef]
- Stramigioli, S. Creating artificial damping by means of damping injection. In Proceedings of the 1996 ASME International Mechanical Engineering Congress and Exposition, Atlanta, GA, USA, 17–22 November 1996; pp. 601–606. [Google Scholar]
- Ortega, R.; Spong, M.W. Adaptive motion control of rigid robots: A tutorial. Automatica 1989, 25, 877–888. [Google Scholar] [CrossRef]
- Shan, M. Load Reducing Control for Wind Turbines; Fraunhofer Verlag: Stuttgart, Germany, 2017. [Google Scholar]
- Gambier, A. Simultaneous design of pitch control and active tower damping of a wind turbine by using multi-objective optimization. In Proceedings of the 1st IEEE Conference on Control Technology and Applications, Kohala Coast, Australia, 27–30 December 2017; pp. 1679–1684. [Google Scholar]
- Miettinen, K.M. Nonlinear Multiobjective Optimization, 4th ed.; Kluwer Academic Publishers: New York, NY, USA, 2004. [Google Scholar]
- De Weck, O.L. Multiobjective optimization: History and promise. In Proceedings of the 3rd China-Japan-Korea Joint Symposium on Optimization of Structural and Mechanical Systems, Kanazawa, Japan, 30 October–2 November 2004; pp. 1–14. [Google Scholar]
- Andersson, J. A Survey of Multiobjective Optimization in Engineering Design; Linköping University: Linköping, Sweden, 2000. [Google Scholar]
- Marler, R.T.; Arora, J.S. Survey of multi-objective optimization methods for engineering. Struct. Multidiscip. Optim. 2004, 26, 369–395. [Google Scholar] [CrossRef]
- Gambier, A. Evolutionary multiobjective optimization with fractional order integral objectives for the pitch control system design of wind turbines. IFAC-PaperOnLine 2019, 52, 274–279. [Google Scholar] [CrossRef]
- Hansen, M.H. Aeroelastic instability problems for wind turbines. Wind Energy 2007, 10, 551–577. [Google Scholar] [CrossRef]
- Gambier, A. Dynamic modelling of the rotating subsystem of a wind turbine for control design purposes. IFAC-PapersOnLine 2017, 50, 9896–9901. [Google Scholar] [CrossRef]
- Manwell, J.; McGowan, J.; Rogers, A. Wind Energy Explained: Theory, Design, and Application; John Wiley & Sons: Chichester, UK, 2009. [Google Scholar]
- Barlas, T.K.; van Kuik, G.A.M. Review of state of the art in smart rotor control research for wind turbines. Prog. Aerosp. Sci. 2009, 46, 1–27. [Google Scholar] [CrossRef]
- Han, Y.; Leithead, W.E. Combined wind turbine fatigue and ultimate load reduction by individual blade control. J. Phys. Conf. Ser. 2014, 524, 012062. [Google Scholar] [CrossRef] [Green Version]
- Bossanyi, E.A. Individual blade pitch control for load reduction. Wind Energy 2003, 6, 119–128. [Google Scholar] [CrossRef]
- Caselitz, P.; Kleinkauf, W.; Krüger, T.; Petschenka, J.; Reichardt, M.; Störzel, K. Reduction of fatigue loads on wind energy converters by advanced control methods. In Proceedings of the European Wind Energy Conference, Dublin, Ireland, 8 October 1997; pp. 555–558. [Google Scholar]
- Zhang, Y.; Chen, Z.; Cheng, M. Proportional resonant individual pitch control for mitigation of wind turbines loads. IET Renew. Power Gener. 2013, 7, 191–200. [Google Scholar] [CrossRef]
- Stol, K.A.; Moll, H.-G.; Bir, G.; Namik, H. A comparison of multi-blade coordinate transformation and direct periodic techniques for wind turbine control design. In Proceedings of the 47th AIAA Aerospace Sciences Meeting, Orlando, FL, USA, 5–8 January 2009; pp. 1–10. [Google Scholar]
- Selvam, K.; Kanev, S.; van Wingerden, J.W.; van Engelen, T.; Verhaegen, M. Feedback–feedforward individual pitch control for wind turbine load reduction. Int. J. Robust Nonlinear Control. 2009, 19, 72–91. [Google Scholar] [CrossRef] [Green Version]
- Leithead, W.E.; Neilson, V.; Dominguez, S. Alleviation of unbalanced rotor loads by single blade controllers. In Proceedings of the Wind Energy Conference and Exhibition (EWEC), Marseille, France, 16–19 March 2009; pp. 1–9. [Google Scholar]
- Pettas, V.; Salari, M.; Schlipf, D.; Cheng, P.W. Investigation on the potential of individual blade control for lifetime extension. J. Phys. Conf. Ser. 2018, 1037, 032006. [Google Scholar] [CrossRef] [Green Version]
- Lio, W.H.; Jones, B.L.; Lu, Q.; Rossiter, J.A. Fundamental performance similarities between individual pitch control strategies for wind turbines. Int. J. Control 2017, 90, 37–52. [Google Scholar] [CrossRef] [Green Version]
- Liu, H.; Huo, F.; Xiao, S.; Zhang, X.; Zhu, S.; Ji, G.; Dai, H.; Feng, J. Individual pitch control of wind turbine based on RBF neural network. In Proceedings of the 35th Chinese Control Conference, Chengdu, China, 27–29 July 2016; pp. 5769–5773. [Google Scholar]
- Teodorescu, R.; Blaabjerg, F.; Liserre, M.; Loh, P.C. Proportional-resonant controllers and filters for grid-connected voltage- source converters. IEE Proc. Electron. Power Appl. 2006, 156, 750–762. [Google Scholar] [CrossRef] [Green Version]
- Rundqwist, L. Anti-Reset Windup for PID Controllers; Technical Report; Lund Institute of Technology: Lund, Sweden, 1991. [Google Scholar]
- Bohn, C.; Atherton, D.P. An analysis package comparing PID anti-windup strategies. IEEE Control. Syst. Mag. 1995, 15, 34–40. [Google Scholar]
- Visioli, A. Modified anti-windup scheme for PID controllers. IEE Proc. 2003, 150, 49–54. [Google Scholar] [CrossRef]
- Fertik, H.A.; Ross, C.W. Direct digital control algorithm with anti-windup feature. ISA Trans. 1967, 6, 317–328. [Google Scholar]
- Van Doren, V. Fixing PID, Part 3. Control. Eng. 2015, 25, 1–10. [Google Scholar]
- Kanev, K.; van Engelen, T. Exploring the limits in individual pitch control. In Proceedings of the European Wind Energy Conference, Marseille, France, 16–19 March 2009; pp. 1–12. [Google Scholar]
- Ungurán, R. Lidar-Assisted Feedback-Feedforward Individual Pitch and Trailing Edge Flaps Control of Variable-Speed Wind Turbines. Ph.D. Thesis, Carl von Ossietzky Universität Oldenburg, Oldenburg, Germany, 2019. [Google Scholar]
- Gambier, A.; Wellenreuther, A.; Badreddin, E. Optimal control of a reverse osmosis desalination plant using multi-objective optimization. In Proceedings of the 46th IEEE Conference on Decision and Control, New Orleans, LA, USA, 12–14 December 2007; pp. 1814–1819. [Google Scholar]
- Haurie, A. A historical perspective on cooperative differential games. In Advances in Dynamic Games and Applications; Birkhauser: Boston, MA, USA, 2001; pp. 19–29. [Google Scholar]
- Petrosjan, L.A. Cooperative differential games. In Advances in Dynamic Games; Birkhäuser: Boston, MA, USA, 2005; pp. 183–200. [Google Scholar]
- Schmitendorf, W.E. Cooperative games and vector-valued criteria problems. In Proceedings of the IEEE Conference on Decision and Control, New Orleans, LA, USA, 13–15 December 1972; pp. 340–344. [Google Scholar]
- Pareto, V. Manuale di Economia Politica; Societa Editrice Libraria: Milan, Italy, 1906. [Google Scholar]
- Das, I.; Dennis, J.E. Normal-Boundary Intersection: A new method for generating the Pareto surface in nonlinear multicriteria optimization problems. SIAM J. Optim. 1998, 8, 631–657. [Google Scholar] [CrossRef] [Green Version]
- Deb, K.; Pratap, A.; Agarwal, S.; Meyarivan, T. A fast and elitist multiobjective genetic algorithm: NSGA-II. IEEE Trans. Evol. Comput. 2002, 6, 182–197. [Google Scholar] [CrossRef] [Green Version]
- Coello, C.C.; Lechuga, M.S. MOPSO: A proposal for multiple objective particle swarm optimization. In Proceedings of the 2002 Congress on the Evolutionary Computation, Honolulu, HI, USA, 12–17 May 2002; 2002; pp. 1051–1056. [Google Scholar]
- Zitzler, E.; Laumanns, M.; Thiele, L. SPEA2: Improving the Strength Pareto Evolutionary Algorithm; Swiss Federal Institute of Technology (ETH): Zurich, Switzerland, 2001. [Google Scholar]
- Motta, R.S.; Afonso, S.M.; Lyra, P.R. A modified NBI and NC method for the solution of N-multiobjective optimization problems. Struct. Multidiscip. Optim. 2012, 46, 239–259. [Google Scholar] [CrossRef]
- Erfani, T.; Utyuzhnikov, S.V. Directed Search Domain: A Method for even generation of Pareto frontier in multiobjective optimization. J. Eng. Optim. 2010, 43, 1–17. [Google Scholar] [CrossRef]
- Angus, D.; Woodward, C. Multiple objective ant colony optimisation. Swarm Intell. 2009, 3, 69–85. [Google Scholar] [CrossRef]
- Akbari, R.; Hedayatzadeh, R.; Ziarati, K.; Hassanizadeh, B. A multi-objective artificial bee colony algorithm. Swarm Evol. Comput. 2012, 2, 39–52. [Google Scholar] [CrossRef]
- Yang, X.S. Bat algorithm for multi-objective optimisation. Int. J. Bio-Inspired Comput. 2011, 3, 267–274. [Google Scholar] [CrossRef]
- Deb, K.; Jain, H. An evolutionary many-objective optimization algorithm using reference-point-based nondominated sorting approach, Part I: Solving problems with Box constraints. IEEE Trans. Evol. Comput. 2014, 18, 577–601. [Google Scholar] [CrossRef]
- Mirjalili, S.; Saremi, S.; Mirjalili, S.M.; Coelho, L.D.S. Multi-objective grey wolf optimizer: A novel algorithm for multicriterion optimization. Expert Syst. Appl. 2016, 47, 106–119. [Google Scholar] [CrossRef]
- Mirjalili, S.; Jangir, P.; Mirjalili, S.Z.; Saremi, S.; Trivedi, I.N. Optimization of problems with multiple objectives using the multi- verse optimization algorithm. Knowl.-Based Syst. 2017, 134, 50–71. [Google Scholar] [CrossRef] [Green Version]
- Mirjalili, S.; Jangir, P.; Saremi, S. Multi-objective ant lion optimizer: A multi-objective optimization algorithm for solving engineering problems. Appl. Intell. 2017, 46, 79–95. [Google Scholar] [CrossRef]
- Behera, A.; Gambier, A. Multi-objective optimal tuning of the multi-loop pitch control systems of a wind turbine. In Proceedings of the 2018 American Control Conference, Milwaukee, WI, USA, 27–29 June 2018; pp. 3068–3073. [Google Scholar]
- Gambier, A. Multiobjective optimal control: Algorithms, approaches and advice for the application. In Proceedings of the 2020 International Automatic Control Conference (CACS), Hsinchu, Taiwan, 4–7 November 2020; pp. 1–7. [Google Scholar]
- Gambier, A.; Behera, A. Integrated pitch control system design of a wind turbine by using multi-objective optimization. IFAC PapersOnLine 2018, 51, 330–335. [Google Scholar] [CrossRef]
- Bianchi, F.D.; de Battista, H.; Mantz, R.J. Wind Turbine Control Systems; Springer Nature: London, UK, 2007. [Google Scholar]
- Geng, H.; Yang, G. Output power control for variable-speed variable-pitch wind generation systems. IEEE Trans. Energy Convers. 2010, 25, 494–503. [Google Scholar] [CrossRef]
- Fortmann, J. Modeling of Wind Turbines with Doubly Fed Generator System; Springer: Wiesbaden, Germany, 2014. [Google Scholar]
- Georg, S. Fault Diagnosis and Fault-Tolerant Control of Wind Turbines. Ph.D. Thesis, University of Rostock, Rostock, Germany, 2015. [Google Scholar]
- Odgaard, P.F.; Stoustrup, J.; Kinnaert, M. Fault-tolerant control of wind turbines: A benchmark model. IEEE Trans. Control. Syst. Technol. 2013, 21, 1168–1182. [Google Scholar] [CrossRef] [Green Version]
- Odgaard, P.; Johnson, K. Wind turbine fault detection and fault tolerant control—An enhanced benchmark challenge. In Proceedings of the 2013 American Control Conference, Washington, DC, USA, 17–19 June 2013; pp. 4447–4452. [Google Scholar]
- Jonkman, J.; Butterfield, S.; Musial, W.; Scot, G. Definition of a 5-MW Reference Wind Turbine for Offshore System Development; Research Report; National Renewable Energies Laboratory (NREL): Golden, CO, USA, 2009. [Google Scholar]
- Larsen, A.J.; Mogensen, T.S. Individal Pitch Control of Wind Turbines; Research Report; Technical University of Denmark: Kongens Lyngby, Denmark, 2006. [Google Scholar]
- Esbensen, T.; Sloth, C. Fault Diagnosis and Fault-Tolerant Control of Wind Turbines; Research Report; Aalborg University: Aalborg, Denmark, 2009. [Google Scholar]
- Sloth, C.; Esbensen, T.; Stoustrup, J. Active and passive fault-tolerant LPV control of wind turbines. In Proceedings of the 2010 American Control Conference, Baltimore, MD, USA, 30 June–2 July 2010; pp. 4640–4646. [Google Scholar]
- Miksch, T.; Gambier, A. Fault-tolerant control by using lexicographic multi-objective optimization. In Proceedings of the 8th Asian Control Conference, Kaohsiung, Taiwan, 15–18 June 2011; pp. 1078–1083. [Google Scholar]
- Ding, S.X. Advanced Methods for Fault Diagnosis and Fault-Tolerant Control; Springer: Berlin, Germany, 2020. [Google Scholar]
- Badihi, H.; Zhang, Y.; Hong, H. A review on application of monitoring, diagnosis, and fault-tolerant control to wind turbines. In Proceedings of the 2013 Conference on Control and Fault-Tolerant Systems, Nice, France, 9–11 October 2013; pp. 365–370. [Google Scholar]
- Badihi, H.; Zhang, Y. Fault-Tolerant individual pitch control of a wind turbine with actuator faults. IFAC PapersOnLine 2018, 51, 1133–1140. [Google Scholar] [CrossRef]
- Wilkinson, M.; Harman, K.; Hendriks, B. Measuring wind turbine reliability- results of the Reliawind project. In Proceedings of the European Wind Energy Conference, Brussels, Belgium, 14–17 March 2011; pp. 1–8. [Google Scholar]
- Shi, Y.; Li, S.; Wang, S.; Zhai, Y. Pitch angle control with fault diagnosis and tolerance for wind turbine generation systems. J. Syst. Control. Eng. 2021, 235, 1355–1366. [Google Scholar] [CrossRef]
- Ettouil, R.; Chabir, K.; Abdelkrim, M.N. Synergetic fault-tolerant control for pitch control of wind turbine. Electr. Eng. 2018, 100, 2527–2535. [Google Scholar] [CrossRef]
- Kandukuri, S.T.; Huynh, V.K.; Karimi, H.R.; Robbersmyr, K.G. Fault diagnostics for electrically operated pitch systems in offshore wind turbines. J. Phys. Conf. Ser. 2016, 753, 052005. [Google Scholar] [CrossRef] [Green Version]





















| Control Objective | Approach | Characteristics |
|---|---|---|
| Power regulation | Collective pitch control (CPC) | Power and speed regulation. Several algorithms are available. Standard: PI/PID. Variations: NPID, FONPID. Others: Fuzzy control, neural control, hybrid schemes. |
| Control with maximum power limitation | It is an additional control loop for a maximum hard power limitation and normally uses a PI controller. | |
| Collective pitch control with feedforward compensation | It requires an estimation of the effective wind speed. The feedforward schme increases the performance of the CPC. | |
| Compensation of the pitching activity | Active tower damping control (ATDC) | It requires the integration of fore-aft tower-top acceleration. It reduces tower oscillations. |
| Active blade damping control (ABDC) | It requires the estimation of the blade tip deflection speed and reduces blade oscillations. | |
| Control for load reduction | Coleman-based Individual Pitch Control (IPC) | It requires the measurement or estimation of the azimuth angle. It uses the Coleman transformation. |
| Clarke-based IPC | It uses the Clarke transformation and a proportional resonant controller. Performance is similar to IPC. The azimuth angle is not necessary. | |
| Individual Blade Control (IBC) | It uses three independent controllers, ignores coupled effects, considers individual blade loads. | |
| Control of pitch actuators | Standard actuator | It normally uses an internal PI control. |
| Actuator with fault-tolerant control (FTC) | FTC is oriented to hydraulic actuators. Electrical actuators are becoming more common. Hence, FTC should be studied. |
Publisher’s Note: MDPI stays neutral with regard to jurisdictional claims in published maps and institutional affiliations. |
© 2021 by the author. Licensee MDPI, Basel, Switzerland. This article is an open access article distributed under the terms and conditions of the Creative Commons Attribution (CC BY) license (https://creativecommons.org/licenses/by/4.0/).
Share and Cite
Gambier, A. Pitch Control of Three Bladed Large Wind Energy Converters—A Review. Energies 2021, 14, 8083. https://doi.org/10.3390/en14238083
Gambier A. Pitch Control of Three Bladed Large Wind Energy Converters—A Review. Energies. 2021; 14(23):8083. https://doi.org/10.3390/en14238083
Chicago/Turabian StyleGambier, Adrian. 2021. "Pitch Control of Three Bladed Large Wind Energy Converters—A Review" Energies 14, no. 23: 8083. https://doi.org/10.3390/en14238083
APA StyleGambier, A. (2021). Pitch Control of Three Bladed Large Wind Energy Converters—A Review. Energies, 14(23), 8083. https://doi.org/10.3390/en14238083