Abstract
Gas injection is one of the prospective methods in the development of unconventional oil reserves. Before implementation in the field, it is necessary to justify the effectiveness of using gas agents in specific object conditions. Experiments of oil displacement on physical models with subsequent numerical modeling can provide the information necessary to justify the feasibility of using gas injection in specific reservoir conditions. This work is devoted to a series of experiments determining the minimum miscibility pressure (MMP) on a slim tube model and the analysis of oil displacement dynamics for various gas compositions, as well as numerical modeling. Displacement experiments were carried out using a recombined oil sample from one of the fields in Western Siberia. The MMP was determined by the classical method of inflection point on the displacement efficiency versus injection pressure curve, which was 34.6 MPa for associated petroleum gas (APG) and 49.9 MPa for methane. The dysnamics of oil displacement for different gas compositions at the same injection pressure showed that APG and carbon dioxide (CO2) are the most effective in the conditions of the studied field. The influence of the gas composition on the gas breakthrough point was also shown. It is revealed that the change in the concentration of the displacing agent in the outgoing separation gas helps define in more detail the process of displacement and the processes implemented in this case for various displacing gas agents. Similarly, it is shown that the displacing efficiency of a gas agent in a miscibility injection mode is affected by the configuration of wells when it is necessary to achieve MMP in reservoir conditions. For the immiscible gas injection mode, no influence of the well configuration was observed.
1. Introduction
Due to the increase in the number of hard-to-recover oil reserves, researchers and oil companies are currently focused on finding new technological solutions aimed at increasing the efficiency of the development of such reservoirs. In particular, gas injection can be an effective way to develop low-permeable and heterogeneous oil reservoirs []. The usage of APG or CO2 as an injection gas can significantly reduce the emission of greenhouse gases. Their use will reduce costs and increase the efficiency of the production of reserves in the field. To assess the effectiveness of this approach, a detailed study of the injection processes is necessary. In order to select the most suitable displacing gas agent, laboratory studies of displacement on physical models with the study of processes of the conditions of a certain field are needed. After evaluating the effectiveness and clarifying the features of displacement, a stage follows for numerical modeling of development options using the most effective or affordable gas agents with validation from the point of view of economic profitability and oil recovery [,,,].
The most profitable from the point of view of oil recovery is the injection of gas in miscibility mode, when a high displacement coefficient can be achieved. Under the formation conditions during miscible displacement, interphase tension decreases or disappears, viscosity of fluid decreases, and oil mobility increases, which affects the final displacement coefficient []. Theoretically, under certain thermobaric conditions and the compositions of the contacting phases, unlimited miscibility of fluids in any proportion can occur, which is called first contact miscibility (FCM) []. However, in practice, such a process is difficult to implement due to the imperfection of real systems and the difficulties of achieving such a state in real conditions []. In practice, the achievement of miscibility occurs during the movement of fluids in the reservoir and their mass exchange, called multi-contact miscibility (MCM). Multi-contact miscibility is implemented in the form of mechanisms such as vaporizing gas drive (VGD), condensing gas drive (CGD) [], or both at the same time (VGD/CGD) [,].
To reproduce the conditions of multi-contact miscibility in laboratory experiments, it is necessary to use a reservoir model long enough to allow for the possibility of implementing the MCM processes. For this purpose, slim tube models are used. A slim tube is a long, small-diameter, reservoir model that is filled with sand or glass beads []. The length and small diameter of the model allow for a displacement close to one-dimensional and form a transition zone. In this transition zone, mass transfer processes occur, which lead to the development of multi-contact miscibility and high displacement efficiency []. The main aim of slim-tube experiments is to determine the minimum miscibility pressure (MMP). MMP is the minimum pressure at which a high degree of displacement efficiency is achieved. The common procedure for slim-tube MMP evaluation is to determine the displacement coefficient at different pressures when injecting 1.2–1.5 pore volumes of gas [,]. In addition to determining the MMP, it may be used to evaluate the dynamics of oil displacement [,,,] as well as changes in the composition of the outgoing fluid [,]. The analysis of experimental data may provide additional information regarding the processes occurring during the injection of various gas agents. Such an approach makes it possible to select the most effective gas agents and calculate injection scenarios to determine the influence of the conditions of a particular field on the efficiency of oil displacement [].
This work was devoted to evaluating the efficiency of gas injection for one of the low-permeability Western Siberia reservoirs. In such conditions, the injection of various gas agents can be very effective, with regard to increasing both oil recovery and gas utilization. To evaluate the effectiveness of gas injection under these conditions, physical modeling of the displacement of reservoir oil by various gas agents on the slim tube model was performed. Associated petroleum gas and methane injection gases were selected as the most accessible given the field conditions. During the experiments, the MMP values for associated petroleum gas and methane were determined, and then used in the construction of a hydrodynamic model to calculate various injection scenarios and confirm efficiency in the geological conditions of the field. Additionally, CO2 and nitrogen were chosen to compare the efficiency of these promising displacement injection agents from the points of view of increasing both oil recovery and utilization [,,,]. Experiments on the slim-tube model with the same injection pressure were also used for this purpose. Additionally, data on gas composition and gas content were analyzed to compare displacement dynamics and displacement mechanisms.
2. Materials and Methods
2.1. Recombination and PVT Analysis
To conduct experiments on the slim-tube model, a recombined oil sample was used, which was prepared in the recombination cell CQPT-PYQ8 Chengdu-Drive Petroleum technology Co., Ltd. (Chengdu, China). First, the initial stable oil separated from the oilfield was put into the cell. The mixture of recombination gases was prepared by weight using individual components of high purity. Next, gas for recombination was supplied to the system according to the previously determined gas–oil ratio (56 m3/m3). Recombination was carried out at reservoir pressure (Pres. = 25.29 MPa) and temperature (Tres. = 88 °C) until the thermobaric conditions in the experimental unit stabilized, a condition further maintained for at least 24 h. Upon completion of the recombination process, an oil sample was taken for subsequent analysis. PVT analysis was also performed to determine the properties of recombined oil and determine the consistency of recombined oil properties to the reservoir. Additionally, PVT analysis data were necessary for using in the hydrodynamic model and calculating the scenarios of miscible displacement. The main properties of the recombined oil sample are presented in Table 1.

Table 1.
Recombined oil properties.
Based on the data of oil and gas composition after the separation of recombined oil and the results of PVT analysis, the composition of the recombined oil was calculated under reservoir conditions. It is presented in Table 2.

Table 2.
Composition of recombined oil.
2.2. Apparatus and Experimental Methodology
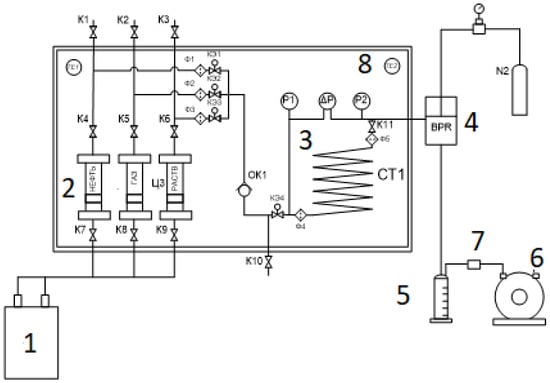
A self-designed experimental unit with a slim tube was used for the displacement experiments. The scheme of this unit is shown in Figure 1.

Figure 1.
Slim tube unit: 1—High-pressure pump providing a constant flow; 2—piston-type containers; 3—slim tube; 4—back pressure regulator that maintains a constant pressure at the outlet of the slim tube; 5—an oil and gas separator and cylinder with balances to measure the produced oil volume; 6—a gas meter with automatic follow up to measure the produced gas volume; 7—sampling points for gas to conduct on stream sampling while production for gas chromatography measurements; 8—air bath to provide constant operating temperature during displacement tests.
The slim tube used in the experiments has the following parameters: length, 22.1 m; inner diameter, 3.5 mm; porosity, 40.7%; filler, glass beads; tube material, stainless steel AISI 316; working pressure, 70 MPa. Parameters measured during the experiment included the gas injection rate, volume, mass, and density of the oil displaced, and the volume of the produced gas from the slim tube.
The pressure drop in the model was measured using pressure sensors (KORUND-DI-001M, Teplopribor, Chelyabinsk, Russia, 60 MPa). The volume and weight of the displaced hydrocarbon mixture were determined by a graduated burette (Heidolf. GOST 2925-9.20S 2 kl 0 25 mL, Heidolf, Schwabach, Germany) and balances (AND HR-250AZG, A&D, Moscow, Russia ), respectively. The gas volume was determined using a gas meter (Ritter TG 05, Ritter, Schwabmünchen, Germany). The gas injection rate was controlled with a 70 MPa SMP-NS plunger pump. Oil composition analysis was determined on an Agilent 7820A gas chromatograph with a capillary column DB-1 and the gas composition was determined on a Chromatec Crystal 5000 chromatograph with a flame ionization detector (FID) and three thermal conductivity detectors (TCDs).
Methane, APG, nitrogen, and CO2 were used as displacement agents. The composition of the APG injection gas is shown in Table 3. A recombined oil sample was used as the formation fluid.

Table 3.
Composition of APG injection gas mixture.
Before the start of displacement, the model was prepared and saturated according to the following procedure: First, to remove any residual impurities in the model, the tube was washed with a solvent. The tube was then dried under nitrogen flow at 88 °C for 12 h, with further vacuum evaporation to remove the solvent. Before the model was saturated with oil, the tube was filled with kerosene to determine the volume of the pore space and dead volumes of the model at a formation temperature of 88 °C and the experiment pressure. After filling, the kerosene was displaced by a recombined oil sample of at least 1.5 PV until the gas content stabilized and composition corresponded to the reservoir oil sample. The effluent composition was investigated by gas chromatography of the separated oil and gas, with further composition controlled by virtual recombination in a PVT simulator. After the preparation of the model, oil was displaced by gas with a constant injection rate of 0.1 mL/min until 1.5 pore volume (PV) was injected or until oil inflow stopped.
3. Results and Discussion
3.1. Slim-Tube Experimental Results
In this work, slim-tube experiments were carried out to determine MMP. APG and methane were selected as the most accessible injection gases given the conditions of this field. For our purpose, a design of experiments was compiled for each injection gas. The pressure range was 20–40 MPa for APG and 35–50 MPa for methane. The MMP data were used to build a hydrodynamic model and to carry out several calculation options for different well configurations, as well as to select the optimal injection pressure available, taking into account the technical and economic conditions of this field.
Minimum miscibility pressure was determined using the graphical dependencies of displacement efficiency to injection pressure (Figure 2 and Figure 3). The point region with a displacement efficiency of more than 90% corresponds to displacement in miscible mode, and, at less than 90%, to displacement modes in immiscible or partially miscible mode. The point at the intersection of trend lines passing through points specific to miscible and immiscible displacement is defined as the minimum mixing pressure (MMP).

Figure 2.
Minimum miscibility pressure for methane displacement.

Figure 3.
Minimum miscibility pressure for APG displacement.
As can be seen from the graphs, there is a significant difference of 15.3 MPa in MMP values for APG and methane. This is due to the presence of C2+ gas in the composition of APG, which creates conditions for better miscibility of such gas with oil but increases the cost of injection.
Taking into account current trends in the utilization of greenhouse gases, it was also decided to conduct additional displacement experiments to compare the displacement efficiency of APG and methane with CO2 and nitrogen. Based on slim-tube studies for MMP determination and the capabilities of the injection equipment under the conditions of this field, the injection pressure was chosen to be 40 MPa. The dynamics of the injected gas components in the separation gas composition were also analyzed to assess the displacement effectivity of the injected gases. The displacement dynamics are shown in Figure 4.

Figure 4.
Displacement dynamics for various injection gases at a pressure of 40 MPa.
As we can see from the graph, oil displacement dynamics for APG and CO2 are the most effective. APG reaches a 90% displacement efficiency with miscible displacement, and CO2 reaches 87% displacement efficiency, which indicates almost miscible displacement mode. For methane and nitrogen, the injection pressure conditions of 40 MPa are not enough to achieve miscible displacement. The displacement efficiency for nitrogen injection is the lowest, but the initial displacement dynamics during injecting 0–0.4 PVI coincide with the injection of APG and CO2. The dynamic of displacement by methane is smoother, the achieved displacement efficiency greater than with nitrogen.
The gas content dynamics are shown in Figure 5. As can be seen in the case of nitrogen injection, we have rapid gas breakthrough and it is not possible to achieve well displacement efficiency. In the injection case of APG, methane, and CO2, the gas breakthrough point occurs at the same time as when injecting 0.9 PVI. For methane, due to its better compatibility with oil, the gas breakthrough occurs later than with nitrogen injection, which makes it possible to achieve a higher displacement efficiency. The highest displacement efficiency was achieved with APG and CO2, but the dynamics of gas content are slightly different. When CO2 is injected, the gas content does not increase until a sharp gas breakthrough. For APG injection, the gas content increases more smoothly from 0.7 up to 0.9 PVI when a gas breakthrough occurs. APG reaches miscibility and the highest displacement efficiency. This makes APG the most effective displacement agent in a scenario of 40 MPa injection pressure.

Figure 5.
Gas content dynamics at an injection pressure of 40 MPa.
Figure 6, Figure 7, Figure 8, Figure 9 and Figure 10 show the dynamics of separation gas composition changes with gas content.

Figure 6.
Methane concentration in produced gas, for methane injection at a pressure of 40 MPa.

Figure 7.
Methane and C2+ concentration in produced gas, for APG injection at a pressure of 40 MPa.

Figure 8.
Nitrogen concentration in produced gas, for Nitrogen injection at pressure of 40 MPa.

Figure 9.
CO2 concentration in produced gas, for CO2 injection at a pressure of 40 MPa.

Figure 10.
Accumulated oil production.
As can be seen in the case of methane injection (Figure 6), there was a gradual increase in methane concentration of up to 0.8 PVI. Then there was a stronger increase in the concentration of methane in the gas composition, coincident with an increase in gas content up until the gas breakthrough. This behavior of methane can be explained by its greater mobility in relation to oil, which indicates incomplete miscibility at the given injection conditions.
In the case of APG injection (Figure 7), there were no changes in gas composition up to 0.5 PVI. Further, there was an increase in the methane concentration and a simultaneous drop in C2+ components during injection to 0.8 PVI. Starting from 0.7 PVI, the gas content increased until breakthrough at 0.9. Changes in gas composition stabilized after the gas breakthrough. This behavior may be explained due to C2+ solubility in the oil, thus ensuring miscibility in the condensing gas drive (CGD) mode. The PV interval of composition change may indicate the length of the transition zone, in which condensation occurs and miscibility is achieved.
When nitrogen was injected (Figure 8), concentration increased quickly, beginning at 0.2 PVI. Such an early appearance of nitrogen in the separation gas composition and early gas breakthrough indicates its high mobility and correspondingly immiscible oil displacement mode.
In the case of CO2 injection (Figure 9), there was no change in concentration until the injection of 0.8 PVI. Then there was a sharp increase in the CO2 concentration simultaneous with a rapid gas breakthrough. This behavior can be explained by the high density of supercritical CO2 conditions at injection. Perhaps due to the presence of a small transition zone due to a density, CO2 demonstrated high displacement efficiency.
3.2. Hydrodynamics Modeling Results
Based on the data of the composition of oil and PVT studies, as well as experimental results on the determination of MMP for APG and methane, a hydrodynamic model was built to calculate various injection options. Taking into account the technical capabilities, the injection pressure chosen was as high as possible given the conditions of this field, which was 40 MPa for both APG and methane. For these purposes, the sector of the composite hydrodynamic model of the field of Western Siberia was selected, the averaged parameters of which are shown in Table 4.

Table 4.
Hydrodynamic model parameters.
The hydrodynamic model includes four horizontal wells. Two variants of gas injection into the reservoir were considered. The first, injection into 1 well, led to production from the remaining three wells. This option often is the most appropriate, since the mobility of the injected gas significantly exceeds the mobility of the extracted oil and one injection well is enough to provide three production wells with injection. The second gas injection into two wells led to oil production from the two other wells. This option is considered more effective in terms of increasing reservoir pressure. Since the permeability of the pore reservoir is low, it can be assumed that the gas will not break through quickly, and an increase in reservoir pressure to a value close to the MMP will increase the efficiency of oil displacement by gas. The obtained calculation results are shown in Figure 10. The maximum accumulated oil production is demonstrated by the option with the injection of APG into two injection wells. In second place is the option of injecting APG into one well. The difference between these two options is significant at about 25%. This difference is due to the higher average reservoir pressure achieved when injecting gas into two wells, and, accordingly, a greater spread of zones where displacement occurs in miscibility modes and close to miscibility. Methane injection demonstrated less efficiency. The accumulated oil production during methane injection was more than twice as low. It is also worth noting that the injection options in two and in one well for methane practically do not differ from each other, though the average reservoir pressure for a larger number of injection wells reaches higher values. This can be explained by the high MMP for methane, which makes the pressure difference in the two variants insignificant from the point of view of the efficiency of oil displacement.
Another aspect of gas injection is that gas is a monetized resource. Injecting gas into two wells means consumption in larger quantities than when injecting it into one well. To analyze the efficiency, dynamics of additionally extracted oil for each cubic meter of injected gas were constructed in Figure 11 and Figure 12.

Figure 11.
APG utilization efficiency.

Figure 12.
Methane utilization efficiency.
A comparison of the efficiency for injection options into one and two wells shows that the dynamics of this value have similarities and differences. During the initial time period in both cases, gas usage efficiency is delayed by the reaction of producing wells, which is due to the low permeability of the reservoir. The subsequent increase in efficiency begins earlier for the variant with one injection well, but with two wells, the growth occurs faster and reaches higher values associated with the achievement of higher reservoir pressure. However, the decrease in efficiency also occurs faster with this option, associated with faster gas breakouts compared to the option of one injection well. Miscible injection mode decreases surface tension between oil and gas, which stabilizes the displacement front. It contributes to the appearance of viscous fingers and gas breakouts. The methane injection displacement efficiency in Figure 12 shows similar dynamics for injection options into one and two wells, with the exception of the final stage when the reduction in gas use efficiency for both options occurs almost equally due to reservoir pressure being far from the MMP and the formation of viscous fingers and gas breaks.
4. Conclusions
In this work, experimental measurements and hydrodynamic simulation of different gases injected for evaluating displacement efficiency and finding the optimal scheme of field development were carried out. Accordingly, the following results were achieved:
- A study of the MMP for methane and APG was conducted. The MMP values were determined. The MMP for APG is defined as 34.6 MPa, and 49.9 MPa for methane. Due to the presence of C2+ gas in the composition of APG, there is a significant difference of 15.3 MPa in MMP values between APG and methane, which creates conditions for better miscibility of APG with reservoir oil.
- The oil displacement dynamics at a pressure of 40 MPa for various gas compositions were analyzed. This showed that the most effective displacing gasses are APG and CO2. The displacement efficiency for APG and CO2 reaches 90% and 87%, respectively. A lesser displacement efficiency was observed for methane and nitrogen at 61% and 38%, respectively. While the dynamics of oil displacement for nitrogen at the initial stages of displacement are similar to the dynamics of displacement for APG and CO2, due to the rapid gas breakthrough it is not possible to achieve a large displacement efficiency.
- Data on gas composition and gas content were analyzed to compare displacement dynamics and displacement mechanisms. The results showed that changes in the composition of the extracted gas and gas content can provide information about the mechanisms of displacement, depending on the conditions of injection and the displacing agent. When nitrogen is injected, early gas content was observed while injecting 0.2 PV. This behavior indicates an immiscible displacement mode and, as a consequence, a rapid gas breakthrough at 0.4 PV.
- According to the hydrodynamic simulation, methane injection achieves lower efficiency than APG. However, it demonstrates similar dynamics and differences in injection scenarios in one and two wells except for the final stage. Similarly, it was shown that the displacing efficiency of a gas agent in a miscible injection mode is affected by the configuration of wells when it is necessary to achieve MMP in reservoir conditions. For the immiscible gas injection mode, the influence of the well configuration was not revealed.
- Gas utilization dynamics are affected by the low permeability of the reservoir, where, at the initial stage, there is a decline in the efficiency of gas injection. Gas composition and miscibility achievement affect the dynamics of gas injection efficiency growth.
- The conducted research showed that the experimental oil displacement analysis helps in injection gas composition and is a profitable scheme for field development.
Author Contributions
Conceptualization, A.S., A.B. (Alexander Bolotov), M.V. and E.S.; methodology, A.S., A.B. (Alexander Bolotov) and I.M.; validation, A.S., A.B. (Alexander Bolotov), M.V. and E.S.; formal analysis, A.S., A.B (Alexander Bolotov), A.G. and A.B. (Alexander Bolotov); investigation, A.S., A.B. (Alexander Bolotov), A.G. and A.B. (Angelica Balionis); resources, A.S.; data curation, A.S., A.B. (Alexander Bolotov), M.V. and E.S.; writing—original draft preparation, A.S. and E.S.; writing—review and editing, M.V. and E.S.; visualization, A.S., A.G. and A.B. (Angelica Balionis); supervision, M.V.; project administration, M.V. and E.S.; funding acquisition, M.V. and E.S. All authors have read and agreed to the published version of the manuscript.
Funding
The reported study was funded by RFBR, project number 20-35-90116.
Institutional Review Board Statement
Not applicable.
Informed Consent Statement
Not applicable.
Data Availability Statement
The data are available from the authors.
Conflicts of Interest
The authors declare no conflict of interest.
References
- Arshad, A.; Al-Majed, A.A.; Menouar, H.; Muhammadain, A.M.; Mtawaa, B. Carbon dioxide (CO2) miscible flooding in tight oil reservoirs: A case study. In Proceedings of the Kuwait International Petroleum Conference and Exhibition, Kuwait City, Kuwait, 14–16 December 2009. [Google Scholar]
- Zhang, L.; Ren, B.; Huang, H.; Li, Y.; Ren, S.; Chen, G.; Zhang, H. CO2 EOR and storage in Jilin oilfield China: Monitoring program and preliminary results. J. Pet. Sci. Eng. 2015, 125, 1–12. [Google Scholar] [CrossRef]
- Yu, H.; Lu, X.; Fu, W.; Wang, Y.; Xu, H.; Xie, Q.; Qu, X.; Lu, J. Determination of minimum near miscible pressure region during CO2 and associated gas injection for tight oil reservoir in Ordos Basin, China. Fuel 2019, 263, 116737. [Google Scholar] [CrossRef]
- Zhang, L.; Geng, S.; Yang, L.; Hao, Y.; Yang, H.; Dong, Z.; Shi, X. Technical and Economic Evaluation of CO2 Capture and Reinjection Process in the CO2 EOR and Storage Project of Xinjiang Oilfield. Energies 2021, 14, 5076. [Google Scholar] [CrossRef]
- Cao, C.; Liu, H.; Hou, Z.; Mehmood, F.; Liao, J.; Feng, W. A Review of CO2 Storage in View of Safety and Cost-Effectiveness. Energies 2020, 13, 600. [Google Scholar] [CrossRef] [Green Version]
- Larry, W. Lake. In Petroleum Engineering Handbook, V.5. Reservoir Engineering and Petrophysics; Society of Petroleum Engineers: Austin, TX, USA, 2007; p. 1640. [Google Scholar]
- Dindoruk, B.; Johns, R.; Orr, F.M. Measurement of Minimum Miscibility Pressure: A State of the Art Review. In Proceedings of the SPE Improved Oil Recovery Conference, Virtual, 31 August–4 September 2020. [Google Scholar] [CrossRef]
- Al Wahaibi, Y.M.; Al Hadhrami, A.K. First-Contact-Miscible, Vaporizing- and Condensing-Gas Drive Processes in a Channeling Heterogeneity System. In Proceedings of the SPE Middle East Oil and Gas Show and Conference, Manama, Bahrain, 25–28 September 2011. [Google Scholar] [CrossRef]
- Johns, R.T.; Dindoruk, B. Chapter 1-Gas Flooding. In Enhanced Oil Recovery Field Case Studies; Sheng, J., Ed.; Elsevier: Houston, TX, USA, 2013. [Google Scholar]
- Zick, A.A. A combined condensing/vaporizing mechanism in the displacement of oil by enriched gas. In Proceedings of the SPE Annual Technical Conference and Exhibition, New Orleans, LA, USA, 6–8 October 1986. [Google Scholar]
- Johns, R.T.; Dindoruk, B.; Orr, F.M. Analytical Theory of Combined Condensing/Vaporizing Gas Drives. SPE Adv. Technol. Ser. 1993, 1, 7–16. [Google Scholar] [CrossRef]
- Zhang, K.; Jia, N.; Zeng, F.; Li, S.; Liu, L. A review of experimental methods for determining the Oil‒Gas minimum miscibility pressures. J. Pet. Sci. Eng. 2019, 183, 106366. [Google Scholar] [CrossRef]
- Zhang, J.; Liao, X.; Cai, M.J.; Liu, M.; Li, R. Characteristic Analysis of Miscible ZONE of Slim Tube Experiment of CO2 Flooding. In Proceedings of the International Petroleum and Petrochemical Technology Conference, Beijing, China, 27–29 March 2019; Lin, J., Ed.; Springer: Berlin/Heidelberg, Germany, 2020. [Google Scholar] [CrossRef]
- Hudgins, D.A.; Llave, F.M.; Chung, F.T.H. Nitrogen Miscible Displacement of Light Crude Oil: A Laboratory Study. SPE Reserv. Eng. 1990, 5, 100–106. [Google Scholar] [CrossRef]
- Flock, D.L.; Nouar, A. Parametric analysis on the determination of the minimum miscibility pressure in slim tube displacements. J. Can. Pet. Technol. 1984, 23, 80–88. [Google Scholar] [CrossRef]
- Glaso, O. Miscible Displacement: Recovery Tests With Nitrogen. SPE Reserv. Eng. 1990, 5, 61–68. [Google Scholar] [CrossRef]
- Khlebnikov, V.N.; Polishchuk, A.M.; Gubanov, V.B. Use of slim-tube models for physical modeling of oil displacement processes by miscible agents. Part 3. Features of mass transfer in oil displacement by carbon dioxide. Pet. Eng. 2014, 9, 43–47. [Google Scholar]
- Sabanchin, I.V.; Titov, R.V.; Petrakov, A.M.; Egorov, Y.A.; Lebedev, I.A.; Nenartovich, T.L.; Starkovskiy, V.A. Physical simulation of gas injection at oil-gas-condensate fields of Eastern Siberia. Neft. Khozyaystvo-Oil Ind. 2017, 2017, 92–97. [Google Scholar] [CrossRef]
- Mogensen, K. A novel protocol for estimation of minimum miscibility pressure from slimtube experiments. J. Pet. Sci. Eng. 2016, 146, 545–551. [Google Scholar] [CrossRef]
- Jin, F.; Li, D.; Pu, W.; Li, Y.; Li, B.; Yuan, C.; Wang, N. Utilisation of multiple gas injection to enhance oil recovery for fractured-cavity carbonate heavy oil reservoir. Int. J. Oil Gas Coal Technol. 2017, 15, 77. [Google Scholar] [CrossRef]
- Du, D.; Pu, W.; Jin, F.; Liu, R. Experimental study on EOR by CO2 huff-n-puff and CO2 flooding in tight conglomerate reservoirs with pore scale. Chem. Eng. Res. Des. 2020, 156, 425–432. [Google Scholar] [CrossRef]
- Suicmez, V.S. Feasibility study for carbon capture utilization and storage (CCUS) in the Danish North Sea. J. Nat. Gas Sci. Eng. 2019, 68, 102924. [Google Scholar] [CrossRef]
- Al-Mudhafar, W.J.; Rao, D.N.; Nasab, S.H. Optimization of Cyclic CO2 Flooding through the Gas Assisted Gravity Drainage Process under Geological Uncertainties. In Proceedings of the ECMOR XV-15th European Conference on the Mathematics of Oil Recovery, Amsterdam, The Netherlands, 29 August–1 September 2016. [Google Scholar] [CrossRef]
Publisher’s Note: MDPI stays neutral with regard to jurisdictional claims in published maps and institutional affiliations. |
© 2021 by the authors. Licensee MDPI, Basel, Switzerland. This article is an open access article distributed under the terms and conditions of the Creative Commons Attribution (CC BY) license (https://creativecommons.org/licenses/by/4.0/).