Optimal Determination Method of the Transposition Steps of An Extra-High Voltage Power Transmission Line
Abstract
1. Introduction
2. Methodology of Determination Optimal Steps of Scheme Transposition
3. Comparison of Transposition Schemes According to the Condition of the Minimum Level of Asymmetry
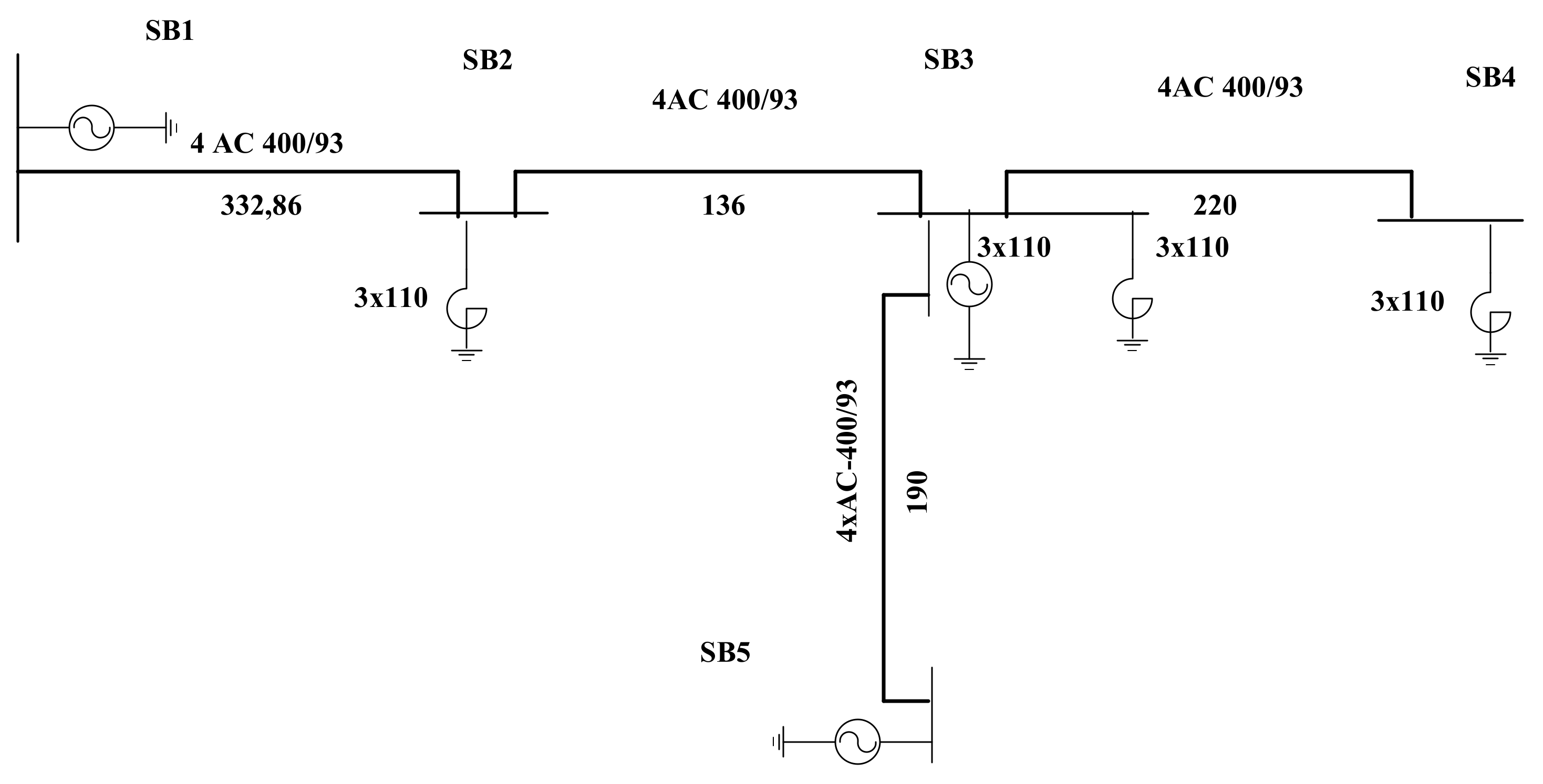
- One perfect cycle of transposition.Then, in accordance with Formula (18), .The maximum allowable unbalance by when choosing the lengths of the transposition cycles is 0.7%. Therefore, in the case under consideration, several ideal transposition cycles should be performed.
- Two ideal cycles of transposition. Then, in accordance with Formula (18), .
- Performing transposition in accordance with the proposed technical solution.
4. Estimation of the Influence of the Wire Transposition Scheme on the Parametric Optimization of the Operating Modes of the Main Electrical Networks
5. Conclusions
- As can be seen in Table 5 and Table 6, the levels of asymmetry for the incomplete transposition cycle did not significantly exceed the maximum allowable values for the lengths of lines. That is, with such a transposition scheme, the necessary levels of voltage asymmetry were provided, and it can be offered as a relatively inexpensive balancing measure, with a length of the EHV transmission line of more than 600 km. If the length of the transmission line exceeds 400 km, full transposition cycles must be used. In relation to the ideal scheme of transposed, the levels of asymmetry did not exceed the maximum allowable values.
- A method was proposed for determining the optimal steps of transposition based on operation in normal full-phase modes, as well as for carrying out planned phase-by-phase repairs with its full development. The optimal steps of the transposition cycles at which the permissible levels of asymmetry were achieved, which were 1% less than the ideal transposition cycle, were substantiated. This result, in contrast to the traditional scheme used, allowed optimal use of the same number of transposition supports and phase alternation of the line. It should be noted that the proposed transposition steps can increase the capacity of the transmission line by reducing the level of asymmetry. The criteria of optimal method determination is permissible levels of asymmetry.
Author Contributions
Funding
Institutional Review Board Statement
Informed Consent Statement
Data Availability Statement
Conflicts of Interest
References
- Kundul, S.; Ghosh, T.; Maitra, K.; Acharjee, P.; Thakur, S.S. Optimal Location of SVC Considering Techno-Economic and Environmental Aspect. In Proceedings of the 2018 ICEPE 2nd International Conference on Power, Energy and Environment: Towards Smart Technology, Shillong, India, 1–2 June 2018; pp. 15–19. [Google Scholar] [CrossRef]
- Gu, S.; Dang, J.; Tian, M.; Zhang, B. Compensation degree of controllable shunt reactor in EHV/UHV transmission line with series capacitor compensation considered. In Proceedings of the International Conference on Mechatronics, Control and Electronic Engineering (MCE 2014), Shenyang, China, 29–31 August 2014; pp. 65–68. [Google Scholar] [CrossRef][Green Version]
- Chandrasekhar, R.; Chatterjee, D.; Bhattarcharya, T. A Hybrid FACTS Topology for Reactive Power Support in High Voltage Transmission Systems. In Proceedings of the IECON 2018—44th Annual Conference of the IEEE Industrial Electronics Society, Washington, DC, USA, 21–23 October 2018; pp. 65–70. [Google Scholar] [CrossRef]
- Bryantsev, A.M.; Bryantsev, M.A.; Bazylev, B.I.; Dyagileva, S.V.; Negryshev, A.A.; Karymov, R.; Makletsova, E.; Smolovik, S. Power compensators based on magnetically controlled shunt reactors in electric networks with a voltage between 110 kV and 500 kV. In Proceedings of the 2010 IEEE/PES Transmission and Distribution Conference and Exposition: Latin America (T&D-LA), Sao Paulo, Brazil, 8–10 November 2010; pp. 239–244. [Google Scholar]
- Kuchanskyy, V.V. The prevention measure of resonance overvoltges in extra high voltage transmission lines. In Proceedings of the 2017 IEEE First Ukraine Conference on Electrical and Computer Engineering (UKRCON), Kyiv, Ukraine, 29 May–2 June 2017. [Google Scholar]
- Kuchanskyy, V.V.; Zaitsev, I.O. Corona Discharge Power Losses Measurement Systems in Extra High Voltage Transmissions Lines. In Proceedings of the 2020 IEEE 7th International Conference on Energy Smart Systems (ESS), Kyiv, Ukraine, 12–14 May 2020; pp. 48–53. [Google Scholar] [CrossRef]
- Kuchanskyy, V.; Malakhatka, D.; Blinov, I. Application of Reactive Power Compensation Devices for Increasing Efficiency of Bulk Electrical Power Systems. In Proceedings of the 2020 IEEE 7th International Conference on Energy Smart Systems (ESS), Kyiv, Ukraine, 12–14 May 2020; pp. 83–86. [Google Scholar] [CrossRef]
- Kuchanskyy, V. Application of Controlled Shunt Reactors for Suppression Abnormal Resonance Overvoltages in Assymetric Modes. In Proceedings of the 2019 IEEE 6th International Conference on Energy Smart Systems (ESS), Kyiv, Ukraine, 17–19 April 2019; pp. 122–125. [Google Scholar] [CrossRef]
- Tugay, Y.; Kuchanskyy, V.; Tugay, I. The Using of Controlled Devices for the Compensation of Charging Power on EHV Power Lines in Electric Networks. Tekh. Elektrodyn. 2021, 1, 053. [Google Scholar] [CrossRef]
- Kuznetsov, V.; Tugay, Y.; Kuchanskyy, V. Overvoltages in open-phase mode. Tekh. Elektrodyn. 2012, 40–41. (In Ukrainian) [Google Scholar]
- Kuznetsov, V.; Tugay, Y.; Kuchanskyy, V. Influence of corona discharge on the internal ovevoltages in highway electrical networks. Tekh. Elektrodyn. 2017, 55–60. (In Ukrainian) [Google Scholar] [CrossRef]
- Kuchanskyy, V. Criteria of resonance overvoltages occurrence in abnormal conditions of extra high voltage transmission lines. Visnyk Nauk. Pr. Vinnytskoho Nastionalnoho Tekh. Univ. 2016, 51–54. [Google Scholar] [CrossRef][Green Version]
- Blinov, I.V.; Zaitsev, I.O.; Kuchanskyy, V.V. Problems, methods and means of monitoring power losses in overhead transmission lines. In Systems, Decision and Control in Energy I; Babak, V.P., Isaienko, V., Zaporozhets, A.O., Eds.; Springer: Berlin/Heidelberg, Germany, 2020; pp. 123–136. [Google Scholar]
- Kuznetsov, V.G.; Tugay, Y.I.; Kuchansky, V.V.; Likhovid, Y.G.; Melnichuk, V.A. Resonant overvoltages in non-sinusoidal mode of the main electric network. Elektrotehn. Elektromeh. 2018, 69–73. (In Ukrainian) [Google Scholar] [CrossRef]
- Hunko, I.; Kuchanskyi, V.; Nesterko, A.; Rubanenko, O. Modes of Electrical Systems and Grids with Renewable Energy Sources; LAMBERT Academic Publishing: Chisinau, Moldova, 2019; p. 184. ISBN 978-613-9-88956-3. [Google Scholar]
- Kuchanskyy, V.; Rubanenko, O. Influence assesment of autotransformer remanent flux on resonance overvoltage. UPB Sci. Bull. Ser. C Electr. Eng. 2020, 82, 233–250. [Google Scholar]
- Kuchanskyy, V.; Satyam, P.; Rubanenko, O.; Hunko, I. Measures and technical means for increasing efficiency and reliability of extra high voltage transmission lines. Przegląd Elektrotechniczny 2020, 2020, 135–141. [Google Scholar] [CrossRef]
- Martinich, T.; Nagpal, M.; Manuel, S. Damaging Open-Phase Overvoltage Disturbance on a Shunt-Compensated 500-kV Line. IEEE Trans. Power Deliv. 2015, 30, 412–419. [Google Scholar]
- Bollen, M.H.J. What is power quality? Review. Electr. Power Syst. Res. 2003, 66, 5–14. [Google Scholar] [CrossRef]
- Wenjuan, Z.; Tolbert, L.M. Survey of reactive power planning methods. In Proceedings of the 2005 PES General Meeting, San Francisco, CA, USA, 16 June 2005; pp. 1430–1440. [Google Scholar]
- Chengxi, L.; Nan, Q.; Bak, C.L.; Yini, X. A hybrid optimization method for reactive power and voltage control considering power loss minimization. In Proceedings of the 2015 IEEE Eindhoven PowerTech, Eindhoven, The Netherlands, 29 June–2 July 2015; pp. 1–6. [Google Scholar]
- Eajal, A.A.; El-Hawary, M.E. Optimal capacitor placement and sizing in distorted radial distribution systems. Part II: Problem formulation and solution method. In Proceedings of the 14th International Conference on Harmonics and Quality of Power (ICHQP), Bergamo, Italy, 26–29 September 2010; pp. 1–6. [Google Scholar]
- Lukomski, R.; Wilkosz, K. Optimization of reactive power flow in a power system for different criteria: Stability problems. In Proceedings of the 2013 8th International Symposium on Advanced Topics in Electrical Engineering (ATEE), Bucharest, Romania, 23–24 May 2013; pp. 1–6. [Google Scholar]
- Ionescu, C.F.; Bulac, C.; Capitanescu, F.; Wehenkel, L. Multi-period power loss optimization with limited number of switching actions for enhanced continuous power supply. In Proceedings of the 2014 16th International Conference on Harmonics and Quality of Power (ICHQP), Bucharest, Romania, 25–28 May 2014; pp. 34–38. [Google Scholar]
- Pham, V.-H.; Erlich, I. Online optimal control of reactive power sources using measurement-based approach. In Proceedings of the IEEE PES Innovative Smart Grid Technologies Conference Europe, Istanbul, Turkey, 12–15 October 2014; pp. 1–5. [Google Scholar]
- Mori, H.; Hayashi, T. New parallel tabu search for voltage and reactive power control in power systems. In Proceedings of the 1998 IEEE International Symposium on Circuits and Systems (ISCAS), Monterey, CA, USA, 31 May–3 June 1998; pp. 431–434. [Google Scholar]
- Khiat, M.; Rehiel, D.; Chaker, A.; Frioui, Z. Optimal reactive power dispatch and voltage control using interior point method. Acta Electroteh. 2011, 52, 81–85. [Google Scholar]
- Trochim, W. The Research Methods Knowledge Base, 2nd ed.; Atomic Dog Publishing: Cincinnati, OH, USA, 2000. [Google Scholar]
- Van Cutsem, T. Voltage instability: Phenomena, countermeasures, and analysis methods. Proc. IEEE 2000, 88, 208–227. [Google Scholar] [CrossRef]
- Kessel, P.; Glavitsch, M. Estimating the voltage stability of the power system. IEEE Trans. Power Deliv. 1986, 1, 346–354. [Google Scholar] [CrossRef]
- Moghavvemi, M.; Omar, F.M. Technique for contingency monitoring and voltage collapse prediction. IEE Proc. Gener. Transm. Distrib. 1998, 145, 634–640. [Google Scholar] [CrossRef]
- Moghavvemi, M.; Faruque, O. Real-time contingency evaluation and ranking technique. IEE Proc. Gener. Transm. Distrib. 1998, 145, 517–524. [Google Scholar] [CrossRef]
- Moghavvemi, M.; Omar, F.M. A line outage study for prediction of static voltage collapse. IEEE Power Eng. Rev. 1998, 18, 52–54. [Google Scholar] [CrossRef]
- Reis, C.; Barbosa, F.P.M. A comparison of voltage stability indices. In Proceedings of the MELECON 2006–2006 IEEE Mediterranean Electrotechnical Conference, Málaga, Spain, 16–19 May 2006; pp. 1007–1010. [Google Scholar]
- Reis, C.; Barbosa, F.P.M. Line Indices for Voltage Stability Assessment. In Proceedings of the IEEE Bucharest PowerTech Conference, Bucharest, Romania, 28 June–2 July 2009; pp. 1–6. [Google Scholar]
- Karbalaei, F.; Soleymani, H.; Afsharnia, S. A comparison of voltage collapse proximity indicators. In Proceedings of the 2010 Conference IPEC, Singapore, 27–29 October 2010; pp. 429–432. [Google Scholar]
- Liping, L.; Jian, Z.; Qi, W.; Zhao, Y.; Yizhe, W.; Ying, L. Theoretical calculation and evaluation of the line losses on UHV AC demonstration project. In Proceedings of the 2015 IEEE International Conference on Cyber Technology in Automation, Control, and Intelligent Systems (CYBER), Shenyang, China, 8–12 June 2015; pp. 1299–1303. [Google Scholar]
- So, E.; Arseneau, R. Traceability of no-load loss measurements of high voltage transmission lines. In Proceedings of the 2016 Conference on Precision Electromagnetic Measurements (CPEM 2016), Ottawa, ON, USA, 10–15 July 2016; pp. 1–2. [Google Scholar]
- Netake, A.; Katti, P.K. Design aspect of 765 kV transmission system for capacity enhancement. In Proceedings of the 2015 International Conference on Circuits, Power and Computing Technologies (ICCPCT-2015), Nagercoil, India, 19–20 March 2015; pp. 1–9. [Google Scholar]
- Meah, K.; Ula, S. Comparative Evaluation of HVDC and HVAC Transmission Systems. In Proceedings of the 2007 IEEE Power Engineering Society General Meeting, Tampa, FL, USA, 24–28 June 2007; pp. 1–5. [Google Scholar]
- Hanqing, L. Operation Losses and Economic Evaluation of UHVAC and HVDC Transmission Systems. Power Syst. Technol. 2012, 36, 1–6. [Google Scholar]
- Shu, Y.-B.; Hu, Y. Research and application of the key technologies of UHV AC transmission line. Proc. CSEE 2017, 36, 2. [Google Scholar]
- Bolgov, V.; Kalyuzhniy, D. Accuracy of Voltage Unbalance Source Assessment in Three-Phase Three-Wire Electrical Networks. In Proceedings of the 2020 Ural Smart Energy Conference (USEC), Ekaterinburg, Russia, 13–15 November 2020; pp. 1–4. [Google Scholar] [CrossRef]
- Sayenko, Y.; Kalyuzhniy, D.; Bolgov, V.; Baranenko, T. Evaluating responsibility for voltage unbalance emission in three-phase three-wire networks. In Proceedings of the 12th International Conference and Exhibition on Electrical Power Quality and Utilisation (EPQU’2020), Cracow, Poland, 14–15 September 2020. [Google Scholar]
- Khalyasmaa, A.; Vinter, I.; Eroshenko, S.; Bolgov, V. The Methodology of High-Voltage Instrument Transformers Technical State Index Assessment. In Proceedings of the 2020 21st International Symposium on Electrical Apparatus & Technologies (SIELA), Bourgas, Bulgaria, 3–6 June 2020; pp. 1–4. [Google Scholar] [CrossRef]
- Sayenko, Y.; Sukhonos, M.; Kalyuzhniy, D.; Bolgov, V. Mathematical model for real-time assessment of contributions of disturbing sources to power quality level at a Point of Common Coupling. In Proceedings of the 2016 Electric Power Quality and Supply Reliability (PQ), Tallinn, Estonia, 29–31 August 2016; pp. 29–35. [Google Scholar] [CrossRef]
- Hashemi-Dezaki, H.; Askarian-Abyaneh, H.; Mohammadalizade-Shabestary, M.; Yaghoubinia, M. Optimized allocation of STATCOMs based on equivalent impedance modeling of VSCs using genetic algorithm. In Proceedings of the 2013 IEEE International Conference on Smart Energy Grid Engineering (SEGE), Oshawa, ON, Canada, 28–30 August 2013; pp. 1–5. [Google Scholar] [CrossRef]
- Hashemi-Dezaki, H.; Shabestary, M.M.; Askarian-Abyaneh, H.; Gharehpetian, G.B.; Garmrudi, M. A new method based on sensitivity analysis to optimize the placement of SSSCs. Turk. J. Electr. Eng. Comput. Sci. 2012, 21, 1956–1971. [Google Scholar] [CrossRef]
- Kylymchuk, A.; Lezhnyuk, P.; Rubanenko, O. Impact of linear regulator, installed in the electric grid of energy supply company, on power losses. In Proceedings of the 2017 IEEE First Ukraine Conference on Electrical and Computer Engineering (UKRCON), Kyiv, Ukraine, 29 May–2 June 2017; pp. 411–416. [Google Scholar]
- Ayala-Chauvin, M.; Kavrakov, B.S.; Buele, J.; Varela-Aldás, J. Static Reactive Power Compensator Design, Based on Three-Phase Voltage Converter. Energies 2021, 14, 2198. [Google Scholar] [CrossRef]
- Ma, Y.; Sun, X.; Zhou, X. Research on D-STATCOM Double Closed-Loop Control Method Based on Improved First-Order Linear Active Disturbance Rejection Technology. Energies 2020, 13, 3958. [Google Scholar] [CrossRef]
- Huang, Q.; Li, B.; Tan, Y.; Mao, X.; Zhu, S.; Zhu, Y. Individual Phase Full-Power Testing Method for High-Power STATCOM. Electronics 2019, 8, 754. [Google Scholar] [CrossRef]
- Komada, P.; Trunova, I.; Miroshnyk, O.; Savchenko, O.; Shchur, T. The incentive scheme for maintaining or improving power supply quality. Przegląd Elektrotechniczny 2019, 5, 79–82. [Google Scholar] [CrossRef]
- Trunova, I.; Miroshnyk, O.; Savchenko, O.; Moroz, O. The perfection of motivational model for improvement of power supply quality with using the one-way analysis of variance. Naukovyi Visnyk Natsionalnoho Hirnychoho Universytetu 2019, 6, 163–168. [Google Scholar] [CrossRef]
- Miroshnyk, O.; Kovalyshyn, S.; Bałdowska-Witos, P.; Kruszelnicka, W.; Tomporowski, A. Researching and modelling of unbalanced regimes in systems of household electric power consumers. J. Phys. Conf. Ser. 2020, 1426, 012035. [Google Scholar] [CrossRef]
- Lezhniuk, P.; Komar, V.; Rubanenko, O. Information Support for the Task of Estimation the Quality of Functioning of the Electricity Distribution Power Grids with Renewable Energy Source. In Proceedings of the 2020 IEEE 7th International Conference on Energy Smart Systems, ESS 2020, Kyiv, Ukraine, 23–25 April 2020; pp. 168–171. [Google Scholar]


| Phase Sequence of a Three-Phase Overhead Line on a Tower | |||||
|---|---|---|---|---|---|
| Horizontal Phase (Support Type 1) | Triangular Phase Arrangement (Type 2 Support) | With Support Type 1 | With Support Type II | ||
| 1 | A B C | 4 | Ao | ||
| O O O | Bo | ||||
| Co | |||||
| 2 | C A B | 5 | Co | ||
| O O O | Ao | ||||
| Bo | |||||
| 3 | B C A | 6 | Bo | ||
| O O 0 | Co | ||||
| Ao | |||||
| 100 | 200 | 300 | 400 | 500 | 600 | |
|---|---|---|---|---|---|---|
| 0.997 | 0.989 | 0.975 | 0.957 | 0.933 | 0.904 |
| Transposition Step Number | 1 | 2 | 3 |
|---|---|---|---|
| Length, | 200 | 200 | 200 |
| Phase sequence on the support | 1 | 2 | 6 |
| Resistance, | |||
| Coefficient, kl | 0.989 | 0.9892 | 0.9893 |
| Transposition Step Number | 1 | 2 | 3 | 4 | 5 | 6 |
|---|---|---|---|---|---|---|
| Length, | 100 | 100 | 100 | 100 | 100 | 100 |
| Phase sequence on the support | 1 | 2 | 3 | 1 | 5 | 6 |
| Resistance, | ||||||
| Coefficient, kl | 0.997 | 0.997 * | 0.997 | 0.9974 | 0.9975 | 0.9976 |
| Transposition Step Number | 1 | 2 | 3 | 4 |
|---|---|---|---|---|
| Length, | 154 | 154 | 92 | 200 |
| Phase sequence on the support | 1 | 2 | 3 | 6 |
| Resistance, | ||||
| Coefficient, kl | 0.994 | 0.994 | 0.997 | 0.989 |
| Transposition Step Number | 1 | 2 | 3 | 4 |
|---|---|---|---|---|
| Length, | 172 | 172 | 56 | 200 |
| Phase sequence on the support | 1 | 2 | 3 | 6 |
| Resistance, | ||||
| Coefficient, kl | 0.994 | 0.994 | 0.997 | 0.989 |
| Installation of SR | Installation of CSR | ||||||
|---|---|---|---|---|---|---|---|
| , Sm | , MVAr | , kV | , mWatt | , Sm | , MVAr | , kV | , mWatt |
| −0.001066 | −210 | 735 | 22.686 | −0.0007 | −180 | 768 | 20.908 |
| −0.000533 | −300 | 741 | 23.015 | ||||
| Installation of SR | Installation of CSR | ||||||
|---|---|---|---|---|---|---|---|
| , Sm | , MVAr | , kV | , mWatt | , Sm | , MVAr | , kV | , mWatt |
| −0.001064 | −208 | 732 | 22.456 | −0.000691 | −178 | 766 | 20.41 |
| −0.00053 | −297 | 739 | 22.98 | ||||
| Installation of SR | Installation of CSR | ||||||
|---|---|---|---|---|---|---|---|
| , Sm | , MVAr | , kV | , mWatt | , Sm | , MVAr | , kV | , mWatt |
| −0.002665 | −210 | 735 | 165.005 | −0.0001 | −450 | 720 | 100,158 |
| −0.002132 | −100 | 744 | 147.58 | ||||
| −0.001599 | 187 | 731 | 135.47 | ||||
| −0.001066 | 268 | 748 | 127.58 | ||||
| −0.000533 | 115 | 741 | 120.015 | ||||
| Installation of SR | Installation of CSR | ||||||
|---|---|---|---|---|---|---|---|
| , Sm | , MVAr | , kV | , mWatt | , Sm | , MVAr | , kV | , mWatt |
| −0.002559 | −208 | 732 | 163.01 | −0.000097 | −445 | 720 | 96,158 |
| −0.002005 | −105 | 741 | 147.05 | ||||
| −0.001399 | 167 | 735 | 131.47 | ||||
| −0.001105 | 255 | 752 | 124.18 | ||||
| −0.000505 | 113 | 745 | 118.02 | ||||
Publisher’s Note: MDPI stays neutral with regard to jurisdictional claims in published maps and institutional affiliations. |
© 2021 by the authors. Licensee MDPI, Basel, Switzerland. This article is an open access article distributed under the terms and conditions of the Creative Commons Attribution (CC BY) license (https://creativecommons.org/licenses/by/4.0/).
Share and Cite
Khasawneh, A.; Qawaqzeh, M.; Kuchanskyy, V.; Rubanenko, O.; Miroshnyk, O.; Shchur, T.; Drechny, M. Optimal Determination Method of the Transposition Steps of An Extra-High Voltage Power Transmission Line. Energies 2021, 14, 6791. https://doi.org/10.3390/en14206791
Khasawneh A, Qawaqzeh M, Kuchanskyy V, Rubanenko O, Miroshnyk O, Shchur T, Drechny M. Optimal Determination Method of the Transposition Steps of An Extra-High Voltage Power Transmission Line. Energies. 2021; 14(20):6791. https://doi.org/10.3390/en14206791
Chicago/Turabian StyleKhasawneh, Alaa, Mohamed Qawaqzeh, Vladislav Kuchanskyy, Olena Rubanenko, Oleksandr Miroshnyk, Taras Shchur, and Marcin Drechny. 2021. "Optimal Determination Method of the Transposition Steps of An Extra-High Voltage Power Transmission Line" Energies 14, no. 20: 6791. https://doi.org/10.3390/en14206791
APA StyleKhasawneh, A., Qawaqzeh, M., Kuchanskyy, V., Rubanenko, O., Miroshnyk, O., Shchur, T., & Drechny, M. (2021). Optimal Determination Method of the Transposition Steps of An Extra-High Voltage Power Transmission Line. Energies, 14(20), 6791. https://doi.org/10.3390/en14206791

