Experimental Validation of a Reduced-Scale Rail Power Conditioner Based on Modular Multilevel Converter for AC Railway Power Grids
Abstract
1. Introduction
2. Rail Power Conditioner Based on an AC/DC/AC Modular Multilevel Converter and V/V Power Transformer
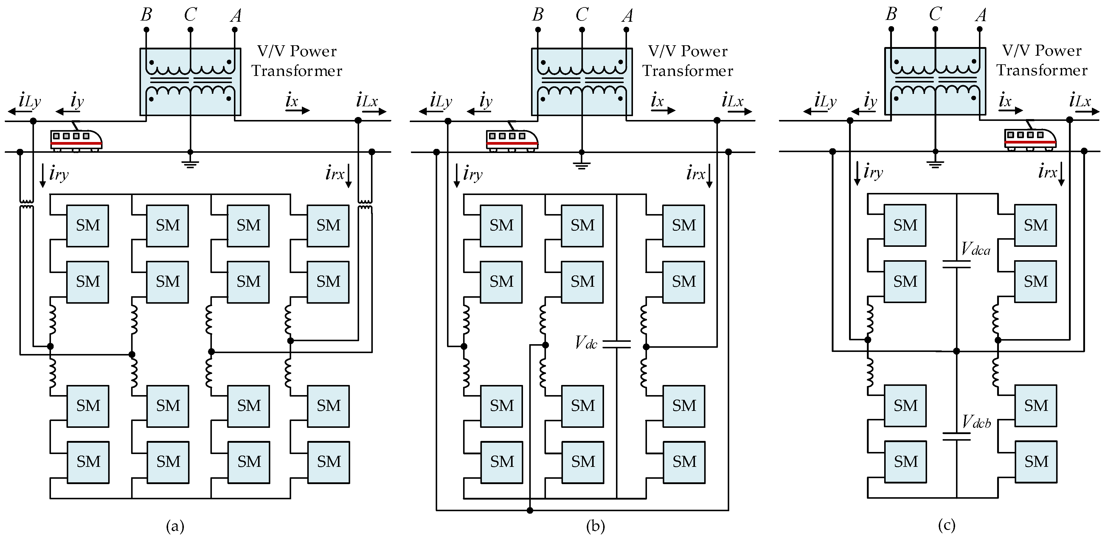
2.1. Rail Power Conditioner Topologies
2.2. Rail Power Conditioner Based on Half-Bridge Modular Multilevel Converter Control Algorithm
3. Implementation of a Reduced-Scale Laboratory Prototype RPC Based on Half-Bridge MMC
3.1. Parameters Design
3.2. Supplementary Power Equipment
3.3. Implementation of a Reduced-Scale Modular Multilevel Converter
3.3.1. IGBT Driver Circuit Board
3.3.2. Protection Circuit Board
3.3.3. Power Circuit Board
3.3.4. Final Modular Multilevel Converter Submodule
3.4. Control System Hardware
4. Experimental Results of the Laboratory Prototype RPC Based on Half-Bridge MMC
4.1. Experimental Results When Two Load Sections are Loaded
4.2. Experimental Results When One Load Section is Loaded
4.3. Discussion and Experimental Analysis
5. Conclusions
Author Contributions
Funding
Institutional Review Board Statement
Informed Consent Statement
Data Availability Statement
Conflicts of Interest
References
- Farnesi, S.; Marchesoni, M.; Vaccaro, L. Advances in Locomotive Power Electronic Systems Directly Fed through AC Lines. In Proceedings of the 2016 International Symposium on Power Electronics, Electrical Drives, Automation and Motion (SPEEDAM), Anacapri, Italy, 22–24 June 2016; pp. 657–664. [Google Scholar]
- Nesterov, N.; Bykov, A. Locomotive Noise Reduction. In MATEC Web of Conferences; EDP Sciences: Moscow, Russia, 2020; Volume 320, p. 00013. [Google Scholar]
- Perin, I.; Nussey, P.F.; Cella, U.M.; Tran, T.V.; Walker, G.R. Application of Power Electronics in Improving Power Quality and Supply Efficiency of AC Traction Networks. In Proceedings of the 2015 IEEE 11th International Conference on Power Electronics and Drive Systems, Sydney, Australia, 9–12 June 2015; pp. 1086–1094. [Google Scholar]
- He, Z.; Zheng, Z.; Hu, H. Power Quality in High-Speed Railway Systems. Int. J. Rail Transp. 2016, 4, 71–97. [Google Scholar] [CrossRef]
- Langerudy, A.T.; Mariscotti, A.; Abolhassani, M.A. Power Quality Conditioning in Railway Electrification: A Comparative Study. IEEE Trans. Veh. Technol. 2017, 66, 6653–6662. [Google Scholar] [CrossRef]
- Morais, V.A.; Afonso, J.L.; Carvalho, A.S.; Martins, A.P. New Reactive Power Compensation Strategies for Railway Infrastructure Capacity Increasing. Energies 2020, 13, 4379. [Google Scholar] [CrossRef]
- Gazafrudi, S.M.M.; Langerudy, A.T.; Fuchs, E.F.; Al-Haddad, K. Power Quality Issues in Railway Electrification: A Comprehensive Perspective. IEEE Trans. Ind. Electron. 2015, 62, 3081–3090. [Google Scholar] [CrossRef]
- Luo, A.; Wu, C.; Shen, J.; Shuai, Z.; Ma, F. Railway Static Power Conditioners for High-Speed Train Traction Power Supply Systems Using Three-Phase V/V Transformers. IEEE Trans. Power Electron. 2011, 26, 2844–2856. [Google Scholar] [CrossRef]
- Oso, H.; Kaneko, T.; Suzuki, A. Railway Static Power Conditioner for Shin-Kurobe Substation of Hokuriku Shinkansen. Fuji Electr. Rev. 2015, 61, 52–57. [Google Scholar]
- Tanta, M.; Pinto, G.; Monteiro, V.; Martins, A.P.; Carvalho, A.S.; Afonso, J.L. A Comprehensive Comparison of Rail Power Conditioners Based on Two-Level Converters and a V/V Power Transformer in Railway Traction Power Systems. In Proceedings of the 7th Transport Research Arena (TRA 2018), Vienna, Austria, 16–19 April 2018; pp. 1–10. [Google Scholar]
- Langerudy, A.T.; Mariscotti, A. Tuning of a Railway Power Quality Conditioner. In Proceedings of the 2016 18th Mediterranean Electrotechnical Conference (MELECON), Lemesos, Cyprus, 18–20 April 2016; pp. 1–7. [Google Scholar]
- Serrano-Jiménez, D.; Abrahamsson, L.; Castaño-Solís, S.; Sanz-Feito, J. Electrical Railway Power Supply Systems: Current Situation and Future Trends. Int. J. Electr. Power Energy Syst. 2017, 92, 181–192. [Google Scholar] [CrossRef]
- Afonso, J.L.; Cardoso, L.A.L.; Pedrosa, D.; Sousa, T.J.C.; Machado, L.; Tanta, M.; Monteiro, V. A Review on Power Electronics Technologies for Electric Mobility. Energies 2020, 13, 6343. [Google Scholar] [CrossRef]
- Tanta, M.; Barros, L.A.M.; Pinto, G.; Martins, A.P.; Afonso, J.L. Modular Multilevel Converter in Electrified Railway Systems: Applications of Rail Static Frequency Converters and Rail Power Conditioners. In Proceedings of the 2020 International Young Engineers Forum (YEF ECE), Costa da Caparica, Portugal, 3 July 2020; pp. 1–6. [Google Scholar]
- Kouro, S.; Malinowski, M.; Gopakumar, K.; Pou, J.; Franquelo, L.G.; Wu, B.; Rodriguez, J.; Pérez, M.A.; Leon, J.I. Recent Advances and Industrial Applications of Multilevel Converters. IEEE Trans. Ind. Electron. 2010, 57, 2553–2580. [Google Scholar] [CrossRef]
- Debnath, S.; Qin, J.; Bahrani, B.; Saeedifard, M.; Barbosa, P. Operation, Control, and Applications of the Modular Multilevel Converter: A Review. IEEE Trans. Power Electron. 2015, 30, 37–53. [Google Scholar] [CrossRef]
- Knaak, H.J. Modular Multilevel Converters and HVDC/FACTS: A Success Story. In Proceedings of the 2011 14th European Conference on Power Electronics and Applications, Birmingham, UK, 30 August–1 September 2011; pp. 1–6. [Google Scholar]
- Ronanki, D.; Williamson, S.S. Modular Multilevel Converters for Transportation Electrification: Challenges and Opportunities. IEEE Trans. Transp. Electrif. 2018, 4, 399–407. [Google Scholar] [CrossRef]
- Barros, L.A.M.; Tanta, M.; Martins, A.P.; Afonso, J.L.; Pinto, J.G. Opportunities and Challenges of Power Electronics Systems in Future Railway Electrification. In Proceedings of the 2020 IEEE 14th International Conference on Compatibility, Power Electronics and Power Engineering (CPE-POWERENG), Setubal, Portugal, 8–10 July 2020; Volume 1, pp. 530–537. [Google Scholar]
- Mohammadi, P.H.; Bina, M.T. A Transformerless Medium-Voltage STATCOM Topology Based on Extended Modular Multilevel Converters. IEEE Trans. Power Electron. 2011, 26, 1534–1545. [Google Scholar] [CrossRef]
- Feng, J.; Chu, W.Q.; Zhang, Z.; Zhu, Z.Q. Power Electronic Transformer-Based Railway Traction Systems: Challenges and Opportunities. IEEE J. Emerg. Sel. Top. Power Electron. 2017, 5, 1237–1253. [Google Scholar] [CrossRef]
- Xu, Q.; Ma, F.; He, Z.; Chen, Y.; Guerrero, J.M.; Luo, A.; Li, Y.; Yue, Y. Analysis and Comparison of Modular Railway Power Conditioner for High-Speed Railway Traction System. IEEE Trans. Power Electron. 2016, 32, 6031–6048. [Google Scholar] [CrossRef]
- Tanta, M.; Pinto, G.; Monteiro, V.; Martins, A.P.; Carvalho, A.S.; Afonso, J.L. Cost Estimation of Rail Power Conditioner Topologies Based on Indirect Modular Multilevel Converter in V/V and Scott Power Transformers. In Proceedings of the 4th International Conference on Energy and Environment: Bringing together Engineering and Economics, Guimarães, Portugal, 16 May 2019; pp. 365–370. [Google Scholar]
- Qin, F.; Hao, T.; Gao, F. A Railway Power Conditioner Using Direct AC-AC Modular Multilevel Converter. In Proceedings of the 2019 2nd International Conference on Smart Grid and Renewable Energy (SGRE), Doha, Qatar, 19–21 November 2019; pp. 1–5. [Google Scholar]
- Ma, F.; He, Z.; Xu, Q.; Luo, A.; Zhou, L.; Li, M. Multilevel Power Conditioner and Its Model Predictive Control for Railway Traction System. IEEE Trans. Ind. Electron. 2016, 63, 7275–7285. [Google Scholar] [CrossRef]
- Tanta, M.; Pinto, J.G.; Monteiro, V.; Martins, A.P.; Carvalho, A.S.; Afonso, J.L. Topologies and Operation Modes of Rail Power Conditioners in AC Traction Grids: Review and Comprehensive Comparison. Energies 2020, 13, 2151. [Google Scholar] [CrossRef]
- Lu, M.; Hu, J.; Zeng, R.; He, Z. Fundamental-Frequency Reactive Circulating Current Injection for Capacitor Voltage Balancing in Hybrid-MMC HVDC Systems During Riding Through PTG Faults. IEEE Trans. Power Deliv. 2018, 33, 1348–1357. [Google Scholar] [CrossRef]
- Krastev, I.; Tricoli, P.; Hillmansen, S.; Chen, M. Future of Electric Railways: Advanced Electrification Systems with Static Converters for AC Railways. IEEE Electrif. Mag. 2016, 4, 6–14. [Google Scholar] [CrossRef]
- He, X.; Peng, J.; Han, P.; Liu, Z.; Gao, S.; Wang, P. A Novel Advanced Traction Power Supply System Based on Modular Multilevel Converter. IEEE Access 2019, 7, 165018–165028. [Google Scholar] [CrossRef]
- Perez, M.A.; Bernet, S.; Rodriguez, J.; Kouro, S.; Lizana, R. Circuit Topologies, Modeling, Control Schemes, and Applications of Modular Multilevel Converters. IEEE Trans. Power Electron. 2015, 30, 4–17. [Google Scholar] [CrossRef]
- Tanta, M.; Pinto, J.G.; Monteiro, V.; Martins, A.P.; Carvalho, A.S.; Afonso, J.L. Deadbeat Predictive Current Control for Circulating Currents Reduction in a Modular Multilevel Converter Based Rail Power Conditioner. Appl. Sci. 2020, 10, 1849. [Google Scholar] [CrossRef]
- Tanta, M.; Monteiro, V.; Exposto, B.; Pinto, J.G.; Martins, A.P.; Carvalho, A.S.; Meléndez, A.A.N.; Afonso, J.L. Simplified Rail Power Conditioner Based on a Half-Bridge Indirect AC/DC/AC Modular Multilevel Converter and a V/V Power Transformer. In Proceedings of the IECON 2017—43rd Annual Conference of the IEEE Industrial Electronics Society, Beijing, China, 29 October–1 November 2017; pp. 6431–6436. [Google Scholar]
- Hagiwara, M.; Akagi, H. Control and Experiment of Pulsewidth-Modulated Modular Multilevel Converters. IEEE Trans. Power Electron. 2009, 24, 1737–1746. [Google Scholar] [CrossRef]
- Karimi-Ghartemani, M. Linear and Pseudolinear Enhanced Phased-Locked Loop (EPLL) Structures. IEEE Trans. Ind. Electron. 2014, 61, 1464–1474. [Google Scholar] [CrossRef]
- Ma, F.; Luo, A.; Xu, X.; Xiao, H.; Wu, C.; Wang, W. A Simplified Power Conditioner Based on Half-Bridge Converter for High-Speed Railway System. IEEE Trans. Ind. Electron. 2013, 60, 728–738. [Google Scholar] [CrossRef]
- Dai, N.; Wong, M. Design Considerations of Coupling Inductance for Active Power Filters. In Proceedings of the 2011 6th IEEE Conference on Industrial Electronics and Applications, Beijing, China, 21–23 June 2011; pp. 1370–1375. [Google Scholar]
- Tu, Q.; Xu, Z.; Huang, H.; Zhang, J. Parameter Design Principle of the Arm Inductor in Modular Multilevel Converter Based HVDC. In Proceedings of the 2010 International Conference on Power System Technology, Hangzhou, China, 24–28 October 2010; pp. 1–6. [Google Scholar]
- Harnefors, L.; Antonopoulos, A.; Norrga, S.; Angquist, L.; Nee, H. Dynamic Analysis of Modular Multilevel Converters. IEEE Trans. Ind. Electron. 2013, 60, 2526–2537. [Google Scholar] [CrossRef]
- Liu, L.; Dai, N. Hybrid Railway Power Conditioner Based on Half-Bridge Modular Multilevel Converter. In Proceedings of the 2016 IEEE Energy Conversion Congress and Exposition (ECCE), Milwaukee, WI, USA, 18–22 September 2016; pp. 1–7. [Google Scholar]
- Sharifabadi, K.; Harnefors, L.; Nee, H.-P.; Norrga, S.; Teodorescu, R. Design, Control and Application of Modular Multilevel Converters for HVDC Transmission Systems; Wiley-IEEE Press: Hoboken, NJ, USA, 2016; ISBN 978-1-118-85156-2. [Google Scholar]
- Barros, L.A.M.; Tanta, M.; Martins, A.P.; Afonso, J.L.; Pinto, J.G. STATCOM Evaluation in Electrified Railway Using V/V and Scott Power Transformers. In Proceedings of the Sustainable Energy for Smart Cities, SESC 2019, Braga, Portugal, 4–6 December 2019; Afonso, J.L., Monteiro, V., Pinto, J.G., Eds.; Springer International Publishing: Cham, Switzerland, 2020; pp. 18–32. [Google Scholar]
- Silicon Labs Si824x—Class D Audio Driver with Precision Dead-Time Generator. Available online: https://www.silabs.com/documents/public/data-sheets/Si824x.pdf (accessed on 9 October 2018).
- Tanta, M.; Cunha, J.; Monteiro, V.; Martins, A.P.; Carvalho, A.S.; Afonso, J.L. A Novel Hardware Protection Scheme for a Modular Multilevel Converter Half-Bridge Submodule. In Proceedings of the IECON 2019—45th Annual Conference of the IEEE Industrial Electronics Society, Lisbon, Portugal, 14–17 October 2019; Volume 1, pp. 6043–6048. [Google Scholar]
- Wang, H.; Blaabjerg, F. Reliability of Capacitors for DC-Link Applications in Power Electronic Converters—An Overview. IEEE Trans. Ind. Appl. 2014, 50, 3569–3578. [Google Scholar] [CrossRef]
- Gruson, F.; Kadri, R.; Colas, F.; Guillaud, X.; Delarue, P.; Bergé, M.; Dennetiere, S.; Bachir, T.O. Design, Implementation and Testing of a Modular Multilevel Converter. EPE J. 2017, 27, 153–166. [Google Scholar] [CrossRef]
- Texas Instruments TMS320F2833x, TMS320F2823x Digital Signal Controllers (DSCs). Available online: http://www.ti.com/lit/ds/symlink/tms320f28335.pdf (accessed on 18 October 2018).






























| Components | Symbols | Values |
|---|---|---|
| Electrolytic capacitor | Csm | 21 × 47 μF = 987 μF |
| Decoupling capacitor | Cde | 1.1 μF |
| Discharge resistor | Rdis | 5 kΩ |
| Parameters | Symbols | Values |
|---|---|---|
| Power grid RMS phase voltage | uA, uB, uC | 230 V |
| Phase x and phase y RMS voltage | ux, uy | 40 V |
| SM voltage | VSM | 80 V |
| MMC main DC-link voltage | Vdca + Vdcb | 160 V |
| Filter inductance of the arm | Lxu, Lxl, Lyu, Lyl | 1.6 mH |
| Load section inductance | Lx, Ly | 5 mH |
| Load resistor (section x) | Rx1 | 6.5 Ω |
| Load resistor (section y) | Ry1 | 4.34 Ω |
| Resistors to discharge the capacitors | Rx2, Ry2 | 33 kΩ |
| Capacitance of the filtering capacitors | Cx, Cy | 470 μF |
| Capacitance of the SM capacitor | CSM | 987 µF |
| Capacitance of the main DC-link capacitors | Cdca = Cdcb | 2820 µF |
| PWM SM switching frequency | fisw | 40 kHz |
| Modulating signal fundamental frequency | f | 50 Hz |
| Highest/Lowest duty-cycle | − | 0.92/0.08 |
Publisher’s Note: MDPI stays neutral with regard to jurisdictional claims in published maps and institutional affiliations. |
© 2021 by the authors. Licensee MDPI, Basel, Switzerland. This article is an open access article distributed under the terms and conditions of the Creative Commons Attribution (CC BY) license (http://creativecommons.org/licenses/by/4.0/).
Share and Cite
Tanta, M.; Cunha, J.; Barros, L.A.M.; Monteiro, V.; Pinto, J.G.O.; Martins, A.P.; Afonso, J.L. Experimental Validation of a Reduced-Scale Rail Power Conditioner Based on Modular Multilevel Converter for AC Railway Power Grids. Energies 2021, 14, 484. https://doi.org/10.3390/en14020484
Tanta M, Cunha J, Barros LAM, Monteiro V, Pinto JGO, Martins AP, Afonso JL. Experimental Validation of a Reduced-Scale Rail Power Conditioner Based on Modular Multilevel Converter for AC Railway Power Grids. Energies. 2021; 14(2):484. https://doi.org/10.3390/en14020484
Chicago/Turabian StyleTanta, Mohamed, Jose Cunha, Luis A. M. Barros, Vitor Monteiro, José Gabriel Oliveira Pinto, Antonio P. Martins, and Joao L. Afonso. 2021. "Experimental Validation of a Reduced-Scale Rail Power Conditioner Based on Modular Multilevel Converter for AC Railway Power Grids" Energies 14, no. 2: 484. https://doi.org/10.3390/en14020484
APA StyleTanta, M., Cunha, J., Barros, L. A. M., Monteiro, V., Pinto, J. G. O., Martins, A. P., & Afonso, J. L. (2021). Experimental Validation of a Reduced-Scale Rail Power Conditioner Based on Modular Multilevel Converter for AC Railway Power Grids. Energies, 14(2), 484. https://doi.org/10.3390/en14020484

