Abstract
This study focused on the efficiency improvement and acoustic noise reduction of brushless DC (BLDC) motors by reducing current harmonics using a novel BLDC commutation method. To achieve these goals, we designed an improved 150° commutation method for a three-phase permanent magnet BLDC motor that can improve the current waveform. Although the 120° commutation method is generally employed for BLDC motors, an improved 150° commutation method is introduced to operate the BLDC with increased efficiency and acoustic noise similar to a brushless AC motor. This study investigated the attributes of various commutation methods, both theoretically and experimentally, to determine the optimal commutation method. The results of this study indicate that the improved 150° commutation method is optimal in terms of harmonic attributes and reduced torque ripple, allowing it to improve motor efficiency and reduce acoustic noise.
1. Introduction
Many power plants that generate electricity use fossil fuels. However, the threats of global warming and resource depletion are increasing as a result of the use of fossil fuels. To mitigate these issues, electricity is being produced using new energy sources such as renewable energy, but these sources also have limitations. Therefore, it is necessary to increase the efficiency of applications that use electric energy.
Recently, the efficiency standards for industrial applications have been strengthened and industrial motors may need to meet the IE4 or IE5 efficiency classes [1]. In electric applications, the electrical energy consumption of motors accounts for 35% to 40% of the electrical energy generated worldwide [1,2,3].
Additionally, the noise of motors has recently been significantly reduced based on the development of inverter elements and inverter technology for motors, so motors are being used in many new applications. In particular, the combination of a permanent magnet motor and an inverter realizes high efficiency, high output power, and low acoustic noise. However, this type of motor has a disadvantage in that drives price increases for inverters.
Permanent magnet brushless DC (BLDC) motors are widely used in many applications, such as compressors, blowers, high-speed spindles, and electric bicycles, based on their high torque density, reliability, and efficiency [4,5,6]. In particular, most electric bicycles, which are personal means of transportation, utilize BLDC motors. Additionally, BLDC motor controllers are less expensive than those for permanent magnet motors driven by a sinusoidal current.
Although BLDC motors have many advantages, they also have disadvantages such as low efficiency, and increased acoustic noise and vibration compared to permanent magnet motors driven by sinusoidal currents.
Most of these disadvantages can be attributed to torque ripple and many studies have been conducted to overcome these disadvantages [7,8,9,10]. Most research on solving these problems focuses on control using conventional square-wave current. In this paper, we propose a method for improving efficiency and reducing acoustic noise and vibration by generating a back electromotive force (back-EMF) and sinusoidal current waveform using a conventional BLDC controller.
Generally, BLDC motors use three low-cost Hall sensors to obtain information regarding the position of the rotor and operate using a 120° commutation method. Additionally, BLDC motors require an ideal trapezoidal back-EMF waveform as a result of the direct input current. However, this negatively affects motor performance by reducing efficiency and increasing acoustic noise as a result of the notch phenomenon of current [11,12,13]. The notch phenomenon of current is an issue of current harmonics. Specifically, the current harmonics in BLDC motors cause the current to change rapidly during commutation.
The loss in a motor consists of iron loss, copper loss, mechanical loss, and windage loss. The losses caused by current harmonics manifest as iron and copper losses. As a result, based on the suboptimal harmonics of the current, the iron loss and copper loss are large, which negatively affects efficiency [7,8,9,14]. In this study, we attempted to improve the efficiency of BLDC motors by reducing current harmonics.
The acoustic noise of a motor can be broadly classified into three categories: electromagnetic acoustic noise, mechanical acoustic noise, and aerodynamic acoustic noise. This study focused on the reduction of electromagnetic acoustic noise caused by current harmonics, which is the main cause of acoustic noise in BLDC motors, by developing a new commutation method.
To minimize these effects, it is important that the back-EMF waveform of a BLDC motor is designed to be ideally sinusoidal. Additionally, it is essential to control commutation through the BLDC controller to obtain a phase voltage that is ideally sinusoidal. Therefore, the back-EMF and current waveforms must be sinusoidal, similar to those of a brushless AC (BLAC) motor, to increase efficiency [15,16,17,18,19]. A BLAC motor is also referred to as a permanent magnet synchronous motor. However, the conventional BLDC control method generates current harmonics as a result of the 120° commutation method. Additionally, to generate a sinusoidal current, a sensor, such as an encoder or resolver, as well as a microcontroller capable of performing complex calculations, are required, which inevitably increases motor cost.
Therefore, this study focused on a novel commutation method for generating a sinusoidal current waveform without requiring additional hardware. This paper proposes an improved 150° commutation method to generate a sinusoidal current waveform, which is compared to the traditional 120° and 150° commutation methods. The proposed method was validated analytically using a coupling analysis technique, as well as experimentally.
2. Design Flow and Design for BLDC Motor
2.1. Design Flow for BLDC Motor
When designing a motor, it is necessary to determine which applications it will be used in because the characteristics of motors vary depending on the target applications. The motor considered in this study was an electric bicycle motor. An electric bicycle motor must be capable of two-speed shifting and must be able to climb an incline of up to 15° at a speed of 4 km/h and operate at a speed of 30 km/h when the slope is 0°. The average load on an electric bicycle is considered to be 100 kg when considering the bicycle itself and a rider. The required targets of the motor, including torque, speed, voltage limit, and current limit, should be identified through the load analysis of an electric bicycle, as well as the specifications of the controller and battery. Figure 1 presents a load curve derived through load analysis, the design points, and the torque–speed curve (T-N curve). The design points are highlighted in Figure 1a. The required conditions for the electric bicycle can be confirmed through load analysis. The wheel T-N curve of the electric bicycle can be obtained through load analysis and selection of a two-speed shifting gear ratio, as shown in Figure 1b. Figure 1c presents the T-N curve of the motor. The wheel T-N curve in Figure 1b is determined by modifying it based on the motor curve. The motor T-N curve is selected by considering a margin of approximately 10% because motor losses are generated when the torque of the motor is transmitted to the wheel. The design points are listed in Table 1.
Figure 1.
Load analysis and T-N curve. (a) load curve according to slop angle. (b) wheel T-N curve according to gear ratio. (c) motor T-N curve.
Table 1.
Design points of the motor.
Figure 2 presents the design flow for the motor. Because the target motor is an electric bicycle motor, we selected a BLDC motor with high power density, high efficiency, and a low price. When the motor type and control type are selected in this manner, load calculations must be performed. Because the motor characteristics differ for each application, an accurate load calculation is required. We follow the load calculation for an electric vehicle because an electric bicycle can be considered as a form of electric vehicle. The output of a general vehicle is given by Equation (1).
where P is the total output power of the electric vehicle, Prolling is the output power of the friction on the ground, Pair-drag is the output power of the air resistance when the vehicle is running, Pslope is the output power of the vehicle going up a hill, and Pacceleration is the output power of the vehicle accelerating.
Figure 2.
Design flow for motor.
Following the load calculation of the electric bicycle motor, basic design was conducted to generate a magnetic circuit. We determined the number of poles and slots, shape of the stator and rotor, motor size, etc. through basic design. The details of the basic design are presented on the right side of Figure 2.
If the target characteristics are satisfied by the basic design, then a detailed design is generated through Finite Element Analysis (FEA). If the detailed design satisfies the target characteristics, then the motor design is complete.
2.2. BLDC Motor Design Results
In this study, an Interior Permanent Magnet (IPM)-type motor that can maximize torque was adopted, and the torque of the BLDC motor was maximized through advance angle control, which is similar to the current phase angle control of a traditional permanent magnet motor. Figure 3 presents the final design of the IPM-type BLDC motor’s shape and characteristics, including the back-EMF and torque at the design points. In particular, Figure 3d presents the current waveform at design point 1, which was simulated using a 120° commutation method when designing the BLDC motor. It can be confirmed that this current waveform is the same as the test results for the 120° commutation method. FEA was performed without the co-simulation of torque characteristics at the design points.
Figure 3.
Design results of IPM type BLDC motor: (a) IPM-type BLDC motor shape; (b) back EMF; (c) toque at design point 1; (d) current waveform at design point 1; (e) torque at design point 2.
3. Comparison of Commutation Methods
3.1. Generating the Sinusoidal Current for BLDC Motor
As stated earlier, if the back-EMF of the motor is designed to be sinusoidal, then a sinusoidal phase current must be applied to the motor to reduce torque ripple and increase efficiency. Equation (2) presents the general voltage equation for a BLDC motor. If the back-EMF is a sinusoidal wave, but the phase voltage is a square wave, then a sinusoidal phase current will not be obtained. Therefore, to obtain a sinusoidal current, each phase voltage waveform must be as sinusoidal as possible.
where I is the phase current, Vph is the phase voltage, and e and R are the back-EMF and phase resistance, respectively.
3.2. Definitions of Pole, Phase, and Neutral Voltage
In this section, the pole, phase, and neutral voltages are defined.
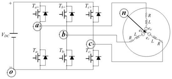
The pole voltage is defined as the potential difference from a to o, where vao, vbo, and vco denote the pole voltages in Figure 4.
Figure 4.
Motor and inverter drive circuit with defined voltages.
The phase voltage is defined as the potential difference from a to n, where van, vbn, and vcn denote the phase voltages in Figure 4.
The neutral voltage is defined as the potential difference from n to o, where vno denotes the neutral voltage in Figure 4.
The phase voltage can be expressed by Equation (3). Additionally, from Equations (2)–(5), we can obtain the expression of the neutral voltage in Equation (6).
Additionally, the neutral voltage can be determined using the pole voltage. Furthermore, by substituting the value of the neutral voltage into Equation (3), we can obtain the phase voltage.
Therefore, to obtain a sinusoidal phase voltage, the pole voltages must be controlled.
3.3. Pole, Neutral, and Phase Voltages According to Commutation Methods
Figure 5 presents the pole, neutral, and phase voltages of the general 120° and 150° commutation methods, as well as the improved 150° commutation method. As shown in Figure 5b, although the 150° commutation method results in lower phase voltage harmonics than the 120° commutation method (Figure 5a), the phase voltage harmonics for the 150° commutation method are still high [20].
Figure 5.
Pole, neutral, and phase voltages of commutation methods (a) 120° commutation (b) 150° commutation (c) improved 150° commutation.
Therefore, this paper presents an improved 150° commutation method for reducing the harmonics compared to the traditional 150° commutation method. As shown in Figure 5c, it is clear that the harmonics are significantly reduced compared to the 120° commutation method. To realize the improved 150° commutation, a pole voltage of Vdcsin60° should be applied in the 15° to 45°, 75° to 105°, and 135° to 165° ranges of the general 150° commutation.
When the pole voltage is applied in the improved 150° commutation method, the applied phase voltage becomes more sinusoidal than those in the general 120° and 150° commutation methods, thereby increasing motor efficiency.
3.4. Extension of Improved 150° Commutation Method
Although it was not applied to this motor, there is another potential extension of the improved 150° commutation method. As stated in the previous sections, a sinusoidal phase voltage can be obtained by using the improved 150° commutation method, where each electrical period can be divided into 12 sections. The extension of the commutation method involves the division of each electrical period into 36 or 72 sections, as shown in Figure 6. In this manner, a phase voltage that is close to an ideal sine wave, such as that of a BLAC motor, can be obtained.
Figure 6.
Extension of commutation method: (a) 36 divisions; (b) 72 divisions.
The reason for not applying the extension of the commutation method in the target motor is the variable speed loads observed in electric vehicles and bicycles. However, the extension of the commutation method can be used for constant-speed loads in devices such as fan motors.
3.5. Consideration of Commutation Methods
A voltage phasor diagram of the general 120° commutation is presented in Figure 7a. One can see that the 120° commutation method cannot achieve a sinusoidal phase voltage because the voltage phasor diagram is hexagonal in shape. Voltage phasor diagrams of the 150° commutation and improved 150° commutation are presented in Figure 7b,c, respectively. To generate a sinusoidal phase voltage, the shape of the voltage phasor diagram must be similar to a circle, such as that of BLAC control. As shown in Figure 7c, the voltage phasor diagram of the improved 150° commutation is close to a circle.
Figure 7.
Voltage phasor diagram of commutation method. (a) 120° commutation method. (b) 150° commutation method. (c) Improved 150° commutation method.
4. Applied Motor and Analysis Results
4.1. Applied Motor Specifications
The required motor specifications for the proposed model are listed in Table 2. One can see that the motor must yield 2.45 Nm at 1325 rpm (base speed) and 0.45 Nm at 3930 rpm (maximum speed). This type of BLDC motor satisfies the required 36 Vdc input voltage and 20 Arms maximum current.
Table 2.
Performance requirements and specifications.
Figure 8 presents the designed BLDC motor and back-EMF waveform. The motor type is an IPM motor, which is designed with concentrated windings and a divided core based on size limitations.
Figure 8.
Designed BLDC motor and back-EMF waveform.
4.2. Analysis Results of Co-Simulation
To prove the efficacy of the improved 150° commutation method proposed in this paper, each commutation method attribute was analyzed. A BLDC control circuit was established and a co-simulation using the FEA was performed.
The control logic and circuit for co-simulation are presented in Figure 9. The pole, neutral, and phase voltages obtained from the co-simulation are presented in Figure 10. Table 3 and Figure 11 present the analysis results of the co-simulation. The improved 150° commutation method stands out in terms of torque ripple and efficiency.
Figure 9.
Control logic and circuit for co-simulation.
Figure 10.
Pole, neutral, and phase voltages from co-simulation: (a) 120° commutation method; (b) 150° commutation method; (c) improved 150° commutation method.
Table 3.
Results of co-simulation.
Figure 11.
Torque from co-simulation using different commutation methods at 1325 rpm.
5. Experiment Results
5.1. Performance Testing of the BLDC Motor
Figure 12 presents the experimental equipment used for performance testing, as well as the experimental current waveforms of the 120° and 150° and improved 150° commutation methods. Figure 13 presents the experimental current Fast Fourier Transform (FFT) results for the 120° and 150° and improved 150° commutation methods. As shown in Figure 12, the improved 150° commutation method approximates sinusoidal current waveforms and has the lowest current for the same torque. Additionally, the fact that the improved 150° commutation method consumes the least current to yield 2 Nm at 1325 rpm reflects its efficiency improvements.
Figure 12.
Experimental current waveforms.
Figure 13.
Experimental current FFT results.
The Total Harmonic Distortion (THD) analysis results of each method are presented in Figure 13 and Table 4. Table 4 reveals that the current harmonics of the proposed commutation method are reduced by approximately five times compared to those of the 120° commutation method and approximately two times compared to those of the 150° commutation method. Therefore, the improved 150° commutation method reduces the current harmonics, thereby significantly reducing the torque ripple and improving efficiency.
Table 4.
Performance results of experiment of the motor.
5.2. Acoustic Noise and Vibration Testing of the BLDC Motor
This section describes the results of acoustic noise and vibration tests for each commutation method. Figure 14 presents the experimental equipment used for acoustic noise and vibration testing. Figure 14a presents the anechoic room used for acoustic noise and vibration testing and Figure 14b presents the microphone for acoustic noise testing and the vibration sensor for vibration tests.
Figure 14.
Experimental equipment for acoustic noise and vibration test. (a) Anechoic room, DC power supply and outside motor control computer. (b) Acoustic noise microphone and vibration sensor in anechoic room.
The motor was controlled using a computer installed outside the room. These tests were performed without any load because the acoustic noise and vibration of the dynamo affected the test motor during the loaded test. These tests were performed at 1325 rpm.
Figure 15 presents the results of the acoustic noise and vibration testing for each commutation method. Because the acoustic noise and vibration of the anechoic room are included in the results, the basic acoustic noise and vibration of the anechoic room are presented in Figure 15a.

Figure 15.
Results of acoustic noise and vibration testing at 1325 rpm: (a) basic acoustic noise and vibration results in anechoic room; (b) 120° commutation method; (c) 150° commutation method; (d) improved 150° commutation method.
Because the results in Figure 15b–d include the basic acoustic noise and vibration of the anechoic room, the basic acoustic noise and vibration data of the anechoic room were subtracted from the measured data for each commutation method. The final acoustic noise and vibration results for the motor are presented in Figure 16 and Figure 17, respectively.
Figure 16.
Results of acoustic noise of the motor at 1325 rpm: (a) 120° commutation method; (b) 150° commutation method; (c) improved 150° commutation method.
Figure 17.
Results of vibration of the motor: (a) 120° commutation method; (b) 150° commutation method; (c) Improved 150° commutation method.
One can see that the acoustic noise and vibration of the improved 150° commutation method are improved compared to those of the other commutation methods. Table 5 lists the acoustic noise and vibration values for each commutation method.
Table 5.
Total acoustic noise and vibration according to each commutation.
6. Conclusions
BLDC motors have many advantages and disadvantages, as discussed throughout this paper. BLDC motors have high efficiency and less acoustic noise and vibration compared to DC motors or induction motors, but they require improvements because their efficiency is low and their acoustic noise and vibration are high compared to permanent magnet motors driven by sinusoidal currents.
The research conducted in this study focused on BLDC motor characteristics for different commutation methods. Analysis was conducted using co-simulation of the control circuit and magnetic field through FEA. The analytical method presented in this paper realizes a realistic input current waveform. In particular, it is important to minimize current harmonics because they are closely and significantly related to core loss, permanent magnet loss, and torque ripple.
We concluded that the proposed improved 150° commutation method reduces current harmonics, thereby significantly improving performance and reducing acoustic noise and vibration. Therefore, the improved 150° commutation method is ideal in fields where efficiency, acoustic noise, vibration, and cost are important.
The target of this study was an electric bicycle motor using variable-speed control. In future research, we plan to study advance angle control similar to the current phase angle control in permanent magnet motors driven by sinusoidal currents without increasing battery voltage.
Author Contributions
Conceptualization, methodology, and validation, C.-S.J.; formal analysis, C.-M.K. and I.-J.K.; investigation, resources, and data curation, C.-S.J., C.-M.K. and I.-J.K.; writing—original draft preparation, C.-S.J.; writing—review and editing, and supervision, I.J.; project administration, I.J. All authors have read and agreed to the published version of the manuscript.
Funding
This paper was supported by Wonkwang University in 2019.
Institutional Review Board Statement
Not applicable.
Informed Consent Statement
Not applicable.
Data Availability Statement
Not applicable.
Conflicts of Interest
The authors declare no conflict of interest.
References
- Kim, H.W.; Park, Y.J.; Oh, S.T.; Jang, H.; Won, S.H.; Chun, Y.D.; Lee, J. A Study on the Rotor Design of Line Start Synchronous Reluctance Motor for IE4 Efficiency and Improving Power Factor. Energies 2020, 13, 5774. [Google Scholar] [CrossRef]
- Almeida, A.T.D.; Ferreira, F.J.T.E.; Baoming, G. Beyond, Induction Motors-Technology Trends to Move Up Efficiency. IEEE Ind. Appl. 2014, 50, 2103–2114. [Google Scholar] [CrossRef]
- Almeida, A.T.D.; Ferreira, F.J.T.E.; Duarte, A.Q. Technical and Economical Considerations on Super High-Efficiency Three-Phase Motors. IEEE Ind. Appl. 2014, 50, 1274–1285. [Google Scholar] [CrossRef]
- Singh, P.K.; Singh, B.; Bist, V.; Al-Haddad, K.; Chandra, A. BLDC Motor Drive Based on Bridgeless Landsman PFC Converter With Single Sensor and Reduced Stress on Power Devices. IEEE Trans. Ind. Appl. 2018, 54, 625–635. [Google Scholar] [CrossRef]
- Wang, H.; Lu, S.; Qian, G.; Ding, J.; Liu, Y.; Wang, Q. A Two-Step Strategy for Online Fault Detection of High-Resistance Connection in BLDC Motor. IEEE Trans. Power Electron. 2020, 35, 3043–3053. [Google Scholar] [CrossRef]
- Yang, L.; Zhao, J.; Yang, L.; Liu, X.; Zhao, L. Investigation of a Stator-Ironless Brushless DC Motor With Non-Ideal Back-EMF. IEEE Access 2019, 7, 28044–28054. [Google Scholar] [CrossRef]
- Carlson, R.; Lajoie-Mazenc, M.; Fagundes, J.C.D.S. Analysis of torque ripple due to phase commutation in brushless DC machines. IEEE Trans. Ind. Appl. 1992, 28, 632–638. [Google Scholar] [CrossRef]
- Xia, C.; Xiao, Y.; Chen, W.; Shi, T. Torque ripple reduction in brushless dc drives based on reference current optimization using integral variable structure control. IEEE Trans. Ind. Electron. 2014, 61, 738–752. [Google Scholar] [CrossRef]
- Shi, J.; Li, T.C. New method to eliminate commutation torque ripple of brushless DC motor with minimum commutation time. IEEE Trans. Ind. Electron. 2013, 60, 2139–2146. [Google Scholar] [CrossRef]
- Lee, H.W.; Kim, T.H.; Ehsani, M. Practical control for improving power density and efficiency of the BLDC generator. IEEE Trans. Power Electron. 2005, 20, 192–199. [Google Scholar] [CrossRef]
- Song, X.; Han, B.C.; Zheng, S.; Fang, J.C. High-Precision Sensorless Drive for High-Speed BLDC Motors Based on the Virtual Third Harmonic Back-EMF. IEEE Trans. Power Electron. 2018, 33, 1528–1540. [Google Scholar] [CrossRef]
- Kishore, N.; Singh, S. Torque ripples control and speed regulation of Permanent magnet Brushless dc Motor Drive using Artificial Neural Network. In Proceedings of the Recent Advances in Engineering and Computational Sciences (RAECS), Chandigarh, India, 6–8 March 2014; pp. 6–8. [Google Scholar]
- Park, Y.U.; Cho, J.H.; Kim, D.K. Cogging Torque Reduction of Single-Phase Brushless DC Motor With a Tapered Air-Gap Using Optimizing Notch Size and Position. IEEE Trans. Ind. Appl. 2015, 51, 4455–4463. [Google Scholar] [CrossRef]
- Berendsen, C.; Champenois, G.; Bolopion, A. Commutation strategies for brushless DC motors: Influence on instant torque. IEEE Trans. Power Electron. 1993, 8, 231–236. [Google Scholar] [CrossRef]
- Zhou, X.; Zhou, Y.; Peng, C.; Zeng, F.; Song, X. Sensorless BLDC motor commutation point detection and phase deviation correction method. IEEE Trans. Power Electron. 2019, 34, 5880–5892. [Google Scholar] [CrossRef]
- Lee, T.; Seo, M.; Kim, Y.; Jung, S. Motor design and characteristics comparison of outer-rotor-type BLDC motor and BLAC motor based on numerical analysis. IEEE Trans. Appl. Supercond. 2016, 26, 5205506. [Google Scholar] [CrossRef]
- Bae, J.N.; Kim, S.J.; Go, S.C.; Lee, H.W.; Chun, Y.D.; Lee, C.J.; Lee, J. Novel Configuration of the Magnetizing Fixture for a Brushless Permanent-Magnet Motor. IEEE Trans. Magn. 2009, 45, 2807–2810. [Google Scholar]
- Lee, H.W.; Lee, K.D.; Kim, W.H.; Jang, I.S.; Kim, M.J.; Lee, J.J.; Lee, J. Parameter Design of IPMSM With Concentrated Winding Considering Partial Magnetic Saturation. IEEE Trans. Magn. 2011, 47, 3653–3656. [Google Scholar] [CrossRef]
- Park, S.J.; Park, H.W.; Lee, M.H.; Harashima, F. A new approach for minimum-torque-ripple maximum-efficiency control of BLDC motor. IEEE Trans. Ind. Electron. 2000, 47, 109–114. [Google Scholar] [CrossRef]
- Lu, H.; Zhang, L.; Qu, W. A new torque control method for torque ripple minimization of BLDC motors with un-ideal back EMF. IEEE Trans. Power Electron. 2008, 23, 950–958. [Google Scholar] [CrossRef]
Publisher’s Note: MDPI stays neutral with regard to jurisdictional claims in published maps and institutional affiliations. |
© 2021 by the authors. Licensee MDPI, Basel, Switzerland. This article is an open access article distributed under the terms and conditions of the Creative Commons Attribution (CC BY) license (https://creativecommons.org/licenses/by/4.0/).