Application of ORC in a Distributed Integrated Energy System Driven by Deep and Shallow Geothermal Energy
Abstract
:1. Introduction
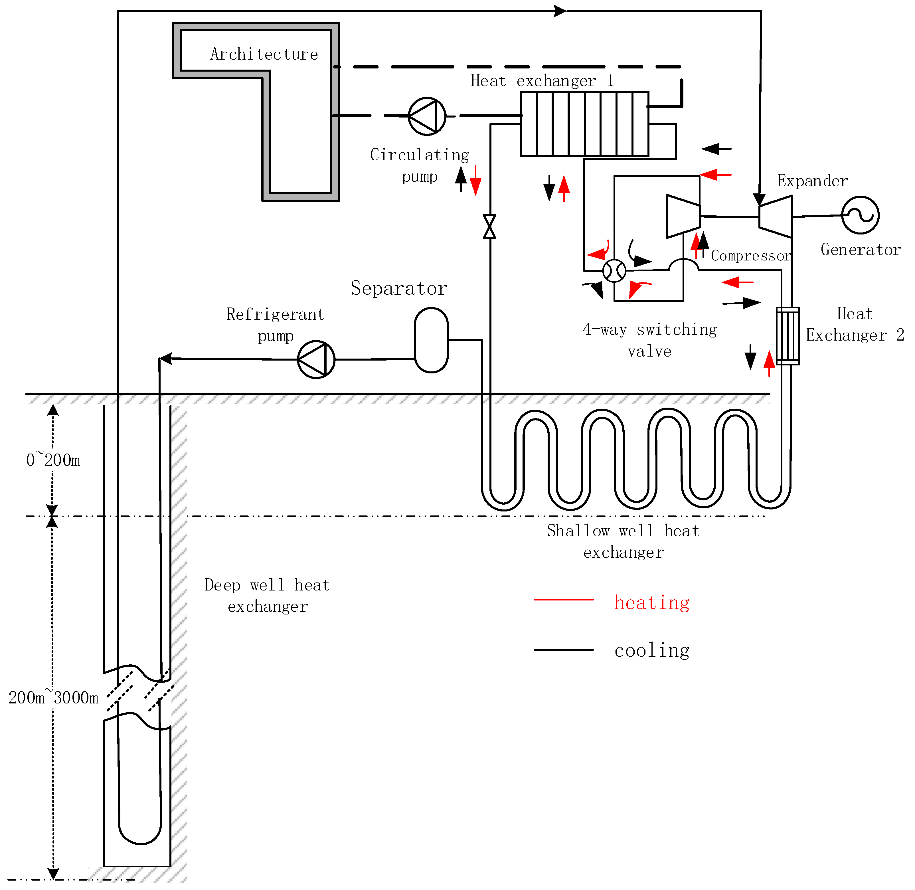
2. Geothermal-Driven Integrated Energy Systems for Buildings
3. Thermodynamic Model for the Integrated Energy System
3.1. Preliminary Selection of the Working Fluid
- (1)
- The solidification temperature is lower than the lowest possible temperature of the cycle, and the triple point temperature is lower than the ambient temperature.
- (2)
- It has a good thermal conductivity and a low viscosity.
- (3)
- No corrosion, no combustion and stable chemical properties.
- (4)
- Ozone depletion potential (ODP) is zero and global warming potential (GWP) is low.
- (5)
- No toxicity to the human body.
3.2. System Hypothesis and Parameter Setting
- (1)
- The system works stably.
- (2)
- The heat loss and pressure loss in the thermodynamic process of the system are not considered.
- (3)
- The efficiency of mechanical equipment is calculated according to the conventional equipment parameters (as shown in Table 3).
3.3. Thermodynamic Calculation of the Coupling System
4. Analysis of Cycle Calculation Results
4.1. Thermal Characteristics of the Integrated Energy System Based on Geothermal Wells
- (1)
- Winter heating and power generation mode (set the annual operation hours as 3000 h): in this mode, the output power of the expander can not only meet the heating requirements required to drive the compressor, but also the remaining expansion work can be used to drive the generator for power generation.
- (2)
- Summer refrigeration and power generation mode (set the annual operation hours as 2000 h): in this mode, the output power of the expander can not only meet the refrigeration requirements required to drive the compressor, but also the remaining expansion work can be used to drive the generator for power generation. The simulation results show that in summer, the refrigerant condenses in the shallow heat exchanger. Because the temperature of the shallow well is lower than the ambient temperature in summer, the pressure ratio of the compressor decreases with the decrease of the condensation temperature, which improves the COP of the refrigeration cycle.
- (3)
- Transition season power generation mode (set the annual operation hours as 3000 h): in this mode, there is no demand for cooling and heating on the user side. At this time, the coupling between the compressor and the expander is disconnected, and all the output power of the expander is used for the generator power generation. The generated electricity is not only used for the system’s own use, but also for the grid.
4.2. Comparative Analysis of the Distributed Integrated Energy System with Traditional Independent Distribution Systems
5. Outlook on ORC in the Distributed Integrated Energy System Driven by Deep and Shallow Geothermal
6. Conclusions
- (1)
- In the heating and power generation mode, the thermal efficiency of the integrated energy system is 12.18%, which is significantly higher than that in the cooling and power generation mode and the single power generation mode. The efficiency increase rate is 16%.
- (2)
- The annual heat-obtaining quantity of the shallow geothermal well of the established integrated energy systems is 11.18% lower than that obtained by single power generation, indicating that the integrated energy system can better maintain the balance of an annual temperature field of shallow geothermal energy.
- (3)
- Compared with the traditional independent sub supply system (only using geothermal power generation and heat pump units throughout the year), the integrated energy system generates 1.59 × 109 kJ more electricity per year, which is approximately 31% higher.
Author Contributions
Funding
Conflicts of Interest
References
- Takada, H.H.; Ribeiro, C.O.; Costa, O.L.; Stern, J.M. Gini and Entropy-Based Spread Indexes for Primary Energy Consumption Efficiency and CO2 Emission. Energies 2020, 13, 4938. [Google Scholar] [CrossRef]
- Martins, F.; Felgueiras, C.; Smitkova, M.; Caetano, N. Analysis of Fossil Fuel Energy Consumption and Environmental Impacts in European Countries. Energies 2019, 12, 964. [Google Scholar] [CrossRef] [Green Version]
- Clauser, C.; Ewert, M. The renewables cost challenge: Levelized cost of geothermal electric energy compared to other sources of primary energy—Review and case study. Renew. Sustain. Energy Rev. 2018, 82, 3683–3693. [Google Scholar] [CrossRef]
- Lilin, X.; Lan, X. Understanding and suggestions on the formulation of China’s energy low carbon “14th five year plan” and working fluid and long term development plan. Int. Pet. Econ. 2020, 28, 1–10. [Google Scholar]
- Yunzhou, Z.; Hongcai, D.; Xiaoyu, W.; Rui, C.; Ning, Z. Development trend and key issues of integrated energy services in China. China Electr. Power 2021, 54, 1–10. [Google Scholar]
- Wang, G.L.; Zhang, W.; Liang, J.Y.; Lin, W.J.; Liu, Z.M.; Wang, W.L. Evaluation of geothermal resources potential in China. Acta Geosci. Sin. 2017, 4, 449–450. [Google Scholar]
- Zhu, J.; Hu, K.; Lu, X.; Huang, X.; Liu, K.; Wu, X. A review of geothermal energy resources, development, and applications in China: Current status and prospects. Energy 2015, 93, 466–483. [Google Scholar] [CrossRef]
- Wei, G.; Renhu, T. Electric power industry under 2060 carbon neutral target. Energy 2020, 142, 14–21. [Google Scholar]
- Xian, L.Z.; Rui, L.; Hao, G.; Fengnian, Z. Spatial analysis of geothermal industry development in China. Int. Pet. Econ. 2021, 29, 40–47. [Google Scholar]
- Tianshu, T.; Huimin, W.; Jiachao, H.; Xiaohan, Z. Analysis on utilization status and development opportunities of geothermal energy in China. J. Petrochem. Manag. Cadre Coll. 2020, 22, 62–66. [Google Scholar]
- Jinhua, Z.; Wei, W.; Dong, D.; Xinghua, W.; Pei, W. Development, utilization and sustainable development of geothermal resources. Sino Foreign Energy 2013, 18, 30–35. [Google Scholar]
- Chao, L.; Jinliang, X. Selection of ORC working fluids for medium and low temperature geothermal power generation. Renew. Energy 2014, 32, 1188–1194. [Google Scholar]
- Hongwei, G.; Pengfei, Y.; Chao, Z.; Jie, Y. Thermal economy analysis of subcritical ORC power generation system. J. Tianjin Univ. Technol. 2020, 36, 31–35. [Google Scholar]
- Hepbasli, A.; Akdemir, O. Energy and exergy analysis of a ground source (geothermal) heat pump system. Energy Convers. Manag. 2004, 45, 734–753. [Google Scholar] [CrossRef]
- Maddah, S.; Goodarzi, M.; Safaei, M.R. Comparative study of the performance of air and geothermal sources of heat pumps cycle operating with various refrigerants and vapor injection. AEJ-Alex. Eng. J. 2020, 59, 4037–4047. [Google Scholar] [CrossRef]
- Jung, Y.; Kim, J.; Kim, H.; Nam, Y.; Cho, H.; Lee, H. Comprehensive multi-criteria evaluation of water source heat pump systems in terms of building type, water source, and water intake distance. Energy Build. 2021, 236, 110765. [Google Scholar] [CrossRef]
- Deng, Z. Modeling of Standing Column Wells in Ground Source Heat Pump Systems. Ph.D. Thesis, Oklahoma State University, Stillwater, OK, USA, 2004. [Google Scholar]
- Dijkshoorn, L.; Speer, S.; Pechnig, R. Measurements and Design Calculations for a Deep Coaxial Borehole Heat Exchanger in Aachen, Germany. Int. J. Geophys. 2013, 2013, 14. [Google Scholar] [CrossRef]
- Dai, C.; Li, J.; Shi, Y.; Zeng, L.; Lei, H. An experiment on heat extraction from a deep geothermal well using a downhole coaxial open loop design. Appl. Energy 2019, 252, 113447. [Google Scholar] [CrossRef]
- LMa; Zhao, Y.; Yin, H.M.; Zhao, J.; Li, W.; Wang, H. A coupled heat transfer model of medium -depth downhole coaxial heat exchanger based on the piecewise analytical solution. Energy Convers. Manag. 2019, 204, 112308. [Google Scholar]
- Frau, C.; Maggio, E.; Poggi, F.; Melis, E.; Floris, F.; Orrù, P.F. Low-enthalpy geothermal systems for air conditioning: A case study in the Mediterranean climate. Energy Procedia 2018, 148, 527–534. [Google Scholar] [CrossRef]
- Dang, X.Y.; Lei, F.; Wang, F. An Analysis of the Technique and Economics of the Geothermal-Source Heat Pump Air-Conditioning System. J. Appl. Sci. 2003, 21, 377–380. [Google Scholar]
- Guzovic, Z.; Raskovic, P.; Blataric, Z. The comparision of a basic and a dual-pressure ORC (ORC): Geothermal Power Plant Velika Ciglena case study. Energy 2014, 76, 175–186. [Google Scholar] [CrossRef]
- Coskun, A.; Bolatturk, A.; Kanoglu, M. Thermodynamic and economic analysis and optimization of power cycles for a medium temperature geothermal resource. Energy Convers. Manag. 2014, 78, 39–49. [Google Scholar] [CrossRef]
- Pastor-Martinez, E.; Rubio-Maya, C.; Ambriz-Díaz, V.M.; Belman-Flores, J.M.; Pacheco-Ibarra, J.J. Energetic and exergetic performance comparison of different polygeneration arrangements utilizing geothermal energy in cascade. Energy Convers. Manag. 2018, 168, 252–269. [Google Scholar] [CrossRef]
- DiPippo, R. Geothermal power plants: Evolution and performance assessments. Geothermics 2015, 53, 291–307. [Google Scholar] [CrossRef]
- Nieves, O.; Nancarrow, T.; Mackinnon, J. A meta-study of the effect of thermodynamic parameters on the efficiency of geothermal power plants worldwide. PAM Rev. Energy Sci. Technol. 2016, 3, 27–28. [Google Scholar] [CrossRef]
- Zhonghe, H.; Yan, D.; Zhi, W. Selection of working medium for low temperature waste heat recovery system of ORC. Prog. Chem. Ind. 2014, 33, 2279–2285. [Google Scholar]
- Luyao, T. Optimal Operation Strategy of Ground Source Heat Pump Coupled with Cold and Heat Sources; Beijing Jianzhu University: Beijing, China, 2020. [Google Scholar]
- Hongjiu, R.; Sumin, Z. Analysis on the main controlling factors of geothermal heating economy-Taking Tianjin as an example. China Land Resour. Econ. 2018, 31, 41–45. [Google Scholar]
- Boyaghchi, F.A.; Chavoshi, M.; Sabeti, V. Optimization of a novel combined cooling, heating and power cycle driven by geothermal and solar energies using the water/CuO (copper oxide) nanofluid. Energy 2015, 91, 685–699. [Google Scholar] [CrossRef]
- Xu, Q.; Gong, Y.; Luo, C.; Yao, Y.; Lu, Z.; Ma, W. Research progress of solar geothermal power generation system. New Energy Prog. 2016, 5, 404–410. [Google Scholar]
- Zhao, J.; Hu, L.; Wang, Y.; Yin, H.; Deng, S.; Li, W.; Du, Y.; An, Q. How to Rapidly Predict the Performance of ORC: Optimal Empirical Correlation based on Cycle Separation. Energy Convers. Manag. 2019, 188, 86–93. [Google Scholar] [CrossRef]
- Lee, I.; Tester, J.W.; You, F. Systems analysis, design, and optimization of geothermal energy systems for power production and polygeneration: State-of-the-art and future challenges. Renew. Sustain. Energy Rev. 2019, 109, 551–577. [Google Scholar] [CrossRef]
- Linke, P.; Papadopoulos, A.I.; Seferlis, P. Systematic Methods for Working Fluid Selection and the Design, Integration and Control of ORCs—A Review. Energies 2015, 8, 4755–4801. [Google Scholar] [CrossRef]
- Costante, I.; Nadeem, S. High-Efficiency Small-Scale Combined Heat and Power Organic Binary Rankine Cycles. Energies 2018, 11, 994. [Google Scholar]
- Saboora, K.; Nasser Mohammed, A.; ManHoe, K. Thermodynamic Study of a Combined Power and Refrigeration System for Low-Grade Heat Energy Source. Energies 2021, 14, 410. [Google Scholar]
- Huijun, L.; Kaina, G.; Chao, M. Selection of organic working fluids for power generation based on different temperature heat sources. Steam Turbine Technol. 2013, 55, 251–254. [Google Scholar]
- Peng, L.; Zhonghe, H.; Zhongkai, M.; Xu, H.; Zhi, W. Low temperature superheated ORC working fluid selection and parameter optimization. Acta Sol. Energy Sin. 2018, 39, 2393–2402. [Google Scholar]









| System | Geothermal Source | Output/Efficiency | Time | Ref. |
|---|---|---|---|---|
| Heating | geothermal source heat pump | 85 kW (COP = 2–3.5) | 2004 2020 | [14] [15] |
| water source heat pump | 105–580 kW | 2004 | [16] [17] | |
| borehole heat exchangers | 200–300 kW | 2013 | [18] | |
| deep downhole coaxial heat exchanger | 700–1000 kW | 2019 | [19] [20] | |
| Cooling | air conditioning | 169 kW (COP = 5.5) | 2018 2003 | [21] [22] |
| Power | Power generation | 3949 kW | 2014 2021 | [23] [24] |
| Integrated system | heating-power cooling-power cooling-Heating and Power | 6.9–10.6% | 2014 2018 | [25] [26] |
| Working Fluid | Critical Temperature (°C) | Molecular Weight (kg/kMOL) | Molecular Formula | Standard Boiling Point (°C) | Critical Pressure (MPa) | ODP | GWP |
|---|---|---|---|---|---|---|---|
| R134a | 101.06 | 102.03 | C2H2F4 | −26.07 | 4.06 | 0 | 1300 |
| R152a | 113.26 | 66.05 | C2H4F2 | −24.02 | 4.52 | 0 | 124 |
| R236ea | 139.29 | 152.04 | CF3CHFCHF2 | 6.17 | 3.42 | 0 | 710 |
| R245fa | 154.01 | 134.05 | CF3CH2CHF2 | 15.14 | 3.65 | 0 | 950 |
| R245ca | 174.42 | 134.05 | CHF2CF2CH2F | 25.26 | 3.94 | 0 | 560 |
| Parameter | Symbol | Unit | Set Value |
|---|---|---|---|
| Mass flow rate of working fluid B | kg/s | 15 | |
| Isentropic efficiency of the compressor | ηcomp | % | 75 |
| Isentropic efficiency of the working fluid pump | ηpum | % | 80 |
| Relative internal efficiency of the expander | ηtur | % | 80 |
| Transmission mechanical efficiency | ηc | % | 90 |
| Generator efficiency | ηmotor | % | 95 |
| Geothermal temperature of the shallow well | TL | °C | 18 |
| Outlet temperature of working fluid B in the deep well | TH | °C | 120 |
| Cold water inlet temperature | Tin−l | °C | 12 |
| Cold water outlet temperature | Tout−l | °C | 7 |
| Hot water inlet temperature | Tin−h | °C | 45 |
| Hot water outlet temperature | Tout−h | °C | 50 |
| Category | Heating and Power Generation | Refrigeration and Power Generation | Independent Generation | |
|---|---|---|---|---|
| Annual operating hours | 2000 h | 3000 h | 3000 h | |
| ORC system | Inlet temperature of the expander | 120 °C | 120 °C | 120 °C |
| Condensation temperature of the shallow well | 30 °C | 40 °C | 40 °C | |
| Heating and cooling system | Isentropic efficiency of the compressor | 0.75 | 0.75 | / |
| Evaporation temperature | 11 °C | 5 °C | / | |
| Inspiratory temperature | 16 °C | 7 °C | / | |
| Condensation temperature | 52 °C | 25 °C | / | |
| Category | Refrigeration and Power Generation | Heating and Power Generation | Independent Generation |
|---|---|---|---|
| Heat absorption of the deep well (kW) | 3810 | 4020 | 3827 |
| Output work (kW) | 399 | 489 | 399 |
| Thermal efficiency (%) | 10.47 | 12.18 | 10.43 |
| Annual heat-obtaining quantity of the shallow well (kJ) | 3.11 × 1010 | 1.85 × 1010 | 3.62 × 1010 |
Publisher’s Note: MDPI stays neutral with regard to jurisdictional claims in published maps and institutional affiliations. |
© 2021 by the authors. Licensee MDPI, Basel, Switzerland. This article is an open access article distributed under the terms and conditions of the Creative Commons Attribution (CC BY) license (https://creativecommons.org/licenses/by/4.0/).
Share and Cite
Yin, H.; Hu, L.; Li, Y.; Gong, Y.; Du, Y.; Song, C.; Zhao, J. Application of ORC in a Distributed Integrated Energy System Driven by Deep and Shallow Geothermal Energy. Energies 2021, 14, 5466. https://doi.org/10.3390/en14175466
Yin H, Hu L, Li Y, Gong Y, Du Y, Song C, Zhao J. Application of ORC in a Distributed Integrated Energy System Driven by Deep and Shallow Geothermal Energy. Energies. 2021; 14(17):5466. https://doi.org/10.3390/en14175466
Chicago/Turabian StyleYin, Hongmei, Likai Hu, Yang Li, Yulie Gong, Yanping Du, Chaofan Song, and Jun Zhao. 2021. "Application of ORC in a Distributed Integrated Energy System Driven by Deep and Shallow Geothermal Energy" Energies 14, no. 17: 5466. https://doi.org/10.3390/en14175466
APA StyleYin, H., Hu, L., Li, Y., Gong, Y., Du, Y., Song, C., & Zhao, J. (2021). Application of ORC in a Distributed Integrated Energy System Driven by Deep and Shallow Geothermal Energy. Energies, 14(17), 5466. https://doi.org/10.3390/en14175466

