Non-Fragile H∞ Nonlinear Observer for State of Charge Estimation of Lithium-Ion Battery Based on a Fractional-Order Model
Abstract
:1. Introduction
- Kalman filter-based approaches [7,9] usually assume that the model and measurement noises are Gaussian, which is not the case in actual situations. In order to restrict the effects of the non-Gaussian model and measurement noises [28] for fractional-order battery models, a -based nonlinear observer is proposed. Furthermore, the proposed observer with dynamic gain is also considered to outperform the constant gain observer [8]. The dynamic gain means that the proposed observer can estimate the SOC accurately in various dynamic operation conditions.
- The fragility problem involves a trade-off between implementation accuracy and performance deterioration of the observer implementation. It has caused extensive concern in [20,24,25,26,27,29], but it has not be taken seriously in research areas of SOC estimation. Therefore, to further improve the accuracy of SOC estimation of observer-based methods, we put forward the non-fragile observer. For SOC estimation of fractional-order battery model, the non-fragile observer design criterion for the gain of proposed observer is crucial to solve the fragility problem in practical and real-time applications. Considering the additive perturbation on observer gain with known bound make it implement more properly than the off-line calculation of the observer gain in [8]. Moreover, it is vital to improve the reliability and robustness of all observer-based methods for SOC estimation.
2. Fractional-Order Modeling for LiCoO Lithium-Ion Battery (LIB) Module
2.1. Constant Phase Element (CPE)
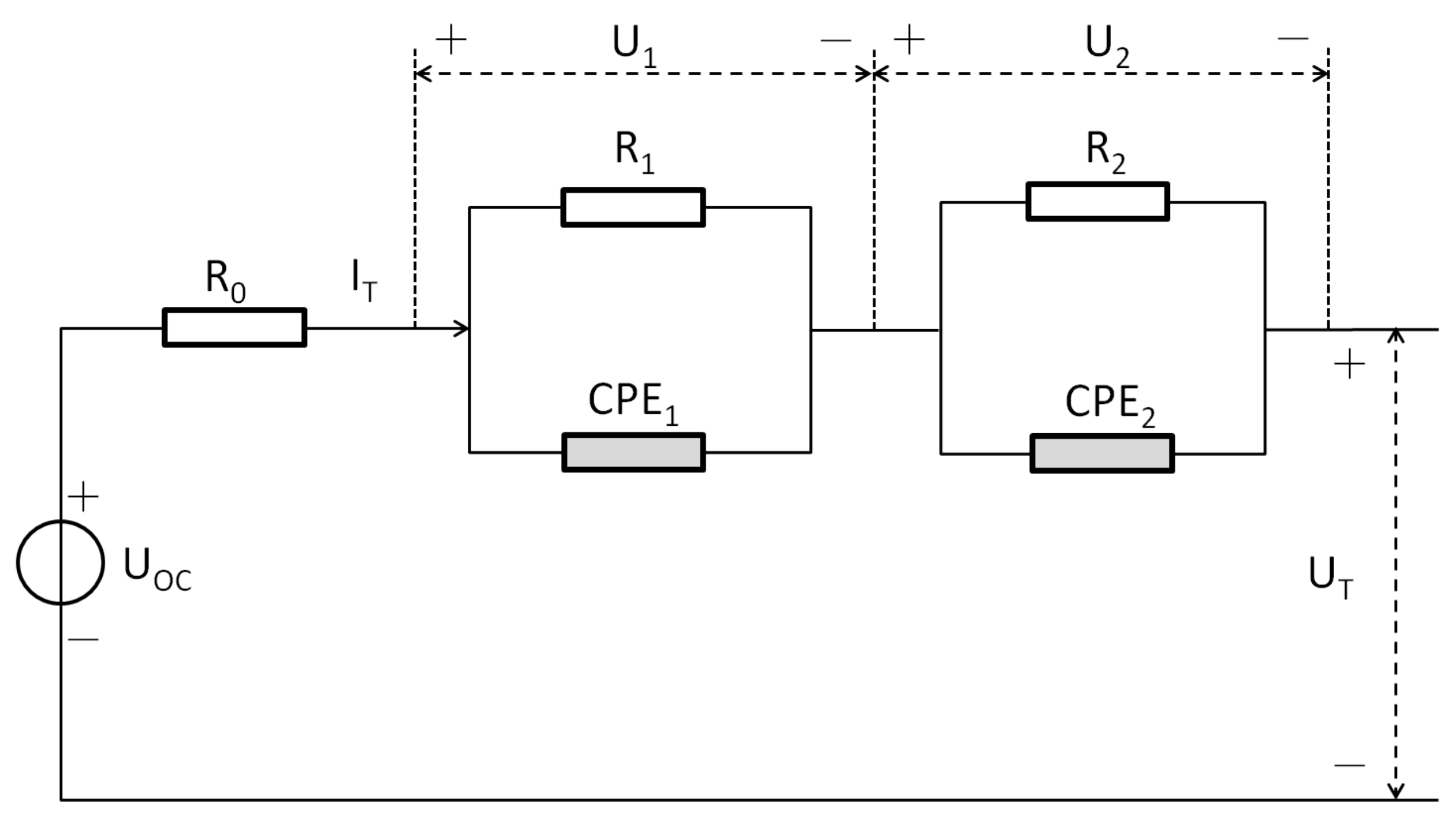
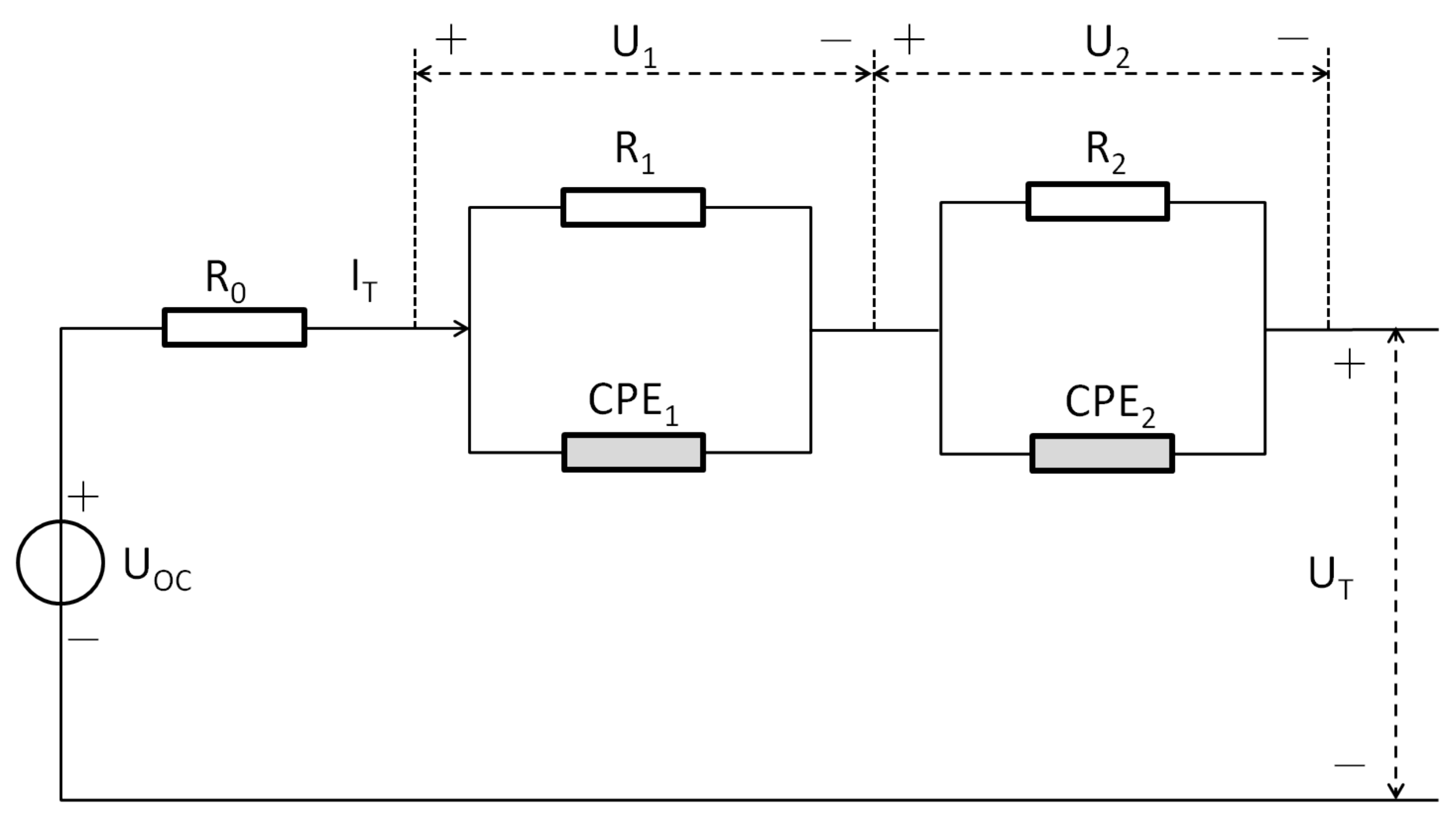
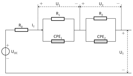
2.2. Fractional 2nd-Order RC Battery Model
3. Experiments and Identification of Model Parameters
3.1. Test Bench
3.2. Parameters and Nonlinear Function Identification
4. Non-Fragile Nonlinear Observer for SOC Estimation Based on Fractional-Order Model
4.1. Battery State-Space Model
4.2. Discussions for SOC-OCV Function
4.3. Non-Fragile Observer Designed for SOC Estimation
5. Experimental Validations of the SOC Estimation
5.1. Calculate the Gain L and Bound
5.2. Numerical Implementation and Issue for Fractional-Order Observer
5.3. Experimental Results
5.3.1. UDDS
5.3.2. NEDC
5.3.3. HWFET
5.4. SOC Estimation Results and Evaluation
- As is shown in Figure 8, Figure 11 and Figure 14 and Table 2 with the initial condition is given as , we draw the conclusion that the SOC estimation accuracy of the proposed observer for the fractional-order battery model is higher than the integer-order battery model. This implies that smaller modeling error brings higher SOC estimation accuracy. This fact is in accordance with the former studies [7,9] in fractional modeling for this battery. Meanwhile, the convergence rate of proposed observer for the battery model is slightly lower than integer-order battery model, which is the main drawback for fractional-order battery with the identified parameters of orders .
- In Figure 8, Figure 11 and Figure 14 and Table 2, we can see that the SOC estimation accuracy of proposed observer is superior to the observer in [8]. This is principally because of the Lipschitz constant mentioned in [8]. The value is close to 1 in [8] and the SOC estimation error bound is very sensitive to this value as is claimed. Moreover, according to eighth-order fitted curve Equation (8) of the SOC-OCV relationship, the coefficient of linear term of the polynomial is 14.13, which is larger than it in [8]. Moreover, the Lipschitz constant of function without the linear term is calculated by , which is much more larger than in [8] as well. In fact, the fifth-order polynomial used for curve fitting in [8] demonstrates poor accuracy for SOC-OCV relationship of the LiCoO LIB module. Because of the high nonlinearity of SOC-OCV relationship, the observer method in [8] shows lower accuracy below expectation for the battery used in our study. On the contrary, the performance of the proposed nonlinear observer can deal with the different Lipschitz constant in modeling for various types of batteries, which presents advanced universal property than the observer in [8].
- It is shown in Figure 8, Figure 11 and Figure 14 and Table 2 that the SOC estimation of non-fragile observer Equation (19) shows more accuracy compared to observer for integer-order model in [5]. This means that, if the gain drifts are taken into account in observer design procedure, the proposed non-fragile observer Equation (19) outperforms the observer in [5]. Therefore, clearly, non-fragile observer functions in tolerating additive perturbation or gain fluctuations on the observer gain. Thus, the proposed non-fragile observer design criterion can not only restrict the effect of the modeling error and measurement noises on the state estimation, but also limit effect of the gain drifts on observer.
6. Conclusions
Author Contributions
Funding
Institutional Review Board Statement
Informed Consent Statement
Data Availability Statement
Conflicts of Interest
References
- Ehsani, M.; Gao, Y.; Gay, S.E.; Emadi, A. Modern Electric, Hybrid Electric, and Fuel Cell Vehicles; CRC Press: Boca Raton, FL, USA, 2005. [Google Scholar]
- Li, X.; Yuan, C.; Li, X.; Wang, Z. State of health estimation for Li-Ion battery using incremental capacity analysis and Gaussian process regression. Energy 2020, 190, 116467. [Google Scholar] [CrossRef]
- Tian, Y.; Xia, B.; Sun, W.; Xu, Z.; Zheng, W. A modified model based state of charge estimation of power lithium-ion batteries using unscented Kalman filter. J. Power Sources 2014, 270, 619–626. [Google Scholar] [CrossRef]
- Li, Z.; Xiong, R.; Mu, H.; He, H.; Wang, C. A novel parameter and state-of-charge determining method of lithium- ion battery for electric vehicles. Appl. Energy 2017, 207, 361–371. [Google Scholar] [CrossRef]
- Zhu, Q.; Xiong, N.; Yang, M.; Huang, R.; Hu, G. State of Charge Estimation for Lithium-Ion Battery Based on Nonlinear Observer: An H∞ Method. Energies 2017, 10, 679. [Google Scholar] [CrossRef] [Green Version]
- Monje, C.A.; Gao, Y.; Gay, S.E.; Emadi, A. Fractional-Order Systems and Controls: Fundamentals and Applications; Springer: Berlin/Heidelberg, Germany, 2010. [Google Scholar]
- Xu, J.; Mi, C.C.; Cao, B.; Cao, J. A new method to estimate the state of charge of lithium-ion batteries based on the battery impedance model. J. Power Sources 2013, 233, 277–284. [Google Scholar] [CrossRef]
- Wang, B.; Liu, Z.; Li, S.E.; Moura, S.J.; Peng, H. State-of-Charge Estimation for Lithium-Ion Batteries Based on a Nonlinear Fractional Model. IEEE Trans. Control. Syst. Technol. 2016, 25, 3–11. [Google Scholar] [CrossRef]
- Liu, C.; Liu, W.; Wang, L.; Hu, G.; Ma, L.; Ren, B. A new method of modeling and state of charge estimation of the battery. J. Power Sources 2016, 320, 1–12. [Google Scholar] [CrossRef]
- Xiao, R.; Shen, J.; Li, X.; Yan, W.; Pan, E.; Chen, Z. Comparisons of modeling and state of charge estimation for lithium-ion battery based on fractional order and integral order methods. Energies 2016, 9, 184. [Google Scholar] [CrossRef]
- Zhong, F.; Li, H.; Zhong, S.; Zhong, Q.; Yin, C. An SOC estimation approach based on adaptive sliding mode observer and fractional order equivalent circuit model for lithium-ion batteries. Commun. Nonlinear Sci. Numer. Simul. 2014, 24, 127–144. [Google Scholar] [CrossRef]
- Zhong, Q.; Zhong, F.; Cheng, J.; Li, H.; Zhong, S. State of charge estimation of lithium-ion batteries using fractional order sliding mode observer. ISA Trans. 2016, 66, 448–459. [Google Scholar] [CrossRef]
- Xia, B.; Chen, C.; Tian, Y.; Sun, W.; Xu, Z.; Zheng, W. A novel method for state of charge estimation of lithium-ion batteries using a nonlinear observer. J. Power Sources 2014, 270, 359–366. [Google Scholar] [CrossRef]
- Liu, L.; Wang, L.Y.; Chen, Z.; Wang, C.; Lin, F.; Wang, H. Integrated system identification and state-of-charge estimation of battery systems. IEEE Trans. Energy Convers. 2013, 28, 12–23. [Google Scholar] [CrossRef]
- Lin, C.; Mu, H.; Xiong, R.; Shen, W. A novel multi-model probability battery state of charge estimation approach for electric vehicles using H-infinity algorithm. Appl. Energy 2016, 166, 76–83. [Google Scholar] [CrossRef]
- Zhang, F.; Liu, G.; Fang, L.; Wang, H. Estimation of battery state of charge with H∞ observer: Applied to a robot for inspecting power transmission lines. IEEE Trans. Ind. Electron. 2012, 59, 1086–1095. [Google Scholar] [CrossRef]
- Ibrahima, N.; Taous-Meriem, L.K.; Mohamed, D. H∞ Adaptive observer for nonlinear fractional-order systems. Int. J. Adapt. Control. Signal Process. 2017, 31, 314–331. [Google Scholar] [CrossRef]
- Heleschewitz, D.; Matignon, D. Diffusive Realisations of Fractional Integrodifferential Operators: Structural Analysis under Approximation. In IFAC Proceedings Volumes; Elsevier: Amsterdam, The Netherlands, 1998; Volume 31, pp. 227–232. [Google Scholar]
- Trigeassou, J.C.; Maamri, N.; Sabatier, J.; Oustaloup, A. A Lyapunov approach to the stability of fractional differential equations. Signal Process. 2010, 91, 437–445. [Google Scholar] [CrossRef]
- Boroujeni, E.A.; Momeni, H.R. Non-fragile nonlinear fractional order observer design for a class of nonlinear fractional order systems. Signal Process. 2012, 92, 2365–2370. [Google Scholar] [CrossRef]
- Zhang, L.; Hu, X.; Wang, Z.; Sun, F.; Dorrell, D.G. Fractional-order modeling and State-of-Charge estimation for ultracapacitors. J. Power Sources 2016, 314, 28–34. [Google Scholar] [CrossRef]
- Waag, W.; Fleischer, C.; Uwe, D. Critical review of the methods for monitoring of lithium-ion batteries in electric and hybrid vehicles. J. Power Sources 2014, 258, 321–339. [Google Scholar] [CrossRef]
- Dorato, P. Non-fragile controller design: An overview. In Proceedings of the American Control Conference, Philadelphia, PA, USA, 26 June 1998; pp. 2829–2831. [Google Scholar] [CrossRef]
- Boroujeni, E.A.; Momeni, H.R. An iterative method to design optimal non-fragile H∞ observer for Lipschitz nonlinear fractional-order systems. Nonlinear Dyn. 2015, 84, 1801–1810. [Google Scholar] [CrossRef]
- Sakthivel, R.; Anbuvithya, R.; Mathiyalagan, K.; Prakash, P. Combined H∞ and passivity state estimation of memristive neural networks with random gain fluctuations. Neurocomputing 2015, 168, 1111–1120. [Google Scholar] [CrossRef]
- Wang, J.; Lu, J.; Li, C. Observer-based robust stabilisation of a class of non-linear fractional-order uncertain systems: An linear matrix inequalitie approach. IET Control. Theory Appl. 2012, 2757–2764. [Google Scholar] [CrossRef]
- Mathiyalagan, K.; Park, J.H.; Jung, H.Y.; Sakthivel, R. Non-fragile Observer-Based H∞ Control for Discrete-Time Systems Using Passivity Theory. Circuits Syst. Signal Process. 2015, 34, 2499–2516. [Google Scholar] [CrossRef]
- Zhou, K.; Doyle, J.C.; Keith, G. Robust and Optimal Control; Prentice-Hall: Hoboken, NJ, USA, 1996. [Google Scholar]
- Gao, L.; Jiang, X.; Wang, D. Observer-based robust finite time H∞ sliding mode control for Markovian switching systems with mode-dependent time-varying delay and incomplete transition rate. ISA Trans. 2015, 61, 29–48. [Google Scholar] [CrossRef] [PubMed]
- Kochowski, S.; Nitsch, K. Description of the frequency behaviour of metal-SiO2-GaAs structure characteristics by electrical equivalent circuit with constant phase element. Thin Solid Films 2002, 415, 133–137. [Google Scholar] [CrossRef]
- Westerlund, S.; Ekstam, L. Capacitor theory. IEEE Trans. Dielectr. Electr. Insul. 1994, 1, 826–839. [Google Scholar] [CrossRef]
- Sabatier, J.; Agrawal, O.P.; Tenreiro Machado, J.A. Advances in Fractional Calculus; Springer: Berlin/Heidelberg, Germany, 2007. [Google Scholar]
- He, H.; Zhang, X.; Xiong, R.; Xu, Y.; Guo, H. Online model-based estimation of state-of-charge and open-circuit voltage of lithium-ion batteries in electric vehicles. Energy 2012, 39, 310–318. [Google Scholar] [CrossRef]
- Boyd, S.; Ghaoui, L.E.; Feron, E.; Balakrishnan, V. Linear Matrix Inequalities in System and Control Theory; SIAM: Philadelphia, PA, USA, 1994. [Google Scholar]
- Mu, H.; Xiong, R.; Zheng, H.; Chang, Y.; Chen, Z. A novel fractional order model based state-of-charge estimation method for lithium-ion battery. Appl. Energy 2017, 384–393. [Google Scholar] [CrossRef]














| 0.91 | 0.83 | 6.974 | 2.604 | 8.201 | 10.259 | 125.688 |
| Operation Condition | UDDS | NEDC | HWFET |
|---|---|---|---|
| IONFO | 0.85%/2.62% | 0.71%/1.64% | 0.51%/2.72% |
| FONFO | 0.73%/1.64% | 0.53%/1.24%% | 0.41%/1.83% |
| Observer in Ref. [8] | 0.83%/3.44% | 0.94%/2.23% | 0.55%/3.58% |
Publisher’s Note: MDPI stays neutral with regard to jurisdictional claims in published maps and institutional affiliations. |
© 2021 by the authors. Licensee MDPI, Basel, Switzerland. This article is an open access article distributed under the terms and conditions of the Creative Commons Attribution (CC BY) license (https://creativecommons.org/licenses/by/4.0/).
Share and Cite
Zhang, Z.; Zhou, D.; Xiong, N.; Zhu, Q. Non-Fragile H∞ Nonlinear Observer for State of Charge Estimation of Lithium-Ion Battery Based on a Fractional-Order Model. Energies 2021, 14, 4771. https://doi.org/10.3390/en14164771
Zhang Z, Zhou D, Xiong N, Zhu Q. Non-Fragile H∞ Nonlinear Observer for State of Charge Estimation of Lithium-Ion Battery Based on a Fractional-Order Model. Energies. 2021; 14(16):4771. https://doi.org/10.3390/en14164771
Chicago/Turabian StyleZhang, Zhongwei, Dan Zhou, Neng Xiong, and Qiao Zhu. 2021. "Non-Fragile H∞ Nonlinear Observer for State of Charge Estimation of Lithium-Ion Battery Based on a Fractional-Order Model" Energies 14, no. 16: 4771. https://doi.org/10.3390/en14164771
APA StyleZhang, Z., Zhou, D., Xiong, N., & Zhu, Q. (2021). Non-Fragile H∞ Nonlinear Observer for State of Charge Estimation of Lithium-Ion Battery Based on a Fractional-Order Model. Energies, 14(16), 4771. https://doi.org/10.3390/en14164771

