A Robust Vector Current Controller with Negative-Sequence Current Capability for Grid-Connected Inverters
Abstract
:1. Introduction
2. Test Setup
3. Overview of a Conventional Islanding Detection Method
4. Proposed Controller
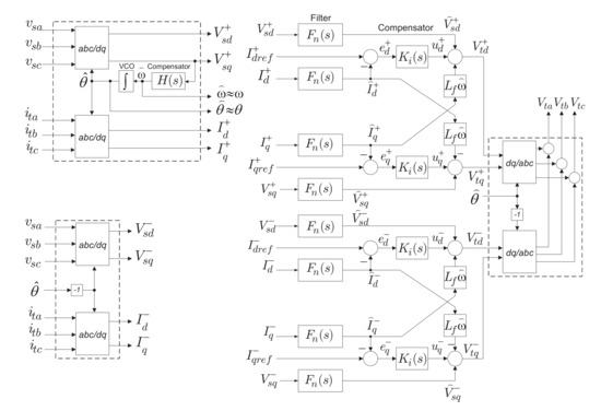
4.1. Proposed Control Structure
4.2. Mathematical Modeling
4.2.1. L-Type Filter
4.2.2. -Type Filter
4.3. Optimal Controller Design
- Step 1.
- Initialize the parameters of the cost function to and , where is a real number, and the remainder of ’s are zero.
- Step 2.
- Increase and calculate K using the MATLAB command lqr. Plot the trajectory of closed-loop poles, i.e., eigenvalues of . Increase until the low-frequency dominant poles obtain sufficient distance from the imaginary axis. Freeze and proceed to Step 3.
- Step 3.
- Repeat Step 2 for . This will shift the low-frequency poles of the second channel to the left.
- Step 4.
- Repeat Step 2 consecutively for , , , and . Notice that and are the coefficients of the and , and this means that they can introduce more damping to the high-frequency poles (at double-frequency). The same is true for and of the second control channel.
- Step 5.
- Final fine-tuning may be carried out by increasing and until the closed-loop poles are located at desirable places.
- Step 1–4.
- Same as for the L-type filter.
- Step 5.
- Increase , , and , consecutively, to introduce sufficient damping to the resonance poles of the
- Step 6.
- Final fine-tuning may be carried out by increasing to until the closed-loop poles are located at desirable places.
4.4. Detection of Sequences
5. Robust Stability Analysis
5.1. Robust Stability Analysis for L-Type Filter
5.2. Robust Stability Analysis for -Type Filter
6. Performance Evaluation
6.1. L-Type Filter
6.1.1. Performance under the IEEE1547 Test Conditions
6.1.2. Effect of Load (L) Imbalance
6.1.3. Performance under Weak Grid Conditions
6.1.4. Effect of Filter Parameter Uncertainty
6.2. -Type Filter
6.2.1. IEEE1547 Test Conditions
6.2.2. Load (L) Imbalance
6.2.3. Weak Grid Conditions
6.2.4. Filter Parameter Uncertainty
6.3. Comparison with Conventional Controller
6.3.1. Case I: Base Conditions
6.3.2. Case II: Uncertain Conditions
6.3.3. Case III: Weak Grid Conditions
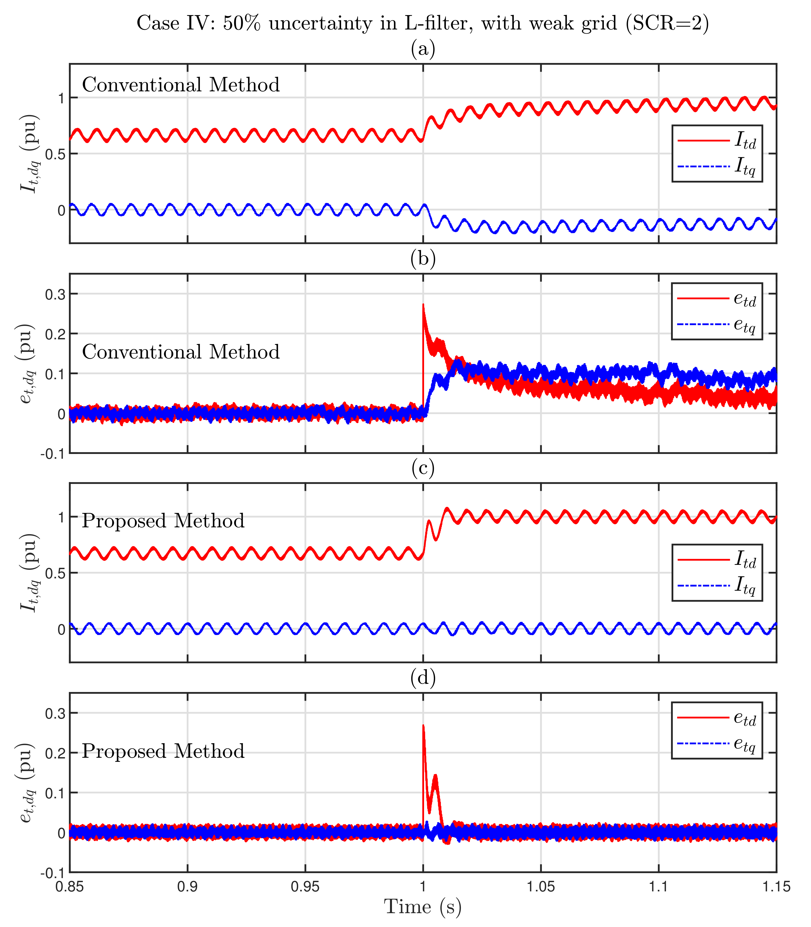
6.3.4. Case IV: Uncertain and Weak Grid Conditions
7. Conclusions
Author Contributions
Funding
Conflicts of Interest
Appendix A. Test System Parameters
| DER Unit | |||
|---|---|---|---|
| Parameter | Value | Rating | Manufacturer |
| Inverter power rating | 20 kVA | Semikron | |
| Switching frequency | 10 kHz | ||
| 5 mH ,60 m | 25 A | Hammond | |
| 5 mH ,60 m | 25 A | Hammond | |
| 5 mH ,60 m | 25 A | Hammond | |
| 19 F | 240 V | Lab-Volt | |
| Load | |||
| 8 , 92.6 mH, 76 F | 500 W, 25 A, 240 V | Hammond, Lab-Volt | |
| Grid and DC Source | |||
| Voltage, Freq | 86 V (rms-LL), 60 Hz | 12 kVA | |
| DC Source | 280 V | 24 kW | |
| Controller | |||
| OP5600 | Real-time Simulator | OPAL-RT Technologies | |
| OP8660 | HIL Controller | OPAL-RT Technologies | |
| UTSP | |||
| 0.4, 1.5 | |||
Appendix B. Representation of Unbalanced Signals in the dq-frame
References
- Camacho, A.; Castilla, M.; Miret, J.; Borrell, A.; de Vicuña, L.G. Active and reactive power strategies with peak current limitation for distributed generation inverters during unbalanced grid faults. IEEE Trans. Ind. Electron. 2014, 62, 1515–1525. [Google Scholar] [CrossRef] [Green Version]
- Nian, H.; Shen, Y.; Yang, H.; Quan, Y. Flexible grid connection technique of voltage-source inverter under unbalanced grid conditions based on direct power control. IEEE Trans. Ind. Appl. 2015, 51, 4041–4050. [Google Scholar] [CrossRef]
- Nejabatkhah, F.; Li, Y.W.; Wu, B. Control strategies of three-phase distributed generation inverters for grid unbalanced voltage compensation. IEEE Trans. Power Electron. 2015, 31, 5228–5241. [Google Scholar]
- Guo, X.; Liu, W.; Lu, Z. Flexible power regulation and current-limited control of the grid-connected inverter under unbalanced grid voltage faults. IEEE Trans. Ind. Electron. 2017, 64, 7425–7432. [Google Scholar] [CrossRef]
- Castilla, M.; Miret, J.; Camacho, A.; de Vicuña, L.G.; Matas, J. Modeling and design of voltage support control schemes for three-phase inverters operating under unbalanced grid conditions. IEEE Trans. Power Electron. 2014, 29, 6139–6150. [Google Scholar] [CrossRef]
- Rodriguez, P.; Timbus, A.V.; Teodorescu, R.; Liserre, M.; Blaabjerg, F. Flexible active power control of distributed power generation systems during grid faults. IEEE Trans. Ind. Electron. 2007, 54, 2583–2592. [Google Scholar] [CrossRef]
- Karimi, H.; Yazdani, A.; Iravani, R. Negative-sequence current injection for fast islanding detection of a distributed resource unit. IEEE Trans. Power Electron. 2008, 23, 298–307. [Google Scholar] [CrossRef]
- Dhar, S.; Dash, P.K. Performance analysis of a new fast negative sequence power injection oriented islanding detection technique for photovoltaic photovoltaic based voltage source converter based micro grid operation. IET Gener. Transm. Distrib. 2015, 9, 2079–2090. [Google Scholar] [CrossRef]
- Blaabjerg, F.; Teodorescu, R.; Liserre, M.; Timbus, A.V. Overview of control and grid synchronization for distributed power generation systems. IEEE Trans. Ind. Electron. 2006, 53, 1398–1409. [Google Scholar] [CrossRef] [Green Version]
- Du, X.; Gu, S.; Wang, G.; Tai, H.M.; Ji, Y. Simple current control method for three-phase VSC under unbalanced grid condition. IET Power Electron. 2018, 11, 1161–1168. [Google Scholar] [CrossRef]
- Shin, D.; Lee, K.J.; Lee, J.P.; Yoo, D.W.; Kim, H.J. Implementation of fault ride-through techniques of grid-connected inverter for distributed energy resources with adaptive low-pass notch PLL. IEEE Trans. Power Electron. 2014, 30, 2859–2871. [Google Scholar] [CrossRef]
- Mahamedi, B.; Eskandari, M.; Fletcher, J.E.; Zhu, J. Sequence-Based Control Strategy With Current Limiting for the Fault Ride-Through of Inverter-Interfaced Distributed Generators. IEEE Trans. Sustain. Energy 2018, 11, 165–174. [Google Scholar] [CrossRef]
- Zhao, X.; Guerrero, J.M.; Savaghebi, M.; Vasquez, J.C.; Wu, X.; Sun, K. Low-voltage ride-through operation of power converters in grid-interactive microgrids by using negative-sequence droop control. IEEE Trans. Power Electron. 2016, 32, 3128–3142. [Google Scholar] [CrossRef] [Green Version]
- Liserre, M.; Teodorescu, R.; Blaabjerg, F. Stability of photovoltaic and wind turbine grid-connected inverters for a large set of grid impedance values. IEEE Trans. Power Electron. 2006, 21, 263–272. [Google Scholar] [CrossRef]
- Midtsund, T.; Suul, J.; Undeland, T. Evaluation of current controller performance and stability for voltage source converters connected to a weak grid. In Proceedings of the 2nd International Symposium on Power Electronics for Distributed Generation Systems, Hefei, China, 16–18 June 2010; pp. 382–388. [Google Scholar]
- Silwal, S.; Taghizadeh, S.; Karimi-Ghartemani, M.; Hossain, M.J.; Davari, M. An enhanced control system for single-phase inverters interfaced with weak and distorted grids. IEEE Trans. Power Electron. 2019, 34, 12538–12551. [Google Scholar] [CrossRef]
- Liu, W.; Blaabjerg, F.; Zhou, D.; Chou, S.F. Modified Instantaneous Power Control with Phase Compensation and Current-limited Function under Unbalanced Grid Faults. IEEE J. Emerg. Sel. Top. Power Electron. 2021, 9, 2896–2906. [Google Scholar] [CrossRef]
- Wu, W.; Liu, J.; Li, Y.; Blaabjerg, F. Individual Channel Design-Based Precise Analysis and Design for Three-Phase Grid-Tied Inverter with LCL-Filter under Unbalanced Grid Impedance. IEEE Trans. Power Electron. 2020, 35, 5381–5396. [Google Scholar] [CrossRef]
- Afshari, E.; Moradi, G.R.; Rahimi, R.; Farhangi, B.; Yang, Y.; Blaabjerg, F.; Farhangi, S. Control strategy for three-phase grid-connected PV inverters enabling current limitation under unbalanced faults. IEEE Trans. Ind. Electron. 2017, 64, 8908–8918. [Google Scholar] [CrossRef] [Green Version]
- Maccari, L.A.; Massing, J.R.; Schuch, L.; Rech, C.; Pinheiro, H.; Oliveira, R.C.; Montagner, V.F. LMI-based control for grid-connected converters with LCL filters under uncertain parameters. IEEE Trans. Power Electron. 2013, 29, 3776–3785. [Google Scholar] [CrossRef]
- Lai, N.B.; Kim, K.H. Robust control scheme for three-phase grid-connected inverters with LCL-filter under unbalanced and distorted grid conditions. IEEE Trans. Energy Convers. 2017, 33, 506–515. [Google Scholar] [CrossRef]
- Karimi, H.; Karimi-Ghartemani, M.; Sheshyekani, K. Robust control of three-phase voltage source converters under unbalanced grid conditions. IEEE Trans. Power Electron. 2019, 34, 11278–11289. [Google Scholar] [CrossRef]
- Zarei, S.F.; Mokhtari, H.; Ghasemi, M.A.; Peyghami, S.; Davari, P.; Blaabjerg, F. Control of grid-following inverters under unbalanced grid conditions. IEEE Trans. Energy Convers. 2019, 35, 184–192. [Google Scholar] [CrossRef]
- Yin, Y.; Vazquez, S.; Marquez Alcaide, A.; Liu, J.; Leon, J.I.; Wu, L.; Franquelo, L.G. Observer-Based Sliding Mode Control for Grid-Connected Power Converters under Unbalanced Grid Conditions. IEEE Trans. Ind. Electron. 2021, 1. [Google Scholar] [CrossRef]
- Khalil, H.K. Nonlinear Systems, 3rd ed.; Prentice-Hall: Upper Saddle River, NJ, USA, 2002. [Google Scholar]
- Li, J.; Zhang, Y.; Zhao, Y.; Ren, L.; Wang, J.; Liu, Y. An Improved Three-Stages Cascading Passivity-Based Control of Grid-Connected LCL Converter in Unbalanced Weak Grid Condition. IEEE Access 2021, 9, 89497–89506. [Google Scholar] [CrossRef]
- Graungaard Taul, M.; Wang, X.; Davari, P.; Blaabjerg, F. Current Reference Generation Based on Next-Generation Grid Code Requirements of Grid-Tied Converters During Asymmetrical Faults. IEEE J. Emerg. Sel. Top. Power Electron. 2020, 8, 3784–3797. [Google Scholar] [CrossRef] [Green Version]
- Guan, L.; Yao, J.; Liu, R.; Sun, P.; Gou, S. Small-Signal Stability Analysis and Enhanced Control Strategy for VSC System during Weak-Grid Asymmetric Faults. IEEE Trans. Sustain. Energy 2021, 1. [Google Scholar] [CrossRef]
- Davison, E.; Ferguson, I. The design of controllers for the multivariable robust servomechanism problem using parameter optimization methods. IEEE Trans. Autom. Control. 1981, 26, 93–110. [Google Scholar] [CrossRef]
- Sadabadi, M.S.; Haddadi, A.; Karimi, H.; Karimi, A. A Robust Active Damping Control Strategy for an LCL-Based Grid-Connected DG Unit. IEEE Trans. Ind. Electron. 2017, 64, 8055–8065. [Google Scholar] [CrossRef]
- Safonov, M.; Athans, M. Gain and phase margin for multiloop LQG regulators. IEEE Trans. Autom. Control. 1977, 22, 173–179. [Google Scholar] [CrossRef]
- Lin, F. Robust Control Design: An Optimal Control Approach; John Wiley & Sons: Chichester, UK, 2007. [Google Scholar]
- Sadabadi, M.S.; Peaucelle, D. From static output feedback to structured robust static output feedback: A survey. Annu. Rev. Control 2016, 42, 11–26. [Google Scholar] [CrossRef] [Green Version]
- Ebihara, Y.; Peaucelle, D.; Arzelier, D. S-Variable Approach to LMI-Based Robust Control, 1st ed.; Springer: London, UK, 2015. [Google Scholar]
- Lofberg, J. YALMIP: A toolbox for modeling and optimization in MATLAB. In Proceedings of the 2004 IEEE International Conference on Robotics and Automation (IEEE Cat. No.04CH37508), Taipei, Taiwan, 2–4 September 2004; pp. 284–289. [Google Scholar] [CrossRef]
- MOSEK ApS. The MOSEK Optimization Toolbox for MATLAB Manual. Version 9.0.; 2019. [Google Scholar]



















Publisher’s Note: MDPI stays neutral with regard to jurisdictional claims in published maps and institutional affiliations. |
© 2021 by the authors. Licensee MDPI, Basel, Switzerland. This article is an open access article distributed under the terms and conditions of the Creative Commons Attribution (CC BY) license (https://creativecommons.org/licenses/by/4.0/).
Share and Cite
Karimi, H.; Haddadi, A.; Karimi-Ghartemani, M.; Sadabadi, M. A Robust Vector Current Controller with Negative-Sequence Current Capability for Grid-Connected Inverters. Energies 2021, 14, 4549. https://doi.org/10.3390/en14154549
Karimi H, Haddadi A, Karimi-Ghartemani M, Sadabadi M. A Robust Vector Current Controller with Negative-Sequence Current Capability for Grid-Connected Inverters. Energies. 2021; 14(15):4549. https://doi.org/10.3390/en14154549
Chicago/Turabian StyleKarimi, Houshang, Aboutaleb Haddadi, Masoud Karimi-Ghartemani, and Mahdieh Sadabadi. 2021. "A Robust Vector Current Controller with Negative-Sequence Current Capability for Grid-Connected Inverters" Energies 14, no. 15: 4549. https://doi.org/10.3390/en14154549
APA StyleKarimi, H., Haddadi, A., Karimi-Ghartemani, M., & Sadabadi, M. (2021). A Robust Vector Current Controller with Negative-Sequence Current Capability for Grid-Connected Inverters. Energies, 14(15), 4549. https://doi.org/10.3390/en14154549

