Next Article in Journal
Ensemble Surrogate Models for Fast LIB Performance Predictions
Previous Article in Journal
Local Flexibility Markets for Distribution Network Congestion-Management in Center-Western Europe: Which Design for Which Needs?
 
 
Font Type:
Arial Georgia Verdana
Font Size:
Aa Aa Aa
Line Spacing:
Column Width:
Background:
Article

Continuous Control Set Model Predictive Control for an Indirect Matrix Converter

School of Marine Science and Technology, Northwestern Polytechnical University, Xi’an 710072, China
*
Authors to whom correspondence should be addressed.
Energies 2021, 14(14), 4114; https://doi.org/10.3390/en14144114
Submission received: 4 May 2021 / Revised: 2 July 2021 / Accepted: 4 July 2021 / Published: 8 July 2021
(This article belongs to the Section A1: Smart Grids and Microgrids)

Abstract

:
A continuous control set model predictive power control strategy for an indirect matrix converter is proposed in this paper. The load reactive power, the load active power, and the input reactive power are controlled simultaneously. This control strategy can obtain output waveforms with fixed switching frequency. Additionally, an optimal switching sequence is proposed to simplify the commutations of the indirect matrix converter. To suppress the input filter resonance, an active damping method is proposed. Experimental results prove that the proposed method features controllable input reactive power, controllable load active and reactive power, fixed switching frequency output waveforms, zero-current switching operations, and effectively suppresses input filter resonance.

1. Introduction

A matrix converter (MC) provides a direct connection between the AC input side and AC output side, in which DC-link capacitors are not employed. It is suitable for many applications with difficult temperatures and pressures due to its simple and compact topology [1,2]. MCs feature many advantages, including controllable input power factor and bidirectional energy flow [3,4]. MCs are usually divided into indirect converters (IMCs) and direct matrix converters (DMCs), which have the same transfer function. In recent years, MCs have been globally discussed and studied in terms of applications, control strategies, topologies, and trends [5,6,7]. Due to the non-use of DC-link capacitors, MC control complexity has increased; disturbances in the input side affect the output side’s power quality. Researchers worldwide have proposed many control schemes for MCs, such as the scalar method, direct torque control, the Venturini method, direct power control, space vector modulation (SVM), and so on [8]. Among them, SVM is a mature control technique for MCs, in which the currents and voltages are represented with input-current vectors and output-voltage vectors, and several fundamental vectors are used for the desired vectors in each sampling instance. The output-voltage vector and the input power factor can be controlled in SVM [9,10,11].
Currently, with the help of developed power devices and digital processors, finite control set model predictive control (FCS-MPC) is receiving considerable attention, and features many advantages over SVM, such as the ability to consider various constraints and non-linearities, easier implementation and modification based on modern digital processors, and faster dynamic response [12]. In FCS-MPC, a model-based cost function is defined and minimized to determine the switching states and is applied to the power device during the sampling period [13,14,15]. In [12], a model predictive current control was proposed for a two-level, four-leg inverter without the modulation stage, where the optimal switching states were determined based on the minimization of cost functions. In [13], an FCS-MPC strategy was proposed for four-leg indirect matrix converters and validated using an experiment, without the use of modulators. In [14], the input reactive power was added into the cost function of the FCS-MPC strategy, and a soft switching sequence was applied for four-leg indirect matrix converters. In [15], a lookup table method using FCS-MPC was proposed for matrix converters, which reduced computational burden.
However, FCS-MPC does not involve a modulation scheme, in which the optimal switching states selected by the cost function may continue to be optimal for the following several sampling instances; thus, the switching frequency is variable, resulting in broad harmonics. To improve this, research considering the combination of FCS-MPC and modulation has been conducted [16,17,18,19,20,21,22,23,24]. In [16], an indirect model predictive control strategy was proposed for DMCs, in which the imposed sinusoidal current waveforms and the reactive power were considered individually; only simulations were implemented. In [17], a modulated model predictive control (M2PC) strategy was proposed for a DMC, combining the advantages of the space vector modulation and classic predictive control models. Only output currents were controlled and the input side was ignored, an important index for assessment of the control scheme. In [18], a predictive current-error vector control strategy was proposed for DMCs, where both output and input currents were controlled. In [19], an M2PC strategy was proposed for a three-phase active rectifier, where a constant switching frequency was realized based on the modulation of the current vectors, similar as that in conventional SVM. The optimized response was extended to the overmodulation region. In [20], an M2PC strategy with active damping was proposed for IMCs, where the source reactive power and load currents were controlled; only simulation was implemented. In [21], a novel M2PC strategy using voltage-error vector analysis was proposed for a DMC, where the available voltage vectors were reduced in each prediction, leading to reduced calculation efforts. In [22], a time-modulated, model-predictive control strategy was proposed for a neutral point clamped (NPC) converter, which can be operated at a 20 kHz sampling frequency. In [23], a novel M2PC strategy was proposed for a six-phase induction motor, where SVM was used to reduce the steady-state error and improve the (x-y) currents at high operating speeds. In [24], FCS-MPC was proposed for ac-dc matrix converters, where the virtual space vectors were preselected to reduce the calculation efforts, and the effect of parameter mismatch was analyzed.
Input filter resonance has been an important issue for predictive control schemes. Some active damping methods have been introduced and applied [20,25,26,27,28,29]. In [25,26], an active damping method was proposed, which is strictly limited by assuming the independent control of input currents. In [27], another new active damping method was constructed using modified input current references, which cannot directly be used in MPCs, since the damping current involves high-frequency harmonics transferred from the input voltage. In [20,28,29], the input voltage harmonics were added to the output current references, an indirect method with limited efficacy. Additionally, the digital DC-blocker involved affects the system dynamic response and limits parameter adjustment.
This paper proposes a continuous control set model predictive power control (CCS-MPPC) scheme for an indirect matrix converter. Its main contributions are:
  • CCS-MPPC combines controllable load active and reactive power, controllable input reactive power, and fixed switching frequency output waveforms. The comparison between the existing methods and the proposed CCS-MPPC scheme can be seen in Table 1.
  • An optimal switching sequence to simplify the IMC commutation.
  • An active damping method is implemented for the power control system. Table 2 shows a comparison between the proposed active damping technique and existing damping methods.
Table 3 explains the symbols used in this paper.

2. Indirect Matrix Converter System Model

Figure 1 demonstrates the IMC system power circuit, where the IMC includes the inverter and rectifier stages. An LC filter connects u s to the input stage, which comprises a capacitor C f i ; an inductor L f i , whose resistance is R f i ; and an output filter L f o , whose resistance is   R f o . The passive load of each phase involves R L   and C L .
From Figure 1, u d c is calculated with S r i and u i as:
u d c = [ S r 1 S r 4 S r 3 S r 6 S r 5 S r 2 ] u i
S r i = { 0 , open state 1 , closed state
i i   is calculated with   S r i   and i d c   as:
i i = [ S r 1 S r 4 S r 3 S r 6 S r 5 S r 2 ] i d c
Additionally, i d c is calculated with S i x and i o   as:
i d c = [ S i 1 S i 4 S i 3 S i 6 S i 5 S i 2 ] i o
S i x = { 0 , open state 1 , closed state
The valid switching states are shown in Table 4 and Table 5.
The model of the input filter is:
{ d i s d t = 1 L f i ( u s u i ) R f i L f i i s d u i d t = 1 C f i ( i s i i )        
The passive load of each phase involves R L and C L . Thus, the mathematical load model is:
{ d i o d t = 1 L f o ( u o u L ) R f o L f o i o d u L d t = i o C L u L C L R L            

3. Continuous Control Set Model Predictive Power Control Scheme

Figure 2 demonstrates the proposed power control scheme.
Initially, filter resonance suppression updates p L * and q i * . Then, input reactive, load active, and reactive power predictions generate Q i ( k + 1 ) , P L ( k + 1 ) ,   and   Q L ( k + 1 ) , which are predicted input reactive power, predicted load active power, and predicted load reactive power, respectively. Thus, the input and load cost functions select the optimal vectors V r ,   V i   and duty cycles d r , d i , which approach their references.
Lastly, the optimal switching sequence is applied similarly to that in SVM. The proposed control strategy is introduced in detail in the following subsections:

3.1. Power Predictions

The load apparent power S L is:
S L = p L + j q L = u L i o c
In (8), c represents the complex conjugate.
Based on Equations (7) and (8), the derivation of S L is obtained:
d S L d t = d u L d t i o c + d i o c d t u L = ( i o u L / R L ) i o c C L + ( u o c u L c R f o i o c ) u L L f o = i o i o c C L u L c u L L f o + u o c u L L f o ( 1 C L R L + R f o L f o ) u L i o c
Define p i o o ,   p u L L ,   p u o L , and q u o L as:
p i o o = i o c i o ,   p u L L = u L c u L ,   p u o L = R e ( u L u o c ) ,   q u o L = I m ( u L u o c )
Here, I m ( · ) and R e ( · )   are imaginary and real parts, respectively.
From Equations (8) and (10) can be obtained as
d d t [ p L q L ] = A L [ p L q L ] + B L [ p i o o p u L L p u o L q u o L ]
where
A L = [ 1 / C L R L + R f o / L f o 0 0 1 / C L R L + R f o / L f o ] , B L = [ 1 / C L 1 / L f o 1 / L f o 0 0 0   0   1 / L f o ]
The load model is obtained with the Euler formula:
[ p L [ k + 1 ] q L [ k + 1 ] ] = Φ L [ p L [ k ] q L [ k ] ] + Γ L [ p i o o [ k ] p u L L [ k ] p u o L [ k ] q u o L [ k ] ]
In (11), Φ L = e A L · T s , Γ L = A L 1 ( Φ L I ) B L .
The input apparent power S i is:
S i = p i + j q i = u i i s c
Based on Equations (6) and (12), the derivation of S i is obtained
d S i d t = d u i d t i s c + d i s c d t u i = ( i s i i ) i s c C f i + ( u s c u i c R f i i s c ) u i L f i = i s i s c C f i u i c u i L f i + u i u s c L f i i i i s c C f i R f i u i i s c L f i
Define q i i s and q u i s as:
q i i s = I m ( i i i s c ) ,   q u i s = I m ( u i u s c )
Thus,
d q i d t = I m ( d s i d t ) = R f i L f i q i 1 C f i q i i s + 1 L f i q u i s
Similar to Equation (11), the input side discrete state-space equation is obtained:
q i [ k + 1 ] = Φ i q i [ k ] + Γ i [ q i i s [ k ] q u i s [ k ] ] T
where Φ i = e R f i L f i T s , Γ i = L f i R f i ( Φ i 1 ) [ 1 C f i 1 L f i ] .
As shown in Figure 1, source reactive power q s can be obtained as:
q s = I m ( u s i s c ) = I m [ ( u i + R f i i s + L f i d i s d t ) i s c ] = I m ( u i i s c + L f i d i s d t i s c ) = q i + L f i d i s d t i s c
From Equation (16), it is obvious that q i and q s are different because of L f i d i s d t , and usually L f i d i s d t can be ignored compared to u S in the LC filter. Hence, q i and q s are equal. In addition, q s usually relies on the prediction of i s , which is an indirect control. However, from Equation (15), q i can be directly predicted with the differential equation, which indicates better controllability.

3.2. Cost Function Optimization

The proposed control strategy assesses two cost functions related to two active vectors. Suppose that the cost function of V r 1 is g r 1 , and the cost function of V r 2 (as shown in Figure 3a, V r 1 and V r 2 are adjacent vectors) is g r 2 ; thus
{ d r 1 = g r 2 / ( g r 1 + g r 2 ) d r 2 = g r 1 / ( g r 1 + g r 2 ) d r 1 + d r 2 = 1
g r = ( q i * q i ( k + 1 ) ) 2
In (17) and (18), g r represents errors between the input reactive power reference and its predicted value; d r 1   and   d r 2 are the duty cycles of V r 1   and   V r 2 , respectively.
With the duty cycles d r 1 ,   d r 2 , the total cost function g r is:
g r = d r 1 g r 1 + d r 2 g r 2
In Figure 3b, the implementation of the inverter is similar to that of the rectifier, whereas   V i 0 should be added as well as two nonzero vectors. Suppose the cost function of V i 0 is g i 0 , the cost function of V i 1 is g i 1 , and the cost function of V i 2 ( V i 1 and V i 2 are adjacent vectors) is g i 2 ; thus,
{ d i 0 = g i 1 g i 2 / ( g i 0 g i 1 + g i 0 g i 2 + g i 1 g i 2 ) d i 1 = g i 0 g i 2 / ( g i 0 g i 1 + g i 0 g i 2 + g i 1 g i 2 ) d i 2 = g i 0 g i 1 / ( g i 0 g i 1 + g i 0 g i 2 + g i 1 g i 2 ) d i 0 + d i 1 + d i 2 = 1
In (20), d i 0 ,   d i 1 , and d i 2 are the duty cycles of   V i 0 ,   V i 1 , and V i 2 ,   respectively ;   and g i is:
g i = λ p L ( P L * p L ( k + 1 ) ) 2 + λ q L ( Q L * q L ( k + 1 ) ) 2
In (21), p L ( k + 1 ) , q L ( k + 1 ) represent the load active power predicted value and the load reactive power predicted value, respectively; and λ p L , and   λ q L are weighted factors. With the duty cycles   d i 0 ,   d i 1   , and d i 2 , g i is calculated as:
g i = d i 0 g i 0 + d i 1 g i 1 + d i 2 g i 2

3.3. Optimal Switching Sequence

This paper proposes an optimal switching sequence to simplify the IMC commutation, as shown in Figure 4.
d 0 ~ d 7 are calculated as:
{ d 0 = d 3 = d i 0 d r 1 4 d 1 = d i 1 d r 1 2 d 2 = d i 2 d r 1 2 d 4 = d i 0 d r 2 4       d 5 = d i 2 d r 2 2 d 6 = d i 1 d r 2 2 d 7 = d i 0 d r 2 2
The duty cycles d r 1 ~ d r 2 are calculated as:
{ d r 1 = 2 ( 2 d 0 + d 1 + d 2 ) d r 2 = 2 ( d 4 + d 5 + d 6 ) + d 7
From Equations (23) and (24), it is obvious that the rectifier switching states change all the time, when i d c is zero, simplifying the IMC commutation strategy.

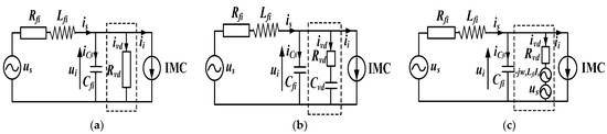
4. Input Filter Resonance Suppression

Figure 5 shows three active damping methods. The active damping method I is shown in Figure 5a [25,26,27], including the virtual resistor R v d . The second method is shown in Figure 5b [20,28,29], where a virtual branch composed of R v d   in series with a virtual capacitor C v d is considered in parallel with C f i . Owing to the fundamental frequency components contained in the damping current i v d , the effectiveness of methods I and II is limited. The proposed active damping method is shown in Figure 5c, where a virtual branch with a virtual voltage source of u s ,   R v d , and j ω s L f i I s is considered. In j ω s L f i I s , ω s is the source frequency, L f i is the input filter inductance, and I s denotes the fundamental component in i s , which is calculated as [30]
I s = ( P L * + j Q i * ) u s / u s 2
From Figure 5c, i v d can be calculated as:
i v d = u i u s + sj ω s L f i I s R v d
where the items u s and sj ω s L f i I s can remove the fundamental component of i v d , and thus the control accuracy will not degrade, and effectiveness will be improved.
The small-signal transfer function can be expressed as:
G ( s ) = 1 s 2 L f i C f i + s ( L f i / R v d + ( 1 + R f i / R v d ) C f i ) + 1 + R f i / R v d
In Figure 6, the damping coefficient increases when R v d decreases. In addition, the high-frequency magnitude remains the same. Thus, both good filtering and damping performance are realized.
i s is calculated as:
i s = i i + i C f i + i v d
Thus, the proposed method is implemented by injecting i v d into i s . In this method, CCS-MPPC controls power directly and the source current indirectly, and s i is modified as:
s i = u i i s C = u i ( i i C + i C f i C ) + u i i v d C
Therefore, the real part of u i i v d C should be added to the reference of p i and the imaginary part of u i i v d C should be added to the reference of q i , that is
p i * = P i * + R e ( u i i v d c )
q i * = Q i * + I m ( u i i v d c )
Note that the proposed CCS-MPPC strategy scheme controls p L directly rather than p i . Thus, (30) should be modified. The reference of p L can be modified as:
q i * = Q i * + I m ( u i i v d c )
Finally, the proposed method is implemented by adding the real part of u i i v d C to the reference of p i , and the imaginary part of u i i v d C to the reference of q i .

5. Experimental Results

Figure 7 shows the IMC prototype designed for verification, and Table 6 shows the experiment parameters. The digital controller is composed of an Actel ProASIC3 FPGA and a Texas Instruments C6713 DSP [31].
Input filter resonances are divided into series (shown in Figure 8a) and parallel resonance (illustrated in Figure 8b) [20,25,26,27,28,29]. The resonant frequency can be calculated with (33) and was designed near the seventh harmonic in this experiment.
f r e s = 1 2 π L C 7 ( pu )
Firstly, the FCS-MPC strategy for an IMC without input filter resonance suppression (IFRS) and the optimal switching sequence (OSS) was evaluated, with results shown in Figure 9. In Figure 9, i s A is highly distorted and THD is 38.83%, mainly related to the small damping coefficient. In addition, u s A , u L U , and i o U are affected by the large oscillations of i s A . In Figure 9, resonance needs to be suppressed in terms of power quality for the IMC system.
Secondly, the experimental results of FCS-MPC with IFRS are demonstrated in Figure 10. The waveform of i s A is significantly improved and its THD is 12.51%; THDs of the load current and voltage are also improved by 7.66% and 4.48%, respectively. In addition, the variable switching frequency phenomenon is shown in Figure 10b–d. In Figure 11, the effects of IFRS with FCS-MPC are demonstrated. In this situation, the input reactive power reference Q i * is set to 0 Var, and the load active power reference P L * and reactive power reference   Q L * are set to 450 W and 60 Var, respectively.
Thirdly, experimental results of the CCS-MPPC strategy with IFRS and the OSS are demonstrated in Figure 12 and Figure 13. In this situation, the weighting factors λ p L and   λ q L in Equation (21) are both set to one, since p L and   q L are equally important. The waveform of i s A is significantly improved and its THD is 7.45%; the THDs of u L U and i o U are also improved by 6.59% and 3.13%, respectively. The fixed switching frequency phenomenon is observed in Figure 12b–d. At the same time, i s A is in phase with respect to u s A , which indicates q i is minimized with Equation (18). According to [30], P L * and Q L * should satisfy the following Equation (34):
{ P L * = 3 U L m * 2 / 2 R L Q L * = 3 π f o C L U L m * 2
where U L m * is the reference of the load voltage amplitude. Thus, based on Equation (34), U L m * is obtained at 77.94 V, and f o is obtained at 50 Hz. In Figure 12, the actual amplitude of the load voltage is 75.41 V, which is 3.26% less than its reference, and the actual output frequency is 49 Hz, which is 2% less than its reference. The reasons for this are as follows:
(1)
According to Equations (8)–(21) and (34), the proposed control algorithm controls u L and f o indirectly and controls q L and p L directly. The results should be better with the common active load type, where the frequency and amplitude do not need to be controlled.
(2)
The effectiveness of predictive control strategies rely on model accuracy; however, model parameter errors always exist due to the limited capabilities of measuring instruments and variations of such parameters with respect to the operating conditions. This effect can be mitigated by improving system parameter robustness [32].
In addition, define the mean power M p as:
M p = 1 m k = 1 m p ( k )
and define the percentage mean power reference tracking error % e r r , p as the absolute difference between actual value of power and its reference:
% e r r , p = | 1 m k = 1 m p ( k ) P * 1 |
The comparisons between the FCS-MPC and the proposed CCS-MPPC are shown in Table 7.
Figure 14 demonstrates the waveforms of u d c and i d c with FCS-MPC, and CCS-MPPC with the OSS. As shown in Figure 14a, the rectifier switching state changes when i d c is not zero (red line), and, thus, switching losses are increased. However, with the proposed OSS, the rectifier switching state changes when i d c is zero (red line) in Figure 14b, simplifying the IMC commutation.
Finally, the transient results of CCS-MPPC with IFRS and OSS are demonstrated in Figure 15, Figure 16, Figure 17, Figure 18, Figure 19 and Figure 20. Q L * is changed between 60 Var and 30 Var in Figure 16, while P L * remains unchanged. In Figure 18,   P L * is changed between 450 W and 225 W, while Q i * remains unchanged. In Figure 20, P L * is changed between 450 W and 225 W, and Q i * is changed between 60 Var and 30 Var at the same time. Accordingly, Figure 15, Figure 17 and Figure 19 show the waveforms of u s A , i s A , u L U , and i o U . As indicated in Figure 15, Figure 16, Figure 17, Figure 18, Figure 19 and Figure 20, i s A , u L U , and i o U demonstrate almost sinusoidal waveforms, and i s A is in phase with u s A , which indicates q i is minimized with Equation (18). The dynamic responses are quick.

6. Conclusions

A continuous control set model predictive power control strategy was proposed. The load reactive power, the load active power, and the input reactive power are controlled at simultaneously. This control strategy can obtain output waveforms with fixed switching frequency.
FCS-MPC does not involve a modulation scheme, in which the optimal switching states may continue to be optimal for the following several sampling instances, and thus the switching frequency is variable, resulting in broad harmonics. To overcome this problem, a suitable vector modulation is added to the model predictive power control by operating at a fixed switching frequency. The CCS-MPPC strategy firstly derives the power prediction model for the IMC. The switching frequency is fixed using two rectifier current vectors and three inverter voltage vectors during a fixed switching interval. The two cost functions in CCS-MPPC differ: the rectifier stage is in relation to input reactive power, and the inverter stage is in relation to load reactive and load active power. Additionally, an optimal switching sequence is proposed to simplify the IMC commutation.
Input filter resonance has been an important issue facing predictive control schemes. To mitigate this problem, an active damping method was proposed; the strategy can be realized by adding the real part of u i i v d C to the reference of p i , and the imaginary part of u i i v d C to the reference of q i .
Experimental results illustrated that the proposed control strategy features controllable input reactive power, controllable load active and reactive power with good tracking to their references, and fixed switching frequency output waveforms. The proposed active damping method effectively suppresses the input filter resonance with better dynamic response and parameter adjustment than the methods in [20,28,29].

Author Contributions

Conceptualization, methodology and validation, Z.D. and D.X.; formal analysis, investigation, resources and writing—original draft preparation, Z.D. and K.Z.; writing—review and editing, supervision and project administration, D.X.; funding acquisition, K.Z. All authors have read and agreed to the published version of the manuscript.

Funding

This work was supported in part by the Natural Science Basic Research Plan in Shaanxi Province of China under Grant 2018JM5033 and in part by the China Scholarship Council under Grant 201606290180.

Acknowledgments

The authors thank the Natural Science Basic Research Plan in Shaanxi Province of China and the China Scholarship Council.

Conflicts of Interest

The authors declare no conflict of interest.

References

  1. Alesina, A.; Venturini, M.G.B. Analysis and design of optimum-amplitude nine-switch direct AC-AC converters. IEEE Trans. Power Electron. 1989, 4, 101–112. [Google Scholar] [CrossRef]
  2. Wheeler, P.W.; Rodriguez, J.; Clare, J.C.; Empringham, L.; Weinstein, A. Matrix converters: A technology review. IEEE Trans. Ind. Electron. 2002, 49, 276–288. [Google Scholar] [CrossRef]
  3. Kolar, J.W.; Friedli, T.; Rodriguez, J.; Wheeler, P.W. Review of Three-Phase PWM AC–AC Converter Topologies. IEEE Trans. Ind. Electron. 2011, 58, 4988–5006. [Google Scholar] [CrossRef]
  4. Friedli, T.; Kolar, J.W.; Rodriguez, J.; Wheeler, P.W. Comparative Evaluation of Three-Phase AC–AC Matrix Converter and Voltage DC-Link Back-to-Back Converter Systems. IEEE Trans. Ind. Electron. 2012, 59, 4487–4510. [Google Scholar] [CrossRef]
  5. Lee, M.Y.; Wheeler, P.; Klumpner, C. Space-Vector Modulated Multilevel Matrix Converter. IEEE Trans. Ind. Electron. 2010, 57, 3385–3394. [Google Scholar] [CrossRef]
  6. Rodriguez, J.; Rivera, M.; Kolar, J.W.; Wheeler, P.W. A Review of Control and Modulation Methods for Matrix Converters. IEEE Trans. Ind. Electron. 2012, 59, 58–70. [Google Scholar] [CrossRef]
  7. Lei, J.; Zhou, B.; Bian, J.; Qin, X.; Wei, J. A Simple Method for Sinusoidal Input Currents of Matrix Converter under Unbalanced Input Voltages. IEEE Trans. Power Electron. 2016, 31, 21–25. [Google Scholar] [CrossRef]
  8. Rivera, M.; Wheeler, P.; Olloqui, A.; Khaburi, D.A. In A review of predictive control techniques for matrix converters—Part I. In Proceedings of the 2016 7th Power Electronics and Drive Systems Technologies Conference (PEDSTC), Tehran, Iran, 16–18 February 2016; pp. 582–588. [Google Scholar] [CrossRef]
  9. Sun, Y.; Li, X.; Su, M.; Wang, H.; Dan, H.; Xiong, W. Indirect Matrix Converter-Based Topology and Modulation Schemes for Enhancing Input Reactive Power Capability. IEEE Trans. Power Electron. 2015, 30, 4669–4681. [Google Scholar] [CrossRef]
  10. Nguyen, T.D.; Lee, H. A New SVM Method for an Indirect Matrix Converter with Common-Mode Voltage Reduction. IEEE Trans. Ind. Inform. 2014, 10, 61–72. [Google Scholar] [CrossRef]
  11. Tsoupos, A.; Khadkikar, V. A Novel SVM Technique with Enhanced Output Voltage Quality for Indirect Matrix Converters. IEEE Trans. Ind. Electron. 2019, 66, 832–841. [Google Scholar] [CrossRef]
  12. Rivera, M.; Yaramasu, V.; Llor, A.; Rodriguez, J.; Wu, B.; Fadel, M. Digital Predictive Current Control of a Three-Phase Four-Leg Inverter. IEEE Trans. Ind. Electron. 2013, 60, 4903–4912. [Google Scholar] [CrossRef]
  13. Garcia, C.; Rivera, M.; Lopez, M.; Rodriguez, J.; Pena, R.; Wheeler, P.; Espinoza, J. A Simple Current Control Strategy for a Four-Leg Indirect Matrix Converter. IEEE Trans. Power Electron. 2015, 30, 2275–2287. [Google Scholar] [CrossRef]
  14. Garcia, C.; Rivera, M.; Rodriguez, J.; Wheeler, P.; Pena, R. Predictive Current Control with Instantaneous Reactive Power Minimization for a Four-Leg Indirect Matrix Converter. IEEE Trans. Ind. Electron. 2017, 64, 922–929. [Google Scholar] [CrossRef]
  15. Siami, M.; Khaburi, D.; Rivera, M.; Rodriguez, J. A Computationally Efficient Lookup Table Based FCS-MPC for PMSM Drives Fed by Matrix Converters. IEEE Trans. Ind. Electron. 2017, 65, 7645–7654. [Google Scholar] [CrossRef]
  16. Rivera, M.; Toledo, S.; Baier, C.; Tarisciotti, L.; Wheeler, P.; Verne, S. Indirect predictive control techniques for a matrix converter operating at fixed switching frequency. In Proceedings of the 2017 IEEE International Symposium on Predictive Control of Electrical Drives and Power Electronics (PRECEDE), Pilsen, Czech Republic, 4–6 September 2017; pp. 13–18. [Google Scholar] [CrossRef] [Green Version]
  17. Vijayagopal, M.; Zanchetta, P.; Empringham, L.; Lillo, L.; Tarisciotti, L.; Wheeler, P. Control of a Direct Matrix Converter with Modulated Model-Predictive Control. IEEE Trans. Ind. Appl. 2017, 53, 2342–2349. [Google Scholar] [CrossRef]
  18. Vijayagopal, M.; Silva, C.; Empringham, L.; Lillo, L. Direct Predictive Current-Error Vector Control for a Direct Matrix Converter. IEEE Trans. Power Electron. 2019, 34, 1925–1935. [Google Scholar] [CrossRef]
  19. Garcia, C.; Silva, C.; Rodriguez, J.; Zanchetta, P.; Odhano, S. Modulated Model-Predictive Control with Optimized Overmodulation. IEEE J. Emerg. Sel. Top. Power Electron. 2019, 7, 404–413. [Google Scholar] [CrossRef]
  20. Di, Z.; Rivera, M.; Dan, H.; Tarisciotti, L.; Zhang, K.; Xu, D.; Wheeler, P. Modulated model predictive current control of an indirect matrix converter with active damping. In Proceedings of the 2017 43rd Annual Conference of the IEEE Industrial Electronics Society (IECON), Beijing, China, 29 October–1 November 2017; pp. 1313–1318. [Google Scholar] [CrossRef]
  21. Xifei, L.; Zhong, Z.; Sai, T.; Chao, Z.; Daming, W.; Jun, W. Modulated Model Predictive Control Based on Voltage-Error Vector Analysis for Direct Matrix Converter. In Proceedings of the 2020 IEEE 9th International Power Electronics and Motion Control Conference (IPEMC2020-ECCE Asia), Nanjing, China, 29 November–2 December 2020; pp. 853–857. [Google Scholar] [CrossRef]
  22. Qi, W.; Haitao, Y.; Chen, L.; Xiaoyu, L.; Seang, Y.; Tao, Y.; Rivera, M.; Serhiy, B.; Wheeler, P. A Low-Complexity Optimal Switching Time-Modulated Model-Predictive Control for PMSM with Three-Level NPC Converter. IEEE Trans. Transp. Electrification. 2020, 6, 1188–1198. [Google Scholar] [CrossRef]
  23. Magno, A.; Jesus, D.; Jorge, R.; Osvaldo, G.; Raul, G.; Rivera, M. A Novel Modulated Model Predictive Control Applied to Six-Phase Induction Motor Drives. IEEE Trans. Ind. Electron. 2021, 68, 3672–3682. [Google Scholar] [CrossRef]
  24. Fang, F.; Tian, H.; Li, Y. Finite Control Set Model Predictive Control for AC–DC Matrix Converter with Virtual Space Vectors. IEEE J. Emerg. Sel. Top. Power Electron. 2021, 9, 616–628. [Google Scholar] [CrossRef]
  25. Sato, I.; Itoh, J.; Ohguchi, H.; Odaka, A.; Mine, H. An Improvement Method of Matrix Converter Drives under Input Voltage Disturbances. IEEE Trans. Power Electron. 2007, 22, 132–138. [Google Scholar] [CrossRef]
  26. Haruna, J.; Itoh, J. Behavior of a matrix converter with a feed back control in an input side. In Proceedings of the 2010 International Power Electronics Conference (ECCE ASIA), Sapporo, Japan, 21–24 June 2010; pp. 1202–1207. [Google Scholar] [CrossRef]
  27. Lei, J.; Zhou, B.; Qin, X.; Wei, J.; Bian, J. Active damping control strategy of matrix converter via modifying input reference currents. IEEE Trans. Power Electron. 2015, 30, 5260–5271. [Google Scholar] [CrossRef]
  28. Rivera, M.; Rodriguez, J.; Wu, B.; Espinoza, J.R.; Rojas, C.A. Current Control for an Indirect Matrix Converter with Filter Resonance Mitigation. IEEE Trans. Ind. Electron. 2012, 59, 71–79. [Google Scholar] [CrossRef]
  29. Rivera, M.; Rojas, C.A.; Rodriguez, J.; Wheeler, P.; Wu, B.; Espinoza, J. Predictive Current Control with Input Filter Resonance Mitigation for a Direct Matrix Converter. IEEE Trans. Power Electron. 2011, 26, 2794–2803. [Google Scholar] [CrossRef]
  30. Akagi, H.; Watanabe, E.H.; Aredes, M. Instantaneous Power Theory and Applications to Power Conditioning; Wiley: Hoboken, NJ, USA, 2007. [Google Scholar]
  31. Trentin, A.; Empringham, L.; Lillo, L.; Zanchetta, P.; Wheeler, P.; Clare, J. Experimental Efficiency Comparison Between a Direct Matrix Converter and an Indirect Matrix Converter Using Both Si IGBTs and SiC mosfets. IEEE Trans. Ind. Appl. 2016, 52, 4135–4145. [Google Scholar] [CrossRef] [Green Version]
  32. Zhang, X.; Zhang, L.; Zhang, Y. Model Predictive Current Control for PMSM Drives with Parameter Robustness Improvement. IEEE Trans. Power Electron. 2019, 34, 1645–1657. [Google Scholar] [CrossRef]
Figure 1. The IMC system power circuit.
Figure 1. The IMC system power circuit.
Energies 14 04114 g001
Figure 2. The CCS-MPPC scheme.
Figure 2. The CCS-MPPC scheme.
Energies 14 04114 g002
Figure 3. Space vectors for the IMC: (a) for the rectifier; (b) for the inverter.
Figure 3. Space vectors for the IMC: (a) for the rectifier; (b) for the inverter.
Energies 14 04114 g003
Figure 4. Optimal switching sequence.
Figure 4. Optimal switching sequence.
Energies 14 04114 g004
Figure 5. Three active damping methods: (a) method I, (b) method II, and (c) the method in this paper.
Figure 5. Three active damping methods: (a) method I, (b) method II, and (c) the method in this paper.
Energies 14 04114 g005
Figure 6. Spectrum of transfer function.
Figure 6. Spectrum of transfer function.
Energies 14 04114 g006
Figure 7. Laboratory IMC control system prototype.
Figure 7. Laboratory IMC control system prototype.
Energies 14 04114 g007
Figure 8. Filter resonances: (a) series resonances and (b) parallel resonances.
Figure 8. Filter resonances: (a) series resonances and (b) parallel resonances.
Energies 14 04114 g008
Figure 9. FCS-MPC without IFRS for IMCs: (a) waveforms of u s A , i s A , u L U and i o U ; (b) i s A THD analysis; (c) u L U THD analysis; (d) i o U THD analysis.
Figure 9. FCS-MPC without IFRS for IMCs: (a) waveforms of u s A , i s A , u L U and i o U ; (b) i s A THD analysis; (c) u L U THD analysis; (d) i o U THD analysis.
Energies 14 04114 g009
Figure 10. FCS-MPC with IFRS for the IMC: (a) waveforms of u s A , i s A , u L U and i o U ; (b) i s A THD analysis; (c) u L U THD analysis; (d) i o U THD analysis.
Figure 10. FCS-MPC with IFRS for the IMC: (a) waveforms of u s A , i s A , u L U and i o U ; (b) i s A THD analysis; (c) u L U THD analysis; (d) i o U THD analysis.
Energies 14 04114 g010aEnergies 14 04114 g010b
Figure 11. Effects of IFRS with FCS-MPC: (a) the unmodified P L * , active damping component Δ P L * , the modified p L * , and the actual load active power p L ; (b) the unmodified input reactive power reference Q i * , active damping component Δ Q i * , q i , and modified q i * .
Figure 11. Effects of IFRS with FCS-MPC: (a) the unmodified P L * , active damping component Δ P L * , the modified p L * , and the actual load active power p L ; (b) the unmodified input reactive power reference Q i * , active damping component Δ Q i * , q i , and modified q i * .
Energies 14 04114 g011
Figure 12. CCS-MPPC with IFRS and OSS for the IMC: (a) waveforms of u s A , i s A , u L U and i o U ; (b) spectrum of i s A ; (c) spectrum of u L U ; (d) spectrum of i o U .
Figure 12. CCS-MPPC with IFRS and OSS for the IMC: (a) waveforms of u s A , i s A , u L U and i o U ; (b) spectrum of i s A ; (c) spectrum of u L U ; (d) spectrum of i o U .
Energies 14 04114 g012
Figure 13. Effects of IFRS with the CCS-MPPC: (a) the unmodified P L * , active damping component Δ P L * , the modified p L * , and actual load active power p L ; (b) the unmodified Q i * , active damping component Δ Q i * , input reactive power q i , and the modified q i * .
Figure 13. Effects of IFRS with the CCS-MPPC: (a) the unmodified P L * , active damping component Δ P L * , the modified p L * , and actual load active power p L ; (b) the unmodified Q i * , active damping component Δ Q i * , input reactive power q i , and the modified q i * .
Energies 14 04114 g013
Figure 14. Waveforms of i d c and u d c : (a) with FCS-MPC; (b) with CCS-MPPC and OSS.
Figure 14. Waveforms of i d c and u d c : (a) with FCS-MPC; (b) with CCS-MPPC and OSS.
Energies 14 04114 g014
Figure 15. CCS-MPPC with OSS and IFRS for the IMC: waveforms of u s A , i s A , u L U , and i o U .
Figure 15. CCS-MPPC with OSS and IFRS for the IMC: waveforms of u s A , i s A , u L U , and i o U .
Energies 14 04114 g015
Figure 16. CCS-MPPC with IFRS and OSS for the IMC, where Q i * steps between 60 and 30 Var, and P i * remains unchanged.
Figure 16. CCS-MPPC with IFRS and OSS for the IMC, where Q i * steps between 60 and 30 Var, and P i * remains unchanged.
Energies 14 04114 g016
Figure 17. CCS-MPPC with IFRS and OSS for the IMC: waveforms of u s A , i s A , u L U , and i o U .
Figure 17. CCS-MPPC with IFRS and OSS for the IMC: waveforms of u s A , i s A , u L U , and i o U .
Energies 14 04114 g017
Figure 18. CCS-MPPC with IFRS and OSS for the IMC, where P L * steps between 450 and 225 W, and Q i * remains unchanged.
Figure 18. CCS-MPPC with IFRS and OSS for the IMC, where P L * steps between 450 and 225 W, and Q i * remains unchanged.
Energies 14 04114 g018
Figure 19. CCS-MPPC with IFRS and OSS for the IMC: Waveforms of u s A , u L U , and i o U .
Figure 19. CCS-MPPC with IFRS and OSS for the IMC: Waveforms of u s A , u L U , and i o U .
Energies 14 04114 g019
Figure 20. CCS-MPPC with IFRS and OSS for the IMC, where P L * steps between 450 and 225 W, and Q i * steps between 60 and 30 Var.
Figure 20. CCS-MPPC with IFRS and OSS for the IMC, where P L * steps between 450 and 225 W, and Q i * steps between 60 and 30 Var.
Energies 14 04114 g020
Table 1. Comparison of existing methods and the proposed continuous control set model predictive power control (CCS-MPPC) scheme.
Table 1. Comparison of existing methods and the proposed continuous control set model predictive power control (CCS-MPPC) scheme.
MethodSwitching FrequencyFiltersControl VariablesValidationApplications
ProposedFixedInput and output filtersInput reactive power, load active and reactive powerExperimentIMC
CCS-MPPC
FCS-MPC in [12,13,14,15]VariableInput filterInput and output currentsExperimentfour-leg inverters [12], four-leg MCs [13,14,15]
M2PC in [16,17,18,19,21,22,23,24]FixedInput filterInput and output currentsExperimentDMC [16,17,18,21], active rectifier [19], three-level NPC converter [22,23], AC–DC MCs [24]
M2PC in [20]FixedInput filterSource reactive power and output currentSimulationIMC
Table 2. Comparison of the proposed active damping technique and existing damping methods.
Table 2. Comparison of the proposed active damping technique and existing damping methods.
MethodEfficiencyModified VariablesControl StrategyNotice
The proposed active dampingHighInput reactive power and load active powerCCS-MPPCSuitable for model predictive power control
Passive damping in [25,26]LowPhysical implementationSVMPhysical implementation
Active damping in [27]HighInput currentSVMNot applicable for FCS-MPC
Active damping in [20,28,29]limitedOutput currentM2PC [20], FCS-MPC [28,29]Digital DC-blocker involved affects the system dynamic response and limits the parameter adjustment
Table 3. Symbols in this paper.
Table 3. Symbols in this paper.
S L The load apparent power
S i The input apparent power
q s Source reactive power
P L * Unmodified load active power reference
Q L * Unmodified load reactive power reference
Q i * Unmodified input reactive power reference
Δ P L * Active   damping   component   added   into   P L *
Δ Q i * Active   damping   component   added   into   Q i *
Table 4. Rectifier switching states.
Table 4. Rectifier switching states.
  V d c   i A   i B   i C S r 1 S r 2 S r 3 S r 4 S r 5 S r 6
  V A C i d c 0 i d c 110000
  V B C 0   i d c i d c 011000
V A B i d c   i d c 0001100
V A C i d c 0   i d c 000110
V B C 0 i d c   i d c 000011
  V A B i d c i d c 0100001
Table 5. Inverter switching states.
Table 5. Inverter switching states.
i d c   V a b   V b c   V c a S i 1   S i 2 S i 3 S i 4 S i 5 S i 6
i a   V d c 0 V d c 110001
i a + i b 0   V d c V d c 111000
i b V d c   V d c 0011100
i b + i c V d c 0   V d c 001110
i c 0 V d c V d c 000111
i a + i c   V d c V d c 0100011
0000101010
0000010101
Table 6. Experimental parameters.
Table 6. Experimental parameters.
V s AC voltage amplitude141 V
C f i Input filter capacitor22 μF
L f i Input filter inductor5 mH
L fo Output filter inductor2 mH
C L Load capacitor10 μF
R L Load resistor20.25   Ω
f s Sampling frequency10 kHz
λ p L Weighting factor1
λ q L Weighting factor1
Table 7. Comparisons between FCS-MPC and CCS-MPPC.
Table 7. Comparisons between FCS-MPC and CCS-MPPC.
M   q i ( Var ) % e r r , p L % e r r , q L
FCS-MPC15.445.31%7.06%
CCS-MPPC6.633.29%4.52%
Publisher’s Note: MDPI stays neutral with regard to jurisdictional claims in published maps and institutional affiliations.

Share and Cite

MDPI and ACS Style

Di, Z.; Xu, D.; Zhang, K. Continuous Control Set Model Predictive Control for an Indirect Matrix Converter. Energies 2021, 14, 4114. https://doi.org/10.3390/en14144114

AMA Style

Di Z, Xu D, Zhang K. Continuous Control Set Model Predictive Control for an Indirect Matrix Converter. Energies. 2021; 14(14):4114. https://doi.org/10.3390/en14144114

Chicago/Turabian Style

Di, Zhengfei, Demin Xu, and Kehan Zhang. 2021. "Continuous Control Set Model Predictive Control for an Indirect Matrix Converter" Energies 14, no. 14: 4114. https://doi.org/10.3390/en14144114

APA Style

Di, Z., Xu, D., & Zhang, K. (2021). Continuous Control Set Model Predictive Control for an Indirect Matrix Converter. Energies, 14(14), 4114. https://doi.org/10.3390/en14144114

Note that from the first issue of 2016, this journal uses article numbers instead of page numbers. See further details here.

Article Metrics

Back to TopTop