Study on the Effect of Helium on the Dielectric Strength of Medium-Voltage Vacuum Interrupters
Abstract
:1. Introduction
1.1. Background and Motivation
1.2. Electronegative Gases as an Insulating Medium
- -
- capture in two-body processes (resonant and dissociative),
- -
- capture in three-body processes.
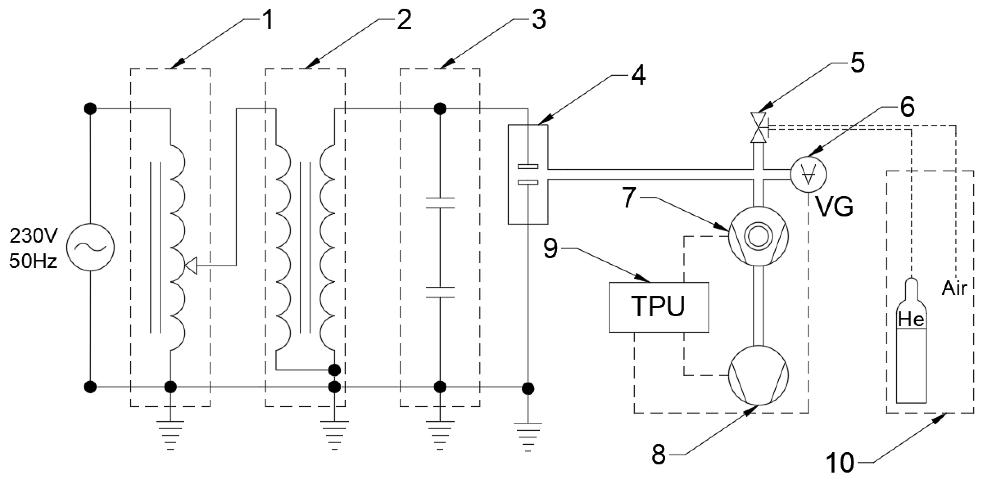
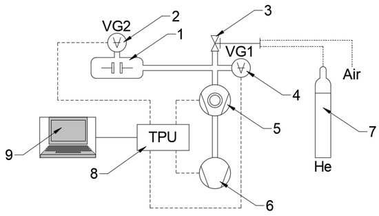
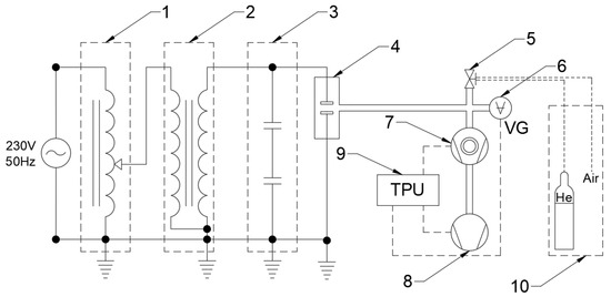
2. Research Stands, Materials and Methods
3. Results
3.1. Results of Scaling the Pressure Measurement System
3.2. Dielectric Strength Test Results
4. Conclusions
Author Contributions
Funding
Institutional Review Board Statement
Informed Consent Statement
Data Availability Statement
Acknowledgments
Conflicts of Interest
References
- Polish Power Transmission and Distribution Association (PTPiREE)—Report 2019. 2020. Available online: http://www.ptpiree.pl/raporty/2020/raport_ptpiree_druk.pdf (accessed on 10 May 2021).
- Konarski, M.; Węgierek, P. The use of power restoration systems for automation of medium voltage distribution grid. Przegląd Elektrotechniczny 2018, 94, 167–172. [Google Scholar] [CrossRef] [Green Version]
- Pan, B.; Wang, G.; Shi, H.; Shen, J.; Ji, H.-K.; Kil, G.-S. Green gas for grid as an eco-friendly alternative insulation gas to SF6: A Review. Appl. Sci. 2020, 10, 2526. [Google Scholar] [CrossRef] [Green Version]
- Xiao, S.; Zhang, X.; Tang, J.; Liu, S. A review on SF6 substitute gases and research status of CF3I gases. Energy Rep. 2018, 4, 486–496. [Google Scholar] [CrossRef]
- Park, H.; Lim, D.-Y.; Bae, S. Partial discharge and surface flashover characteristics with O2content in N2/O2 mixed gas under a non-uniform field. IEEE Trans. Dielectr. Electr. Insul. 2018, 25, 1403–1412. [Google Scholar] [CrossRef]
- Beroual, A.; Haddad, M.A. Recent advances in the quest for a new insulation gas with a low impact on the environment to replace sulfur hexafluoride (SF6) gas in high-voltage power network applications. Energies 2017, 10, 1216. [Google Scholar] [CrossRef] [Green Version]
- Breidenich, C.; Magraw, D.; Rowley, A.; Rubin, J. Kyoto Protocol to the UN Framework Convention on Climate Change. Am. J. Int. Law 1998, 92, 315–331. [Google Scholar] [CrossRef]
- Dunse, B.L.; Fraser, P.J.; Krummel, P.B.; Steele, L.P.; Derek, N. Australian HFC, PFC, Sulfur Hexafluoride and Sulfuryl Fluoride Emissions. CSIRO Ocean. Atmos. 2015, 1–37. [Google Scholar] [CrossRef]
- Mota-Babiloni, A.; Navarro-Esbrí, J.; Barragán-Cervera, Á.; Molés, F.; Peris, B. Analysis based on EU Regulation No 517/2014 of new HFC/HFO mixtures as alternatives of high GWP refrigerants in refrigeration and HVAC systems. Int. J. Refrig. 2015, 52, 21–31. [Google Scholar] [CrossRef]
- Florkowski, M.; Furgał, J.; Kuniewski, M.; Pająk, P. Overvoltage impact on internal insulation systems of transformers in electrical networks with vacuum circuit breakers. Energies 2020, 13, 6380. [Google Scholar] [CrossRef]
- Lech, M.; Kostyła, D. Method for determining the actual pressure value in a MV vacuum interrupter. Inform. Autom. Pomiary Gospod. Ochr. Sr. IAPGOS 2021, 1, 28–31. [Google Scholar] [CrossRef]
- Kiszło, S.; Partyka, J. The ways to improve the parameters of vacuum chambers used in the new construction of medium voltage disconnectors. Przegląd Elektrotechniczny 2015, 91, 288–291. [Google Scholar] [CrossRef]
- Janiszewski, J.; Batura, R. Wytrzymałość elektryczna przerwy międzystykowej wyłącznika próżniowego. Przegląd Elektrotechniczny 2010, 86, 178–181. [Google Scholar]
- Kiszło, S. Rozłączniki wysokonapięciowe do 24 kV—Analiza konstrukcji i parametrów technicznych w świetle aktów normatywnych, prowadzonych prób i badań. Wiadomości Elektrotechniczne 2014, 5, 46–48. [Google Scholar] [CrossRef]
- Hunter, S.R.; Carter, J.G.; Christophorou, L.G. Electron motion in the gases CF4, C2F6, C3F8, and n-C4F10. Phys. Rev. A 1988, 38, 58–69. [Google Scholar] [CrossRef]
- Opydo, W. Właściwości Gazowych i Próżniowych Wysokonapięciowych Układów Izolacyjnych; Politechnika Poznańska: Poznań, Poland, 2008; pp. 1–136. ISBN 978-83-7143-348-1. [Google Scholar]
- Huk, M.P.; Igo-Kemens, P.; Wagner, A. Electron attachment to oxygen, water, and methanol, in various drift chamber gas mixtures. Nucl. Instr. Meth. Phys. Res. A 1988, 267, 107–119. [Google Scholar] [CrossRef]
- Kuroiwa, H.; Nitoh, O.; Fujii, K.; Khalatyan, N. The influence of oxygen contamination on the performance of a mini-jet-cell-type drift chamber for the JLC-CDC. Nucl. Instr. Meth. Phys. Res. A 2004, 516, 377–389. [Google Scholar] [CrossRef]
- Juhre, K.; Kynast, E. N2 and N2/CO2 Mixture in Gas Insulated Compartments under High Pressure. Gaseous Dielectrics X 2004, 211–216. [Google Scholar] [CrossRef]
- Chen, L.; Widger, P.; Tateyama, C.; Kumada, A.; Griffiths, H.; Hidaka, K.; Haddad, A. Breakdown Characteristics of CF3I/CO2 gas mixtures under fast impulse in rod-plane and GIS geometries. In Proceedings of the 19th International Symposium of High Voltage Engineering (ISH), Pilsen, Czech Republic, 23–25 August 2015. [Google Scholar]
- Christophorou, L.G.; Olthoff, J.K.; Green, D.S. Gases for Electrical Insulation and Arc Interruption: Possible Present and Future Alternatives to Pure SF6; National Institute of Standards and Technology: Gaithesburg, MD, USA, 1997; pp. 1–56. [Google Scholar] [CrossRef]
- Cigre Publication: Guide for SF6 Gas Mixtures, August 2000. Available online: https://e-cigre.org/publication/ELT_191_10-cigre-guide-for-sf6-gas-mixtures (accessed on 15 May 2021).
- Lee, W.; Jun, J.; Oh, H.; Park, J.; Oh, Y.; Song, K.; Jang, H. Comparison of the interrupting capability of gas circuit breaker according to SF6, g3,and CO2/O2 mixture. Energies 2020, 13, 6388. [Google Scholar] [CrossRef]
- Ciok, Z. Ochrona Środowiska w Elektroenergetyce; PWN: Warsaw, Poland, 2001; pp. 1–480. ISBN 9788301186005. [Google Scholar]
- Graber, L.; Kim, W.J.; Cheetham, P.; Kim, C.H.; Rodrigo, H.; Pamidi, S.V. Dielectric properties of cryogenic gas mixtures containing helium, neon, and hydrogen. IOP Conf. Ser. Mater. Sci. Eng. 2015, 102, 012018. [Google Scholar] [CrossRef] [Green Version]
- Park, C.; Pamidi, S.; Graber, L. The dielectric strength of dissociated cryogenic gas media. J. Appl. Phys. 2018, 124, 104104. [Google Scholar] [CrossRef]
- Ramakers, M.; Michielsen, I.; Aerts, R.; Meynen, V.; Bogaerts, A. Effect of argon or helium on the CO2 conversion in a dielectric barrier discharge. Plasma Process. Polym. 2015, 12, 755–763. [Google Scholar] [CrossRef]
- Park, H.; Lim, D.; Bae, S. Surface discharge mechanism on epoxy resin in electronegative gases and its application. Appl. Sci. 2020, 10, 6673. [Google Scholar] [CrossRef]
- Belevtsev, A.A. Charge kinetics in weakly ionized plasma of electronegative gases. High Temp. 2013, 51, 435–442. [Google Scholar] [CrossRef]
- Węgierek, P.; Lech, M.; Kozak, C.; Pastuszak, J. Methodology for testing the electrical strength of vacuum chambers designed for modern medium voltage switchgear. Metrol. Meas. Syst. 2020, 27, 687–700. [Google Scholar] [CrossRef]








| Substance | GWP100 |
|---|---|
| Carbon dioxide CO2 | 1 |
| Methane CH4 | 23 |
| Nitrous oxide N2O | 296 |
| Carbon tetrafluoride CF4 | 5700 |
| Freon R-12 (CFC-12) | 10,600 |
| Sulfur hexafluoride SF6 | 22,200 |
| Specification | Application in Insulation | Application for Electric Arc Extinguishing |
|---|---|---|
| Gases used today and mixtures thereof | 40% SF6 + 60% N2 50% SF6 + 50% N2 | 40% SF6 + 60% N2 50% SF6 + 50% N2 |
| Directions for current ongoing research | pure nitrogen (N2) under high pressure, low concentration of SF6 and pure nitrogen | SF6 + He |
| Forecasted research directions | CO2 SO2 N2O N2+SO2 N2+c-C4F8 SO2+SF6 SO2+c- C4F8SF6+CO2 | SF6+Ar SF6+CF4 SF6+C2F6 SF6+N2+He SF6+N2+ArHe+electronegative gases |
| Type of Parameter | Parameter Value |
|---|---|
| Rated frequency | 50 Hz |
| Rated voltage | 24 kV |
| Rated impulse withstand voltage | 125 kV |
| Rated continuous current | 400 A |
| Rated 1s withstand current | 16 kA |
| Rated peak withstand current | 40 kA |
| Rated short-circuit making current | 16 kA |
| Breaking current in circuit with low inductance | 400 A |
| Mechanical durability | 2000 cycles |
| Electrode Spacing | Breakdown Voltage | Pressure Range |
|---|---|---|
| d, mm | Ud, kV | p, Pa |
| 1.0 | 7.00 | 8.00 × 10−4–7.70 × 100 |
| 2.0 | 17.00 | 8.00 × 10−4–5.50 × 100 |
| 3.0 | 31.00 | 8.00 × 10−4–4.20 × 100 |
| 4.0 | 40.00 | 8.00 × 10−4–4.00 × 100 |
| 5.0 | 47.00 | 8.00 × 10−4–3.00 × 100 |
| Electrode Spacing | Breakdown Voltage | Pressure Range |
|---|---|---|
| d, mm | Ud, kV | p, Pa |
| 1.0 | 5.00 | 8.00 × 10−4–5.33 × 101 |
| 2.0 | 13.00 | 8.00 × 10−4–2.67 × 101 |
| 3.0 | 29.00 | 8.00 × 10−4–2.67 × 101 |
| 4.0 | 36.00 | 8.00 × 10−4–2.67 × 101 |
| 5.0 | 46.00 | 8.00 × 10−4–1.37 × 101 |
| Electrode Spacing d, mm | Breakdown Voltage Ud, kV | |
|---|---|---|
| Residual Gas Type | ||
| Air | Helium | |
| pref = 2.0 × 101 Pa | ||
| 1.0 | Ud(Air) = 1.20 | Ud(He) = 3.50 |
| 2.0 | Ud(Air) = 0.90 | Ud(He) = 8.00 |
| 3.0 | Ud(Air) = 1.10 | Ud(He) = 27.00 |
| 4.0 | Ud(Air) = 1.00 | Ud(He) = 31.00 |
| 5.0 | Ud(Air) = 1.00 | Ud(He) = 40.00 |
Publisher’s Note: MDPI stays neutral with regard to jurisdictional claims in published maps and institutional affiliations. |
© 2021 by the authors. Licensee MDPI, Basel, Switzerland. This article is an open access article distributed under the terms and conditions of the Creative Commons Attribution (CC BY) license (https://creativecommons.org/licenses/by/4.0/).
Share and Cite
Węgierek, P.; Lech, M.; Kostyła, D.; Kozak, C. Study on the Effect of Helium on the Dielectric Strength of Medium-Voltage Vacuum Interrupters. Energies 2021, 14, 3742. https://doi.org/10.3390/en14133742
Węgierek P, Lech M, Kostyła D, Kozak C. Study on the Effect of Helium on the Dielectric Strength of Medium-Voltage Vacuum Interrupters. Energies. 2021; 14(13):3742. https://doi.org/10.3390/en14133742
Chicago/Turabian StyleWęgierek, Paweł, Michał Lech, Damian Kostyła, and Czesław Kozak. 2021. "Study on the Effect of Helium on the Dielectric Strength of Medium-Voltage Vacuum Interrupters" Energies 14, no. 13: 3742. https://doi.org/10.3390/en14133742
APA StyleWęgierek, P., Lech, M., Kostyła, D., & Kozak, C. (2021). Study on the Effect of Helium on the Dielectric Strength of Medium-Voltage Vacuum Interrupters. Energies, 14(13), 3742. https://doi.org/10.3390/en14133742

