Three-Phase PWM Inverter for Isolated Grid-Connected Renewable Energy Applications
Abstract
:1. Introduction
2. Proposed Single-Stage Three-Phase IFBI
2.1. Comparative Study
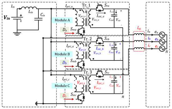
2.2. IFBI Circuit Configuration
2.3. IFBI Modulation Scheme and Mathematical Model
- vox: flyback converter output voltage (x = a, b, or c);
- Vin: input DC voltage;
- ipri,x: converter primary current;
- isec,x: converter secondary current;
- D: converter duty cycle;
- n: transformer turns ratio (n = 1).
- x = a, b, or c;
- Mox is the converter conversion ratio;
- Vin is the DC input voltage.
3. Proposed IFBI Control Strategy
- ▪
- The main control loop (Loop1)
- ▪
- The SOHC elimination loop (Loop2)
4. System Results
4.1. Simulation Results
4.2. Experimental System Configuration
4.3. Experimental Results
5. Conclusions
Author Contributions
Funding
Institutional Review Board Statement
Informed Consent Statement
Data Availability Statement
Conflicts of Interest
References
- Sun, P.; Liu, C.; Lai, J.-S.; Chen, C.-L.; Kees, N. Three-phase dual-buck inverter with unified pulsewidth modulation. IEEE Trans. Power Electron. 2011, 27, 1159–1167. [Google Scholar] [CrossRef]
- Deng, C.; Shu, Z.; Xia, Y.; Chen, N.; Wang, T.; Ma, H. In Three-Phase photovoltaic grid-connected inverter with LCL based on current deadbeat control and PI control. In Proceedings of the 2014 International Conference on Power System Technology, Chengdu, China, 20–22 October 2014; pp. 2864–2870. [Google Scholar]
- Ali, A.I.; Sayed, M.A.; Mohamed, E.E. Modified efficient perturb and observe maximum power point tracking technique for grid-tied PV system. Int. J. Electr. Power Energy Syst. 2018, 99, 192–202. [Google Scholar] [CrossRef]
- Chen, J.-J.; Kung, C.-M. A new on-chip all-digital three-phase full-bridge dc/ac power inverter with feedforward and frequency control techniques. IEEE Trans. Ultrason. Ferroelectr. Freq. Control. 2010, 57, 1915–1925. [Google Scholar] [CrossRef]
- Zhang, L.; Waite, M.J.; Chong, B. Three-Phase four-leg flying-capacitor multi-level inverter-based active power filter for unbalanced current operation. IET Power Electron. 2013, 6, 153–163. [Google Scholar] [CrossRef]
- Ali, A.I.M.; Sayed, M.A.; Mohamed, A.A. Seven-Level Inverter with Reduced Switches for PV System Supporting Home-Grid and EV Charger. Energies 2021, 14, 2718. [Google Scholar] [CrossRef]
- Ali, A.I.; Mohamed, E.E.; Sayed, M.A.; Saeed, M.S.; Azmy, A.M. In Design and Validation of a Single Phase Multilevel Inverter Utilizing Reduced Switches Number. In Proceedings of the 2018 20th International Middle East Power Systems Conference (MEPCON), Cairo, Egypt, 18–20 December 2018; pp. 974–979. [Google Scholar]
- Gao, F.; Loh, P.C.; Teodorescu, R.; Blaabjerg, F.; Vilathgamuwa, D.M. Topological design and modulation strategy for buck–boost three-level inverters. IEEE Trans. Power Electron. 2009, 24, 1722–1732. [Google Scholar] [CrossRef]
- Yang, B.; Li, W.; Gu, Y.; Cui, W.; He, X. Improved transformerless inverter with common-mode leakage current elimination for a photovoltaic grid-connected power system. IEEE Trans. Power Electron. 2011, 27, 752–762. [Google Scholar] [CrossRef]
- Freddy, T.K.S.; Rahim, N.A.; Hew, W.-P.; Che, H.S. Modulation techniques to reduce leakage current in three-phase transformerless H7 photovoltaic inverter. IEEE Trans. Ind. Electron. 2014, 62, 322–331. [Google Scholar] [CrossRef]
- Rezaei, M.A.; Lee, K.-J.; Huang, A.Q. A high-efficiency flyback micro-inverter with a new adaptive snubber for photovoltaic applications. IEEE Trans. Power Electron. 2015, 31, 318–327. [Google Scholar] [CrossRef]
- Feloups, C.E.; Ali, A.I.; Mohamed, E.E. In Design of single-phase seven-level inverter with reduced number of switching devices for PV applications. In Proceedings of the 2017 19th International Middle East Power Systems Conference (MEPCON), Cairo, Egypt, 19–21 December 2017; pp. 817–822. [Google Scholar]
- Pomilio, J.A.; Spiazzi, G. High-Precision current source using low-loss, single-switch, three-phase AC/DC converter. IEEE Trans. Power Electron. 1996, 11, 561–566. [Google Scholar] [CrossRef]
- Chunkag, V.; Kamnarn, U. Parallelling three-phase AC to DC converter using CUK rectifier modules based on power balance control technique. IET Power Electron. 2010, 3, 511–524. [Google Scholar] [CrossRef]
- Schenk, K.; Cuk, S. In A simple three-phase power factor corrector with improved harmonic distortion, PESC97. In Proceedings of the Record 28th Annual IEEE Power Electronics Specialists Conference. Formerly Power Conditioning Specialists Conference 1970–71, Power Processing and Electronic Specialists Conference 1972, St. Louis, MO, USA, 27–27 June 1997; pp. 399–405. [Google Scholar]
- Wang, L.; Chen, H.-W.; Lee, D.-J. In Implementation of a DSP-based power converter for a wind induction generator. In Proceedings of the 2008 IEEE Power and Energy Society General Meeting-Conversion and Delivery of Electrical Energy in the 21st Century, Pittsburgh, PA, USA, 20–24 July 2008; pp. 1–6. [Google Scholar]
- Tehrani, K.A.; Andriatsioharana, H.; Rasoanarivo, I.; Sargos, F. In A novel multilevel inverter model. In Proceedings of the 2008 IEEE Power Electronics Specialists Conference, Rhodes, Greece, 15–19 June 2008; pp. 1688–1693. [Google Scholar]
- Mohammadhassani, A.; Teymouri, A.; Mehrizi-Sani, A.; Tehrani, K. In Performance Evaluation of an Inverter-Based Microgrid under Cyberattacks. In Proceedings of the 2020 IEEE 15th International Conference of System of Systems Engineering (SoSE), Budapest, Hungary, 2–4 June 2020; pp. 211–216. [Google Scholar]
- Ali, A.I.M. Techniques for Photovoltaic Generation; South Valley University: Qena, Egypt, 2017. [Google Scholar]
- Suresh, Y.; Panda, A.; Mahesh, M. In an improved performance of cascaded multilevel inverter with single DC source by employing three-phase transformers. In Proceedings of the 2010 Conference Proceedings IPEC, Singapore, 27–29 October 2010; pp. 1088–1093. [Google Scholar]
- Ali, A.I.; Sayed, M.A.; Mohamed, E.E.; Azmy, A.M. Advanced single-phase nine-level converter for the integration of multiterminal DC supplies. IEEE J. Emerg. Sel. Top. Power Electron. 2018, 7, 1949–1958. [Google Scholar] [CrossRef]
- Davoodnezhad, R.; Holmes, D.G.; McGrath, B.P. A novel three-level hysteresis current regulation strategy for three-phase three-level inverters. IEEE Trans. Power Electron. 2013, 29, 6100–6109. [Google Scholar] [CrossRef]
- Ali, A.I.M.; Sayed, M.A.; Takeshita, T.; Hassan, A.M.; Azmy, A.M. A single-phase modular multilevel inverter based on controlled DC-cells under two SPWM techniques for renewable energy applications. Int. Trans. Electr. Energy Syst. 2021, 31, e12599. [Google Scholar] [CrossRef]
- Hassan, A.M.; Yang, X.; Ali, A.I.; Ahmed, T.A.; Azmy, A.M. In A Study of Level-Shifted PWM Single-phase 11-Level Multilevel Inverter. In Proceedings of the 2019 21st International Middle East Power Systems Conference (MEPCON), Cairo, Egypt, 17–19 December 2019; pp. 170–176. [Google Scholar]
- Williams, B.W. DC-to-DC converters with continuous input and output power. IEEE Trans. Power Electron. 2012, 28, 2307–2316. [Google Scholar] [CrossRef]
- Mazumder, S.K.; Mehrnami, S. In A low-device-count single-stage direct-power-conversion solar microinverter for microgrid. In Proceedings of the 2012 3rd IEEE International Symposium on Power Electronics for Distributed Generation Systems (PEDG), Aalborg, Denmark, 25–28 June 2012; pp. 725–730. [Google Scholar]
- Diab, M.S.; Elserougi, A.; Massoud, A.M.; Abdel-Khalik, A.S.; Ahmed, S. A four-switch three-phase SEPIC-based inverter. IEEE Trans. Power Electron. 2014, 30, 4891–4905. [Google Scholar] [CrossRef]
- Caceres, R.O.; Barbi, I. A boost DC-AC converter: Analysis, design, and experimentation. IEEE Trans. Power Electron. 1999, 14, 134–141. [Google Scholar] [CrossRef]
- Darwish, A.; Holliday, D.; Ahmed, S.; Massoud, A.M.; Williams, B.W. A single-stage three-phase inverter based on Cuk converters for PV applications. IEEE J. Emerg. Sel. Top. Power Electron. 2014, 2, 797–807. [Google Scholar] [CrossRef]
- Ali, A.I.M.; Sayed, M.A.; Takeshita, T. Isolated single-phase single-stage DC-AC cascaded transformer-based multilevel inverter for stand-alone and grid-tied applications. Int. J. Electr. Power Energy Syst. 2021, 125, 106534. [Google Scholar] [CrossRef]
- Kulkarni, A.; Gupta, A.; Mazumder, S.K. Resolving practical design issues in a single-phase grid-connected GaN-FET-based differential-mode inverter. IEEE Trans. Power Electron. 2017, 33, 3734–3751. [Google Scholar] [CrossRef]
- Darwish, A.; Massoud, A.M.; Holliday, D.; Ahmed, S.; Williams, B. Single-Stage three-phase differential-mode buck-boost inverters with continuous input current for PV applications. IEEE Trans. Power Electron. 2016, 31, 8218–8236. [Google Scholar] [CrossRef] [Green Version]
- Mehrnami, S.; Mazumder, S.K. Discontinuous modulation scheme for a differential-mode Ćuk inverter. IEEE Trans. Power Electron. 2014, 30, 1242–1254. [Google Scholar] [CrossRef]
- Chen, D.; Wang, G. Differential buck DC–DC chopper mode inverters with high-frequency link. IEEE Trans. Power Electron. 2010, 26, 1444–1451. [Google Scholar] [CrossRef]
- Liu, H. Control Design of a Single-Phase Dc/Ac Inverter for PV Applications; University of Arkansas: Fayetteville, NC, USA, 2016. [Google Scholar]
- Ali, A.I.M.; Sayed, M.A.; Takeshita, T. In New Cascaded-Transformers Multilevel Inverter for Renewable Distribution Systems. In Proceedings of the 2020 IEEE Energy Conversion Congress and Exposition (ECCE), Detroit, MI, USA, 11–15 October 2020; pp. 3965–3971. [Google Scholar]
- Knight, J.; Shirsavar, S.; Holderbaum, W. An improved reliability Cuk based solar inverter with sliding mode control. IEEE Trans. Power Electron. 2006, 21, 1107–1115. [Google Scholar] [CrossRef]
- Mehrnami, S.; Mazumder, S.K.; Soni, H. Modulation scheme for three-phase differential-mode Ćuk inverter. IEEE Trans. Power Electron. 2015, 31, 2654–2668. [Google Scholar] [CrossRef]
- Tamyurek, B.; Kirimer, B. An interleaved high-power flyback inverter for photovoltaic applications. IEEE Trans. Power Electron. 2014, 30, 3228–3241. [Google Scholar] [CrossRef]
- Lodh, T.; Pragallapati, N.; Agarwal, V. Novel control scheme for an interleaved flyback converter based solar PV microinverter to achieve high efficiency. IEEE Trans. Ind. Appl. 2018, 54, 3473–3482. [Google Scholar] [CrossRef]
- Zhang, F.; Xie, Y.; Hu, Y.; Chen, G.; Wang, X. A hybrid boost–flyback/flyback microinverter for photovoltaic applications. IEEE Trans. Ind. Electron. 2019, 67, 308–318. [Google Scholar] [CrossRef]
- Kim, H.; Lee, J.S.; Kim, M. Downsampled iterative learning controller for flyback CCM inverter. IEEE Trans. Ind. Electron. 2017, 65, 510–520. [Google Scholar] [CrossRef]
- Shitole, A.B.; Sathyan, S.; Suryawanshi, H.; Talapur, G.G.; Chaturvedi, P. Soft-Switched high voltage gain boost-integrated flyback converter interfaced single-phase grid-tied inverter for SPV integration. IEEE Trans. Ind. Appl. 2017, 54, 482–493. [Google Scholar] [CrossRef]
- Cecati, C.; Dell’Aquila, A.; Liserre, M. A novel three-phase single-stage distributed power inverter. IEEE Trans. Power Electron. 2004, 19, 1226–1233. [Google Scholar] [CrossRef]
- Diab, M.S.; Elserougi, A.; Abdel-Khalik, A.S.; Massoud, A.M.; Ahmed, S. In Modified modulation scheme for photovoltaic fed grid-connected three-phase boost inverter. In Proceedings of the IECON 2013—39th Annual Conference of the IEEE Industrial Electronics Society, Vienna, Austria, 10–13 November 2013; pp. 1735–1740. [Google Scholar]
- Zeng, J.; Lin, W.; Liu, J. Switched-Capacitor-Based active-neutral-point-clamped seven-level inverter with natural balance and boost ability. IEEE Access 2019, 7, 126889–126896. [Google Scholar] [CrossRef]
- Erickson, R.W.; Maksimovic, D. Fundamentals of Power Electronics; Springer Science & Business Media: Berlin/Heidelberg, Germany, 2007. [Google Scholar]













| Topology | Voltage-gain | Inductor No. Capacitor No. | Switch No. Diodes No. | HFI CMV | Operation Modularity | Power Rating (kW) | Application |
|---|---|---|---|---|---|---|---|
| Ref. [28] | Boost | 2 2 | 4 0 | No NA | No | 0.5 | Single-phase |
| Ref. [44] | Buck-Boost | 3 3 | 6 0 | No NA | Yes | 1.4 | Three-phase |
| Ref. [45] | Buck | 3 3 | 4 0 | No NA | Yes | 0.4 | Three-phase |
| Ref. [29] | CUK | 6 6 | 6 0 | No NA | Yes | 2.5 | Three-phase |
| Ref. [32] | CUK | 6 6 | 6 0 | Yes Yes | Yes | 2.5 | Three-phase |
| Ref. [46] | Buck-Boost | 0 2 | 27 0 | No NA | No | NA | Three-phase |
| Ref. [38] | CUK | 6 6 | 6 0 | Yes Yes | Yes | 0.5 | Three-phase |
| Ref. [40] | Flyback | 2 2 | 4 2 | Yes Yes | Yes | 0.1 | Single-phase |
| Proposed | Flyback | 1 4 | 6 0 | Yes Yes | Yes | 1.6 | Three-phase |
| Control/Ref. | [32] | [40] | Proposed | |
|---|---|---|---|---|
| Application | Three-phase | Single-phase | Three-phase | |
| No. of stages | Single-stage | Two-stage | Single-stage | |
| Power rating, W | 2500 | 100 | 1600 | |
| Voltage-gain | CUK | Flyback | Flyback | |
| PWM | PR-PWM | DMS-PWM | BCM-PWM | SPWM |
| No. of sensors | 7 | 4 | 4 | 5 |
| FSW (kHz) | 25 | 20 | 20 | 50 |
| No. of loops | 3 | 1 | 2 | 2 |
| Efficiency (%) | NA | 87 | 89 | 89.93 |
| Switch rating | (IRG7PH50K10D) 1200 V, 90 A | NA | NA | (C2M0040120D) 1200 V, 60 A |
| Rated inverter power, P | 1.6 kW |
| Input DC voltage, Vin | 100 V |
| Input filter, Lin, Cin | 300 µH, 10 µF |
| Input filter resistance, rin | 1.5 Ω |
| Grid voltage (L.L), E, ɷ | 200 V, 2 × π × 60 rad/s |
| HFT magnetizing inductance, LM | 300 µH |
| HFT primary resistance, rm | 50 mΩ |
| Output capacitor, Co | 10 µF |
| HFT leakage inductance, LLeakage | 2.5 µH |
| HFT turns ratio, n | 1:1 |
| Grid inductance, Lg | 4 mH |
| Grid inductor resistance, rg, | 5 mΩ |
| Switching Frequency, FSW | 50 kHz |
| PI controller gains, kp | 0.081 A/V |
| ki | 200 rad·S−1 |
| Integrator, ki | 1 rad·S−1 |
| f | 1 × 104 |
| Rated inverter power, P | 1.6 kW |
| Input DC voltage, Vin | 100 V |
| Grid voltage (L.L), E, ɷ | 200 V, 2 × π × 60 rad/s |
| Switching frequency, FSW | 50 kHz |
| Efficiency, η | 88% |
| Input DC current ripples, IDC,ripple | 1.8% |
| Grid current THD, iTHD | 3.65% |
Publisher’s Note: MDPI stays neutral with regard to jurisdictional claims in published maps and institutional affiliations. |
© 2021 by the authors. Licensee MDPI, Basel, Switzerland. This article is an open access article distributed under the terms and conditions of the Creative Commons Attribution (CC BY) license (https://creativecommons.org/licenses/by/4.0/).
Share and Cite
Ali, A.I.M.; Takeshita, T.; Sayed, M.A. Three-Phase PWM Inverter for Isolated Grid-Connected Renewable Energy Applications. Energies 2021, 14, 3701. https://doi.org/10.3390/en14123701
Ali AIM, Takeshita T, Sayed MA. Three-Phase PWM Inverter for Isolated Grid-Connected Renewable Energy Applications. Energies. 2021; 14(12):3701. https://doi.org/10.3390/en14123701
Chicago/Turabian StyleAli, Ahmed Ismail M., Takaharu Takeshita, and Mahmoud A. Sayed. 2021. "Three-Phase PWM Inverter for Isolated Grid-Connected Renewable Energy Applications" Energies 14, no. 12: 3701. https://doi.org/10.3390/en14123701
APA StyleAli, A. I. M., Takeshita, T., & Sayed, M. A. (2021). Three-Phase PWM Inverter for Isolated Grid-Connected Renewable Energy Applications. Energies, 14(12), 3701. https://doi.org/10.3390/en14123701

