Next Article in Journal
Improvement of Gas Generator Technology for Energy Processing of Agricultural Waste
Previous Article in Journal
Financial Development, Financial Inclusion and Primary Energy Use: Evidence from the European Union Transition Economies
 
 
Font Type:
Arial Georgia Verdana
Font Size:
Aa Aa Aa
Line Spacing:
Column Width:
Background:
Article

Dynamic Modelling of LNG Powered Combined Energy Systems in Port Areas

Dipartimento di Ingegneria Meccanica, Energetica, Gestionale e dei Trasporti, Università degli Studi di Genova, sez. Termoenergetica e Condizionamento, Via all’Opera Pia 15a, 16145 Genoa, Italy
*
Author to whom correspondence should be addressed.
Energies 2021, 14(12), 3640; https://doi.org/10.3390/en14123640
Submission received: 11 May 2021 / Revised: 3 June 2021 / Accepted: 8 June 2021 / Published: 18 June 2021

Abstract

Liquefied Natural Gas (LNG) is a crucial resource to reduce the environmental impact of fossil-fueled vehicles, especially with regards to maritime transport, where LNG is increasingly used for ship bunkering. The present paper gives insights on how the installation of LNG tanks inside harbors can be capitalized to increase the energy efficiency of port cities and reduce GHG emissions. To this purpose, a novel integrated energy system is introduced. The Boil Off Gas (BOG) from LNG tanks is exploited in a combined plant, where heat and power are produced by a regenerated gas turbine cycle; at the same time, cold exergy from LNG regasification contributes to an increase in the efficiency of a vapor compression refrigeration cycle. In the paper, the integrated energy system is simulated by means of dynamic modeling under daily variable working conditions. Results confirm that the model is stable and able to determine the time behavior of the integrated plant. Energy saving is evaluated, and daily trends of key thermophysical parameters are reported and discussed. The analysis of thermal recovering from the flue gases shows that it is possible to recover a large energy share from the turbine exhausts. Hence, the system can generate electricity for port cold ironing and, through a secondary brine loop, cold exergy for a refrigeration plant. Overall, the proposed solution allows primary energy savings up to 22% when compared with equivalent standard technologies with the same final user needs. The exploitation of an LNG regasification process through smart integration of energy systems and implementation of efficient energy grids can contribute to greener energy management in harbors.

1. Literature Review

Natural Gas (NG) is an odorless, non-toxic, and non-corrosive mixture of different components (mainly methane, ethane, propane, butane) [1]. It can be stored in the liquid phase, in cryogenic conditions (−163 °C), to increase its energy density, allowing for cheaper and more convenient transport and storage. The liquefaction process is carried out in dedicated plants, usually close to the NG production site, the so-called upstream process. After the liquefaction, the Liquefied Natural Gas (LNG) is distributed, commonly using special ships or road tankers. Once it reaches the local distribution centers, the LNG must be regasified to be delivered to users, often by means of pipe networks.
The exploitation of LNG as an energy source is of paramount importance for the future development of the transport and energy conversion sectors [2]. Considering the environmental emissions, the use of LNG as an alternative fuel to diesel oil allows for a drastic reduction in particulate matter and sulfur oxide (99%) as well as a substantial reduction of nitrogen oxides (80%), contemporarily carbon dioxide emissions are reduced by 20% [3]. The new goals towards Europe decarbonization promoted by the “New Green Deal” policies set by the European Commission are strongly dependent on LNG adoption. The widespread of LNG technologies strongly depends on the development of adequate infrastructures. In this framework, the European Project SIGNAL (Strategie transfrontalIere per la valorizzazione del Gas NAturale Liquido, i.e Cross-border strategies for the valorisation of liquid natural gas) [4] aims towards the development of international cooperation between Italy and France to boost the adoption of LNG-based technologies, especially in ports areas and islands. The importance of LNG is also underlined by the data reported by the International Gas Union; considering the global LNG trade in 2019, it increased by 40.93 MT (+13%) if compared to 2018, confirming the positive trend of growth for the sixth consecutive year [5]. The same positive trend is shown by the world regasification capacity, which increased from 2018 to 2019, reaching a total of 821 MTPA (as of February 2020) [5].
The adoption of LNG as an alternative fuel is a critical factor in this complex global framework. On the one hand, there is the possibility of substituting fossil fuels in terrestrial vehicle applications with LNG, which is already a mature technology adopted by many manufacturers. On the other hand, the marine sector is still much more dependent on fossil fuels because most existing vessels are fuelled using standard fossil fuels (heavy oils and crude derivates), with severe air pollution impacts.
To address this issue, the International Maritime Organization started to define some Emission Control Areas (ECAs), designated under regulation 13 of MARPOL Annex VI [6]. Also the European Parliament persecuting the same objective, has outlined the importance of reducing ship emissions, with the Directive (EU) 2018/410 [7].
The importance of Liquefied Natural Gas as an effective solution to reduce the pollution emissions of ships has been the object of different research projects. Yoo [8] investigated the possibility of using LNG as an alternate fuel for CO2 carriers, carrying out an extensive economic assessment. Also, Fokkema et al. [9] compared conventional vessels with LNG-fuelled ships using an investment appraisal method. More recently, Iannacone et al. [10] found that LNG use is more sustainable than standard marine fuel technologies compared to diesel oil for cruise ships.
Considering emissions in port areas, cold ironing can be considered an excellent solution to this issue. Cold ironing aims to provide electric energy directly to the dock, supplying it to the ships. The electricity can come directly from the mains (grid) or it can be generated on site by renewable sources, LNG, or other energy sources [11]. The use of LNG as an energy source for cold ironing has been studied in recent years. Ballini and Bozzo [12] quantified the potential positive effect of introducing cold-ironing technology, elaborating a cost-benefit analysis applied to the case study of a new cruise ship pier in Copenhagen, Denmark. Coppola et al. [13] carried out a cost-benefit analysis, considering all cost sources for different systems able to supply electrical energy to ships (LNG power packs, fuel cells, and cold ironing). Innes and Monios [14] addressed the feasibility of installing cold iron technology when small ports are considered, based on the case of Aberdeen. In a recent paper, Zis [15] elaborated a quantitative framework for analyzing in detail the applicability of cold ironing as a countermeasure to air pollution in ports.
The development of marine transport technologies fueled by means of LNG is forcibly bound to the growth of areas dedicated to storage and regasification operations. The deposits have to be realized inside port areas, and they have to be dedicated to the refueling of ships, both in navigation (bunkering) and during mooring periods.
Considering that LNG must be regasified before being used as a fuel, the adoption of standard technologies, which use an external energy source (i.e., seawater, external burners, etc.), usually implies, in the best case, the waste of the available exergy embedded in LNG and, in the worst one, the additional consumption of fuel for the process of delivering the fuel itself. It is crucial to develop new and smart ways to recover the available cold exergy during the regasification operations. Different solutions have been proposed over the years for this purpose. Dispenza et al. [16] proposed a Combined Heat and Power (CHP) plant using special heat exchangers that employed helium as exchanging fluid. Tagliafico et al. [17] proposed to integrate an LNG vaporization facility with two different power generation systems: a gas turbine and a combined heat and power steam plant. The researchers quantified the energy savings related to the proposed plant configuration.
More recently, Fahmy et al. [18] assessed the best regasification plant configuration, studying which provided the best production in terms of C2+ concentration.
An interesting work has been proposed by Li et al. [19]. The researchers studied an LNG cold warehouse system, investigating and assessing its thermal performance. Kanbur et al. [20] reviewed the different technological applications to which the regasification exergy recovery can be applied (i.e., power generation, cryogenic carbon dioxide capture, separation processes, cold food storage, etc.).
Marquez et al. [21] considered a polygeneration plant for power production and cold generation, coupling it to a district cooling network, and then reviewed the available technologies for this purpose. The same researchers [22] proposed and analyzed the performance of a Combined Cold and Power (CCP) plant. They modeled the plant using actual operational data. Subsequently, they benchmarked its performance against that of a cryogenic power plant at different operating conditions. Lee et al. [23] studied the application of LNG direct expansion coupled with innovative cold energy storage, giving insight into its energy optimization and exergy analysis.
He et al. [24] reviewed different LNG cold energy exploitation systems. The researchers suggested future applications and discussed limitations and challenges regarding the employment of such technologies. More recently, Ayoua et al. [25] analyzed how to exploit the waste LNG exergy for multi-generation purposes, using two different plant solutions (Brayton and Rankine-based cycles), proving the possibility of both energy savings and CO2 emissions reduction.

2. Introduction

In the framework presented in the previous paragraph, the presence of LNG bunkering tanks inside ports can be considered as a valuable resource that can be capitalized to pursue several goals at once: “a cold source” for refrigeration purposes, “heat” for industrial or civil application, and “electrical power” available for cold ironing, i.e., providing electricity to docked vessels. In the present paper a combined energy system able to maximize exergy recovery from in-port LNG storage facilities is introduced and analyzed. Through innovative and smart integration among LNG, power, and heating/cooling grids, it is possible to improve energy sustainability in port areas while bolstering and supporting LNG adoption as a transition fuel during the changeover to renewables. It is important to underline that the use of LNG is associated with a series of cryogenic and fire hazards, therefore the proposed power plant might not be allowed by the regulator to operate in close proximity to a cooling consumer. However, while safety issues are of paramount importance, they are far beyond the scope of this paper.
The simulation tool used for developing the model of the proposed plant layout is Honewell Unisim® Design Suite. The software is based on pre-built blocks that represent different physical (pumps, compressors, heat exchangers, chemical reactors, and more) and logical (i.e., controllers, operation managers, logic operators) devices which can be intuitively linked each other to describe a complex and detailed scheme of real plants. The connection between blocks can be either a material or energetic stream, or a logic quantity. The software can run both steady state and dynamic simulations [26]. Unisim includes an Equation Oriented solver, which is useful to tackle more complex system configurations [27].

3. Energy System Description

In the present work, a cogeneration energy system able to capitalize the LNG presence in port areas (for bunkering purposes) is presented. The exergy available in the LNG regasification process is recovered to produce cold, heat, and electricity. Such energy fluxes can be coupled with the productive activities that are often present in docks and seaport areas. In particular, an integrated energy network is built around a Liquefied Natural Gas (LNG) tank, capitalizing the presence and usage of LNG inside port areas.
The proposed plant layout is a stand-alone system, able to satisfy the following energy needs:
  • Cold Thermal Power: the cold power line (up to 800 kW) can be used to satisfy different industrial processes, like deep-freeze (−30 °C) and low-temperature (−20 °C) food conservation, refrigeration (−5 °C), stockage areas for perishable goods (+5 °C). The cold power line can be used to produce district cooling for the surrounding buildings;
  • Hot Thermal Power: it can be used to feed the industrial processes in the area, as well as air conditioning systems and absorption chillers. The available temperatures can range from 70–80 °C for district heating of buildings to 110 °C or more for process steam lines;
  • Electrical Power Production: up to 15 net MW, mainly aimed to provide electrification of berths to feed moored ships (cold-ironing), to fully sustain the electrical system of different kind of vessels (even cruise ships in dedicated terminals);
  • Bunkering: the LNG can be directly used to provide refueling for new generation ships that can operate using natural gas;
  • Compressed Natural Gas (CNG) automotive applications: a dedicated CNG line for refueling of trucks and operating machines, including also new generation vehicles equipped with fuel cell systems.

3.1. System Layout

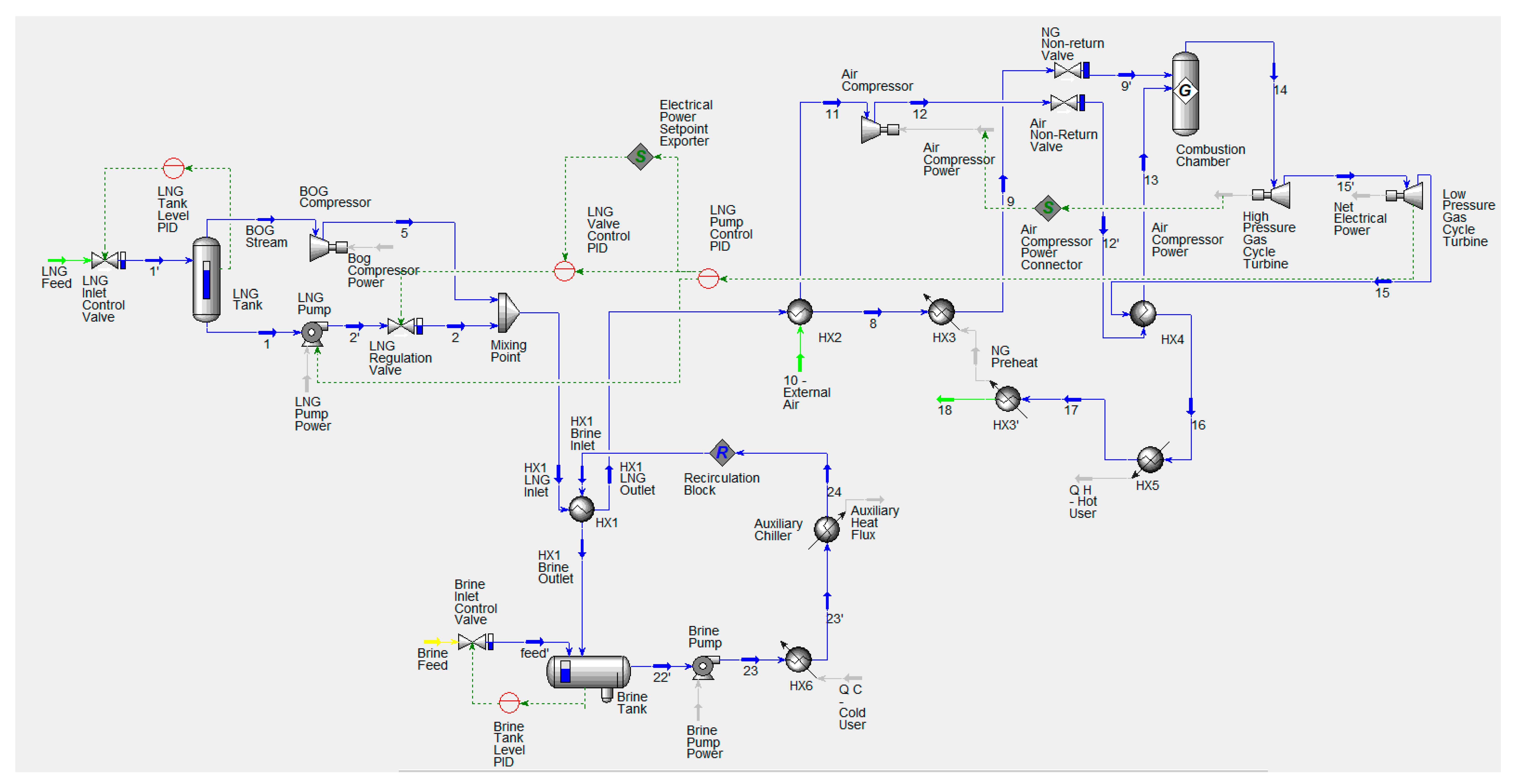
The main features of the plant studied in this paper can be summarized with reference to Figure 1:
The LNG reservoir can be considered the core of the combined system plant, and it is maintained at cryogenic conditions (−163 °C and 1.14 bar). The total capacity of the proposed plant would be 18 M Sm3/year (Standard Conditions = 0 °C and 1 bar). A stream of LNG is extracted from the tank, and it is circulated using a pump which is used to raise the pressure of the LNG flow from the tank pressure (1.14 bar) to a pressure value suitable for the feeding of the gas cycle combustion chamber (5 bar). The boil-off gas stream (BOG) is collected from the LNG tank upper part, it is compressed up to 5 bar, and it is sent to the main LNG line. The mass flow rate of the LNG line is bigger enough to guarantee the condensation of the boil-off gas as soon as the two streams mix. Then, the LNG stream is regasified and reheated in a countercurrent heat exchanger (HX1) used to cool down a secondary ethylene glycol loop. The secondary loop is used to produce the cooling power needed by a food treatment plant, which requires an operative fluid temperature of −35 °C. The secondary loop’s functioning is assured by an electric chiller working as an auxiliary device. When the regasification rate is too low, and the secondary loop temperature starts to rise, the chiller is switched on to maintain the temperature set point. After the phase change that takes place inside the first heat exchanger, the Natural Gas (NG) flows inside a second heat exchanger (HX2), where the inlet air used to feed the gas cycle plant is chilled and dehumidified. These operations are necessary to reduce the air compressor work needed to compress the feeding air entering the combustion chamber (CC). Moreover, dehumidification is useful to enhance the performance of the gas power cycle. The second heat exchanger raises the NG temperature, but a third heat exchanger (HX3) is required to furtherly increase its temperature. This heating is useful for achieving two goals: the first is to heat the NG stream before entering the combustion chamber while helping to lower the temperature of the flue gas stream coming from the gas cycle turbine (GC turbine), recovering sensible heat (gas cycle regenerator).
The combustion chamber is fed with the external air flow in the dedicated line and the NG stream after the thermodynamic passages described previously. The temperature of the flu gases from the combustion chamber is maintained below 1250 °C to minimize the risks of damages to the turbine. The gas turbine produces up to 15 MW of electrical power, used to operate the ships at berth during their hoteling operations.
After the combustion process, the hot flue gases are used to operate the turbine of the combined gas cycle, producing electricity (PEL(τ)). The electrical power produced is mainly dedicated to cold ironing purposes, but it can be used for self-consumption purposes whenever favorable conditions are met.
Part of the turbine work is required to operate the external air main compressor, which is necessary to feed the combustion chamber with the airstream.
After the combustion, the flue gases are circulated inside a thermal recuperator (HX4), which is fundamental for increasing the thermal efficiency conversion of the entire plant. The thermal recuperator main purpose is to recover the sensible heat from the flue gas stream, increasing the temperature of the feeding air entering the combustion chamber significantly. After the recuperator, the flue gases are conveyed to another heat exchanger (HX5), which is necessary to lower the temperature of the exhausts before discharging them. This heat exchanger is directly linked to the secondary hot water loop dedicated to the subsystem for heat production.
As last passage, the flue gas stream is ultimately used to heat up the NG stream (HX3). This component has already been described previously.

3.2. Comparison with Another Steady-State Analysis

To better understand how the present work can find its place among the existing literature, it can be useful to mention the research carried out by Li et al. [19]. The researchers presented an interesting application of regasification energy recovery to feed some cold warehouses. This application is very similar to the one developed in the present paper.
Li research group analyzes the different effects of pressure on the thermodynamic aspects of regasification. In particular, they propose a general investigation on the LNG cold energy and exergy released during regasification and the transmittance value of heat exchanger under different pressure conditions. This analysis is carried out using a dedicated stationary model, which defines propane as secondary fluid during the regasification process. The thermal properties of the LNG stream are calculated using the Peng-Robinson equation of state [28].
Li et al. study also how to apply the energy recovery from the regasification process to feed a cold warehouse system, using a dedicated stationary model developed in HYSYS, using R23 as a secondary fluid.
The cold warehouse analysis investigates the effects of pressure on the thermodynamical performance of the regasification process. The authors also calculated the COP of the cold warehouse system, considering the exergy released during the regasification process.
While the two papers wield different purposes and methods, it is true that both analyze the meaningful problem of how it is possible to smartly recover and reuse the energy available after the regasification of an LNG stream.

3.3. Design Steady State Operating Conditions

The whole list of process parameters, at steady state condition, that has been used for the initialization of the transient calculations, is reported in Table 1. Table 1 should be read with reference to the system points shown in Figure 1. For each point, it is reported the type of fluid (LNG, BOG, NG, Air, Flue gases), the fluid state (−1: subcooled liquid, 0: saturated liquid, 0–1: fluid quality, 1: saturated vapor, 2: gas), the fluid temperature, pressure, and the mass flow rate. The table is a reference to the initial working conditions derived from the stationary simulations. These quantities can be considered as initial conditions required for the dynamic simulations. The dynamic approach used in the present work is deemed necessary to investigate the variability of the system working conditions induced by the real-world scenarios. Thanks to the time dependent analysis the model can be tested in different operative conditions, in order to better assess the model performances, to identify critical issues and to forecast critical working points.

4. Dynamic Modelling

In order to pursue a detailed description of the dynamic behaviour of the entire plant the secondary brine loop has been fully described, introducing all the necessary components as well as the model for the system regulation. Moreover, the plant dynamic control logic has been introduced and analyzed. The system is controlled mainly using PID controllers and regulation valves, which allows for dynamic regulation over the model’s main dynamic variables (mass flow rates, temperatures, powers). While a large set of more complex and stable PID controllers are currently available [29,30], they are not has been considered in this model, given the good control capacity provided by standard PID controllers. A further enhancement of the model is realized by specifying proper functioning curves for all the rotating equipment (pumps, compressors, and turbines), allowing for a broader range of functioning. In this way, it is possible to investigate different plant working conditions.

4.1. Secondary Loop

This paragraph reports the description of the model secondary loop. The main hypotheses and design choices are explained and discussed.

4.1.1. Brine Secondary Loop

The secondary loop is described in detail, as shown in Figure 2.
The LNG is regasified inside the Heat Exchanger 1 (HX1) after entirely passing in the gas phase. The brine is circulated in the secondary loop and serves as an intermediate fluid for feeding the user cold energy inside the Heat Exchanger 6 (HX6).
The brine is stored in a dedicated tank, which level is maintained using a PID controller that opens and closes a regulation valve on the inlet brine feed stream. An electrical pump that works at constant speed is used to circulate the brine inside the loop. The electrical auxiliary chiller is located after the heat exchanger HX6 and is used as a backup device to maintain the temperature constant. The recirculation block is needed by the software to solve a closed loop.
The new approach is of primary importance to correctly evaluate the energy savings achieved by exploiting the available regasification energy. With this loop configuration, it is possible to control the auxiliary electric chiller, turning it on only when the loop temperature is different from the setpoint value. A more detailed explanation of the control logic adopted is reported in the following paragraphs.

4.1.2. Hot Water Secondary Loop

In the considered case, the secondary loop aimed to recovery the flue gases thermal energy to produce hot water or steam has been modeled using a simple chiller that simulates the hot energy user’s presence. This choice is made considering a typical summer season day. The heat demand is used mainly for process purposes, without the variability bound to space heating requests. Within these hypotheses, the energy demand is constant in time. In the real case, the loop should be modeled with the same logic used to design the brine secondary loop: it is necessary to introduce an auxiliary device (i.e., a gas boiler) able to make up for any hot energy production deficiencies. This device should be turned on only if the secondary loop’s temperature is falling below a specific setpoint value (namely 85 °C if hot water is produced or 130 °C if process steam is considered). The boiler should be fed using part of the regasified LNG.

4.2. Main Control Logic

Commonly, the hourly profile of heat and power production of a plant cannot exactly match, at the same time, users’ heat and power consumption profiles and the plant regulation is achieved by giving priority to heat or to power, at least for a specific operating period.
Given the critical role that cold ironing will play, in the near future, to reduce the pollutions in port areas, the objective variable chosen is the electrical power production from the gas turbine. This means that, at any given time, the plant working conditions must meet the electrical requirements imposed by the electrical load needed by the ships at berth. Moreover, the system must be able to adjust itself to the new working condition in a reasonable time, avoiding oscillations and long ramp time. This is important because most of the electrical load changes will happen within short periods, so there is the need for a quick and precise real-time management of the plant resources and working conditions. In the present work, the electrical load curve has been designed starting from literature data.
The input curve used is based on the research paper proposed by Parise et al. [31]: the authors reported a sample daily-basis hourly curve that describes the electrical power profiles in a port area. However, the curve proposed by the authors has a peak value of about 4 MW, which is too low for the moored fleet, considered as reference case. For this reason, all the curve values have been multiplied by a factor of 3, reaching a power peak value of 12 MW.
Figure 3 shows the curve used as input for the simulations carried out in this paper. The peculiar “M” shaped trend is linked to the main activities that take place in ports during the day. The first peak is due to the passenger disembarkation and maintenance operations carried out by the cruise ships that arrived early in the morning. The second peak is linked to the supply loading operations, as well as the passengers boarding procedures. The base load is generated by the industrial and civil activities present in the port area surroundings.
The electrical load shown in Figure 3 is used as an input setpoint for the gas turbine system’s electrical conversion.

4.2.1. Electrical Power Production Regulation System

As mentioned before, the electrical power production from the turbogas will be the most crucial variable. The turbine’s power regulation is made by directly acting on the available regasified LNG flow rate burnt inside the combustion chamber.
In the model, this control is realized using two PID controllers. The first controller directly acts on the LNG pump rotating speed, while the second operates on the aperture of the LNG regulation valve. This double action is necessary to assure that the control system can reduce the electrical power production without compromising the plant’s functioning. If the pump’s rotating speed drops below 1500 rpm, the system becomes unstable, and the combustion cannot take place. To overcome this issue, the system is equipped with a secondary PID that can read the first PID device electrical power setpoint.
The secondary PID, then, controls the LNG regulating valve aperture. In this way, the first PID can slow the pump speed down to the minimum known possible value, whilst the second apparatus closes the valve to further reduce the LNG mass flow rate.
This control logic also serves as a self-regulating mechanism for the combustion air mass flow rate. Reducing the LNG regasification rate also influences the available power used for operating the external air compressor. Thus, the Turbine Inlet Temperature (TIT) is maintained nearly constant at 1200 °C, with variations in the order of 10 °C (Figure 4). In this way, no excessive stress is induced on the turbine by sudden temperature variations.

4.2.2. Secondary Brine Loop Regulation System

The next step towards a smart control logic is to correctly manage the auxiliary device (namely the electrical chiller) present in the secondary loop.
This control is necessary to ensure that, even when the plant is not operated at nominal conditions, the cold energy production requested by the user is met. This is done using an electric chiller placed right after the primary heat exchanger (HX6, ref. Figure 2). Of course, the auxiliary device is only turned on when the regasification cold energy recovered is insufficient to fulfill the user request.
In Unisim, it is possible to control a chiller or heater block intrinsically: the software can monitor the temperature of the fluid leaving the device. If it is different from a setpoint specified by the user, the device is turned on. Moreover, the software can act on the auxiliary device dynamically, allowing for precise regulation.
In the model proposed, if the LNG mass flow is set at nominal conditions, the available cold energy is sufficient to cover the user’s requests fully, and the auxiliary device is turned off. On the other hand, if the LNG mass flow rate decreases, the auxiliary device is turned on, and its power is regulated to maintain the outlet fluid temperature constant (−35 °C).
This control is also fundamental to keep the secondary loop working conditions more stable, avoiding brine mass flow rate variations in time.

5. Results and Discussion

This section aims to illustrate the main results obtained through the dynamic simulation of system time behavior. The results are organized in two parts: the first illustrates the main energy-saving indexes calculated to evaluate the thermodynamical performance of the model. The second part reports some interesting charts with selected process variables to show how the model behaves when dynamic working conditions are considered.
Table 2 summarizes the results, calculated by UniSim Design Suite, about the most relevant process parameters of the components of the plant, at various load conditions. It contains information about the regulation system setpoints, the primary thermal components power (produced or requested), the mass flow rates for the air, LNG, and brine streams. The variables reported are taken for periods of the simulation where the input port electrical load has a constant value for a certain amount of time, with the corresponding time span being listed in the second column of Table 2.

5.1. Thermodynamic Analysis

This paragraph is devoted to presenting some interesting and significant charts derived directly from the simulations. These charts show the daily trend of a set of selected thermodynamic variables. They are useful to analyze how the model is reacting and adjusting itself when dynamic working conditions are considered: this is very important when a dynamic system is presented because it helps identify critical conditions or eventual instability in the model behavior. The simulation solver integrates the dynamic equations with self-adjusting timestep, but the results have been sampled at a constant frequency of 1 per minute for a 24 h period to log an entire day of functioning of the system. It is hypothesized that the system is already functioning and in stable conditions when the data record starts.

5.1.1. Regulation System of Secondary Brine Loop

Analyzing Figure 5, it is immediate to notice that, at any time of the day, the electrical production (grey) matches the given demand profile, typical for harbors (blue). The demand profile, as already mentioned before, is based on the customization of a sample daily-basis hourly curve that describes the electrical power demand profiles in a port area [28]. This is a critical issue, which determines if the system can adequately respond to demand fluctuations in a reasonable time. The setpoint curve (blue) and the electrical production from the low-pressure turbine (grey) match all considered points without any noticeable lag. This shows that the model is capable of responding and adapting to this type of transient working conditions.
The orange curve shows the electrical power requested by the air compressor to work, and, in the present energy system, it is produced by the high-pressure turbine.
It is possible to notice that the difference between the grey and the orange curves is not constant over time. At low setpoint values (for instance, from 0.00 to 5.00 a.m.), the difference between the two curves is 1 MW, while at peak values (i.e., from 12.00 to 1.00 p.m.), the difference is around 4 MW. Indeed, the turbine’s efficiency is higher when the working conditions are approaching the nominal values.
Lastly, summing the grey and the orange lines, one obtains the total gas turbine electrical production for each timestep.
The maximum power of the plant is 12.8 MW, while the gas turbine power is around 20 MW.

5.1.2. Thermal Energy Production and Recovery Analysis

The second part of this study focused on the comparison between heat demanded by the auxiliary chiller, the cooling demand from the cold energy user, and heat supplied by the heat exchanger that recovers energy from the turbine gas cycle. The analysis of the trends of the proposed variables is crucial to assess the thermal performance of the proposed plant, and it is useful to understand how the regulation control is acting to modulate the system response.
Figure 6 shows the daily trend of the primary heat rates present in the model:
  • Heat rates requested by the cold energy user (blue line);
  • Heat rates produced by the auxiliary chiller (orange line);
  • Heat rates recovered by the heat exchanger 4, which realizes the cycle regeneration (green line, reference axis is on the right side of the chart).
Figure 6. Trends of daily thermal energy production and recovery. The green curve refers to the secondary axis.
Figure 6. Trends of daily thermal energy production and recovery. The green curve refers to the secondary axis.
Energies 14 03640 g006
Firstly, it is shown that the cold energy supplied always matches the users demand, during the whole simulation, meaning that the users do not experience disservices. Secondly, the action of the auxiliary chiller is modulated on the regasification capacity. At nominal regasification conditions (i.e., from 12.00 to 13.00 and from 16.30 to 17.00), the system can entirely supply the cold energy user needs without resorting to the auxiliary system. It is noteworthy that, in this case, the variations of the controlled component are smoother, and it is possible to appreciate the (small) delay needed by the system to meet the new setpoint, even when a steep variation occurs.
Lastly, the green line represents the thermal energy recovered by the cycle regeneration heat exchanger (HX 4) during the considered simulation time. The energy recovered is used to raise the NG stream temperature before injecting it in the combustion chamber, contemporarily reducing the flue gas stream temperature. This is fundamental for reducing the NG mass flow rate required to obtain the desired TIT temperature, with a relevant energy saving.

5.1.3. Regasification Mass Flow Analysis

The last part of the system analysis concerns the mass flow rates, with Figure 7 reporting the daily mass flow trends for the regasification process.
The blue line shows the brine mass flow rate, while the yellow one represents the LNG mass flow versus time. It is immediate to notice that the two trends are substantially different, both in magnitude and in shape.
The brine loop is working at almost stable conditions, with minor variations in correspondence to regasification demand peaks (i.e., from 12.00 to 13.00 and from 16.30 to 17.00). This behavior is explained considering that the brine circulating pump is working at a fixed rotational speed, and the loop regulation is left to the auxiliary chiller functioning. On the other hand, the LNG mass flow rate is subject to substantial variations during the simulation. Of course, this is due to the necessity of matching the electrical power demand, which is the most crucial output of the system.

5.2. Energy Saving Indexes

The first index calculated is the Energy performance ratio, Ep,ratio, as proposed by Tagliafico et al. [17]. This parameter allows for consistent evaluation of total primary energy required by the system, comparing it with total primary energy requested to achieve the same useful effects (electricity, hot and cold energy production) using standard conversion cycles (BAU, business as usual), in one day.
Ep,ratio can be calculated using Equation (1).
E p , r a t i o = E p E p , B A U
where the numerator and denominator can be expressed using Equations (2) and (3), respectively:
E p = f b   ·   ( Q ˙ r e f , E C C O P s t + L ˙ L N G ,   p u m p s + L ˙ g a s   c o m p r ) + Q ˙ C C η C C
E p , B A U = f b   ·   ( Q ˙ r e f C O P s t + L ˙ g a s   c y c l e ) + Q ˙ C η b o i l e r
The subscript BAU refers to the standard plant technologies that should be used to produce the same useful effects with respect to the proposed system layout.
In other words, it is possible to think of the numerator as the total user primary energy required by the system, namely the primary energy available from the combustion process and required by main auxiliary components (LNG pump and BOG compressor). The denominator expresses the same quantity as the numerator, but the user’s primary energy demand is satisfied using traditional plants.
The application of Equation (1) gives a reliable index to calculate the percentage of primary energy saving due to the proposed multi-generation energy system layout, on the basis of an imposed mix of energy demand. It can be used to calculate the primary energy savings comparing traditional systems to innovative systems. For the considered case, the application of Equation (1) gives a value of Ep,ratio equal to 0.77 [-].
Similarly, to evaluate the energy efficiency of the system, it can be useful to introduce another energy-saving index, as proposed by El-Nashar [32]. The Author defined a Fuel Energy Saving Ratio, FESR, index using Equation (4):
F E S R = 1 E p , r a t i o
Using Equation (4), it is possible to estimate the effective saving per MWh of primary energy consumed. For the analyzed energy system, the calculated value of the FESR index is equal to 0.23, meaning that, for each megawatt-hour of primary energy consumed, it is possible to save 23% in comparison with traditional systems.

6. Conclusions

In the present paper, a new combined system for recovering energy from LNG regasification and BOG is proposed. The plant recovers the cold energy during the regasification process using a secondary ethylene-glycol loop. The regasified stream is used to feed a turbogas cycle that produces electrical energy. The recovered heat from the flue gases is then used to heat a secondary hot water loop. In this way, the multipurpose plant can generate cold and hot energy and electricity locally used in port areas, for industrial or civil application, and the electrification of the docks.
The demand for energy, in its different forms, is characterized by different hourly profiles for heat, cold, and electricity. For this reason, the chance of increasing the efficiency of exploitation of the energy from LNG regasification and boil off gas of LNG, in the selected plant, has been studied with a dynamic model. Therefore, the plant layout is translated into a dynamic model using Honeywell UniSim® Design Suite. Maximum care has been used to implement the model’s dynamic control logic, selecting the net electrical power generated by the low-pressure turbine as the independent variable. The daily net electrical load profile is given in the form of an input curve based on the work by Parise et al. [31].
After system modelling, some significant results have been calculated and reported. According to the simulation results, the model can assure the necessary electrical production to satisfy the cold-ironing electricity demand, even if variable working conditions are available. Moreover, coupling the secondary brine loop (dedicated to recovering the regasification energy and provide the requested cold energy) with an electrical auxiliary chiller is necessary. In this way, it is possible to fulfil the cold energy demand during the day, especially when the LNG regasification flow rate is low.
Moreover, the analysis of thermal recovering from the flue gases shows that it is possible to recover a large energy share from turbine exhausts. This heat is used to raise the regasified natural gas stream before burning it in the gas chamber, regenerating the gas cycle.
Finally, the model’s performance has been assessed by evaluating some energy-efficiency parameters (namely Ep,ratio, and the FESR index). In this way, it is possible to discover that, compared to a typical standard plant layout, the proposed layout allows to save up to 22% of primary energy consumed. The energy savings are to be considered in the general framework where this work has been conceived. In the first place, considering the international legislative framework and the general concern aimed towards the air-polluting emissions, LNG usage in ports area will be a mandatory step to reduce air pollution caused by ships. These technologies apply to navigation (LNG-powered vessels) and during mooring (cold-ironing applications). The emission reduction is an added value that is not explicitly calculated, but it must be accounted for.

Author Contributions

All authors have contributed equally to the development of this manuscript. All authors have read and agreed to the published version of the manuscript.

Funding

This work has been developed in the framework of the EU cooperation project SIGNAL (Strategie transfrontalIere per la valorizzazione del Gas NAturale Liquido). This project has received funding from the European Union’s INTERREG IT-FR “Maritime” Programme, CUP D36C18000260006.

Institutional Review Board Statement

Not applicable.

Informed Consent Statement

Not applicable.

Data Availability Statement

Not applicable.

Conflicts of Interest

The authors declare no conflict of interest. Moreover, the funders had no role in the design of the study; in the collection, analyses, or interpretation of data; in the writing of the manuscript, or in the decision to publish the results.

Nomenclature

SymbolDescriptionUnits
fbGrid primary energy over electrical energy factor(-)
Q ˙ r e f , E C Heat produced by the auxiliary electrical chiller(MWh)
Q ˙ r e f (Cold) Heat consumption of the cold energy user(MWh)
C O P s t Efficiency of a reference standard machine(-)
L ˙ L N G ,   p u m p s Work required by the auxiliary LNG equipment, (MWh)
L ˙ g a s   c o m p r Work required by the turbogas cycle compressor(MWh)
L ˙ g a s   c y c l e Net work produced by the turbogas cycle(MWh)
Q ˙ C C Heat available in the combustion chamber(MWh)
η C C Gas combustion chamber efficiency(-)
Q ˙ C Heat required by the hot energy user(MWh)
η b o i l e r Efficiency of a reference standard machine(MWh)

Acronyms and Abbreviations

AcronymDescription
LNGLiquefied Natural Gas
GHGGreen House Gases
BOGBoil-Off Gas
NGNatural Gas
SIGNALStrategie transfrontalIere per la valorizzazione del Gas NAturale Liquido
ECAEmission Control Area
MARPOLMaritime Pollution
CHPCombined Heat and Power
CCPCombined Cold and Power
CNGCompressed Natural Gas
HXHeat Exchanger
CCCombustion Chamber
GCGas Cycle
PELElectric Power
COPCoefficient of Performance
PIDProportional, Integral and Derivative
TITTurbine Inlet Temperature
Ep,ratioEnergy Performance Ratio
BAUBusiness As Usual
FESRFuel Energy Saving Ratio

References

  1. Kumar, S.; Kwon, H.T.; Choi, K.H.; Lim, W.; Cho, J.H.; Tak, K.; Moon, I. LNG: An eco-friendly cryogenic fuel for sustainable development. Appl. Energy 2011, 88, 4264–4273. [Google Scholar] [CrossRef]
  2. The Role of Gas in Today’s Energy Transitions—Analysis—IEA. Available online: https://www.iea.org/reports/the-role-of-gas-in-todays-energy-transitions (accessed on 10 May 2020).
  3. Pfoser, S.; Schauer, O.; Costa, Y. Acceptance of LNG as an alternative fuel: Determinants and policy implications. Energy Policy 2018, 120, 259–267. [Google Scholar] [CrossRef]
  4. Lauriola, P. Il Progetto. 2009. Available online: http://interreg-maritime.eu/web/signal (accessed on 20 May 2020).
  5. International Gas Union. The World LNG Report; IGU: Barcelona, Spain, 2020. [Google Scholar]
  6. Emission Control Areas (ECAs) Designated under Regulation 13 of MARPOL Annex VI (NOx Emission Control). Available online: http://www.imo.org/en/OurWork/Environment/PollutionPrevention/AirPollution/Pages/Emission-Control-Areas-(ECAs)-designated-under-regulation-13-of-MARPOL-Annex-VI-(NOx-emission-control).aspx (accessed on 11 May 2020).
  7. European Parliament. Directive (EU) 2018/410 of the European Parliament and of the Council of 14 March 2018 amending Directive 2003/87/EC to enhance cost-effective emission reductions and low-carbon investments, and Decision (EU) 2015/1814. Off. J. Eur. Union 2018, L76, 3–27. [Google Scholar]
  8. Yoo, B.Y. Economic assessment of liquefied natural gas (LNG) as a marine fuel for CO2 carriers compared to marine gas oil (MGO). Energy 2017, 121, 772–780. [Google Scholar] [CrossRef]
  9. Eise Fokkema, J.; Buijs, P.; Vis, I.F.A. An investment appraisal method to compare LNG-fueled and conventional vessels. Transp. Res. Part D Transp. Environ. 2017, 56, 229–240. [Google Scholar] [CrossRef]
  10. Iannaccone, T.; Landucci, G.; Tugnoli, A.; Salzano, E.; Cozzani, V. Sustainability of cruise ship fuel systems: Comparison among LNG and diesel technologies. J. Clean. Prod. 2020, 260, 121069. [Google Scholar] [CrossRef]
  11. Zis, T.; North, R.J.; Angeloudis, P.; Ochieng, W.Y.; Bell, M.G.H. Evaluation of cold ironing and speed reduction policies to reduce ship emissions near and at ports. Marit. Econ. Logist. 2014, 16, 371–398. [Google Scholar] [CrossRef]
  12. Ballini, F.; Bozzo, R. Air pollution from ships in ports: The socio-economic benefit of cold-ironing technology. Res. Transp. Bus. Manag. 2015, 17, 92–98. [Google Scholar] [CrossRef]
  13. Coppola, T.; Fantauzzi, M.; Miranda, S.; Quaranta, F. Cost/benefit analysis of alternative systems for feeding electric energy to ships in port from ashore. In Proceedings of the 2016 AEIT International Annual Conference (AEIT), Capri, Italy, 5–7 October 2016. [Google Scholar] [CrossRef]
  14. Innes, A.; Monios, J. Identifying the unique challenges of installing cold ironing at small and medium ports—The case of aberdeen. Transp. Res. Part D Transp. Environ. 2018, 62, 298–313. [Google Scholar] [CrossRef]
  15. Zis, T.P.V. Prospects of cold ironing as an emissions reduction option. Transp. Res. Part A Policy Pract. 2019, 119, 82–95. [Google Scholar] [CrossRef]
  16. Dispenza, C.; Dispenza, G.; La Rocca, V.; Panno, G. Exergy recovery during LNG regasification: Electric energy production—Part one. Appl. Therm. Eng. 2009, 29, 380–387. [Google Scholar] [CrossRef]
  17. Tagliafico, G.; Valsuani, F.; Tagliafico, L.A. Liquefied natural gas submerged combustion vaporization facilities: Process integration with power conversion units. Int. J. Energy Res. 2013, 37, 80–92. [Google Scholar] [CrossRef]
  18. Fahmy, M.F.M.; Nabih, H.I.; El-Rasoul, T.A. Optimization and comparative analysis of LNG regasification processes. Energy 2015, 91, 371–385. [Google Scholar] [CrossRef]
  19. Li, S.; Wang, B.; Dong, J.; Jiang, Y. Thermodynamic analysis on the process of regasification of LNG and its application in the cold warehouse. Therm. Sci. Eng. Prog. 2017, 4, 1–10. [Google Scholar] [CrossRef]
  20. Kanbur, B.B.; Xiang, L.; Dubey, S.; Choo, F.H.; Duan, F. Cold utilization systems of LNG: A review. Renew. Sustain. Energy Rev. 2017, 79, 1171–1188. [Google Scholar] [CrossRef]
  21. Atienza-Márquez, A.; Bruno, J.C.; Coronas, A. Cold recovery from LNG-regasification for polygeneration applications. Appl. Therm. Eng. 2018, 132, 463–478. [Google Scholar] [CrossRef]
  22. Atienza-Márquez, A.; Bruno, J.C.; Akisawa, A.; Coronas, A. Performance analysis of a combined cold and power (CCP) system with exergy recovery from LNG-regasification. Energy 2019, 183, 448–461. [Google Scholar] [CrossRef]
  23. Lee, I.; Park, J.; You, F.; Moon, I. A novel cryogenic energy storage system with LNG direct expansion regasification: Design, energy optimization, and exergy analysis. Energy 2019, 173, 691–705. [Google Scholar] [CrossRef]
  24. He, T.; Chong, Z.R.; Zheng, J.; Ju, Y.; Linga, P. LNG cold energy utilization: Prospects and challenges. Energy 2019, 170, 557–568. [Google Scholar] [CrossRef]
  25. Ayoua, D.S.; Eveloy, V. Sustainable multi-generation of district cooling, electricity, and regasified LNG for cooling-dominated regions. Sustain. Cities Soc. 2020, 102219. [Google Scholar] [CrossRef]
  26. Unisim® Design Suite Technical Support-User Guide. Available online: https://honeywellprocess-community.force.com/hpsservice/Search_Knowledge_Base#UniSim-Design-Suite-Technical-Support-User-Guide (accessed on 25 May 2021).
  27. UniSim® Design Next Generation Models. Available online: https://www.honeywellprocess.com/en-US/online_campaigns/EUCyberSecuritySummit/Documents/2018-presentation/4.UniSimDesignEO-ReactorModels.pdf (accessed on 7 June 2021).
  28. Peng, D.; Robinson, D.B. A new equation of state. Nature 1929, 123, 507. [Google Scholar]
  29. Shah, P.; Agashe, S. Review of fractional PID controller. Mechatronics 2016, 38, 29–41. [Google Scholar] [CrossRef]
  30. Tejado, I.; Vinagre, B.M.; Traver, J.E.; Prieto-Arranz, J.; Nuevo-Gallardo, C. Back to basics: Meaning of the parameters of fractional order PID controllers. Mathematics 2019, 7, 530. [Google Scholar] [CrossRef]
  31. Parise, G.; Parise, L.; Martirano, L.; Chavdarian, P.B.; Su, C.L.; Ferrante, A. Wise port and business energy management: Port facilities, electrical power distribution. IEEE Trans. Ind. Appl. 2016, 52, 18–24. [Google Scholar] [CrossRef]
  32. El-Nashar, A.M. Cogeneration for power and desalination—State of the art review. Desalination 2001, 134, 7–28. [Google Scholar] [CrossRef]
Figure 1. LNG combined system layout.
Figure 1. LNG combined system layout.
Energies 14 03640 g001
Figure 2. Secondary Brine Loop Configuration (UNISIM model).
Figure 2. Secondary Brine Loop Configuration (UNISIM model).
Energies 14 03640 g002
Figure 3. Port Electrical Loads (Hourly Profile).
Figure 3. Port Electrical Loads (Hourly Profile).
Energies 14 03640 g003
Figure 4. High Pressure and Low Pressure Turbine Inlet Temperatures.
Figure 4. High Pressure and Low Pressure Turbine Inlet Temperatures.
Energies 14 03640 g004
Figure 5. Trends of daily electrical energy production.
Figure 5. Trends of daily electrical energy production.
Energies 14 03640 g005
Figure 7. Trends of daily regasification and brine mass flow rates. The yellow curve refers to the secondary axis.
Figure 7. Trends of daily regasification and brine mass flow rates. The yellow curve refers to the secondary axis.
Energies 14 03640 g007
Table 1. Stationary Simulation Variables Values.
Table 1. Stationary Simulation Variables Values.
Plant Layout Operative Point (ref. Figure 1)
QuantityUnits12456789
Fluid-LNGLNGBOGBOGLNGNGNGNG
Quality-−1−111−1111
Temperature°C−160.2−160.0−160.2−90.5−154.4−34.88.474.0
PressurekPa113.7512.9113.7512.9512.9509.8509.3506.3
Mass Flow Ratekg/s0.50.50.020.020.50.50.50.5
QuantityUnits10111213141515’16
Fluid-AirAirAirAirFlue GasFlue GasFlue GasFlue Gas
Quality-22222222
Temperature°C20.018.5214.5718.51303.1872.11147.7411.3
PressurekPa101.398.8508.8506.3503.8109.4299.4108.9
Mass Flow Ratekg/s35.535.535.535.536.236.236.236.2
QuantityUnits1718Tank inlet
Fluid-Flue GasFlue GasLNG
Quality-22−1
Temperature°C411.3409.2−160.0
PressurekPa108.4107.9113.8
Mass Flow Ratekg/s36.236.20.5
Table 2. Relevant Plant Operating Conditions for Peak, Medium, and No Load Conditions.
Table 2. Relevant Plant Operating Conditions for Peak, Medium, and No Load Conditions.
Operating
Conditions
Time SpanSet Point Net PowerNet PowerBOG Compressor
Power
LNG Pump PowerBrine PumpAir Compressor PowerLNG Mass Flow
[MW][MW][MW][MW][MW][MW][kg/s]
No Load Conditions20.00–05.003.03.00.0020.0010.0022.00.1
Peak Load Conditions12.00–13.00
16.30–17.00
12.612.60.0020.0020.0028.30.6
Medium Load Conditions14.00–15.309.09.00.0020.0020.0025.90.4
ConditionsAir Mass Flow RateBrine Mass Flow RateHX1 LNG Inlet TempHX1
NG Outlet Temp
HX1 Brine Inlet TempHX1 Brine Outlet TempHX1 Heat FluxCold User Request
[kg/s][kg/s][C][C][C][C][MW][MW]
No Load Conditions10.137.4−140.3−35.1−35.0−35.50.080.4
Peak Load Conditions42.437.4−159.3−36.0−35.0−37.80.50.4
Medium Load Conditions30.337.4−157.1−35.0−35.0−36.90.30.4
ConditionsAuxiliary Chiller ProductionHX4-Gas Cycle RegenerationHX3 Heat FluxHX5 Heat FluxHX5 Heat Flux
[MW][MW][MW][MW][MW]
No Load Conditions0.46146.90.081.41.4
Peak Load Conditions0.0119,898.90.0811.912.0
Medium Load Conditions0.115,542.90.087.17.2
Publisher’s Note: MDPI stays neutral with regard to jurisdictional claims in published maps and institutional affiliations.

Share and Cite

MDPI and ACS Style

Borelli, D.; Devia, F.; Schenone, C.; Silenzi, F.; Tagliafico, L.A. Dynamic Modelling of LNG Powered Combined Energy Systems in Port Areas. Energies 2021, 14, 3640. https://doi.org/10.3390/en14123640

AMA Style

Borelli D, Devia F, Schenone C, Silenzi F, Tagliafico LA. Dynamic Modelling of LNG Powered Combined Energy Systems in Port Areas. Energies. 2021; 14(12):3640. https://doi.org/10.3390/en14123640

Chicago/Turabian Style

Borelli, Davide, Francesco Devia, Corrado Schenone, Federico Silenzi, and Luca A. Tagliafico. 2021. "Dynamic Modelling of LNG Powered Combined Energy Systems in Port Areas" Energies 14, no. 12: 3640. https://doi.org/10.3390/en14123640

APA Style

Borelli, D., Devia, F., Schenone, C., Silenzi, F., & Tagliafico, L. A. (2021). Dynamic Modelling of LNG Powered Combined Energy Systems in Port Areas. Energies, 14(12), 3640. https://doi.org/10.3390/en14123640

Note that from the first issue of 2016, this journal uses article numbers instead of page numbers. See further details here.

Article Metrics

Back to TopTop