Common-Mode Voltage Harmonic Reduction in Variable Speed Drives Applying a Variable-Angle Carrier Phase-Displacement PWM Method
Abstract
1. Introduction
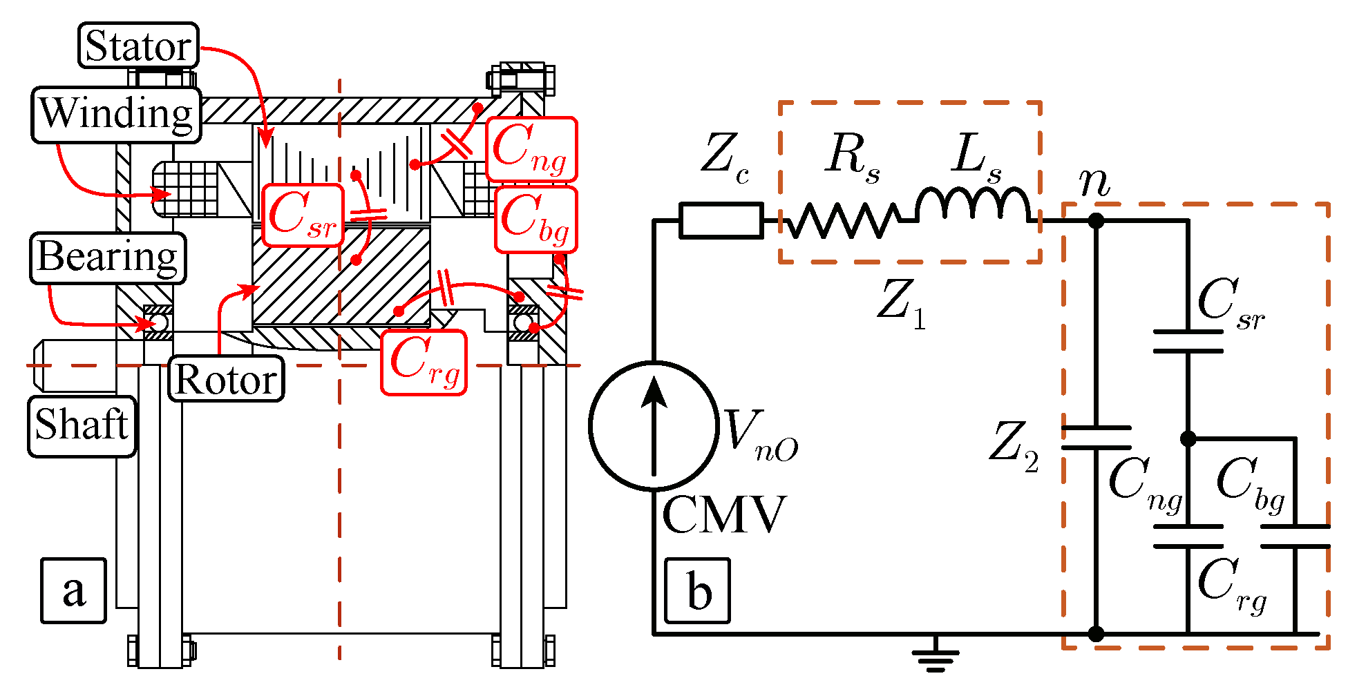
2. Effect of the Common-Mode Voltage on the Motor Bearing Degradation
3. Common-Mode Voltage Harmonic Description in a Two-Level VSI Operating as a Motor Drive
4. Relation between the Generalized Carrier Phase-Displacement PWM Method and the CMV Harmonic Content
5. Proposed Generalized Carrier Phase-Displacement PWM Method to Improve the CMV Total Harmonic Distortion
6. Experimental Results
7. Conclusions
Author Contributions
Funding
Conflicts of Interest
References
- Bose, B.K. Global Energy Scenario and Impact of Power Electronics in 21st Century. IEEE Trans. Ind. Electron. 2013, 60, 2638–2651. [Google Scholar] [CrossRef]
- Buticchi, G.; Bozhko, S.; Liserre, M.; Wheeler, P.; Al-Haddad, K. On-Board Microgrids for the More Electric Aircraft-Technology Review. IEEE Trans. Ind. Electron. 2019, 66, 5588–5599. [Google Scholar] [CrossRef]
- Holmes, D.G.; Lipo, T.A. Pulse Width Modulation for Power Converters: Principles and Practice; Wiley-IEEE Press: Hoboken, NJ, USA, 2003. [Google Scholar] [CrossRef]
- Yazdani, A.; Iravani, R. Voltage-Sourced Converters in Power Systems: Modeling, Control, and Applications; Wiley-IEEE Press: Hoboken, NJ, USA, 2010. [Google Scholar]
- Leon, J.I.; Kouro, S.; Franquelo, L.G.; Rodriguez, J.; Wu, B. The Essential Role and the Continuous Evolution of Modulation Techniques for Voltage-Source Inverters in the Past, Present, and Future Power Electronics. IEEE Trans. Ind. Electron. 2016, 63, 2688–2701. [Google Scholar] [CrossRef]
- Leon, J.I.; Vazquez, S.; Franquelo, L.G. Multilevel Converters: Control and Modulation Techniques for Their Operation and Industrial Applications. Proc. IEEE 2017, 105, 2066–2081. [Google Scholar] [CrossRef]
- Wilamowski, B.M.; Irwin, J.D. Power Electronics and Motor Drives; CRC Press: Boca Raton, FL, USA, 2017. [Google Scholar]
- Zhou, K.; Wang, D. Relationship between space-vector modulation and three-phase carrier-based PWM: A comprehensive analysis [three-phase inverters]. IEEE Trans. Ind. Electron. 2002, 49, 186–196. [Google Scholar] [CrossRef]
- Eaton, D.; Rama, J.; Hammond, P. Neutral shift [five years of continuous operation with adjustable frequency drives]. IEEE Ind. Appl. Mag. 2003, 9, 40–49. [Google Scholar] [CrossRef]
- Kalaiselvi, J.; Srinivas, S. Bearing Currents and Shaft Voltage Reduction in Dual-Inverter-Fed Open-End Winding Induction Motor With Reduced CMV PWM Methods. IEEE Trans. Ind. Electron. 2015, 62, 144–152. [Google Scholar] [CrossRef]
- Mutzw, A. Thousands of hits: On inverter-induced bearing currents, related work, and the literature. Elektrotechnik und Informationstechnik 2011, 128, 382–388. [Google Scholar] [CrossRef]
- Skibinski, G.L.; Kerkman, R.J.; Schlegel, D. EMI emissions of modern PWM AC drives. IEEE Ind. Appl. Mag. 1999, 5, 47–80. [Google Scholar] [CrossRef]
- Isomura, Y.; Yamamoto, K.; Morimoto, S.; Maetani, T.; Watanabe, A.; Nakano, K. Study of the Further Reduction of Shaft Voltage of Brushless DC Motor With Insulated Rotor Driven by PWM Inverter. IEEE Trans. Ind. Appl. 2014, 50, 3738–3743. [Google Scholar] [CrossRef]
- Jiang, D.; Chen, J.; Shen, Z. Common mode EMI reduction through PWM methods for three-phase motor controller. CES Trans. Electr. Mach. Syst. 2019, 3, 133–142. [Google Scholar] [CrossRef]
- Lee, S.; Park, J.; Jeong, C.; Rhyu, S.; Hur, J. Shaft-to-Frame Voltage Mitigation Method by Changing Winding-to-Rotor Parasitic Capacitance of IPMSM. IEEE Trans. Ind. Appl. 2019, 55, 1430–1436. [Google Scholar] [CrossRef]
- Han, Y.; Lu, H.; Li, Y.; Chai, J. Analysis and Suppression of Shaft Voltage in SiC-Based Inverter for Electric Vehicle Applications. IEEE Trans. Power Electron. 2019, 34, 6276–6285. [Google Scholar] [CrossRef]
- Hava, A.M.; Un, E. A High-Performance PWM Algorithm for Common-Mode Voltage Reduction in Three-Phase Voltage Source Inverters. IEEE Trans. Power Electron. 2011, 26, 1998–2008. [Google Scholar] [CrossRef]
- Muralidhara, B.; Ramachandran, A.; Srinivasan, R.; Reddy, M.C. Experimental measurement of shaft voltage and bearing current in an inverter fed three phase induction motor drive. In Proceedings of the 2011 3rd International Conference on Electronics Computer Technology, Kanyakumari, India, 8–10 April 2011; Volume 2, pp. 37–41. [Google Scholar] [CrossRef]
- Song-Manguelle, J.; Schröder, S.; Geyer, T.; Ekemb, G.; Nyobe-Yome, J. Prediction of Mechanical Shaft Failures Due to Pulsating Torques of Variable-Frequency Drives. IEEE Trans. Ind. Appl. 2010, 46, 1979–1988. [Google Scholar] [CrossRef]
- Magdun, O.; Binder, A. High-Frequency Induction Machine Modeling for Common Mode Current and Bearing Voltage Calculation. IEEE Trans. Ind. Appl. 2014, 50, 1780–1790. [Google Scholar] [CrossRef]
- Flieh, H.M.; Totoki, E.; Lorenz, R.D. Dynamic Shaft Torque Observer Structure Enabling Accurate Dynamometer Transient Loss Measurements. IEEE Trans. Ind. Appl. 2018, 54, 6121–6132. [Google Scholar] [CrossRef]
- Naik, R.; Nondahl, T.A.; Melfi, M.J.; Schiferl, R.; Wang, J.-S. Circuit model for shaft voltage prediction in induction motors fed by PWM-based AC drives. IEEE Trans. Ind. Appl. 2003, 39, 1294–1299. [Google Scholar] [CrossRef]
- Choochuan, C. A survey of output filter topologies to minimize the impact of PWM inverter waveforms on three-phase AC induction motors. In Proceedings of the 2005 International Power Engineering Conference, Singapore, 29 November–2 December 2005; Volume 2005, pp. 1–544. [Google Scholar] [CrossRef]
- Mei, C.; Balda, J.C.; Waite, W.P. Cancellation of common-mode Voltages for induction motor drives using active method. IEEE Trans. Energy Convers. 2006, 21, 380–386. [Google Scholar] [CrossRef]
- Di Piazza, M.C.; Tine, G.; Vitale, G. An Improved Active Common-Mode Voltage Compensation Device for Induction Motor Drives. IEEE Trans. Ind. Electron. 2008, 55, 1823–1834. [Google Scholar] [CrossRef]
- Fan, F.; See, K.Y.; Banda, J.K.; Liu, X.; Gupta, A.K. Investigation and mitigation of premature bearing degradation in motor drive system. IEEE Electromagn. Compat. Mag. 2019, 8, 75–81. [Google Scholar] [CrossRef]
- Jayaraman, K.; Kumar, M. Design of Passive Common-Mode Attenuation Methods for Inverter-Fed Induction Motor Drive With Reduced Common-Mode Voltage PWM Technique. IEEE Trans. Power Electron. 2020, 35, 2861–2870. [Google Scholar] [CrossRef]
- Tallam, R.M.; Kerkman, R.J.; Leggate, D.; Lukaszewski, R.A. Common-Mode Voltage Reduction PWM Algorithm for AC Drives. IEEE Trans. Ind. Appl. 2010, 46, 1959–1969. [Google Scholar] [CrossRef]
- Cacciato, M.; Consoli, A.; Scarcella, G.; Testa, A. Reduction of common-mode currents in PWM inverter motor drives. IEEE Trans. Ind. Appl. 1999, 35, 469–476. [Google Scholar] [CrossRef]
- Adabi, J.; Boora, A.A.; Zare, F.; Nami, A.; Ghosh, A.; Blaabjerg, F. Common-mode voltage reduction in a motor drive system with a power factor correction. IET Power Electron. 2012, 5, 366–375. [Google Scholar] [CrossRef]
- Espina, J.; Ortega, C.; de Lillo, L.; Empringham, L.; Balcells, J.; Arias, A. Reduction of Output Common Mode Voltage Using a Novel SVM Implementation in Matrix Converters for Improved Motor Lifetime. IEEE Trans. Ind. Electron. 2014, 61, 5903–5911. [Google Scholar] [CrossRef]
- Espina, J.; Ortega, C.; de Lillo, L.; Empringham, L.; Balcells, J.; Arias, A. Common-Mode Voltage Mitigation Technique in Motor Drive Applications by Applying a Sampling-Time Adaptive Multi-Carrier PWM Method. IEEE Access 2021, 9, 56115–56126. [Google Scholar] [CrossRef]
- Kimball, J.W.; Zawodniok, M. Reducing Common-Mode Voltage in Three-Phase Sine-Triangle PWM With Interleaved Carriers. IEEE Trans. Power Electron. 2011, 26, 2229–2236. [Google Scholar] [CrossRef]
- Alcaide, A.M.; Wang, X.; Yan, H.; Leon, J.I.; Monopoli, V.G.; Buticchi, G.; Vazquez, S.; Liserre, M.; Franquelo, L.G. Common-Mode Voltage Mitigation of Dual Three-Phase Voltage Source Inverters in a Motor Drive Application. IEEE Access 2021, 9, 67477–67487. [Google Scholar] [CrossRef]
- Shen, Z.; Jiang, D.; Liu, Z.; Ye, D.; Li, J. Common-Mode Voltage Elimination for Dual Two-Level Inverter-Fed Asymmetrical Six-Phase PMSM. IEEE Trans. Power Electron. 2020, 35, 3828–3840. [Google Scholar] [CrossRef]
- Plexim RT Box Rapid Prototype Platform. Available online: https://www.plexim.com/products/rt_box (accessed on 6 April 2021).
- Zheng, B.; Xu, Y.; Wang, G.; Yu, G.; Yan, H.; Wang, M.; Zou, J. Carrier frequency harmonic suppression in dual three-phase permanent magnet synchronous motor system. IET Electr. Power Appl. 2019, 13, 1763–1772. [Google Scholar] [CrossRef]
















| Parameters | Values |
|---|---|
| Winding resistance | |
| Winding inductance [mH] | |
| Back-EMF coefficient | |
| Moment of inertia J | |
| Pole pair number | 4 |
| Voltage [V] | 220 |
| Nominal torque [Nm] | |
| Nominal speed [rpm] | 3000 |
| THD | |||||||
|---|---|---|---|---|---|---|---|
| Speed [rpm] | M | ||||||
| 25 | |||||||
| 50 | |||||||
| 100 | |||||||
| 150 | |||||||
| 200 | |||||||
| 250 | |||||||
Publisher’s Note: MDPI stays neutral with regard to jurisdictional claims in published maps and institutional affiliations. |
© 2021 by the authors. Licensee MDPI, Basel, Switzerland. This article is an open access article distributed under the terms and conditions of the Creative Commons Attribution (CC BY) license (https://creativecommons.org/licenses/by/4.0/).
Share and Cite
Marquez Alcaide, A.; Monopoli, V.G.; Wang, X.; Leon, J.I.; Buticchi, G.; Vazquez, S.; Liserre, M.; Franquelo, L.G. Common-Mode Voltage Harmonic Reduction in Variable Speed Drives Applying a Variable-Angle Carrier Phase-Displacement PWM Method. Energies 2021, 14, 2929. https://doi.org/10.3390/en14102929
Marquez Alcaide A, Monopoli VG, Wang X, Leon JI, Buticchi G, Vazquez S, Liserre M, Franquelo LG. Common-Mode Voltage Harmonic Reduction in Variable Speed Drives Applying a Variable-Angle Carrier Phase-Displacement PWM Method. Energies. 2021; 14(10):2929. https://doi.org/10.3390/en14102929
Chicago/Turabian StyleMarquez Alcaide, Abraham, Vito Giuseppe Monopoli, Xuchen Wang, Jose I. Leon, Giampaolo Buticchi, Sergio Vazquez, Marco Liserre, and Leopoldo G. Franquelo. 2021. "Common-Mode Voltage Harmonic Reduction in Variable Speed Drives Applying a Variable-Angle Carrier Phase-Displacement PWM Method" Energies 14, no. 10: 2929. https://doi.org/10.3390/en14102929
APA StyleMarquez Alcaide, A., Monopoli, V. G., Wang, X., Leon, J. I., Buticchi, G., Vazquez, S., Liserre, M., & Franquelo, L. G. (2021). Common-Mode Voltage Harmonic Reduction in Variable Speed Drives Applying a Variable-Angle Carrier Phase-Displacement PWM Method. Energies, 14(10), 2929. https://doi.org/10.3390/en14102929

