A State-Of-The-Art Review of Car Suspension-Based Piezoelectric Energy Harvesting Systems
Abstract
1. Overview
2. Piezoelectric Material
2.1. Piezoelectric Effects and Materials
2.2. Piezoelectric Different Configurations
2.2.1. Bimorph and Unimorph Cantilever
2.2.2. Piezoelectric Stack
3. Vibration Energy Harvesting
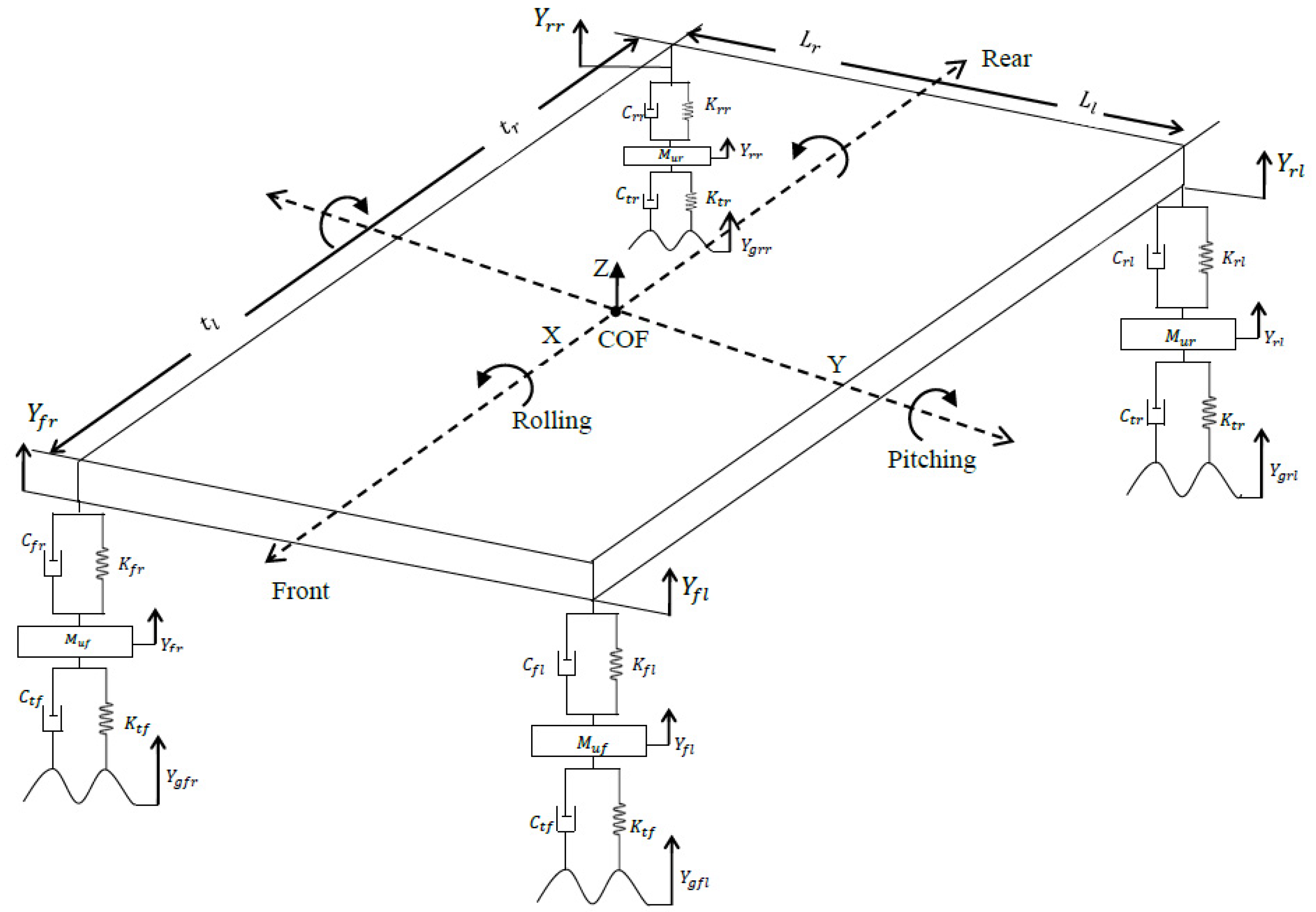
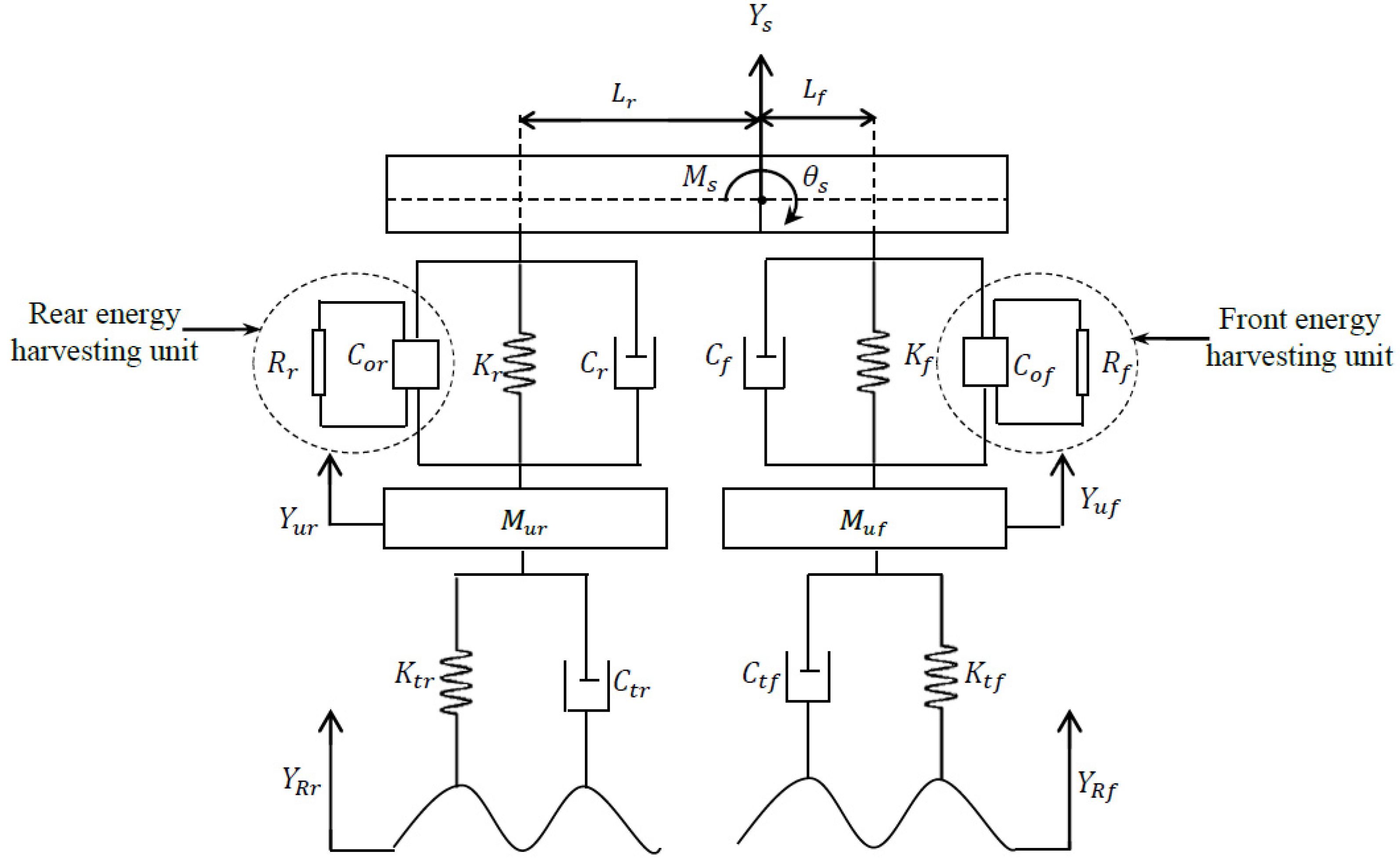
4. Vehicle Suspension System
4.1. Mathematical Car Models
4.2. Power Dissipation in the Suspension System
4.3. Energy Harvesting from Suspension System
5. Electronic Circuit of Piezoelectric Harvesting System
6. Utilization of the Harvested Energy
7. Conclusions
Author Contributions
Funding
Conflicts of Interest
References
- Jacobson, M.Z.; Delucchi, M.A.; Bauer, Z.A.; Goodman, S.C.; Chapman, W.E.; Cameron, M.A.; Bozonnat, C.; Chobadi, L.; Clonts, H.A.; Enevoldsen, P.; et al. 100% clean and renewable wind, water, and sunlight all-sector energy roadmaps for 139 countries of the world. Joule 2017, 1, 108–121. [Google Scholar] [CrossRef]
- Heard, B.P.; Brook, B.W.; Wigley, T.M.; Bradshaw, C.J. Burden of proof: A comprehensive review of the feasibility of 100% renewable-electricity systems. Renew. Sustain. Energy Rev. 2017, 76, 1122–1133. [Google Scholar] [CrossRef]
- Krüger, D.; Fischer, S.; Buschmann, C. Solar power harvesting—Modeling and experiences. GIITG KuVS Fachgespr. Drahtlose Sensornetze 2009, 8, 51–54. [Google Scholar]
- Raghunathan, V.; Kansal, A.; Hsu, J.; Friedman, J.; Srivastava, M. Design Considerations for Solar Energy Harvesting Wireless Embedded Systems. In Proceedings of the 4th International Symposium on Information Processing in Sensor Networks, Boise, ID, USA, 15 April 2005; p. 64. [Google Scholar]
- Dondi, D.; Bertacchini, A.; Larcher, L.; Pavan, P.; Brunelli, D.; Benini, L. A Solar Energy Harvesting Circuit for Low Power Applications. In Proceedings of the 2008 IEEE International Conference on Sustainable Energy Technologies, Singapore, 24–27 November 2008; pp. 945–949. [Google Scholar]
- Tan, Y.K.; Panda, S.K. Energy harvesting from hybrid indoor ambient light and thermal energy sources for enhanced performance of wireless sensor nodes. IEEE Trans. Ind. Electron. 2011, 58, 4424–4435. [Google Scholar] [CrossRef]
- Cuadras, A.; Gasulla, M.; Ferrari, V. Thermal energy harvesting through pyroelectricity. Sens. Actuators Phys. 2010, 158, 132–139. [Google Scholar] [CrossRef]
- Lu, X.; Yang, S.-H. Thermal Energy Harvesting for WSNs. In Proceedings of the 2010 IEEE International Conference on Systems, Man and Cybernetics, Istanbul, Turkey, 10–13 October 2010; pp. 3045–3052. [Google Scholar]
- Sun, C.; Shi, J.; Wang, X. Fundamental study of mechanical energy harvesting using piezoelectric nanostructures. J. Appl. Phys. 2010, 108, 034309. [Google Scholar] [CrossRef]
- Elvin, N.; Erturk, A. Introduction and Methods of Mechanical Energy Harvesting. In Advances in Energy Harvesting Methods; Springer: Berlin/Heidelberg, Germany, 2013; pp. 3–14. [Google Scholar]
- Chen, Y.; Zhang, H.; Zhang, Y.; Li, C.; Yang, Q.; Zheng, H.; Lü, C. Mechanical energy harvesting from road pavements under vehicular load using embedded piezoelectric elements. J. Appl. Mech. 2016, 83, 081001. [Google Scholar] [CrossRef]
- Wu, N.; Wang, Q.; Xie, X. Wind energy harvesting with a piezoelectric harvester. Smart Mater. Struct. 2013, 22, 095023. [Google Scholar] [CrossRef]
- Sirohi, J.; Mahadik, R. Harvesting wind energy using a galloping piezoelectric beam. J. Vib. Acoust. 2012, 134, 011009. [Google Scholar] [CrossRef]
- Li, B.; You, J.H.; Kim, Y.-J. Low frequency acoustic energy harvesting using PZT piezoelectric plates in a straight tube resonator. Smart Mater. Struct. 2013, 22, 055013. [Google Scholar] [CrossRef]
- Li, B.; Laviage, A.J.; You, J.H.; Kim, Y.-J. Acoustic Energy Harvesting Using Quarter-Wavelength Straight-Tube Resonator. In Proceedings of the ASME 2012 International Mechanical Engineering Congress and Exposition, Houston, TX, USA, 9–15 November 2012; pp. 467–473. [Google Scholar]
- Horowitz, S.B.; Sheplak, M.; Cattafesta, L.N., III; Nishida, T. A MEMS acoustic energy harvester. J. Micromech. Microeng. 2006, 16, S174. [Google Scholar] [CrossRef]
- Wu, N.; Wang, Q.; Xie, X. Ocean wave energy harvesting with a piezoelectric coupled buoy structure. Appl. Ocean Res. 2015, 50, 110–118. [Google Scholar] [CrossRef]
- Viet, N.V.; Wu, N.; Wang, Q. A review on energy harvesting from ocean waves by piezoelectric technology. J. Model. Mech. Mater. 2017, 1. [Google Scholar] [CrossRef]
- Kim, K.-H.; Cho, S.-B.; Kim, H.-D.; Shim, K.-T. Wave Power Generation by Piezoelectric Sensor Attached to a Coastal Structure. J. Sens. 2018, 2018, 7986438. [Google Scholar] [CrossRef]
- Cao, S.; Li, J. A survey on ambient energy sources and harvesting methods for structural health monitoring applications. Adv. Mech. Eng. 2017, 9, 1687814017696210. [Google Scholar] [CrossRef]
- Yildiz, F. Potential Ambient Energy-Harvesting Sources and Techniques. J. Technol. Stud. 2009, 35, 40–48. [Google Scholar] [CrossRef]
- Devi, P.K. Survey on Energy Harvesting Techniques. Int. J. Sci. Eng. Comput. Technol. 2014, 4, 256. [Google Scholar]
- Knight, C.; Davidson, J.; Behrens, S. Energy options for wireless sensor nodes. Sensors 2008, 8, 8037–8066. [Google Scholar] [CrossRef]
- Radousky, H.B.; Liang, H. Energy harvesting: An integrated view of materials, devices and applications. Nanotechnology 2012, 23, 502001. [Google Scholar] [CrossRef]
- Roundy, S.; Wright, P.K.; Rabaey, J. A study of low level vibrations as a power source for wireless sensor nodes. Comput. Commun. 2003, 26, 1131–1144. [Google Scholar] [CrossRef]
- Chalasani, S.; Conrad, J.M. A survey of energy harvesting sources for embedded systems. In Proceedings of the 2008 IEEE Southeastcon, Huntsville, AL, USA, 3–6 April 2008; pp. 442–447. [Google Scholar]
- Twiefel, J.; Westermann, H. Survey on broadband techniques for vibration energy harvesting. J. Intell. Mater. Syst. Struct. 2013, 24, 1291–1302. [Google Scholar] [CrossRef]
- Priya, S.; Inman, D.J. Energy Harvesting Technologies; Springer: Berlin/Heidelberg, Germany, 2009; Volume 21. [Google Scholar]
- El-Sayed, A.-R.; Tai, K.; Biglarbegian, M.; Mahmud, S. A survey on recent energy harvesting mechanisms. In Proceedings of the 2016 IEEE Canadian Conference on Electrical and Computer Engineering (CCECE), Vancouver, BC, Canada, 15–18 May 2016; pp. 1–5. [Google Scholar]
- Xie, X.D.; Wang, Q. Energy harvesting from a vehicle suspension system. Energy 2015, 86, 385–392. [Google Scholar] [CrossRef]
- Jeon, Y.B.; Sood, R.; Jeong, J.-H.; Kim, S.-G. MEMS power generator with transverse mode thin film PZT. Sens. Actuators Phys. 2005, 122, 16–22. [Google Scholar] [CrossRef]
- Saha, C.R.; O’Donnell, T.; Loder, H.; Beeby, S.; Tudor, J. Optimization of an electromagnetic energy harvesting device. IEEE Trans. Magn. 2006, 42, 3509–3511. [Google Scholar] [CrossRef]
- Despesse, G.; Jager, T.; Jean-Jacques, C.; Léger, J.M.; Vassilev, A.; Basrour, S.; Charlot, B. Fabrication and Characterization of High Damping Electrostatic Micro Devices for Vibration Energy Scavenging. 2005. Available online: https://hal.archives-ouvertes.fr/hal-00748983/ (accessed on 6 April 2020).
- Gonsalez, C.G.; Franco, V.R.; Brennan, M.J.; da Silva, S.; Junior, V.L. Energy Harvesting Using Piezoelectric and Electromagnetic Transducers. In Proceedings of the 9th Brazilian Conference on Dynamics, Control and Their Applications, Serra Negra, Brazil, 7–11 June 2010; pp. 1166–1171. [Google Scholar]
- Erturk, A.; Inman, D.J. Piezoelectric Energy Harvesting; John Wiley & Sons: Hoboken, NJ, USA, 2011. [Google Scholar]
- Aljadiri, R.T.; Taha, L.Y.; Ivey, P. Wind Energy Harvesting Systems: A Better understanding of their Sustainability. In Proceedings of the 2017 3rd International Conference on Control, Automation and Robotics (ICCAR), Nagoya, Japan, 24–26 April 2017; pp. 582–587. [Google Scholar]
- Tayahi, M.B.; Johnson, B.; Hotzman, M.; Cadet, G. Piezoelectric Materials for Powering Wireless Remote Sensors. In Proceedings of the Performance, Computing, and Communications Conference, Phoenix, AZ, USA, 7–9 April 2005. [Google Scholar]
- Christin, D.; Mogre, P.S.; Hollick, M. Survey on wireless sensor network technologies for industrial automation: The security and quality of service perspectives. Future Internet 2010, 2, 96–125. [Google Scholar] [CrossRef]
- Chen, J.; Cao, X.; Cheng, P.; Xiao, Y.; Sun, Y. Distributed collaborative control for industrial automation with wireless sensor and actuator networks. IEEE Trans. Ind. Electron. 2010, 57, 4219–4230. [Google Scholar] [CrossRef]
- Park, G.; Rosing, T.; Todd, M.D.; Farrar, C.R.; Hodgkiss, W. Energy harvesting for structural health monitoring sensor networks. J. Infrastruct. Syst. 2008, 14, 64–79. [Google Scholar] [CrossRef]
- Ko, J.; Lu, C.; Srivastava, M.B.; Stankovic, J.A.; Terzis, A.; Welsh, M. Wireless sensor networks for healthcare. Proc. IEEE 2010, 98, 1947–1960. [Google Scholar] [CrossRef]
- Liao, W.H.; Wang, D.H.; Huang, S.L. Wireless monitoring of cable tension of cable-stayed bridges using PVDF piezoelectric films. J. Intell. Mater. Syst. Struct. 2001, 12, 331–339. [Google Scholar] [CrossRef]
- García-Hernández, C.F.; Ibarguengoytia-Gonzalez, P.H.; García-Hernández, J.; Pérez-Díaz, J.A. Wireless sensor networks and applications: A survey. IJCSNS Int. J. Comput. Sci. Netw. Secur. 2007, 7, 264–273. [Google Scholar]
- Chalard, L.; Helal, D.; Verbaere, L.; Wellig, A. Wireless Sensor Networks Devices: Overview, Issues, State-of the Art and Promising Technologies. In ST Journal of Research; Citeseerx: Princeton, NJ, USA, 2007. [Google Scholar]
- Ruiz-Garcia, L.; Lunadei, L.; Barreiro, P.; Robla, I. A review of wireless sensor technologies and applications in agriculture and food industry: State of the art and current trends. Sensors 2009, 9, 4728–4750. [Google Scholar] [CrossRef] [PubMed]
- Uchino, K. Advanced Piezoelectric Materials: Science and Technology; Woodhead Publishing: Amsterdam, The Netherlands, 2017. [Google Scholar]
- Meeker, T.R. Publication and proposed revision of ANSI/IEEE standard 176-1987. IEEE Trans. Ultrason. Ferroelectr. Freq. Control 1996, 43, 717–772. [Google Scholar]
- Hassan, H.F.; Hassan, S.I.S.; Rahim, R.A. Acoustic energy harvesting using piezoelectric generator for low frequency sound waves energy conversion. Int. J. Eng. Technol. IJET 2014, 5, 4702–4707. [Google Scholar]
- Anton, S.R.; Sodano, H.A. A review of power harvesting using piezoelectric materials (2003–2006). Smart Mater. Struct. 2007, 16, R1. [Google Scholar] [CrossRef]
- Caliò, R.; Rongala, U.B.; Camboni, D.; Milazzo, M.; Stefanini, C.; De Petris, G.; Oddo, C.M. Piezoelectric energy harvesting solutions. Sensors 2014, 14, 4755–4790. [Google Scholar]
- Ambrosio, R.; Jimenez, A.; Mireles, J.; Moreno, M.; Monfil, K.; Heredia, H. Study of piezoelectric energy harvesting system based on PZT. Integr. Ferroelectr. 2011, 126, 77–86. [Google Scholar] [CrossRef]
- Kumar, P. Piezo-smart roads. Int. J. Enhanc. Res. Sci. Technol. 2013, 2, 60–65. [Google Scholar]
- Makki, N.; Pop-Iliev, R. Piezoelectric Power Generation in Automotive tires. In Proceedings of the Mart Materials, Structures & NDT in Aerospace Conference NDT in Canada 2011, Montreal, QC, Canada, 2–4 November 2011. [Google Scholar]
- Ng, T.H.; Liao, W.H. Sensitivity analysis and energy harvesting for a self-powered piezoelectric sensor. J. Intell. Mater. Syst. Struct. 2005, 16, 785–797. [Google Scholar] [CrossRef]
- Liu, H.; Zhong, J.; Lee, C.; Lee, S.-W.; Lin, L. A comprehensive review on piezoelectric energy harvesting technology: Materials, mechanisms, and applications. Appl. Phys. Rev. 2018, 5, 041306. [Google Scholar] [CrossRef]
- Kim, S.-G.; Priya, S.; Kanno, I. Piezoelectric MEMS for energy harvesting. MRS Bull. 2012, 37, 1039–1050. [Google Scholar] [CrossRef]
- Huang, H.; Scott, J.F. Ferroelectric Materials for Energy Applications; John Wiley & Sons: Hoboken, NJ, USA, 2018. [Google Scholar]
- Kim, S.-B.; Park, H.; Kim, S.-H.; Wikle, H.C.; Park, J.-H.; Kim, D.-J. Comparison of MEMS PZT cantilevers based on d31 and d33 modes for vibration energy harvesting. J. Microelectromech. Syst. 2012, 22, 26–33. [Google Scholar] [CrossRef]
- Goldfarb, M.; Jones, L.D. On the efficiency of electric power generation with piezoelectric ceramic. J. Dyn. Syst. Meas. Control 1999, 121, 566–571. [Google Scholar] [CrossRef]
- Leo, D.J. Engineering Analysis of Smart Material Systems; John Wiley & Sons: Hoboken, NJ, USA, 2007. [Google Scholar]
- APC International, Ltd. Piezoelectric Ceramics: Principles and Applications; APC International: Mackeyville, PA, USA, 2002. [Google Scholar]
- Shenck, N s.; Paradiso, J.A. Energy scavenging with shoe-mounted piezoelectrics. IEEE Micro 2001, 21, 30–42. [Google Scholar] [CrossRef]
- Choi, Y.-M.; Lee, M.G.; Jeon, Y. Wearable Biomechanical Energy Harvesting Technologies. Energies 2017, 10, 1483. [Google Scholar] [CrossRef]
- Leinonen, M.; Palosaari, J.; Sobocinski, M.; Juuti, J.; Jantunen, H. Energy Harvesting from Vibration and Walking with Piezoelectric Materials; MATINE: Philadelphia, PA, USA, 2018; pp. 1–28. [Google Scholar]
- Kymissis, J.; Kendall, C.; Paradiso, J.; Gershenfeld, N. Parasitic Power Harvesting in Shoes. In Proceedings of the Digest of Papers. Second International Symposium on Wearable Computers (Cat. No. 98EX215), Pittsburgh, PA, USA, 19–20 Octorber 1998; pp. 132–139. [Google Scholar]
- Ko, W.H. Piezoelectric Energy Converter for Electronic Implants; Patent and Trademark Office: Washington, DC, USA, 1969. [Google Scholar]
- Selvarathinam, J.; Anpalagan, A. Energy harvesting from the human body for biomedical applications. IEEE Potentials 2016, 35, 6–12. [Google Scholar] [CrossRef]
- Mitcheson, P.D.; Yeatman, E.M.; Rao, G.K.; Holmes, A.S.; Green, T.C. Energy harvesting from human and machine motion for wireless electronic devices. Proc. IEEE 2008, 96, 1457–1486. [Google Scholar] [CrossRef]
- East Japan Railway Company. Demonstration Experiment of the ‘Power-Generating Floor’ at Tokyo Station. 2008. Available online: https://www.jreast.co.jp/e/development/press/20080111.pdf (accessed on 25 May 2018).
- Rosenthal, E.; Watt, A. Partying helps power a dutch nightclub. The New York Times. 2008. Available online: https://www.nytimes.com/2008/10/24/world/europe/24rotterdam.html (accessed on 20 September 2018).
- Britain’s First Eco-nightclub Powered by Pounding Feet Opens its Doors|Daily Mail Onlin. Available online: https://www.dailymail.co.uk/sciencetech/article-1027362/Britains-eco-nightclub-powered-pounding-feet-opens-doors.html (accessed on 17 September 2018).
- Aminzahed, I.; Zhang, Y.; Jabbari, M. Energy harvesting from a five-story building and investigation of frequency effect on output power. Int. J. Interact. Des. Manuf. IJIDeM 2016, 10, 301–308. [Google Scholar] [CrossRef]
- Kan, J.; Ross, R.J.; Wang, X.; Li, W. Energy harvesting from wood floor vibration using a piezoelectric generator. Res. Note FPL–RN–0347 Madison WI US Dep. Agric. For. Serv. For. Prod. Lab. 9 P 2017, 347, 1–7. [Google Scholar]
- Elhalwagy, A.M.; Ghoneem, M.Y.M.; Elhadidi, M. Feasibility Study for Using Piezoelectric Energy Harvesting Floor in Buildings’ Interior Spaces. Energy Procedia 2017, 115, 114–126. [Google Scholar] [CrossRef]
- Yatim, H.M.; Ismail, F.M.; Kosnan, S.E.; Mohammad, Z.; Januddi, F.S.; Bakri, A. A Development of Piezoelectric Model as an Energy Harvester from Mechanical Vibration. Chem. Eng. 2018, 63, 775–780. [Google Scholar]
- Jiang, X.; Li, Y.; Li, J.; Wang, J.; Yao, J. Piezoelectric energy harvesting from traffic-induced pavement vibrations. J. Renew. Sustain. Energy 2014, 6, 043110. [Google Scholar] [CrossRef]
- Rui, L.; Xiao, Y.C.; Pei, J.Z.; Zhao, X.K. The Theoretical Research about the Piezoelectric Materials Generating Capacity on Road. In Applied Mechanics and Materials; Trans Tech Publications Ltd.: Stafa-Zurich, Switzerland, 2014; Volume 470, pp. 807–813. [Google Scholar]
- Abramovich, H.; Harash, E.; Milgrom, C.; Amit, U. Energy Harvesting from Airport Runway. U.S. Patent Application No. 12/353,764, 6 August 2009. [Google Scholar]
- Edery, L.A. Innowattech: Harvesting Energy and Data; A Standalone Technology. In First International Symposium. The Highway to Innovation; Israel National Roads Company, Ltd.: Tel Aviv, Israel, 2010; pp. 64–81. [Google Scholar]
- Sharma, P.; Rajput, S. Sustainable Smart Cities in India: Challenges and Future Perspectives; Springer: Berlin/Heidelberg, Germany, 2017. [Google Scholar]
- Vaishnav, A.; Sarvaiya, M.; Dhabaliya, P. Mathematical Modelling and Comparison of Two Degree of Freedom Suspension System of Quarter Car. Imp. J. Interdiscip. Res. 2016, 2, 128–137. [Google Scholar]
- Sharma, P.; Saluja, N.; Saini, D.; Saini, P. Analysis of automotive passive suspension system with Matlab program generation. Int. J. Adv. Technol. 2013, 4, 115–119. [Google Scholar]
- Jamali, M.S.; Ismail, K.A.; Taha, Z.; Aiman, M.F. Development of Matlab Simulink Model for Dynamics Analysis of Passive Suspension System for Lightweight Vehicle. In Journal of Physics: Conference Series; IOP Publishing: London, UK, 2017; Volume 908, p. 012066. [Google Scholar]
- Florin, A.; Ioan-Cozmin, M.-R.; Liliana, P. Passive suspension modeling using MATLAB, quarter-car model, input signal step type. New Technol. Prod. Mach. Manuf. Technol. 2013, 258–263. [Google Scholar]
- Hassaan, G.A. Car dynamics using quarter model and passive suspension, part i: Effect of suspension damping and car speed. Int. J. Comput. Tech. 2014, 1, 1–9. [Google Scholar]
- Prabhakar, S.; Arunachalam, K. Simulation and analysis of passive suspension system for different road profiles with variable damping and stiffness parameters. J. Chem. Pharm. Sci. 2015, 974, 2115. [Google Scholar]
- Gao, W.; Zhang, N.; Dai, J. A stochastic quarter-car model for dynamic analysis of vehicles with uncertain parameters. Veh. Syst. Dyn. 2008, 46, 1159–1169. [Google Scholar] [CrossRef]
- Salah, M. A Laboratory Automotive Suspension Test Rig: Design, Implementation and Integration. Jordan J. Mech. Ind. Eng. 2017, 11, 67–71. [Google Scholar]
- Mitra, A.C.; Kiranchand, G.R.; Soni, T.; Banerjee, N. Design of experiments for optimization of automotive suspension system using quarter car test rig. Procedia Eng. 2016, 144, 1102–1109. [Google Scholar] [CrossRef]
- Shing, C.; Cheung, K.; Tanveer, O.; Mingzhou, Y. Design, Modelling, and Control of a Quarter-Car Suspension System; University of Hong Kong: Hong Kong, China, 2016. [Google Scholar]
- Jugulkar, L.M.; Singh, S.; Sawant, S.M. Analysis of suspension with variable stiffness and variable damping force for automotive applications. Adv. Mech. Eng. 2016, 8, 1687814016648638. [Google Scholar] [CrossRef]
- Patil, S.A.; Joshi, S.G. Experimental analysis of 2 DOF quarter-car passive and hydraulic active suspension systems for ride comfort. Syst. Sci. Control Eng. Open Access J. 2014, 2, 621–631. [Google Scholar] [CrossRef][Green Version]
- Quanser Innovate and Educate. Active Suspension System—User Manual; Quanser Innovate and Educate: Markham, ON, Canada, 2013. [Google Scholar]
- Gao, W.; Zhang, N.; Du, H.P. A Half-Car Model for Dynamic Analysis of Vehicles with Random Parameters. In Proceedings of the 5th Australasian Congress on Applied Mechanics (ACAM 2007), Brisbane, Australia, 10–12 December 2007; Volume 1, pp. 595–600. [Google Scholar]
- Patel, C.B.; Gohil, P.P.; Borhade, B. Modelling and vibration analysis of a road profile measuring system. Int. J. Automot. Mech. Eng. 2010, 1, 13–28. [Google Scholar] [CrossRef]
- Mehmood, A.; Khan, A.A.; Khan, A.A. Vibration analysis of damping suspension using car models. Int. J. Innov. Sci. Res. 2014, 9, 202–211. [Google Scholar]
- Faheem, A.; Alam, F.; Thomas, V. The Suspension Dynamic Analysis for a Quarter Car Model and Half Car Model. In Proceedings of the 3rd BSME-ASME International Conference on Thermal Engineering, Dhaka, Bangladesh, 20–22 December 2006; pp. 20–22. [Google Scholar]
- Sapiński, B.; Martynowicz, P. Vibration control in a pitch-plane suspension model with MR shock absorbers. J. Theor. Appl. Mech. 2005, 43, 655–674. [Google Scholar]
- Chavan, S.P.; Sawant, S.H.; Tamboli, J.A. Experimental Verification of Passive Quarter Car Vehicle Dynamic System Subjected to Harmonic Road Excitation with Nonlinear Parameters. IOSR J. Mech. Civ. Eng. IOSR-JMCE 2013, 39–45. Available online: https://pdfs.semanticscholar.org/89dc/82329e3c6b175e16f1be992271bbec1e1bcb.pdf (accessed on 17 November 2018).
- Institution, B.S. Guide to Measurement and Evaluation of Human Exposure to Whole-body Mechanical Vibration and Repeated Shock; British Standards Institution: London, UK, 1999. [Google Scholar]
- Mitra, A.; Benerjee, N.; Khalane, H.A.; Sonawane, M.A.; Joshi, D.R.; Bagul, G.R. Simulation and Analysis of Full Car Model for various Road profile on a analytically validated MATLAB/SIMULINK model. IOSR J. Mech. Civ. Eng. IOSR-JMCE 2013, 22–33. Available online: https://pdfs.semanticscholar.org/3276/000fb6203692f697cd326148a0e52450fcc3.pdf (accessed on 11 November 2018).
- Raju, A.B.; Venkatachalam, R. Analysis of Vibrations of Automobile Suspension System Using Full-car Model. Int. J. Sci. Eng. Res. 2013, 4, 2105–2111. [Google Scholar]
- Rajale, R.; Jagtap, K.K.; Ahmednagar, S.C.; Nagarkar, M.P. Mathematical Modelling and Simulation of Full Car Suspension System. Available online: https://www.ijiert.org/admin/papers/1452796794_ICITDCEME-15.pdf (accessed on 13 November 2018).
- Iyer, A.R.; Venkatachalam, R.; Balaraju, A. Analysis of Optimum Suspension Parameters of a Semi-Independently Suspended Automobile. Int. J. Innov. Res. Sci. Eng. Technol. 2014, 3, 12047–12053. [Google Scholar]
- Mahala, K.M.; Gadkari, P.; Deb, A. Mathematical Models for Designing Vehicles for Ride Comfort. In Proceedings of the ICORD 09 2nd International Conference on Research into Design, Bangalore, India, 7–9 January 2009. [Google Scholar]
- EIA. Use of Energy in the United States Explained, Energy Used for Transportation; Independent Statistics and Analysis: Washington, DC, USA, 2019. Available online: https://www.eia.gov/energyexplained/?page=us_energy_transportation#tab1 (accessed on 15 September 2018).
- Zhang, P.S. Design of Electromagnetic Shock Absorbers for Energy Harvesting from Vehicle Suspensions. Master’s Thesis, The Graduate School in Mechanical Engineering Department, Stony Brook University, Stony Brook, NY, USA, 2010. [Google Scholar]
- Velinsky, S.A.; White, R.A. Vehicle energy dissipation due to road roughness. Veh. Syst. Dyn. 1980, 9, 359–384. [Google Scholar] [CrossRef]
- Wei, C.; Taghavifar, H. A novel approach to energy harvesting from vehicle suspension system: Half-vehicle model. Energy 2017, 134, 279–288. [Google Scholar] [CrossRef]
- Jacota, V.-G. Evaluation the Dissipated Energy by the Automobile Dampers. In Proceedings of the International Conference and Exhibition on Automobile Engineering, Valencia, Spain, 1–2 September 2015. [Google Scholar]
- Abdelkareem, M.A.; Xu, L.; Ali, M.K.A.; Hassan, M.A.; Elagouz, A.; Zou, J. On-field Measurements of the Dissipated Vibrational Power of an SUV car Traditional Viscous Shock Absorber. In Proceedings of the ASME 2018 International Design Engineering Technical Conferences and Computers and Information in Engineering Conference, Quebec City, QC, Canada, 26–29 August 2018; p. V003T01A010. [Google Scholar]
- Segel, L.; Lu, X. Vehicular resistance to motion as influenced by road roughness and highway alignment. Aust. Road Res. 1982, 12, 211–222. [Google Scholar]
- Zuo, L.; Zhang, P.-S. Energy harvesting, ride comfort, and road handling of regenerative vehicle suspensions. J. Vib. Acoust. 2013, 135, 011002. [Google Scholar] [CrossRef]
- Xiao, H.; Wang, X.; John, S. A dimensionless analysis of a 2DOF piezoelectric vibration energy harvester. Mech. Syst. Signal Process. 2015, 58, 355–375. [Google Scholar] [CrossRef]
- Al-Yafeai, D.; Darabseh, T.; Mourad, A.-H.I. Quarter vs. Half Car Model Energy Harvesting Systems. In Proceedings of the 2019 Advances in Science and Engineering Technology International Conferences (ASET), Dubai, UAE, 26 March–10 April 2019; pp. 1–5. [Google Scholar]
- Lafarge, B.; Grondel, S.; Delebarre, C.; Cattan, E. A validated simulation of energy harvesting with piezoelectric cantilever beams on a vehicle suspension using Bond Graph approach. Mechatronics 2018, 53, 202–214. [Google Scholar] [CrossRef]
- Behera, M.M. Piezoelectric Energy Harvesting from Vehicle Wheels. Int. J. Eng. Res. Technol. 2015, 4, 1–4. [Google Scholar]
- Gu, L.; Livermore, C. Passive self-tuning energy harvester for extracting energy from rotational motion. Appl. Phys. Lett. 2010, 97, 081904. [Google Scholar] [CrossRef]
- Hu, Y.; Xu, C.; Zhang, Y.; Lin, L.; Snyder, R.L.; Wang, Z.L. A Nanogenerator for Energy Harvesting from a Rotating Tire and its Application as a Self-Powered Pressure/Speed Sensor. Adv. Mater. 2011, 23, 4068–4071. [Google Scholar] [CrossRef]
- Zhang, Y.; Zheng, R.; Shimono, K.; Kaizuka, T.; Nakano, K. Effectiveness testing of a piezoelectric energy harvester for an automobile wheel using stochastic resonance. Sensors 2016, 16, 1727. [Google Scholar] [CrossRef]
- Consortium, A. Intelligent Tyre for Accident-Free Traffic; Technical Research Centre of Finland VTT: Espoo, Finland, 2003. [Google Scholar]
- Lee, H.; Jang, H.; Park, J.; Jeong, S.; Park, T.; Choi, S. Design of a piezoelectric energy-harvesting shock absorber system for a vehicle. Integr. Ferroelectr. 2013, 141, 32–44. [Google Scholar] [CrossRef]
- Lafarge, B.; Delebarre, C.; Grondel, S.; Curea, O.; Hacala, A. Analysis and optimization of a piezoelectric harvester on a car damper. Phys. Procedia 2015, 70, 970–973. [Google Scholar] [CrossRef]
- Ali, S.F.; Adhikari, S. Energy harvesting dynamic vibration absorbers. J. Appl. Mech. 2013, 80, 041004. [Google Scholar] [CrossRef]
- Madhav, C.; Ali, S.F. Harvesting energy from vibration absorber under random excitations. IFAC-PapersOnLine 2016, 49, 807–812. [Google Scholar] [CrossRef]
- Arizti, M. Harvesting Energy from Vehicle Suspension. Master’s Thesis, Mechanical Engineering, Tampereen University, Tampereen, Finland, 2010. [Google Scholar]
- Hendrowati, W.; Guntur, H.L.; Sutantra, I.N. Design, modeling and analysis of implementing a multilayer piezoelectric vibration energy harvesting mechanism in the vehicle suspension. Engineering 2012, 4, 728. [Google Scholar] [CrossRef]
- Múčka, P. Energy-harvesting potential of automobile suspension. Veh. Syst. Dyn. 2016, 54, 1651–1670. [Google Scholar] [CrossRef]
- Abdelkareem, M.A.; Xu, L.; Ali, M.K.; Elagouz, A.; Mi, J.; Guo, S.; Liu, Y.; Zuo, L. Vibration energy harvesting in automotive suspension system: A detailed review. Appl. Energy 2018, 229, 672–699. [Google Scholar] [CrossRef]
- Zhang, R.; Wang, X.; John, S. A comprehensive review of the techniques on regenerative shock absorber systems. Energies 2018, 11, 1167. [Google Scholar] [CrossRef]
- Eriksson, J.; Piroti, S. Review of Methods for Energy Harvesting from a Vehicle Suspension System. Available online: http://www.diva-portal.org/smash/record.jsf?pid=diva2%3A1182890&dswid=6114 (accessed on 24 December 2016).
- Jin-qiu, Z.; Zhi-zhao, P.; Lei, Z.; Yu, Z. A review on Energy-Regenerative Suspension Systems for Vehicles. In Proceedings of the World Congress on Engineering, London, UK, 3–5 July 2013; Volume 3, pp. 3–5. [Google Scholar]
- Amer, N.H.; Ramli, R.; Isa, H.M.; Mahadi, W.N.L.; Abidin, M.A.Z. A review of energy regeneration capabilities in controllable suspension for passengers’ car. Energy Educ. Sci. Technol. Energy Sci. Res. 2012, 30, 143–158. [Google Scholar]
- Sodano, H.A.; Inman, D.J.; Park, G. Comparison of piezoelectric energy harvesting devices for recharging batteries. J. Intell. Mater. Syst. Struct. 2005, 16, 799–807. [Google Scholar] [CrossRef]
- Priya, S. Advances in energy harvesting using low profile piezoelectric transducers. J. Electroceram. 2007, 19, 167–184. [Google Scholar] [CrossRef]
- Guan, M.J.; Liao, W.H. On the efficiencies of piezoelectric energy harvesting circuits towards storage device voltages. Smart Mater. Struct. 2007, 16, 498. [Google Scholar] [CrossRef]
- Ottman, G.; Bhatt, A.; Hofmann, H.; Lesieutre, G. Adaptive Piezoelectric Energy Harvesting Circuit for Wireless, Remote Power Supply. In Proceedings of the 2002 19th AIAA Applied Aerodynamics Conference, Anaheim, CA, USA, 11–14 June 2001; p. 1505. [Google Scholar]
- Ottman, G.K.; Hofmann, H.F.; Lesieutre, G.A. Optimized piezoelectric energy harvesting circuit using step-down converter in discontinuous conduction mode. IEEE Trans. Power Electron. 2003, 18, 696–703. [Google Scholar] [CrossRef]
- Dwari, S.; Parsa, L. An efficient AC–DC step-up converter for low-voltage energy harvesting. IEEE Trans. Power Electron. 2010, 25, 2188–2199. [Google Scholar] [CrossRef]
- Peters, C.; Handwerker, J.; Maurath, D.; Manoli, Y. A sub-500 mV highly efficient active rectifier for energy harvesting applications. IEEE Trans. Circuits Syst. Regul. Pap. 2011, 58, 1542–1550. [Google Scholar] [CrossRef]
- Ramadass, Y.K.; Chandrakasan, A.P. An efficient piezoelectric energy harvesting interface circuit using a bias-flip rectifier and shared inductor. IEEE J. Solid-State Circuits 2010, 45, 189–204. [Google Scholar] [CrossRef]
- Lefeuvre, E.; Audigier, D.; Richard, C.; Guyomar, D. Buck-boost converter for sensorless power optimization of piezoelectric energy harvester. IEEE Trans. Power Electron. 2007, 22, 2018–2025. [Google Scholar] [CrossRef]
- Kong, N.A.; Ha, D.S.; Erturk, A.; Inman, D.J. Resistive impedance matching circuit for piezoelectric energy harvesting. J. Intell. Mater. Syst. Struct. 2010, 21, 1293–1302. [Google Scholar] [CrossRef]
- Guyomar, D.; Sebald, G.; Pruvost, S.; Lallart, M.; Khodayari, A.; Richard, C. Energy harvesting from ambient vibrations and heat. J. Intell. Mater. Syst. Struct. 2009, 20, 609–624. [Google Scholar] [CrossRef]
- Lefeuvre, E.; Badel, A.; Richard, C.; Guyomar, D. Piezoelectric energy harvesting device optimization by synchronous electric charge extraction. J. Intell. Mater. Syst. Struct. 2005, 16, 865–876. [Google Scholar] [CrossRef]
- Umeda, M.; Nakamura, K.; Ueha, S. Energy storage characteristics of a piezo-generator using impact induced vibration. Jpn. J. Appl. Phys. 1997, 36, 3146. [Google Scholar] [CrossRef]
- Kasyap, A.V.S.; Lim, J.; Johnson, D.; Horowitz, S.; Nishida, T.; Ngo, K.; Cattafesta, L. Energy Reclamation from a Vibrating Piezoceramic Composite Beam. In Proceedings of the 9th International Congress on Sound and Vibration, Orlando, FL, USA, 8–11 July 2002; Volume 9, pp. 36–43. [Google Scholar]
- Starner, T. Human-powered wearable computing. IBM Syst. J. 1996, 35, 618–629. [Google Scholar] [CrossRef]
- Elvin, N.G.; Elvin, A.A.; Spector, M. A self-powered mechanical strain energy sensor. Smart Mater. Struct. 2001, 10, 293. [Google Scholar] [CrossRef]
- Sodano, H.A.; Magliula, E.A.; Park, G.; Inman, D.J. Electric Power Generation from Piezoelectric Materials. In 13th International Conference on Adaptive Structures and Technologies; CRC Press: Boca Raton, FL, USA, 2002; pp. 7–9. [Google Scholar]
- Chen, H.; Cong, T.N.; Yang, W.; Tan, C.; Li, Y.; Ding, Y. Progress in electrical energy storage system: A critical review. Prog. Nat. Sci. 2009, 19, 291–312. [Google Scholar] [CrossRef]
- Casciati, F.; Faravelli, L.; Rossi, R. Architecture Optimization for Wireless Sensor Networks. In Smart Structures and Materials 2005: Sensors and Smart Structures Technologies for Civil, Mechanical, and Aerospace Systems; International Society for Optics and Photonics: Bellingham, WA, USA, 2005; Volume 5765, pp. 253–258. [Google Scholar]
- Jiang, X.; Polastre, J.; Culler, D. Perpetual Environmentally Powered Sensor Networks. In Proceedings of the 4th International Symposium on Information Processing in Sensor Networks, Boise, ID, USA, 15 April 2005; p. 65. [Google Scholar]
- Zhao, Z.; Wang, S.; You, C. Piezoelectric micro-power generation to charge supercapacitor with optimized duty cycle. J. Intell. Mater. Syst. Struct. 2010, 21, 1131–1140. [Google Scholar] [CrossRef]
- Li, H.; Tian, C.; Deng, Z.D. Energy harvesting from low frequency applications using piezoelectric materials. Appl. Phys. Rev. 2014, 1, 041301. [Google Scholar] [CrossRef]
- Guan, M.J.; Liao, W.-H. Characteristics of energy storage devices in piezoelectric energy harvesting systems. J. Intell. Mater. Syst. Struct. 2008, 19, 671–680. [Google Scholar] [CrossRef]
- Kötz, R.; Carlen, M. Principles and applications of electrochemical capacitors. Electrochim. Acta 2000, 45, 2483–2498. [Google Scholar] [CrossRef]
- Halper, M.S.; Ellenbogen, J.C. Supercapacitors: A Brief Overview; MITRE Nanosystems Group: Bedford, MA, USA, 2006; pp. 1–34. [Google Scholar]
- Tolentino, I.M.; Talampas, M.R. Design, Development, and Evaluation of a Self-Powered GPS Tracking System for Vehicle Security. In Proceedings of the 2012 IEEE SENSORS, Taipei, Taiwan, 28–31 October 2012; pp. 1–4. [Google Scholar]
- Singh, I. Piezoelectric Energy Generating Roads Proposed for California. Available online: https://inhabitat.com/piezoelectric-energy-generating-roads-proposed-for-california/ (accessed on 14 February 2011).
- Inhabitate. Researchers Roll out Energy Generating Roads. Available online: https://inhabitat.com/energy-generating-roads-by-innowattech/ (accessed on 16 December 2008).
- Zhao, Z.; Wang, T.; Shi, J.; Zhang, B.; Zhang, R.; Li, M.; Wen, Y. Analysis and application of the piezoelectric energy harvester on light electric logistics vehicle suspension systems. Energy Sci. Eng. 2019. [Google Scholar] [CrossRef]
- Ksrmce, K. Piezoelectric Power Generation in Tires. In Proceedings of the Smart Materials & Structures/NDT in Aerospace/NDT in Canada, Montreal, QC, Canada, 2–4 November 2011. [Google Scholar]
- Piyush, P.; Pandey, A. Use of Vibration Energy for Charging Electric Car. Int. J. Mech. Eng. Technol. 2016, 7, 59–65. [Google Scholar]
- Walubita, L.F.; Djebou, S.; Clement, D.; Faruk, A.N.; Lee, S.I.; Dessouky, S.; Hu, X. Prospective of societal and environmental benefits of piezoelectric technology in road energy harvesting. Sustainability 2018, 10, 383. [Google Scholar] [CrossRef]
- Elgandor, E.; Kolkailah, F.A.; Mourad, A.-I. Sensors Location Effect on the Dynamic Behavior of the Composite Structure with Flaw Detection. In Proceedings of the 44th International SAMPE (Society for the Advancement of Material and Process Engineering) Symposium and Exhibition, Long Beach, CA, USA, 23–27 May 1999; pp. 358–439. [Google Scholar]
































| Energy Source | Power Density (µW/cm3) |
|---|---|
| Solar (outdoors) | 15,000-direct sun, 150-cloudy day |
| Solar (indoors) | 6-office desk |
| Vibrations (piezoelectric conversion) | 250 |
| Vibrations (electrostatic conversion) | 50 |
| Acoustic noise | 0.003 at 75 dB, 0.96 at 100 dB |
| Temperature gradient | 15 at 10 °C gradient |
| Type | Advantages | Disadvantages |
|---|---|---|
| Electromagnetic |
|
|
| Piezoelectric |
|
|
| Electrostatic |
|
|
| Parameter | 31 Mode | 33 Mode |
|---|---|---|
| Electrode area (mm2) | 2.88 | 0.154 |
| Electrode gap (µm) | 1 | 12 |
| Volume of piezoelectric layer (mm3) | 0.00288 | 0.00205 |
| Output power (µW) | 2.15 | 2.23 |
| Power density (µWg−2mm−3) | 8.09 | 8.39 |
| Joint/Motion | Power (W) | Work (J/step) |
|---|---|---|
| Foot strike | 2–20 | 1–5 |
| Ankle | 66.8 | 33.4 |
| Knee | 36.4 | 18.2 |
| Hip | 38 | 8.96 |
| Elbow | 2.1 | 1.07 |
| Weighted RMS of Vertical Acceleration (m/s2) | Acceptability |
|---|---|
| >0.315 | Not uncomfortable |
| 0.315–0.63 | A little uncomfortable |
| 0.5–1 | Fairly uncomfortable |
| 0.8–1.6 | Uncomfortable |
| 1.25–2.5 | Very uncomfortable |
| <2 | Extremely uncomfortable |
| References | Type of Piezo | Location of Piezo | DOF | Road Input | Excitation Speed/Acceleration/Frequency | Harvested Voltage | Harvested Power /Power Density | Dissipated Power |
|---|---|---|---|---|---|---|---|---|
| Xiao et al. [114] | PZT | Parallel with the suspension springs | 2 DOF | Harmonic | 1.45 Hz | 274.62 V | 2.48 W | NA |
| Al-Yafeai et al. [115] | PZT | Parallel with the suspension springs | 4 DOF | Harmonic | 1.45 Hz | 486 V | 3.9 W | NA |
| Xie and Wang [30] | PZT 4 bar | On suspension wheels | 2 DOF | Random rough road classes of B, C, & D | 35 km/h | NA | NA | Class B: 40 W Class C: 162 W Class D: 652 W |
| Lafarge et al. [116] | Cantilever beam made of two PZT 27 layers | Embedded to the wheels | 2 DOF | Random rough road | Experimental test: 91 Hz Simulation: 30 km/h Real test: 10 km/h & 30 km/h | Experiment: 13 V Simulation: 2 V Real test: @10 km/h: 1–2 V @30 km/h: 2–3 V | Experiment: 1.4 mW Simulation: 0.02 W Real test: @10 km/h: 0.001–0.021 mW @30 km/h: 0.01–0.07 mW | NA |
| Behera [117] | 32 PZT-5A arranged in three strips | Inner tires’ circumference | NA | NA | 40 km/h | NA | 14 mW | NA |
| Hu et al. [119] | piezoelectric films bender | Inner surface of the tire | NA | NA | 30 m/s2 | 1.5 V | 70 µW/cm2 | NA |
| Zhang et al. [120] | Cantilever of ultrathin uni-morph ceramic piezoelectric | Center of the tire | NA | Random on road noise | Experimental test: 6 Hz Real test: 20 km/h | NA | Experimental lab. test: 0.032 mW Real car test: 0.017 mW | NA |
| Apollo project [121] | PVDF | Inner tire surface | NA | NA | 80 km/h | NA | 0.9 mW | NA |
| Makki and Pop-Iliev [53] | - PZT unimorph bender - PVDF thin sheet - PVDF ribbon | Inner tire | NA | NA | 9 km/h |
|
| NA |
| Lee et al. [122] | Two parallel plated of PZT 4 | Shock absorber | 1 DOF | NA | 10 Hz | 20 V | 1.2 mW | NA |
| Lafarge et al. [123] | PZT 5H | Shock absorber on two modes: d31 and d33 | 2 DOF | 30 km/h | NA | NA | Mode d33: 6 mW Mode d31: 3 mW | NA |
| Ali and Adhhikari [124] | Piezoelectric stack | Shock absorber | 2 DOF | sinusoidal excitation | NA | NA | 6.5 (normalized power) | NA |
| Madhav and Ali [125] | Piezoelectric stack | Shock absorber | 2 DOF | Random excitation | NA | NA | 2.4 (normalized power) | NA |
| Arizti [126] | PZT stack | Shock absorber | NA | NA | NA | 17.69 mV | NA | NA |
| Hendrowati et al. [127] | PZT stack | Series with the suspension’s spring | Quarter car model (2 DOF) | Harmonic excitation | 43.2 km/h | 6.23 V | 1.6 mW | NA |
© 2020 by the authors. Licensee MDPI, Basel, Switzerland. This article is an open access article distributed under the terms and conditions of the Creative Commons Attribution (CC BY) license (http://creativecommons.org/licenses/by/4.0/).
Share and Cite
Al-Yafeai, D.; Darabseh, T.; I. Mourad, A.-H. A State-Of-The-Art Review of Car Suspension-Based Piezoelectric Energy Harvesting Systems. Energies 2020, 13, 2336. https://doi.org/10.3390/en13092336
Al-Yafeai D, Darabseh T, I. Mourad A-H. A State-Of-The-Art Review of Car Suspension-Based Piezoelectric Energy Harvesting Systems. Energies. 2020; 13(9):2336. https://doi.org/10.3390/en13092336
Chicago/Turabian StyleAl-Yafeai, Doaa, Tariq Darabseh, and Abdel-Hamid I. Mourad. 2020. "A State-Of-The-Art Review of Car Suspension-Based Piezoelectric Energy Harvesting Systems" Energies 13, no. 9: 2336. https://doi.org/10.3390/en13092336
APA StyleAl-Yafeai, D., Darabseh, T., & I. Mourad, A.-H. (2020). A State-Of-The-Art Review of Car Suspension-Based Piezoelectric Energy Harvesting Systems. Energies, 13(9), 2336. https://doi.org/10.3390/en13092336

