An MPC-Sliding Mode Cascaded Control Architecture for PV Grid-Feeding Inverters
Abstract
1. Introduction
- The control structure is complicated due to multiple feedback loops and feedforward actions;
- The tuning procedure of PID regulators parameters is time consuming and normally performed with trial-and-error methods;
- Linear control can be ineffective because the fluctuating output from renewable energy sources can cause a fluctuating output in DC bus voltage and, consequently, a deterioration in the power quality on the AC-side.
- A simpler control structure, avoiding multiple feedback loops and feedforward actions;
- An easier tuning procedure due to the intrinsic operation of MPC and HOSM regulators;
- Improvements in the dynamics of the systems in terms of settling time, oscillations, overshoots and decoupling between control channels.
2. Photovoltaic Unit Modelling
2.1. DC-Side Dynamic Equations
2.2. AC-Side Dynamic Equations
3. Conventional Grid-Feeding PV Inverter Control Scheme
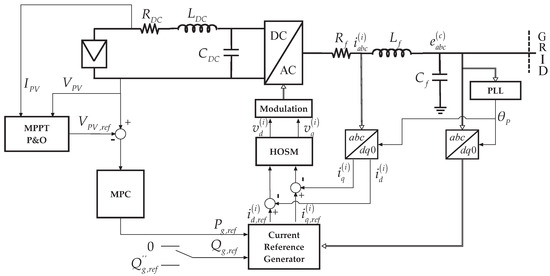
4. Control System Design
4.1. MPC Controller Design
4.2. HOSM Controller Design
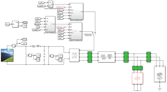
5. Simulation Results
6. Conclusions
Author Contributions
Funding
Conflicts of Interest
References
- IEEE. IEEE standard for interconnection and interoperability of distributed energy resources with associated electrical power systems interfaces. IEEE Std. 2018. [Google Scholar] [CrossRef]
- Fusero, M.; Tuckey, A.; Rosini, A.; Serra, P.; Procopio, R.; Bonfiglio, A. A Comprehensive Inverter-BESS Primary Control for AC Microgrids. Energies 2019, 12, 3810. [Google Scholar] [CrossRef]
- Bonfiglio, A.; Delfino, F.; Invernizzi, M.; Labella, A.; Mestriner, D.; Procopio, R.; Serra, P. Approximate characterization of large Photovoltaic power plants at the Point of Interconnection. In Proceedings of the 2015 50th International Universities Power Engineering Conference (UPEC), Stoke on Trent, UK, 1–4 September 2015; pp. 1–5. [Google Scholar]
- Gonzalez-Longatt, F.M.; Bonfiglio, A.; Procopio, R.; Verduci, B. Evaluation of inertial response controllers for full-rated power converter wind turbine (Type 4). In Proceedings of the 2016 IEEE Power and Energy Society General Meeting (PESGM), Boston, MA, USA, 17–21 July 2016; pp. 1–5. [Google Scholar]
- Bonfiglio, A.; Invernizzi, M.; Labella, A.; Procopio, R. Design and Implementation of a Variable Synthetic Inertia Controller for Wind Turbine Generators. IEEE Trans. Power Syst. 2019, 34, 754–764. [Google Scholar] [CrossRef]
- Delfino, B.; Fornari, F.; Procopio, R. An effective SSC control scheme for voltage sag compensation. IEEE Trans. Power Deliv. 2005, 20, 2100–2107. [Google Scholar] [CrossRef]
- Fornari, F.; Procopio, R.; Bollen, M.H.J. SSC compensation capability of unbalanced voltage sags. IEEE Trans. Power Deliv. 2005, 20, 2030–2037. [Google Scholar] [CrossRef]
- Bendato, I.; Bonfiglio, A.; Brignone, M.; Delfino, F.; Pampararo, F.; Procopio, R.; Rossi, M. Design criteria for the optimal sizing of integrated photovoltaic-storage systems. Energy 2018, 149, 505–515. [Google Scholar] [CrossRef]
- Rocabert, J.; Luna, A.; Blaabjerg, F.; Rodríguez, P. Control of Power Converters in AC Microgrids. IEEE Trans. Power Electron. 2012, 27, 4734–4749. [Google Scholar] [CrossRef]
- Bonfiglio, A.; Brignone, M.; Delfino, F.; Invernizzi, M.; Pampararo, F.; Procopio, R. A technique for the optimal control and operation of grid-connected photovoltaic production units. In Proceedings of the 2012 47th International Universities Power Engineering Conference (UPEC), London, UK, 4–7 September 2012; pp. 1–6. [Google Scholar]
- Kiam Heong, A.; Chong, G.; Yun, L. PID control system analysis, design, and technology. IEEE Trans. Control Syst. Technol. 2005, 13, 559–576. [Google Scholar] [CrossRef]
- Hans, C.A.; Braun, P.; Raisch, J.; Grune, L.; Reincke-Collon, C. Hierarchical Distributed Model Predictive Control of Interconnected Microgrids. IEEE Trans. Sustain. Energy 2018. [Google Scholar] [CrossRef]
- Zheng, Y.; Li, S.; Tan, R. Distributed Model Predictive Control for On-Connected Microgrid Power Management. IEEE Trans. Control Syst. Technol. 2018, 26, 1028–1039. [Google Scholar] [CrossRef]
- Morstyn, T.; Hredzak, B.; Aguilera, R.P.; Agelidis, V.G. Model Predictive Control for Distributed Microgrid Battery Energy Storage Systems. IEEE Trans. Control Syst. Technol. 2018, 26, 1107–1114. [Google Scholar] [CrossRef]
- Bella, A.L.; Cominesi, S.R.; Sandroni, C.; Scattolini, R. Hierarchical Predictive Control of Microgrids in Islanded Operation. IEEE Trans. Autom. Sci. Eng. 2017, 14, 536–546. [Google Scholar] [CrossRef]
- Golsorkhi, M.S.; Lu, D.D.-C. A decentralized control method for islanded microgrids under unbalanced conditions. IEEE Trans. Power Deliv. 2016, 31, 1112–1121. [Google Scholar] [CrossRef]
- Babqi, A.J.; Etemadi, A.H. MPC-based microgrid control with supplementary fault current limitation and smooth transition mechanisms. IET Gener. Transm. Distrib. 2017, 11, 2164–2172. [Google Scholar] [CrossRef]
- Shan, Y.; Hu, J.; Li, Z.; Guerrero, J.M. A Model Predictive Control for Renewable Energy Based AC Microgrids Without Any PID Regulators. IEEE Trans. Power Electron. 2018, 33, 9122–9126. [Google Scholar] [CrossRef]
- Blanco, F.; Labella, A.; Mestriner, D.; Rosini, A. Model Predictive Control for Primary Regulation of Islanded Microgrids. In Proceedings of the 2018 IEEE International Conference on Environment and Electrical Engineering and 2018 IEEE Industrial and Commercial Power Systems Europe (EEEIC/I&CPS Europe), Palermo, Italy, 12–15 June 2018; pp. 1–6. [Google Scholar]
- Bonfiglio, A.; Invernizzi, M.; Lanzarotto, D.; Palmieri, A.; Procopio, R. Definition of a sliding mode controller accounting for a reduced order model of gas turbine set. In Proceedings of the 2017 52nd International Universities Power Engineering Conference (UPEC), Heraklion, Greece, 28–31 August 2017; pp. 1–6. [Google Scholar]
- Bonfiglio, A.; Cacciacarne, S.; Invernizzi, M.; Lanzarotto, D.; Palmieri, A.; Procopio, R. A Sliding Mode Control Approach for Gas Turbine Power Generators. IEEE Trans. Energy Convers. 2019, 34, 921–932. [Google Scholar] [CrossRef]
- Slotine, J.-J.E.; Li, W. Applied Nonlinear Control; Prentice Hall: Englewood Cliffs, NJ, USA, 1991; Volume 199. [Google Scholar]
- Brignone, M.; Invernizzi, M.; Lanzarotto, D.; Palmieri, A. Some Analytical Remarks on Sliding Mode Control for Multi-Input Multi-Output Nonlinear Systems. In Proceedings of the 2018 IEEE International Conference on Environment and Electrical Engineering and 2018 IEEE Industrial and Commercial Power Systems Europe (EEEIC/I&CPS Europe), Palermo, Italy, 12–15 June 2018; pp. 1–6. [Google Scholar]
- Palmieri, A.; Procopio, R.; Bonfiglio, A.; Brignone, M.; Invernizzi, M.; Morini, A.; Veselic, B.J.M. Tuning and Feasibility Analysis of Classical First-Order MIMO Non-Linear Sliding Mode Control Design for Industrial Applications. Machines 2019, 7, 10. [Google Scholar] [CrossRef]
- Aghatehrani, R.; Kavasseri, R. Sensitivity-Analysis-Based Sliding Mode Control for Voltage Regulation in Microgrids. IEEE Trans. Sustain. Energy 2013, 4, 50–57. [Google Scholar] [CrossRef]
- Sofla, M.A.; Gharehpetian, G.B. Dynamic performance enhancement of microgrids by advanced sliding mode controller. Int. J. Electr. Power Energy Syst. 2011, 33, 1–7. [Google Scholar] [CrossRef]
- Petkova, M.; Antchev, M.; Gourgoulitsov, V.; Bartoszewicz, A. Investigation of Single-Phase Inverter and Single-Phase Series Active Power Filter with Sliding Mode Control. Sliding Mode Control 2011, 25–44. [Google Scholar] [CrossRef]
- Liu, Y.; Zhang, Q.; Wang, C.; Wang, N.J.E.P. A control strategy for microgrid inverters based on adaptive three-order sliding mode and optimized droop controls. Electr. Power Syst. Res. 2014, 117, 192–201. [Google Scholar] [CrossRef]
- Incremona, G.P.; Cucuzzella, M.; Ferrara, A. Adaptive suboptimal second-order sliding mode control for microgrids. Int. J. Control 2016, 89, 1849–1867. [Google Scholar] [CrossRef]
- Cucuzzella, M.; Incremona, G.P.; Ferrara, A. Design of Robust Higher Order Sliding Mode Control for Microgrids. IEEE J. Emerg. Sel. Top. Circuits Syst. 2015, 5, 393–401. [Google Scholar] [CrossRef]
- Palmieri, A.; Oliveri, A. Decentralized Second Order Sliding Mode Controller For A Storage Unit In Islanded Microgrids. In Proceedings of the 2019 IEEE International Conference on Environment and Electrical Engineering and 2019 IEEE Industrial and Commercial Power Systems Europe (EEEIC/I&CPS Europe), Genova, Italy, 11–14 June 2019; pp. 1–5. [Google Scholar]
- Boke, U. A simple model of photovoltaic module electric characteristics. In Proceedings of the 2007 European Conference on Power Electronics and Applications, Aalborg, Denmark, 2–5 September 2007; pp. 1–8. [Google Scholar]
- Bordons, C.; Camacho, E. Model Predictive Control; Springer Verlag London Limited: Berlin, Germany, 2007. [Google Scholar]
- Bonfiglio, A.; Cantoni, F.; Oliveri, A.; Procopio, R.; Rosini, A.; Invernizzi, M.; Storace, M. An MPC-Based Approach for Emergency Control Ensuring Transient Stability in Power Grids With Steam Plants. IEEE Trans. Ind. Electron. 2019, 66, 5412–5422. [Google Scholar] [CrossRef]
- Bartolini, G.; Ferrara, A.; Usai, E.; Utkin, V.I. On multi-input chattering-free second-order sliding mode control. IEEE Trans. Autom. Control 2000, 45, 1711–1717. [Google Scholar] [CrossRef]
- Bonfiglio, A.; Brignone, M.; Invernizzi, M.; Labella, A.; Mestriner, D.; Procopio, R. A Simplified Microgrid Model for the Validation of Islanded Control Logics. Energies 2017, 10, 1141. [Google Scholar] [CrossRef]



















| DC Side & PV Unit Data (at T = 25 °C and α = 1000 W/m2) | AC Side & Filter Data | ||
|---|---|---|---|
| 72 kW | 400 V | ||
| 902 V | 50 Hz | ||
| 0.15 Ω | 0.11 Ω | ||
| 5 mH | 4.7 mH | ||
| 940 μF | 10 μF | ||
| MPC Parameters | HOSM Parameters | ||
|---|---|---|---|
| Q | Diag (2 × 107, 0, 0, 0,0) | 104 V/As | |
| R | 10−5 | 3000 V/As | |
| N | 3 | ||
| 500 µs | |||
| DC PID Regulator | AC PID Regulators | |
|---|---|---|
| Proportional Gain | 1 A/V | 3.5 V/A |
| Integral Gain | 100 A/(Vs) | 270 V/(As) |
© 2020 by the authors. Licensee MDPI, Basel, Switzerland. This article is an open access article distributed under the terms and conditions of the Creative Commons Attribution (CC BY) license (http://creativecommons.org/licenses/by/4.0/).
Share and Cite
Palmieri, A.; Rosini, A.; Procopio, R.; Bonfiglio, A. An MPC-Sliding Mode Cascaded Control Architecture for PV Grid-Feeding Inverters. Energies 2020, 13, 2326. https://doi.org/10.3390/en13092326
Palmieri A, Rosini A, Procopio R, Bonfiglio A. An MPC-Sliding Mode Cascaded Control Architecture for PV Grid-Feeding Inverters. Energies. 2020; 13(9):2326. https://doi.org/10.3390/en13092326
Chicago/Turabian StylePalmieri, Alessandro, Alessandro Rosini, Renato Procopio, and Andrea Bonfiglio. 2020. "An MPC-Sliding Mode Cascaded Control Architecture for PV Grid-Feeding Inverters" Energies 13, no. 9: 2326. https://doi.org/10.3390/en13092326
APA StylePalmieri, A., Rosini, A., Procopio, R., & Bonfiglio, A. (2020). An MPC-Sliding Mode Cascaded Control Architecture for PV Grid-Feeding Inverters. Energies, 13(9), 2326. https://doi.org/10.3390/en13092326

