Research on Serial VSC-LCC Hybrid HVdc Control Strategy and Filter Design Scheme
Abstract
1. Introduction
2. Hybrid HVdc Topology and Mathematical Model
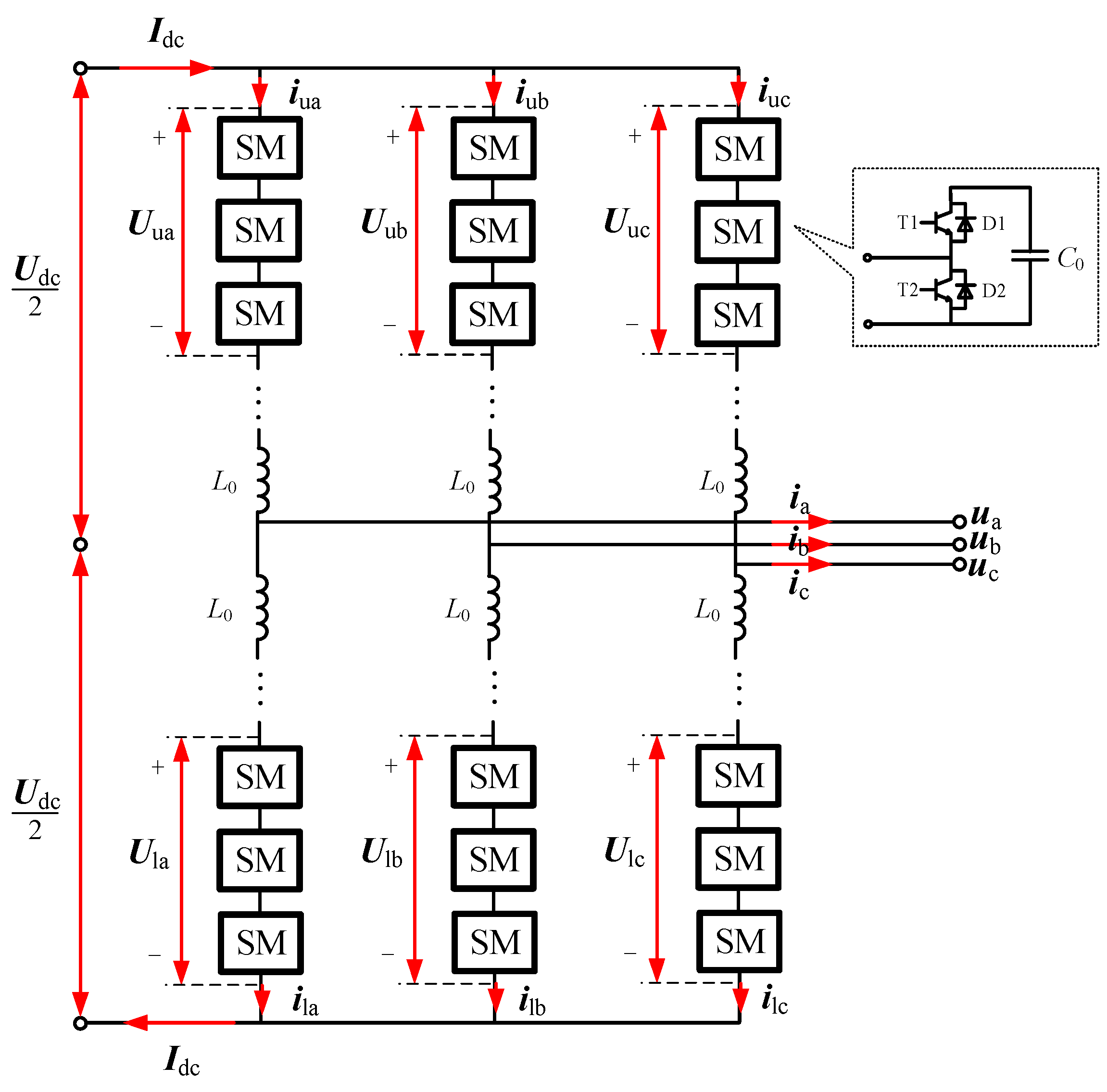
2.1. Hybrid HVdc Topology
2.2. LCC Mathematical Model
2.3. VSC Mathematical Model
3. Hybrid HVdc Control Strategy
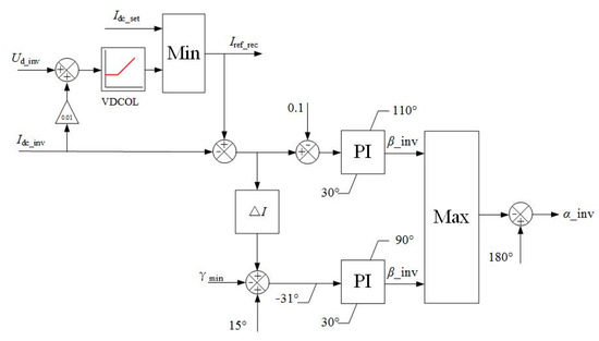
3.1. LCC Rectifier and Inverter Control Strategy
3.2. VSC Control Strategy
4. Filter Design Scheme Based on Resonant Filter and Influences of SCR
4.1. Cigre Benchmark Filter Scheme
4.2. Filter Scheme Based on Resonant Filter
4.3. Influences of Connected ac System SCR
5. Simulation
5.1. Serial Hybrid HVdc Start-Up
5.2. Serial Hybrid HVdc Poposed Scheme Comparison with Cigre Benchmark Filter Scheme
5.3. Serial Hybrid HVdc with Different SCR System Connection
6. Conclusions
Author Contributions
Funding
Conflicts of Interest
References
- Li, G.; Liang, J.; Joseph, T.; An, T.; Lu, J.; Szechtman, M.; Andersen, B.R.; Zhuang, Q. Feasibility and Reliability Analysis of LCC DC Grids and LCC/VSC Hybrid DC Grids. IEEE Access 2019, 7, 22445–22456. [Google Scholar] [CrossRef]
- Barnes, M.; Van Hertem, D.; Teeuwsen, S.P.; Callavik, M. HVdc Systems in Smart Grids. Proc. IEEE 2017, 105, 2082–2098. [Google Scholar] [CrossRef]
- Pang, H.; Wei, X. Research on Key Technology and Equipment for Zhangbei 500kV DC Grid. In Proceedings of the 2018 International Power Electronics Conference (IPEC 2018 ECCE Asia), Niigata, Japan, 20–24 May 2018; pp. 2343–2351. [Google Scholar]
- Rao, H.; Zhou, Y.; Xu, S.; Cai, X.; Cao, W.; Xu, Y.; Ren, C. Key technologies of ultra-high voltage hybrid LCC-VSC MTDC systems. CSEE J. Power Energy Syst. 2019, 5, 365–373. [Google Scholar] [CrossRef]
- Liu, S.; Yu, J.; He, Z.; Liu, Z. Research on Topology and Characteristic of Multi-termial HVdc Based on VSC and LCC. Proc. CSEE 2018, 38, 2980–2990. [Google Scholar]
- Lebre, J.; Portugal, P.; Watanabe, E. Hybrid HVDC (H2VDC) system using current and voltage source converters. Energies 2018, 11, 1323. [Google Scholar] [CrossRef]
- Tang, G.; Xu, Z. A LCC and MMC hybrid HVdc topology with DC line fault clearance capability. Int. J. Electr. Power Energy Syst. 2014, 62, 419–428. [Google Scholar] [CrossRef]
- Zeng, R.; Xu, L.; Yao, L.; Finney, S.J.; Wang, Y. Hybrid HVdc for Integrating Wind Farms with Special Consideration on Commutation Failure. IEEE Trans. Power Del. 2016, 31, 789–797. [Google Scholar] [CrossRef]
- Haleem, N.M.; Rajapakse, A.D.; Gole, A.M.; Fernando, I.T. Investigation of Fault Ride-Through Capability of Hybrid VSC-LCC Multi-Terminal HVdc Transmission Systems. IEEE Trans. Power Del. 2019, 34, 241–250. [Google Scholar] [CrossRef]
- Lin, W. DC–DC Autotransformer with Bidirectional DC Fault Isolating Capability. IEEE Trans. Power Electron. 2016, 31, 5400–5410. [Google Scholar] [CrossRef]
- Xiao, L.; Li, Y.; Xiao, H.; Zhang, Z.; Xu, Z. Electromechanical Transient Modeling of Line Commutated Converter-Modular Multilevel Converter-Based Hybrid Multi-Terminal High Voltage Direct Current Transmission Systems. Energies 2018, 11, 2102. [Google Scholar] [CrossRef]
- Guanglei, L.; Wei, T.; Guanyang, L.; Hongzhao, W.; Yaoyao, W.; Guodong, L. Research on LCC-MTDC and STATCOM technology for wind farms integration. In Proceedings of the 2017 IEEE Conference on Energy Internet and Energy System Integration (EI2), Beijing, China, 26–28 November 2017; pp. 1–6. [Google Scholar]
- Qahraman, B.; Gole, A. A VSC based series hybrid converter for HVdc transmission. In Proceedings of the Canadian Conference on Electrical and Computer Engineering 2005, Saskatoon, SK, Canada, 1–4 May 2005; pp. 458–461. [Google Scholar]
- Lesnicar, A.; Marquardt, R. An innovative modular multilevel converter topology suitable for a wide power range. In Proceedings of the IEEE Bologna Power Tech Conference, Bologna, Italy, 23–26 June 2003; pp. 1–5. [Google Scholar]
- Yang, R.; Xiang, W.; Lin, W.; Wen, J. A hybrid cascaded converter applicable for UHVdc transmission and feeding to load centre. In Proceedings of the 15th IET International Conference on ac and DC Power Transmission (ACDC 2019), Coventry, UK, 5–7 February 2019; pp. 1–6. [Google Scholar]
- Guo, C.; Zhao, C.; Peng, M.; Liu, W. A Hybrid HVdc System With DC Fault Ride-Through Capability. Proc. CSEE 2015, 35, 4345–4353. [Google Scholar]
- Lin, W.; Wen, J.; Yao, M.; Wang, S.; Cheng, S.; Li, N. Series VSC-LCC converter with self-commutating and dc fault blocking capabilities. In Proceedings of the 2014 IEEE PES General Meeting Conference & Exposition, National Harbor, MD, USA, 27–31 July 2014; pp. 1–5. [Google Scholar]
- Nguyen, T.H.; Lee, D.; Kim, C. A Series-Connected Topology of a Diode Rectifier and a Voltage-Source Converter for an HVdc Transmission System. IEEE Trans. Power Electron. 2014, 29, 1579–1584. [Google Scholar] [CrossRef]
- Xu, Z.; Wang, S.; Xiao, H. Hybrid high-voltage direct current topology with line commutated converter and modular multilevel converter in series connection suitable for bulk power overhead line transmission. IET Power Electron. 2016, 9, 2307–2317. [Google Scholar] [CrossRef]

















| LCC Parameters | VSC Parameters | ||
|---|---|---|---|
| Capacity | 1000 MW | Capacity | 1000 MW |
| dc voltage | 400 kV | dc voltage | 400 kV |
| ac voltage | 172.8 kV | ac voltage | 220 kV |
| 11th filter | √ | No. of cells per arm | 258 |
| 13th filter | √ | Arm inductance | 40 mH |
| PLO Kp | 10 | Cell capacitor | 30 mF |
| PLO Ki | 50 | Circuit current | CCSC |
| Trig mode | equidistant | Maximum current | 1.2 p.u. |
| Scenario I Parameters | Scenario II Parameters | Scenario III Parameters | |||
|---|---|---|---|---|---|
| U01/kV | 382.87 | U01/kV | 363.5 | U01/kV | 357.33 |
| U02/kV | 215 | U02/kV | 222 | U02/kV | 225 |
| Z_rec/Ohm | 47.655 | Z_rec/Ohm | 23.8275 | Z_rec/Ohm | 15.885 |
| Ph_rec/Deg | 84 | Ph_rec/Deg | 84 | Ph_rec/Deg | 84 |
| Z_inv/Ohm | 21.2 | Z_inv/Ohm | 10.6 | Z_inv/Ohm | 7.066 |
| Ph_inv/Deg | 75 | Ph_inv/Deg | 75 | Ph_inv/Deg | 75 |
© 2020 by the authors. Licensee MDPI, Basel, Switzerland. This article is an open access article distributed under the terms and conditions of the Creative Commons Attribution (CC BY) license (http://creativecommons.org/licenses/by/4.0/).
Share and Cite
Cheng, F.; Xie, L.; Wang, Z. Research on Serial VSC-LCC Hybrid HVdc Control Strategy and Filter Design Scheme. Energies 2020, 13, 2260. https://doi.org/10.3390/en13092260
Cheng F, Xie L, Wang Z. Research on Serial VSC-LCC Hybrid HVdc Control Strategy and Filter Design Scheme. Energies. 2020; 13(9):2260. https://doi.org/10.3390/en13092260
Chicago/Turabian StyleCheng, Fan, Lijun Xie, and Zhibing Wang. 2020. "Research on Serial VSC-LCC Hybrid HVdc Control Strategy and Filter Design Scheme" Energies 13, no. 9: 2260. https://doi.org/10.3390/en13092260
APA StyleCheng, F., Xie, L., & Wang, Z. (2020). Research on Serial VSC-LCC Hybrid HVdc Control Strategy and Filter Design Scheme. Energies, 13(9), 2260. https://doi.org/10.3390/en13092260

