Overview and Comparative Assessment of Single-Phase Power Converter Topologies of Inductive Wireless Charging Systems
Abstract
1. Introduction
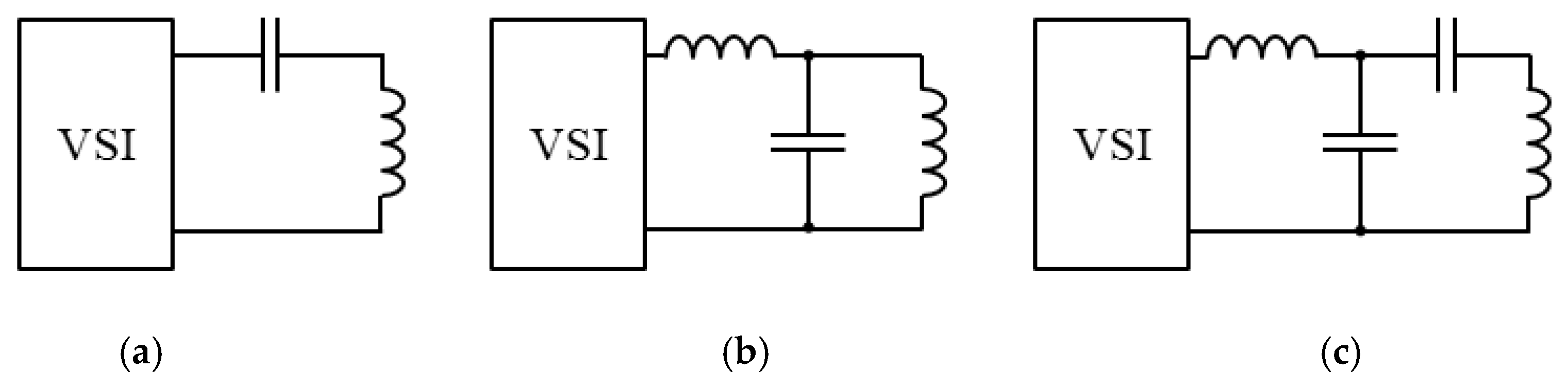
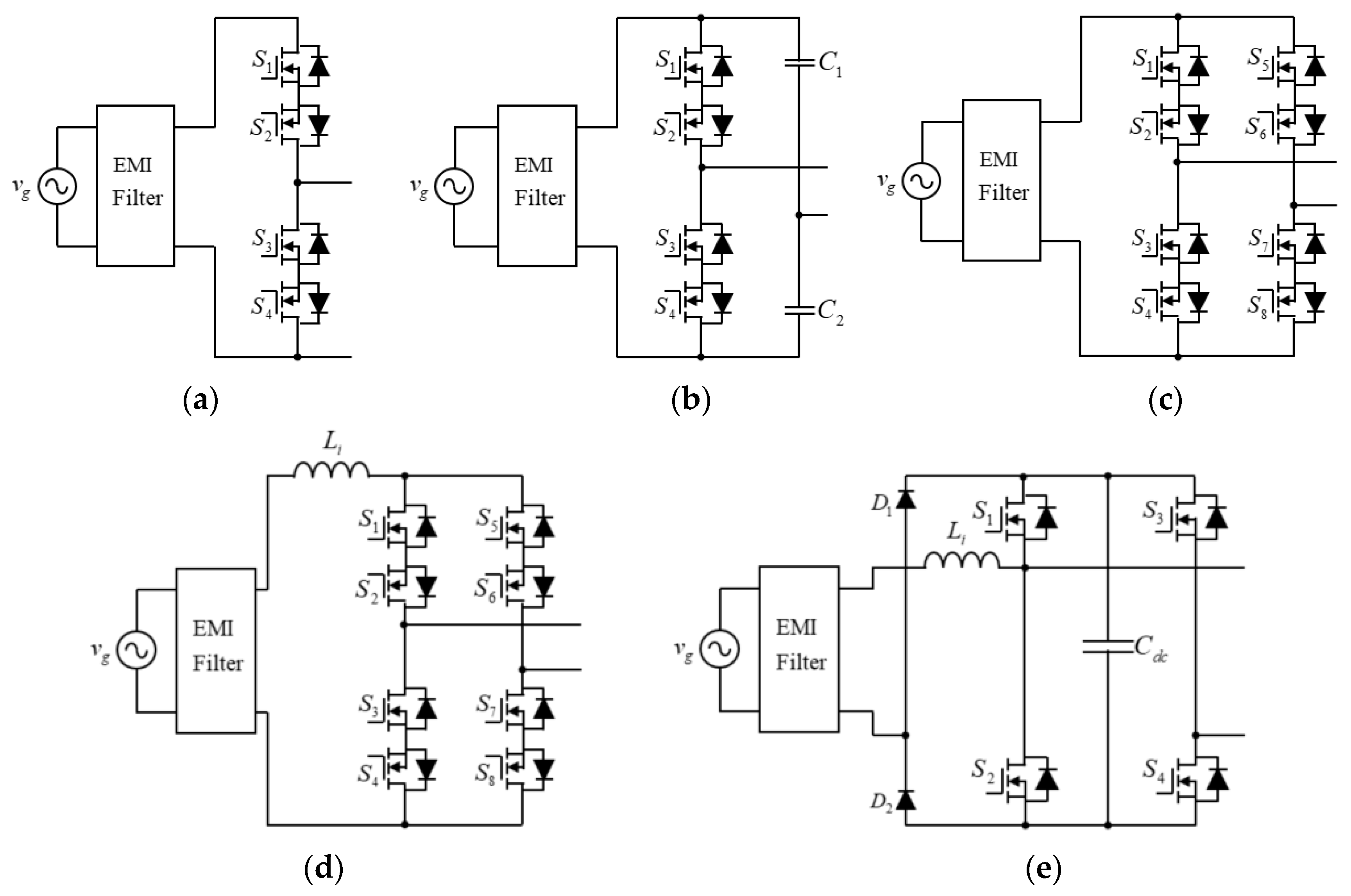
2. Power Converter Topologies for Inductive Wireless Charging
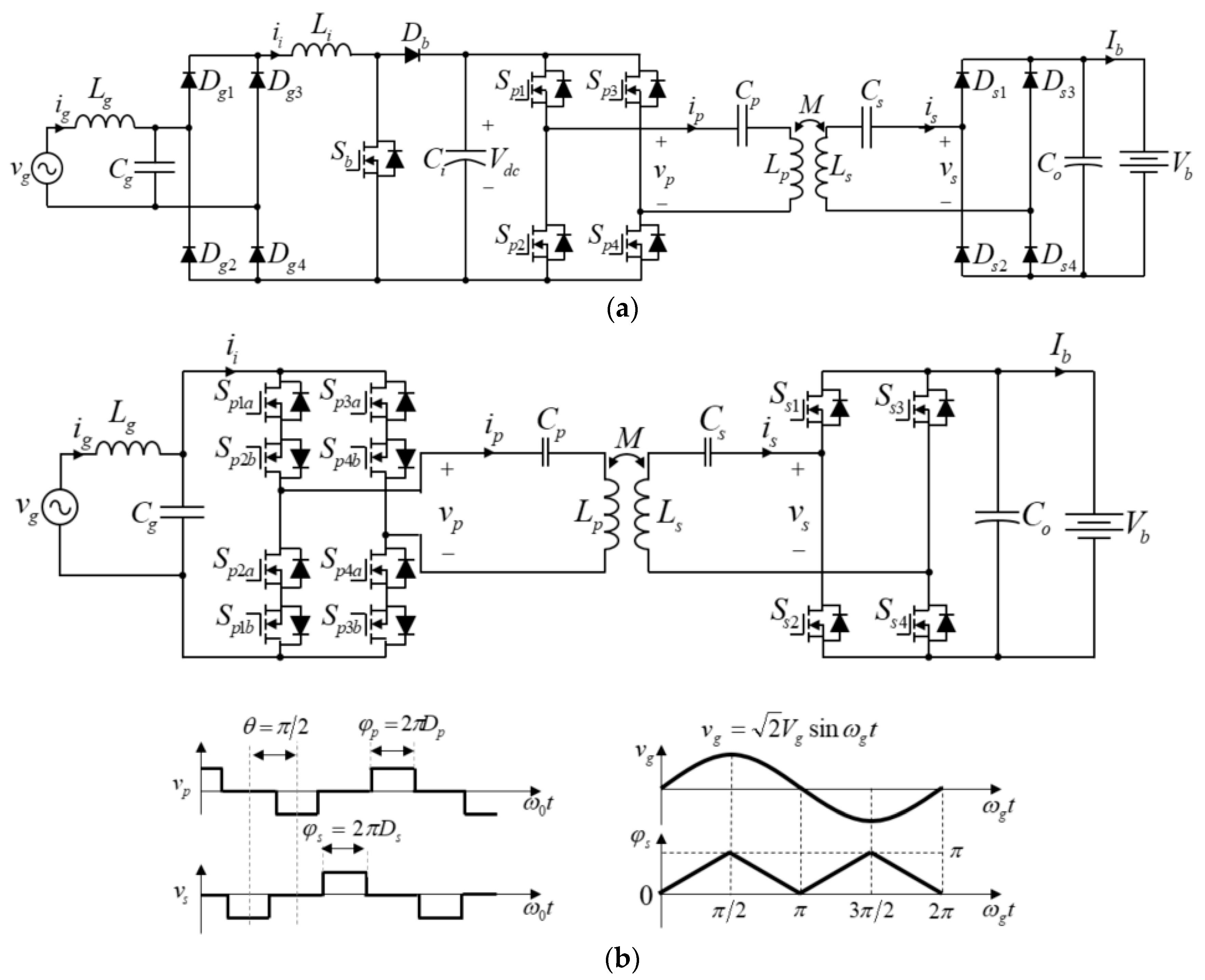
2.1. Dual-Stage Power Conversion
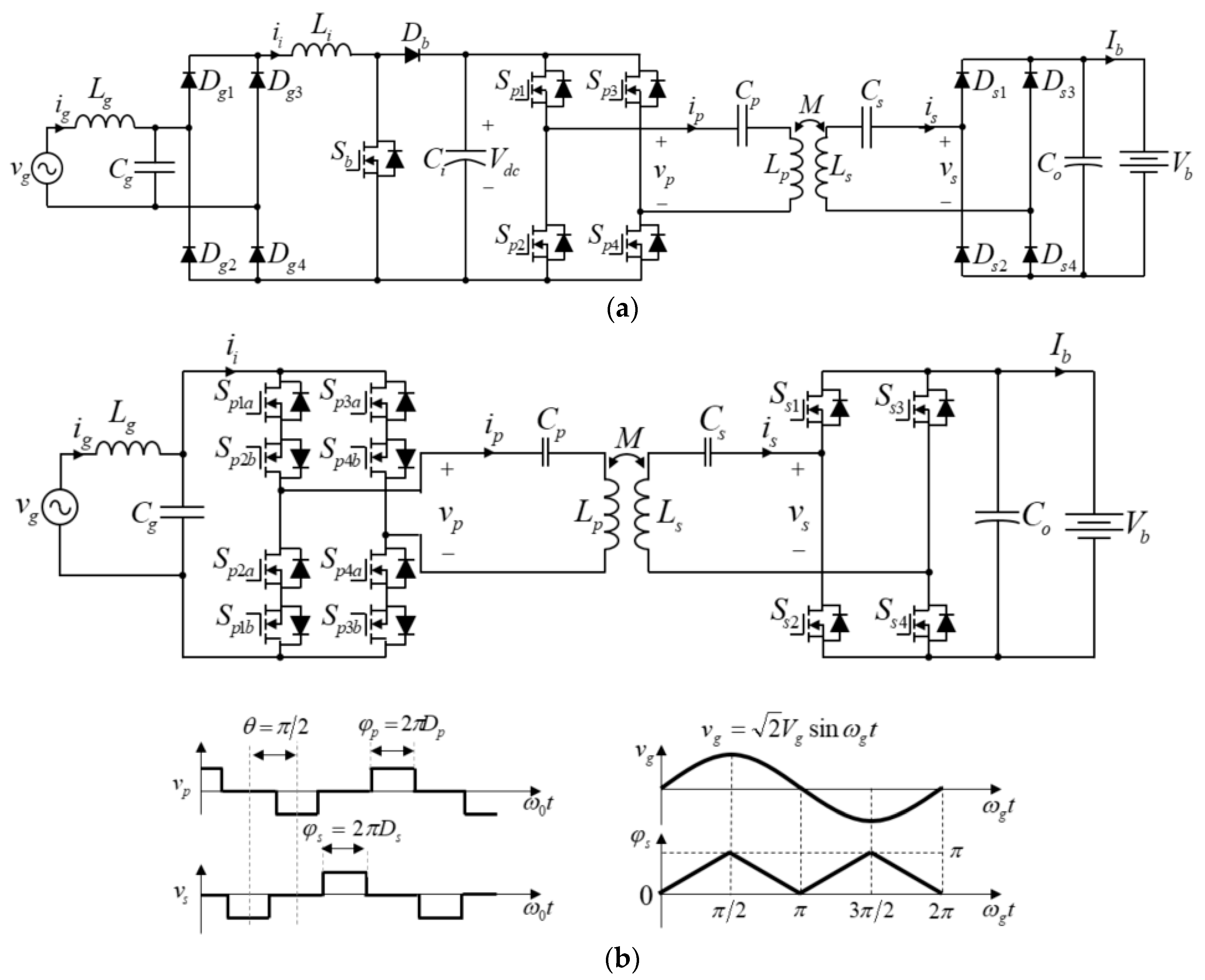
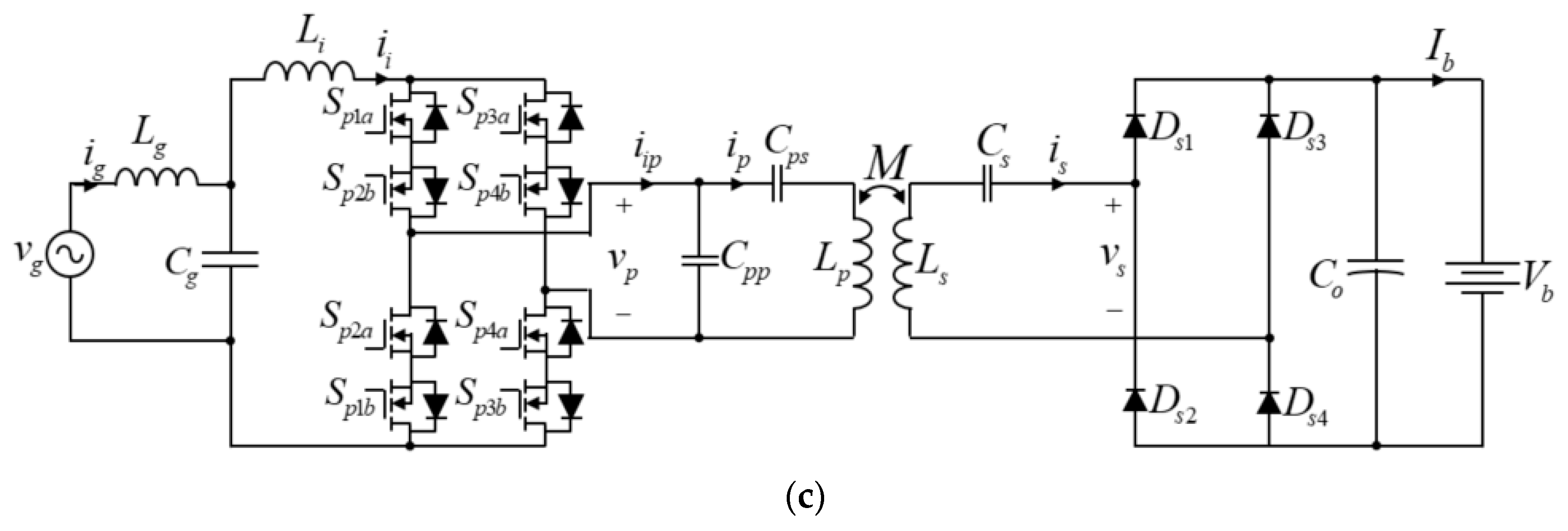
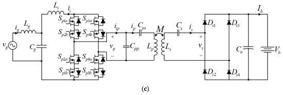
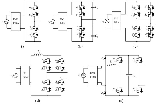
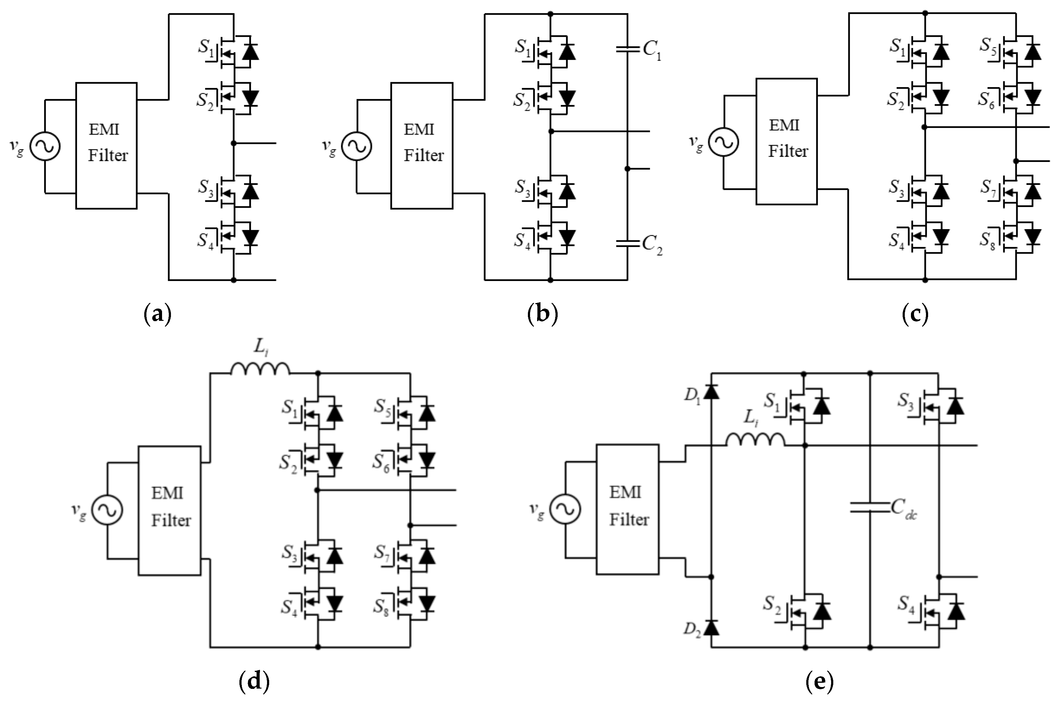
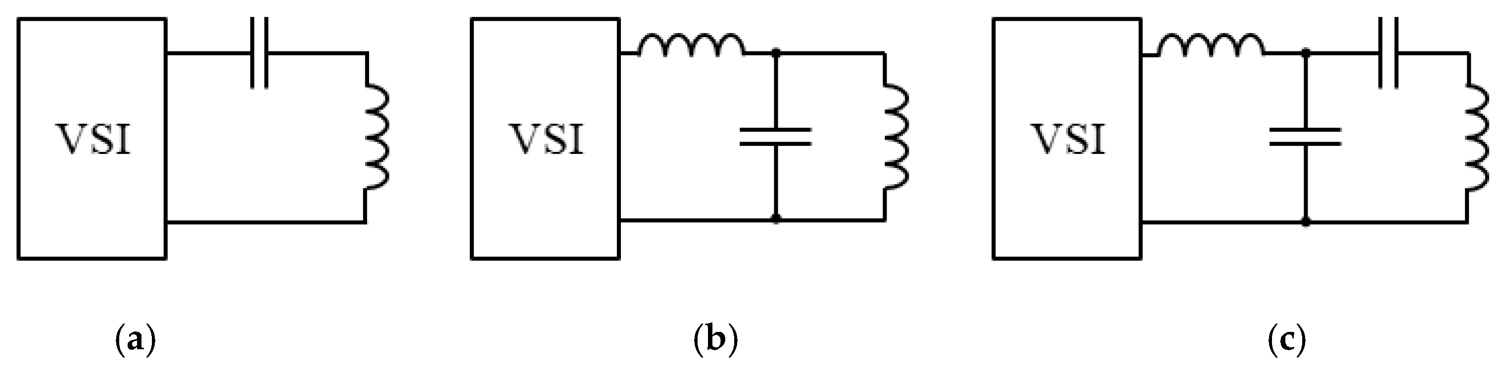
2.2. Single-Stage AC–AC Conversion
3. Power Control Schemes
4. Performance Comparison and Discussion
4.1. Design Considerations
4.2. Performance Comparison
4.2.1. Input Power Factor and Input Current Distortion
4.2.2. Switching Stress
4.2.3. Efficiency and Loss Distribution
4.2.4. Cost
4.3. Discussions
5. Future Trends and Opportunities
6. Conclusions
Author Contributions
Funding
Conflicts of Interest
References
- Khaligh, A.; Dusmez, S. Comprehensive topological analysis of conductive and inductive charging solutions for plug-in electric vehicles. IEEE Trans. Veh. Technol. 2012, 61, 3475–3489. [Google Scholar] [CrossRef]
- Wang, C.S.; Stielau, O.H.; Covic, G.A. Design considerations for acontactless electric vehicle battery charger. IEEE Trans. Ind. Electron. 2005, 52, 1308–1314. [Google Scholar] [CrossRef]
- Hui, S.Y.R.; Ho, W.W.C. A new generation of universal contactless battery charging platform for portable consumer electronic equipment. IEEE Trans. Power Electron. 2005, 20, 620–627. [Google Scholar] [CrossRef]
- Daga, A.; Miller, J.M.; Long, B.R.; Kacergis, R.; Schrafel, P.; Wolgemuth, J. Electric fuel pumps for wireless power transfer: Enabling rapid growth in the electric vehicle market. IEEE Power Electron. Mag. 2017, 4, 24–35. [Google Scholar] [CrossRef]
- Kazmierkowski, M.P.; Moradewicz, A.J. Unplugged but connected: Review of contactless energy transfer systems. IEEE Ind. Electron. Mag. 2012, 6, 47–55. [Google Scholar] [CrossRef]
- Bosshard, R.; Kolar, J.W. Inductive power transfer for electric vehicle charging: Technical challenges and tradeoffs. IEEE Power Electron. Mag. 2016, 3, 22–30. [Google Scholar] [CrossRef]
- Choi, S.Y.; Gu, B.W.; Jeong, S.Y.; Rim, C.T. Advances in wireless power transfer systems for roadway-powered electric vehicles. IEEE J. Emerg. Sel. Top. Power Electron. 2015, 3, 18–36. [Google Scholar] [CrossRef]
- Ahmad, A.; Alam, M.S.; Chabaan, R. A comprehensive review of wireless charging technologies for electric vehicles. IEEE Trans. Transp. Electrific. 2018, 4, 38–63. [Google Scholar] [CrossRef]
- Mi, C.C.; Buja, G.; Choi, S.Y.; Rim, C.T. Modern advances in wireless power transfer systems for roadway powered electric vehicles. IEEE Trans. Ind. Electron. 2016, 63, 6533–6545. [Google Scholar] [CrossRef]
- Covic, G.A.; Boys, J.T. Modern trends in inductive power transfer for transportation applications. IEEE J. Emerg. Sel. Top. Power Electron. 2013, 1, 28–41. [Google Scholar] [CrossRef]
- Roes, M.G.L.; Duarte, J.L.; Hendrix, M.A.M.; Lomonova, E.A. Acoustic energy transfer: A review. IEEE Trans. Ind. Electron. 2013, 60, 242–248. [Google Scholar] [CrossRef]
- Hu, Y.; Zhang, X.; Yang, J.; Jiang, Q. Transmitting electric energy through a metal wall by acoustic waves using piezoelectric transducers. IEEE Trans. Ultrason. Ferroelectr. Freq. Control 2003, 50, 773–781. [Google Scholar] [CrossRef] [PubMed]
- Chow, E.Y. Wireless powering and the study of RF propagation through ocular tissue for development of implantable sensors. IEEE Trans. Antennas Propag. 2011, 59, 2379–2387. [Google Scholar] [CrossRef]
- Sasaki, S.; Tanaka, K.; Maki, K.I. Microwave power transmission technologies for solar power satellites. Proc. IEEE 2013, 101, 1438–1447. [Google Scholar] [CrossRef]
- Wang, N.; Zhu, Y.; Wei, W.; Chen, J.; Liu, S.; Li, P.; Wen, Y. One-to-multipoint laser remote power supply system for wireless sensor networks. IEEE Sens. J. 2012, 12, 389–396. [Google Scholar] [CrossRef]
- Sahai, A.; Graham, D. Optical wireless power transmission at long wavelengths. In Proceedings of the International Conference on Space Optical Systems and Applications, Santa Monica, CA, USA, 11–13 May 2011; pp. 164–170. [Google Scholar]
- Kline, M.; Izyumin, I.; Boser, B.; Sanders, S. Capacitive power transfer for contactless charging. In Proceedings of the 26th Annual IEEE Applied Power Electronics Conference and Exposition, Fort Worth, TX, USA, 6–11 March 2011; pp. 1398–1404. [Google Scholar]
- Covic, G.A.; Boys, J.T. Inductive Power Transfer. Proc. IEEE 2013, 101, 1276–1289. [Google Scholar] [CrossRef]
- J2954: Wireless Power Transfer for Light-Duty Plug-In/Electric Vehicles and Alignment Methodology; SAE International: Warrendale, PA, USA, 2016.
- Musavi, F.; Eberle, W. Overview of wireless power transfer technologies for electric vehicle battery charging. IET Power Electron. 2014, 7, 60–66. [Google Scholar] [CrossRef]
- Siqi, L.; Mi, C.C. Wireless power transfer for electric vehicle applications. IEEE J. Emerg. Sel. Top. Power Electron. 2015, 3, 4–17. [Google Scholar] [CrossRef]
- J1772: SAE Electric Vehicle and Plug in Hybrid Electric Vehicle Conductive Charge Coupler; SAE International: Warrendale, PA, USA, 2017.
- Mohamed, A.A.S.; Lashway, C.R.; Mohammed, O. Modeling and feasibility analysis of quasi-dynamic WPT system for EV applications. IEEE Trans. Transp. Electrif. 2017, 3, 343–353. [Google Scholar] [CrossRef]
- Cirimele, V.; Diana, M.; Bellotti, F.; Berta, R.; Sayed, N.E.; Kobeissi, A.; Guglielmi, P.; Ruffo, R.; Khalilian, M.; Ganga, A.L.; et al. The fabric ICT platform for managing wireless dynamic charging road lanes. IEEE Trans. Veh. Technol. 2020, 69, 2501–2512. [Google Scholar] [CrossRef]
- Miller, J.M.; Onar, O.C.; White, C.; Campbell, S.; Coomer, C.; Seiber, L.; Sepe, R.; Steyerl, A. Demonstrating dynamic wireless charging of an electric vehicle: The benefit of electrochemical capacitor smoothing. IEEE Power Electron. Mag. 2014, 1, 12–24. [Google Scholar] [CrossRef]
- Cirimele, V.; Diana, M.; Freschi, F.; Mitolo, M. Inductive power transfer for automotive applications: State-of-the-art and future trends. IEEE Trans. Ind. Appl. 2018, 54, 4069–4079. [Google Scholar] [CrossRef]
- Everts, J.; Krismer, F.; Keybus, J.V.d.; Driesen, J.; Kolar, J.W. Optimal ZVS modulation of single-phase single-stage bidirectional DAB AC–DC converters. IEEE Trans. Power Electron. 2014, 29, 3954–3970. [Google Scholar] [CrossRef]
- Bosshard, R.; Kolar, J.W. All-SiC 9.5 kW/dm3 On-Board Power Electronics for 50 kW/85 kHz Automotive IPT System. IEEE J. Emerg. Sel. Topics Power Electron. 2017, 5, 419–431. [Google Scholar] [CrossRef]
- Kolar, R.B.a.J.W. Multi-objective optimization of 50 kW/85 kHz IPT system for public transport. IEEE J. Emerg. Sel. Topics Power Electron. 2016, 4, 1370–1382. [Google Scholar]
- Koushki, B.; Jain, P.; Bakhshai, A. A bi-directional AC-DC converter for electric vehicle with no electrolytic capacitor. In Proceedings of the IEEE 7th International Symposium on Power Electronics for Distributed Generation Systems (PEDG), Vancouver, BC, Canada, 27–30 June 2016; pp. 1–8. [Google Scholar]
- Shin, C.J.; Lee, J.Y. An electrolytic capacitor-less bi-directional EV on-board charger using harmonic modulation technique. IEEE Trans. Power Electron. 2014, 29, 5195–5203. [Google Scholar] [CrossRef]
- Moghaddami, M.; Anzalchi, A.; Sarwat, A.I. Single-stage three-phase AC–AC matrix converter for inductive power transfer systems. IEEE Trans. Ind. Electron. 2016, 63, 6613–6622. [Google Scholar] [CrossRef]
- Bac, N.X.; Vilathgamuwa, D.M.; Madawala, U.K. A SiC-based matrix converter topology for inductive power transfer system. IEEE Trans. Power Electron. 2014, 29, 4029–4038. [Google Scholar]
- Ecklebe, A.; Lindemann, A.; Schulz, S. Bidirectional switch commutation for a matrix converter supplying a series resonant load. IEEE Trans. Power Electron. 2009, 24, 1173–1181. [Google Scholar] [CrossRef]
- Weerasinghe, S.; Madawala, U.K.; Thrimawithana, D.J. A matrix converter-based bidirectional contactless grid interface. IEEE Trans. Power Electron. 2017, 32, 1755–1766. [Google Scholar] [CrossRef]
- Li, H.L.; Hu, A.P.; Covic, G.A. A direct AC–AC converter for inductive power-transfer systems. IEEE Trans. Power Electron. 2012, 27, 661–668. [Google Scholar] [CrossRef]
- Sulistyono, W.; Enjeti, P. A series resonant AC-to-DC rectifier with high-frequency isolation. IEEE Trans. Power Electron. 1995, 10, 784–790. [Google Scholar] [CrossRef]
- Samanta, S.; Rathore, A.K. A new inductive power transfer topology using direct ac–ac converter with active source current waveshaping. IEEE Trans. Power Electron. 2018, 33, 5565–5577. [Google Scholar] [CrossRef]
- Liu, J.; Chan, K.W.; Chung, C.Y.; Chan, N.H.L.; Liu, M.; Xu, W. Single-stage wireless-power-transfer resonant converter with boost bridgeless power-factor-correction rectifier. IEEE Trans. Ind. Electron. 2018, 65, 2145–2155. [Google Scholar] [CrossRef]
- Kwon, M.; Choi, S. An electrolytic capacitorless bidirectional EV charger for V2G and V2H applications. IEEE Trans. Power Electron. 2017, 32, 6792–6799. [Google Scholar] [CrossRef]
- Prasad, R.; Namuduri, C.; Kollmeyer, P. Onboard unidirectional automotive G2V battery charger using sine charging and its effect on Li-ion batteries. In Proceedings of the IEEE Energy Conversion Congress and Exposition, Montreal, QC, Canada, 20–24 September 2015; pp. 6299–6305. [Google Scholar]
- Beh, H.Z.; Covic, G.A.; Boys, J.T. Effects of pulse and DC charging on lithium iron phosphate (LiFePO4) batteries. In Proceedings of the IEEE Energy Conversion Congress and Exposition, Denver, CO, USA, 15–19 September 2013; pp. 315–320. [Google Scholar]
- Jeong, S.; Jeong, Y.; Kwon, J.; Kwon, B. A soft-switching single-stage converter with high efficiency for a 3.3-kW on-board charger. IEEE Trans. Ind. Electron. 2019, 66, 6959–6967. [Google Scholar] [CrossRef]
- Xue, L.; Shen, Z.; Boroyevich, D.; Mattavelli, P.; Diaz, D. Dual active bridge-based battery charger for plug-in hybrid electric vehicle with charging current containing low frequency ripple. IEEE Trans. Power Electron. 2015, 30, 7299–7307. [Google Scholar] [CrossRef]
- Chen, L.; Wu, S.; Shieh, D.; Chen, T. Sinusoidal-ripple-current charging strategy and optimal charging frequency study for Li-ion batteries. IEEE Trans. Ind. Electron. 2013, 60, 88–97. [Google Scholar] [CrossRef]
- Singh, B.; Singh, B.N.; Chandra, A.; Al-Haddad, K.; Pandey, A.; Kothari, D.P. A review of single-phase improved power quality AC-DC converters. IEEE Trans. Ind. Electron. 2003, 50, 962–981. [Google Scholar] [CrossRef]
- Singh, B.; Singh, B.N.; Chandra, A.; Al-Haddad, K.; Pandey, A.; Kothari, D.P. A review of three-phase improved power quality AC-DC converters. IEEE Trans. Ind. Electron. 2004, 51, 641–660. [Google Scholar] [CrossRef]
- Kamineni, A.; Neath, M.J.; Covic, G.A.; Boys, J.T. A mistuning-tolerant and controllable power supply for roadway wireless power systems. IEEE Trans. Power Electron. 2017, 32, 6689–6699. [Google Scholar] [CrossRef]
- Si, P.; Hu, A.P.; Malpas, S.; Budgett, D. A frequency control method for regulating wireless power to implantable devices. IEEE Trans. Biomed. Circuits Syst. 2008, 2, 22–29. [Google Scholar] [CrossRef] [PubMed]
- Green, A.W.; Boys, J.T. 10 kHz inductively coupled power transfer-concept and control. In Proceedings of the IET 5th International Conference on Power Electronics and Variable-Speed Drives, London, UK, 26–28 October 1994; pp. 694–699. [Google Scholar]
- Tian, J.; Hu, A.P. A DC-voltage-controlled variable capacitor for stabilizing the ZVS frequency of a resonant converter for wireless power transfer. IEEE Trans. Power Electron. 2017, 32, 2312–2318. [Google Scholar] [CrossRef]
- Kamineni, A.; Covic, G.A.; Boys, J.T. Self-tuning power supply for inductive charging. IEEE Trans. Power Electron. 2017, 32, 3467–3479. [Google Scholar] [CrossRef]
- Samanta, S.; Rathore, A.K.; Thrimawithana, D.J. Bidirectional current-fed half-bridge (C) (LC)–(LC) configuration for inductive wireless power transfer system. IEEE Trans. Ind. Appl. 2017, 53, 4053–4062. [Google Scholar] [CrossRef]
- Samanta, S.; Rathore, A.K. Wireless power transfer technology using full-bridge current-fed topology for medium power applications. IET Power Electron. 2016, 9, 1903–1913. [Google Scholar] [CrossRef]
- Samanta, S.; Rathore, A.K. A new current-fed CLC transmitter and LC receiver topology for inductive wireless power transfer application: Analysis, design, and experimental results. IEEE Trans. Transp. Electrif. 2015, 1, 357–368. [Google Scholar] [CrossRef]
- Twiname, R.P.; Thrimawithana, D.J.; Madawala, U.K.; Baguley, C.A. A dual-active bridge topology with a tuned CLC network. IEEE Trans. Power Electron. 2015, 30, 6543–6550. [Google Scholar] [CrossRef]
- Thrimawithana, D.J.; Madawala, U.K. A generalized steady-state model for bidirectional IPT systems. IEEE Trans. Power Electron. 2013, 28, 4681–4689. [Google Scholar] [CrossRef]
- Asa, E.; Colak, K.; Czarkowski, D. Analysis of a CLL resonant converter with semi-bridgeless active rectifier and hybrid control. IEEE Trans. Ind. Electron. 2015, 62, 6877–6886. [Google Scholar] [CrossRef]
- Colak, K.; Asa, E.; Bojarski, M.; Czarkowski, D.; Onar, O.C. A novel phase-shift control of semibridgeless active rectifier for wireless power transfer. IEEE Trans. Power Electron. 2015, 30, 6288–6297. [Google Scholar] [CrossRef]
- Nam, I.I.; Dougal, R.A.; Santi, E. Novel unity-gain frequency tracking control of series–series resonant converter to improve efficiency and receiver positioning flexibility in wireless charging of portable electronics. IEEE Trans. Ind. Appl. 2015, 51, 385–397. [Google Scholar] [CrossRef]
- Madawala, U.K.; Thrimawithana, D.J. A bidirectional inductive power interface for electric vehicles in V2G systems. IEEE Trans. Ind. Electron. 2011, 58, 4789–4796. [Google Scholar] [CrossRef]
- Miller, J.M.; Onar, O.C.; Chinthavali, M. Primary-side power flow control of wireless power transfer for electric vehicle charging. IEEE J. Emerg. Sel. Top. Power Electron. 2015, 3, 147–162. [Google Scholar] [CrossRef]
- Buja, G.; Bertoluzzo, M.; Mude, K.N. Design and experimentation of WPT charger for electric city car. IEEE Trans. Ind. Electron. 2015, 62, 7436–7447. [Google Scholar] [CrossRef]
- Bavastro, D.; Canova, A.; Cirimele, V.; Freschi, F.; Giaccone, L.; Guglielmi, P.; Repetto, M. Design of wireless power transmission for a charge while driving system. IEEE Trans. Magn. 2014, 50, 965–968. [Google Scholar] [CrossRef]
- Aditya, K.; Williamson, S.S.; Sood, V.K. Impact of zero-voltage switching on efficiency and power transfer capability of a series-series compensated IPT system. In Proceedings of the IEEE Transportation Electrification Conference (ITEC-India 2017), Pune, India, 13–15 December 2017; pp. 1–7. [Google Scholar]
- Aditya, K.; Sood, V.K. Design of 3.3 kW wireless battery charger for electric vehicle application considering bifurcation. In Proceedings of the IEEE Electrical Power and Energy Conference (EPEC 2017), Saskatoon, SK, Canada, 22–25 October 2017; pp. 1–6. [Google Scholar]
- Aditya, K.; Williamson, S.S. A review of optimal conditions for achieving maximum power output and maximum efficiency for a series–series resonant inductive link. IEEE Trans. Transp. Electrif. 2017, 3, 303–311. [Google Scholar] [CrossRef]
- Patil, D.; McDonough, M.K.; Miller, J.M.; Fahimi, B.; Balsara, P.T. Wireless power transfer for vehicular applications: Overview and challenges. IEEE Trans. Transp. Electrif. 2018, 4, 3–37. [Google Scholar] [CrossRef]
- Yao, Y.; Wang, Y.; Liu, X.; Lin, F.; Xu, D.G. A novel parameter tuning method for double-sided LCL compensated WPT system with better comprehensive performance. IEEE Trans. Power Electron. 2018, 33, 8525–8536. [Google Scholar] [CrossRef]
- Boys, J.T.; Huang, C.Y.; Covic, G.A. Single-phase unity power-factor inductive power transfer system. In Proceedings of the IEEE Power Electronics Specialists Conference, Rhodes, Greece, 15–19 June 2008; pp. 3701–3706. [Google Scholar]
- Keeling, N.A.; Covic, G.A.; Boys, J.T. A unity-power-factor IPT pickup for high-power applications. IEEE Trans. Ind. Electron. 2010, 57, 744–751. [Google Scholar] [CrossRef]
- Colak, K.; Bojarski, M.; Asa, E.; Czarkowski, D. A constant resistance analysis and control of cascaded buck and boost converter for wireless EV chargers. In Proceedings of the Applied Power Electronics Conference and Exposition (APEC), Charlotte, NC, USA, 15–19 March 2015; pp. 3157–3161. [Google Scholar]
- Colak, K.; Asa, E.; Bojarski, M.; Czarkowski, D. A novel common mode multi-phase half-wave semi-synchronous rectifier for inductive power transfer applications. In Proceedings of the IEEE Transportation Electrification Conference and Expo (ITEC), Dearborn, MI, USA, 14–17 June 2015; pp. 1–6. [Google Scholar]
- Fu, M.; Ma, C.; Zhu, X. A cascaded boost-buck converter for high-efficiency wireless power transfer systems. IEEE Trans. Ind. Inform. 2014, 10, 1972–1980. [Google Scholar] [CrossRef]
- Aditya, K.; Williamson, S.S. Comparative study on primary side control strategies for series-series compensated inductive power transfer system. In Proceedings of the IEEE 25th International Symposium on Industrial Electronics (ISIE), Santa Clara, CA, USA, 8–10 June 2016; pp. 811–816. [Google Scholar]
- Li, H.L. High Frequency Power Converters Based on Energy Injection Control for IPT Systems. Ph.D. Thesis, Department of Electrical and Computer Engineering, University of Auckland, Auckland, New Zealand, 2011. [Google Scholar]
- Wang, C.S.; Covic, G.A.; Stielau, O.H. Power transfer capability and bifurcation phenomena of loosely coupled inductive power transfer systems. IEEE Trans. Ind. Electron. 2004, 51, 148–157. [Google Scholar] [CrossRef]
- Weearsinghe, S.; Thrimawithana, D.J.; Madawala, U.K. Modeling bidirectional contactless grid interfaces with a soft DC-link. IEEE Trans. Power Electron. 2015, 30, 3528–3541. [Google Scholar] [CrossRef]
- Yeo, T.D.; Kwon, D.; Khang, S.T.; Yu, J.W. Design of maximum efficiency tracking control scheme for closed-loop wireless power charging system employing series resonant tank. IEEE Trans. Power Electron. 2017, 32, 471–478. [Google Scholar] [CrossRef]
- Aditya, K.; Williamson, S.S. Design guidelines to avoid bifurcation in a series-series compensated inductive power transfer system. IEEE Trans. Ind. Electron. 2019, 66, 3973–3982. [Google Scholar] [CrossRef]
- Mohamed, A.A.S.; Berzoy, A.; de Almeida, F.G.N.; Mohammed, O. Modeling and assessment analysis of various compensation topologies in bidirectional IWPT system for EV applications. IEEE Trans. Ind. Appl. 2017, 53, 4973–4984. [Google Scholar] [CrossRef]
- Kalra, G.R.; Huang, C.Y.; Thirmawithana, D.J.; Madawala, U.K.; Neuburger, M. A comparative study on grid-integration techniques used in bi-directional IPT based V2G applications. In Proceedings of the IEEE 2nd Annual Southern Power Electronics Conference (SPEC), Auckland, New Zealand, 5–8 December 2016; pp. 1–6. [Google Scholar]
- Rosekeit, M.; Broeck, C.; Doncker, R.W.D. Dynamic control of a dual active bridge for bidirectional ac charging. In Proceedings of the IEEE International Conference on Industrial Technology, Seville, Spain, 17–19 March 2015; pp. 2085–2091. [Google Scholar]
- Bala, S.; Tengner, T.; Rosenfeld, P.; Delince, F. The effect of low frequency current ripple on the performance of a Lithium Iron Phosphate (LFP) battery energy storage system. In Proceedings of the IEEE Energy Conversion Congress and Exposition, Raleigh, NC, USA, 15–20 September 2012; pp. 3485–3492. [Google Scholar]
- Gunji, D.; Imura, T.; Fujimoto, H. Operating point setting method for wireless power transfer with constant voltage load. In Proceedings of the IEEE IECON 2015—41st Annual Conference, Yokohama, Japan, 9–12 November 2015; pp. 881–886. [Google Scholar]
- Yang, Y.; Zhong, W.; Kiratipongvoot, S.; Tan, S.; Hui, S.Y.R. Dynamic improvement of series–series compensated wireless power transfer systems using discrete sliding mode control. IEEE Trans. Power Electron. 2018, 33, 6351–6360. [Google Scholar] [CrossRef]
- Li, H.; Li, J.; Wang, K.; Chen, W.; Yang, X. A maximum efficiency point tracking control scheme for wireless power transfer systems using magnetic resonant coupling. IEEE Trans. Power Electron. 2015, 30, 3998–4008. [Google Scholar] [CrossRef]
- Qu, X.; Han, H.; Wong, S.-C.; Tse, C.K.; Chen, W. Hybrid IPT topologies with constant current or constant voltage output for battery charging applications. IEEE Trans. Power Electron. 2015, 30, 6329–6337. [Google Scholar] [CrossRef]
- Chen, Y.; Kou, Z.; Zhang, Y.; He, Z.; Mai, R.; Cao, G. Hybrid topology with configurable charge current and charge voltage output-based WPT charger for massive electric bicycles. IEEE J. Emerg. Sel. Top. Power Electron. 2018, 6, 1581–1594. [Google Scholar] [CrossRef]
- Jiang, Y.; Wang, L.; Wang, Y.; Liu, J.; Li, X.; Ning, G. Analysis, design, and implementation of accurate ZVS angle control for EV battery charging in wireless high-power transfer. IEEE Trans. Ind. Electron. 2019, 66, 4075–4085. [Google Scholar] [CrossRef]
- Mishima, T.; Morita, E. High-frequency bridgeless rectifier based ZVS multiresonant converter for inductive power transfer featuring high-voltage GaN-HFET. IEEE Trans. Ind. Electron. 2017, 64, 9155–9164. [Google Scholar] [CrossRef]
- Li, Y.; Hu, J.; Chen, F.; Li, Z.; He, Z.; Mai, R. Dual-phase-shift control scheme with current-stress and efficiency optimization for wireless power transfer systems. IEEE Trans. Circuits Syst. I Regul. Pap. 2018, 65, 3110–3121. [Google Scholar] [CrossRef]
- Zhao, C.; Trento, B.; Jiang, L.; Jones, E.A.; Liu, B.; Zhang, Z.; Costinett, D.; Wang, F.; Tolbert, L.M.; Jansen, J.F.; et al. Design and implementation of a GaN-based, 100-kHz, 102-W/in3 single-phase inverter. IEEE J. Emerg. Sel. Top. Power Electron. 2016, 4, 824–840. [Google Scholar] [CrossRef]
- Cai, A.Q.; Siek, L. A 2-kW, 95% efficiency inductive power transfer system using Gallium Nitride gate injection transistors. IEEE J. Emerg. Sel. Top. Power Electron. 2017, 5, 458–468. [Google Scholar] [CrossRef]
- Jones, E.A.; Wang, F.F.; Costinett, D. Review of commercial GaN power devices and GaN-based converter design challenges. IEEE J. Emerg. Sel. Top. Power Electron. 2016, 4, 707–719. [Google Scholar] [CrossRef]
- Deng, Q.; Liu, J.; Czarkowski, D.; Hu, W.; Zhou, H. An inductive power transfer system supplied by a multiphase parallel inverter. IEEE Trans. Ind. Electron. 2017, 64, 7039–7048. [Google Scholar] [CrossRef]
- Ronanki, D.; Williamson, S.S. Modular multilevel converters for transportation electrification: Challenges and opportunities. IEEE Trans. Transport. Electrific. 2018, 4, 399–407. [Google Scholar] [CrossRef]
- Hao, H.; Covic, G.A.; Boys, J.T. A parallel topology for inductive power transfer power supplies. IEEE Trans. Power Electron. 2014, 29, 1140–1151. [Google Scholar] [CrossRef]
- Ronanki, D.; Kelkar, A.; Williamson, S.S. Extreme fast charging technology—Prospects to enhance sustainable electric transportation. Energies 2019, 12, 3721. [Google Scholar] [CrossRef]
- Jain, P.; Jain, T. Impacts of G2V and V2G power on electricity demand profile. In Proceedings of the 2014 IEEE International Electric Vehicle Conference (IEVC), Florence, Italy, 17–19 December 2014; pp. 1–8. [Google Scholar] [CrossRef]














| WPT Levels | 1 | 2 | 3 | 4 |
|---|---|---|---|---|
| Maximum AC input power (kVA) | 3.7 | 7.7 | 11 | 22 |
| Minimum target efficiency at nominal alignment (%) | >85 | >85 | >85 | To be defined (TBD) |
| Minimum target efficiency at offset position (%) | >80 | >80 | >80 | TBD |
| Operating frequency (kHz) | 81.38–90 (typical 85) | |||
| Power Conversion Topologies | Figure | Component Requirement | Control Schemes | ||
|---|---|---|---|---|---|
| Switches | Passive Components | ||||
| Dual-stage (excluding front-end PFC stage) | Current-source push-pull | Figure 3a | 2 reverse blocking | 1 inductor, 1 phase-splitting transformer |
|
| Current-source half-bridge | Figure 3b | 2 reverse blocking | 2 inductors | ||
| Current-source full-bridge | Figure 3c | 4 reverse blocking | 1 inductor |
| |
| Voltage-source buck | Figure 3d | 2 reverse conducting | None |
| |
| Voltage-source half-bridge | Figure 3e | 2 reverse conducting | 2 capacitors | ||
| Voltage-source full-bridge | Figure 3f | 4 reverse conducting | None |
| |
| Single-stage | Buck MC | Figure 5a | 2 bidirectional | None |
|
| Half-bridge MC | Figure 5b | 2 bidirectional | 2 capacitors | ||
| Full-bridge MC | Figure 5c | 4 bidirectional | None |
| |
| Boost-derived full-bridge MC | Figure 5e | 4 bidirectional | 1 inductor |
| |
| Bridgeless boost | Figure 5f | 2 diodes, 4 reverse conducting | 1 inductor, 1 capacitor |
| |
| Topologies | Components | Parameters | |
|---|---|---|---|
| Dual-stage [80] | Boost inductor Li | Inductance | Peak current |
| Boost capacitor Ci | Capacitance | Peak voltage | |
| Compensation capacitors Cp and Cs | Capacitance | Peak voltage | |
| Buck-derived FB MC [81,82] | Compensation capacitors Cp and Cs | Capacitance | Peak voltage |
| Boost-derived FB MC [38] | Boost inductor Li | Inductance | Peak current |
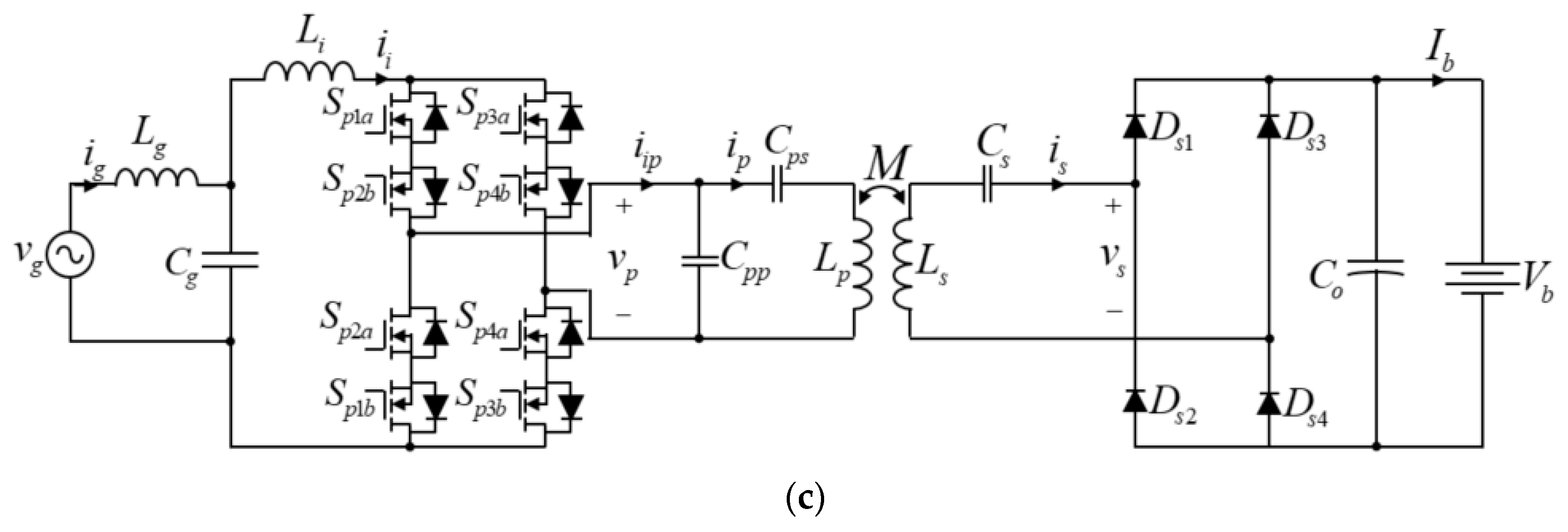
| Compensation capacitors Cpp, Cps, and Cs Note: Cps is designed to limit the peak of primary voltage vp, which is the voltage stress on MC switches. | Capacitance | Peak voltage | |
| Topologies | Components | Current Stress | Voltage Stress |
|---|---|---|---|
| Dual-stage | Boost switch Sb and diode Db | Peak current | Break down voltage |
| Primary inverter switches Spn (n = 1, 2, 3, 4) | Peak current | Break down voltage | |
| Secondary rectifier diodes Dsn (n = 1, 2, 3, 4) | Peak current | Break down voltage | |
| Buck-derived FB MC | Primary inverter switches Spnx (n = 1, 2, 3, 4 and x = a, b) | Peak current | Break down voltage |
| Secondary rectifier switches Ssn (n = 1, 2, 3, 4) | Peak current | Break down voltage | |
| Boost-derived FB MC | Primary inverter switches Spnx (n = 1, 2, 3, 4 and x = a, b) | Peak current | Break down voltage |
| Secondary rectifier diodes Dsn (n = 1, 2, 3, 4) | Peak current | Break down voltage | |
| Topologies | Parameter | Symbol | Value | Unit |
|---|---|---|---|---|
| Dual-stage | Primary, secondary, mutual inductance | Lp, Ls, M | 356, 328, 65 | μH |
| Compensation capacitors | Cp, Cs | 10, 11 | nF | |
| Boost inductor | Li | 0.215 | mH | |
| DC-bus capacitor | Ci | 1540 | μF | |
| DC-bus voltage | Vdc | 400 | V | |
| Grid inductor | Lg | 0.215 | mH | |
| Grid capacitor | Cg | 0.78 | μF | |
| Output capacitor | Co | 500 | μF | |
| Buck-derived FBMC | Primary, secondary, mutual inductance | Lp, Ls, M | 111, 111, 24 | μH |
| Compensation capacitors | Cp, Cs | 32, 32 | nF | |
| Grid inductor | Lg | 0.215 | mH | |
| Grid capacitor | Cg | 0.78 | μF | |
| Output capacitor | Co | 500 | μF | |
| Boost-derived FBMC | Primary, secondary, mutual inductance | Lp, Ls, M | 111, 111, 24 | μH |
| Compensation capacitors | Cps, Cpp, Cs | 43, 115, 32 | nF | |
| Boost inductor | Li | 0.215 | mH | |
| Grid inductor | Lg | 0.036 | mH | |
| Grid capacitor | Cg | 0.136 | μF | |
| Output capacitor | Co | 500 | μF |
| Topologies | Components | Symbol | Part Number | Quantity |
|---|---|---|---|---|
| Dual-stage | Front-end rectifier diodes | Dgn * | SCS240AE2C-ND | 4 |
| Boost diode | Db | SCS240AE2C-ND | 1 | |
| Boost switch | Sb | SCT3060ALGC11-ND | 1 | |
| Primary inverter switches | Spn* | SCT3120ALHRC11-ND | 4 | |
| Secondary rectifier diodes | Dsn* | SCS230AE2HRC-ND | 4 | |
| Boost inductor | Li | HF5712-561M-25AH | 2 parallel | |
| DC-bus capacitor | Ci | LGN2X221MELC50 | 7 parallel | |
| Grid inductor | Lg | HF5712-561M-25AH | 2 parallel | |
| Grid capacitor | Cg | B32656T7394K000 | 2 parallel | |
| Buck-derived FBMC | Primary MC switches | Spna, Spnb* | SCT3030ALGC11-ND | 8 |
| Secondary rectifier diodes | Ssn* | SCT3060ALGC11-ND | 4 | |
| Grid inductor | Lg | HF5712-561M-25AH | 2 parallel | |
| Grid capacitor | Cg | B32656T7394K000 | 2 parallel | |
| Boost-derived FBMC | Primary MC switches | Spna, Spnb* | SCT2080KEC-ND | 8 |
| Secondary rectifier diodes | Dsn* | SCS240AE2C-ND | 4 | |
| Boost inductor | Li | HF5712-561M-25AH | 2 parallel | |
| Grid inductor | Lg | HF467-980M-25AV | 2 parallel | |
| Grid capacitor | Cg | B32654A1683K000 | 2 parallel |
| Components | Manufacturer Part Number | Rating | Unit Cost ($) |
|---|---|---|---|
| Diode | SCS230AE2HRC-ND | 650 V/30 A | 8.97 |
| SCS240AE2C-ND | 650 V/40 A | 12.75 | |
| MOSFET | SCT3120ALHRC11-ND | 650 V/21 A | 9.27 |
| SCT3060ALGC11-ND | 650 V/39 A | 8.74 | |
| SCT3030ALGC11-ND | 650 V/70 A | 19.46 | |
| SCT2080KEC-ND | 1200 V/40 A | 17.77 | |
| Gate driver IC | UCC5390SCD | N/A | 2.16 |
| Gate driver supply | R12P21503D | +15 V/−3 V/2 W | 7.11 |
| Inductor | HF467-980M-25AV | 25 A/72 μH | 21.15 |
| HF5712-561M-25AH | 25 A/430 μH | 29.25 | |
| Capacitor | LGN2X221MELC50 (Electrolytic) | 600 V/220 μF | 7.78 |
| B32656T7394K000 (Film) | 500 V/0.39 μF | 4.23 | |
| B32654A1683K000 | 500 V/0.068 μF | 1.01 |
© 2020 by the authors. Licensee MDPI, Basel, Switzerland. This article is an open access article distributed under the terms and conditions of the Creative Commons Attribution (CC BY) license (http://creativecommons.org/licenses/by/4.0/).
Share and Cite
Huynh, P.S.; Ronanki, D.; Vincent, D.; Williamson, S.S. Overview and Comparative Assessment of Single-Phase Power Converter Topologies of Inductive Wireless Charging Systems. Energies 2020, 13, 2150. https://doi.org/10.3390/en13092150
Huynh PS, Ronanki D, Vincent D, Williamson SS. Overview and Comparative Assessment of Single-Phase Power Converter Topologies of Inductive Wireless Charging Systems. Energies. 2020; 13(9):2150. https://doi.org/10.3390/en13092150
Chicago/Turabian StyleHuynh, Phuoc Sang, Deepak Ronanki, Deepa Vincent, and Sheldon S. Williamson. 2020. "Overview and Comparative Assessment of Single-Phase Power Converter Topologies of Inductive Wireless Charging Systems" Energies 13, no. 9: 2150. https://doi.org/10.3390/en13092150
APA StyleHuynh, P. S., Ronanki, D., Vincent, D., & Williamson, S. S. (2020). Overview and Comparative Assessment of Single-Phase Power Converter Topologies of Inductive Wireless Charging Systems. Energies, 13(9), 2150. https://doi.org/10.3390/en13092150

