Interaction Assessment and Stability Analysis of the MMC-Based VSC-HVDC Link
Abstract
1. Introduction
- State-space modeling based on transformation [8,11,14,17]: in this modelling approach, the electrical circuit equations of an MMC are commonly transformed to -frame and expressed in state-space equations. These equations are interconnected to the state-space equations of the control loops based on the similar input/output signals in order to formulate an overall linear model of an MMC. Although this modeling approach offers a high level of modularity, the inclusion of the circulating current harmonics in the modeling is challenging [11].
2. System Description
3. System Modeling
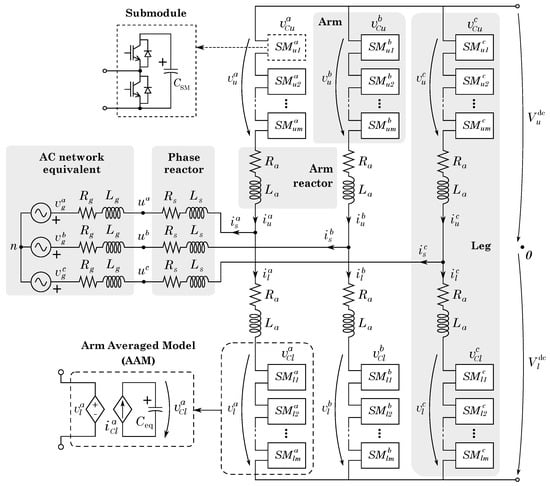
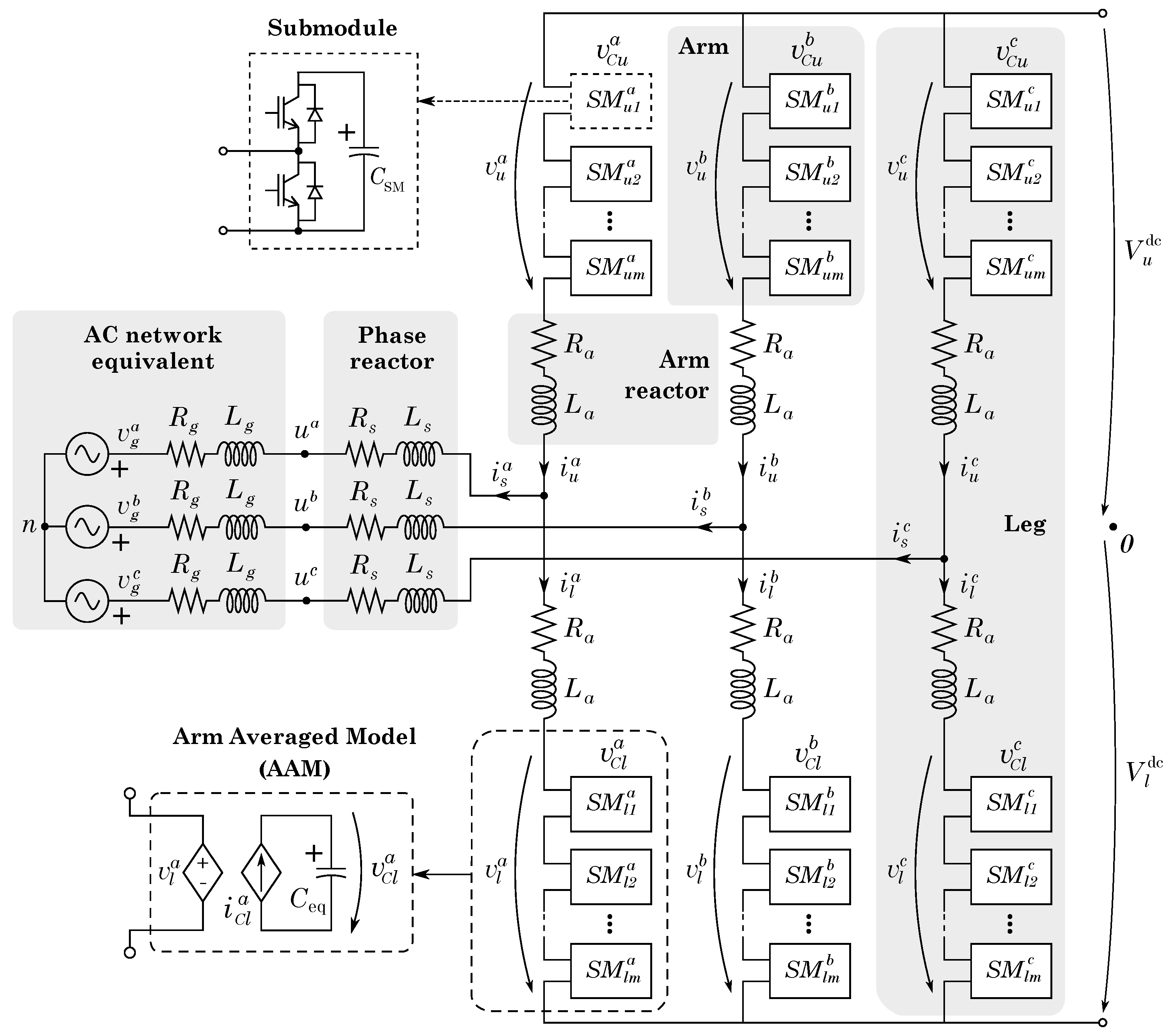
3.1. Modular Multilevel Converter (MMC)
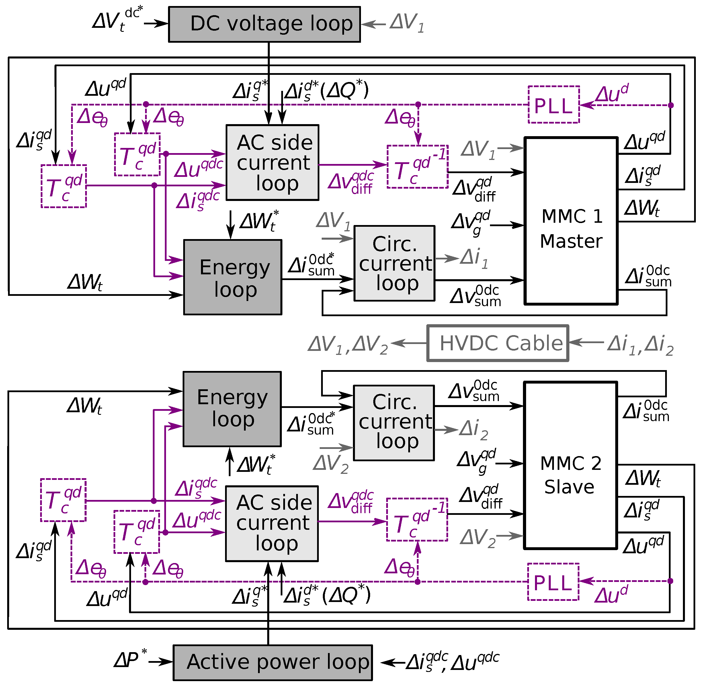
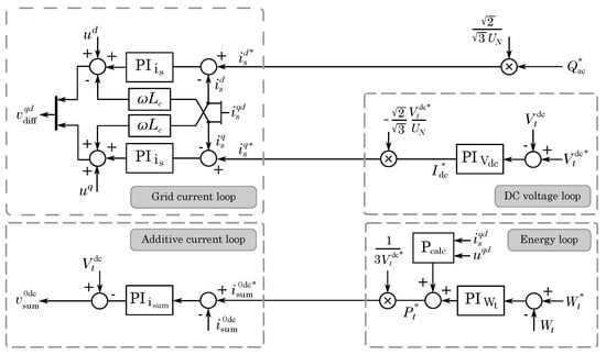
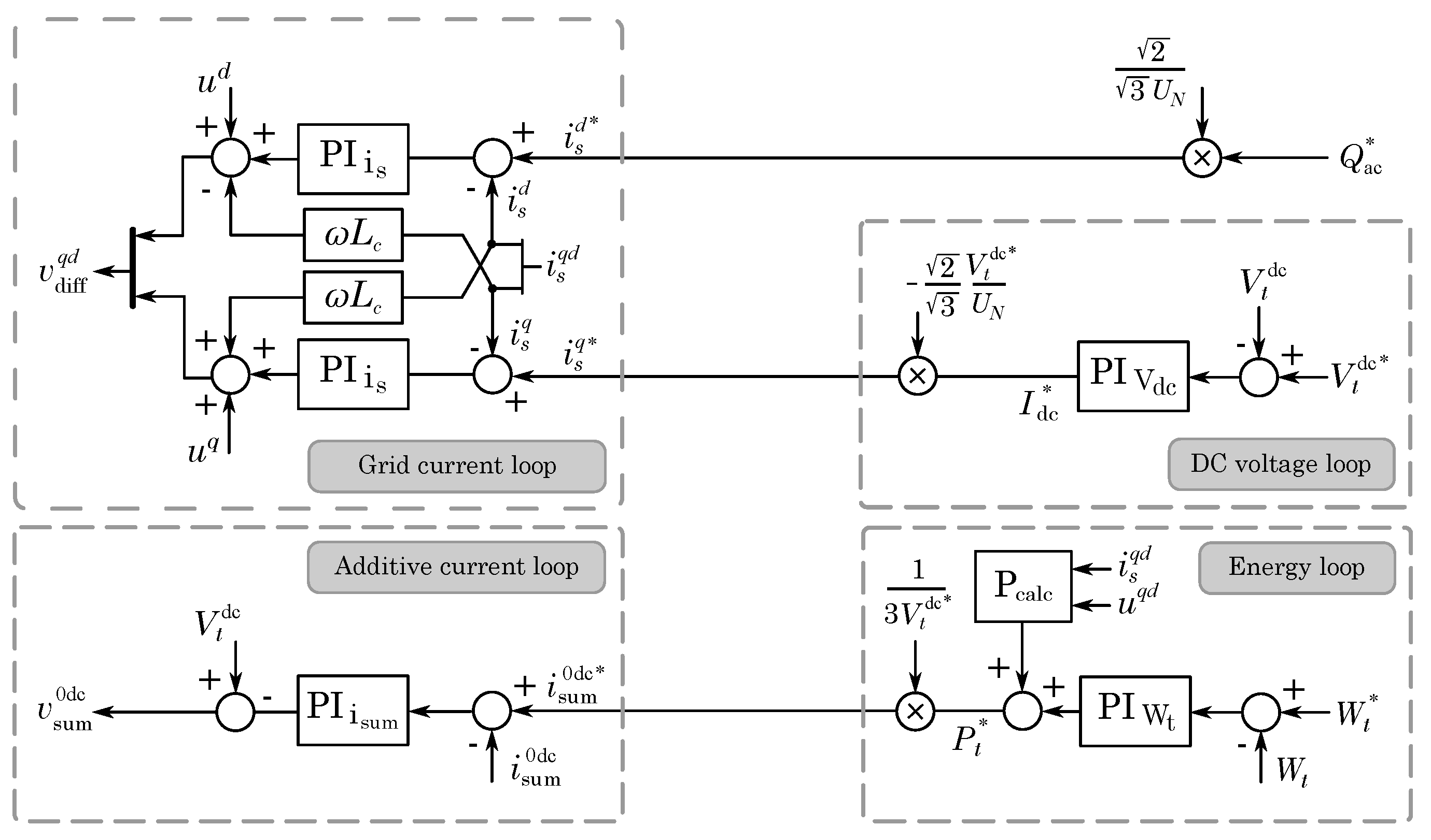
3.2. MMC Control
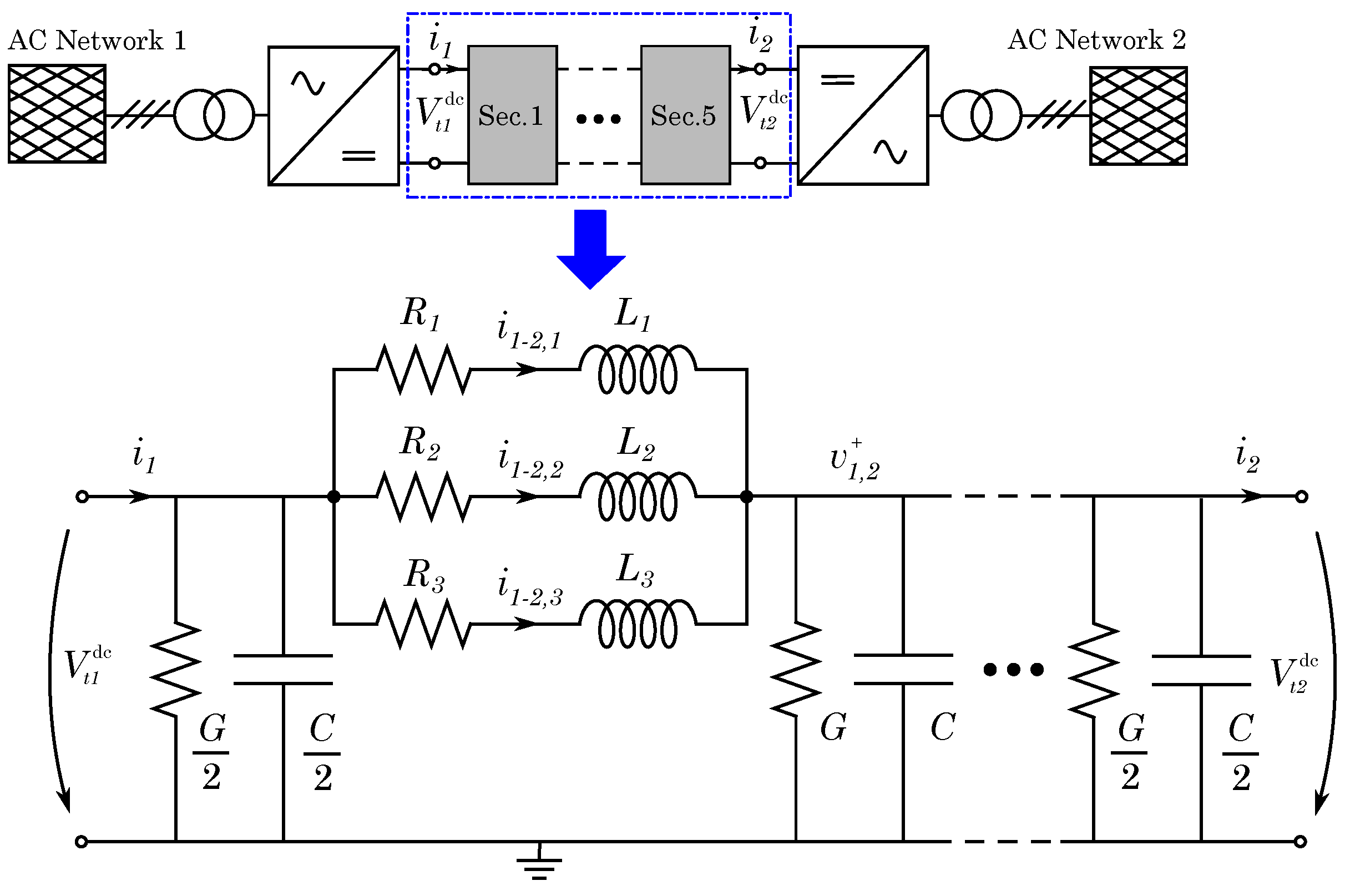
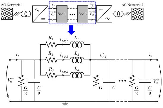
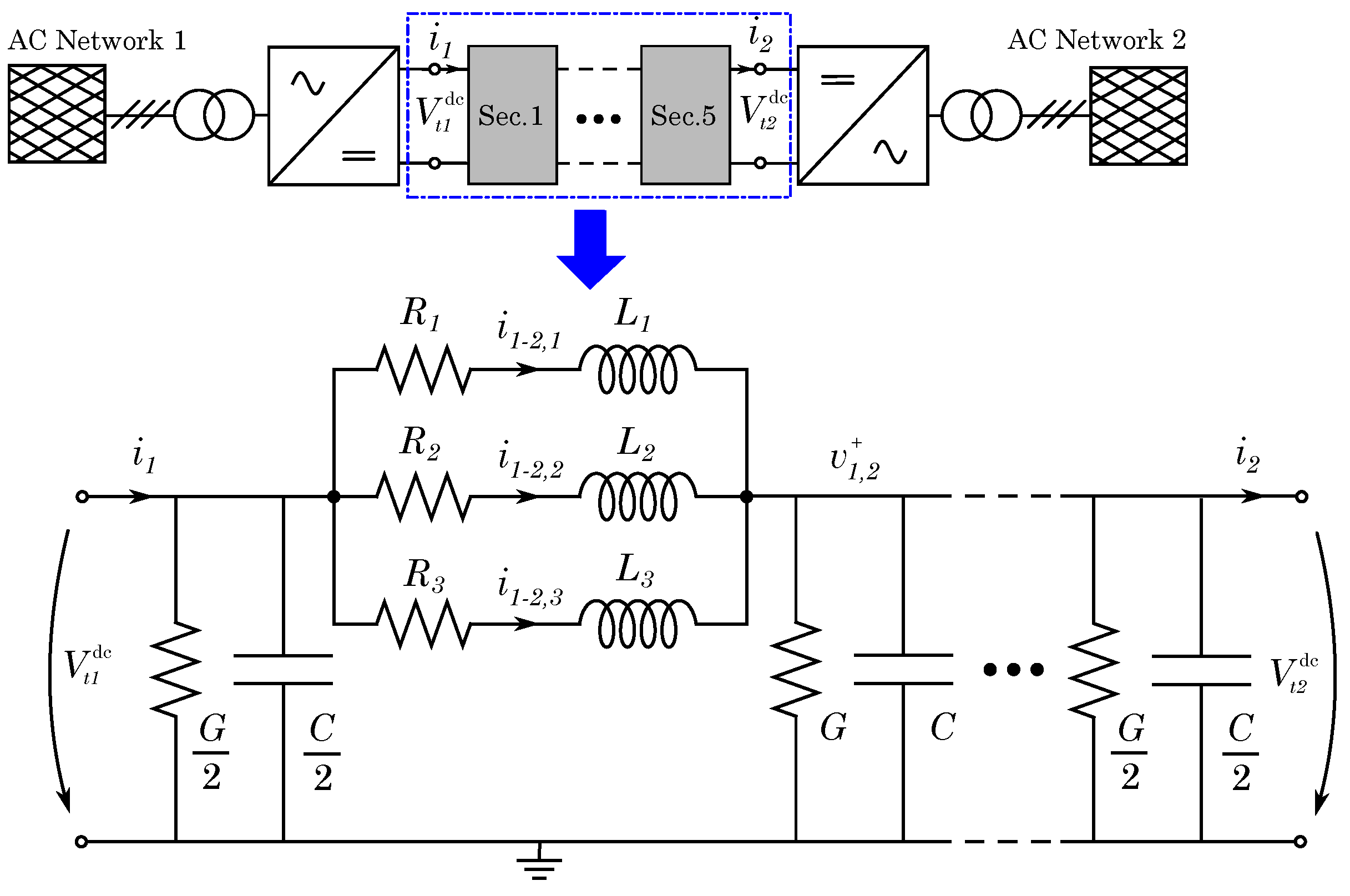
3.3. HVDC Cable
4. System Overall State-Space Model
5. System Overall Impedance Model
6. System Analysis
6.1. System Stability Analysis
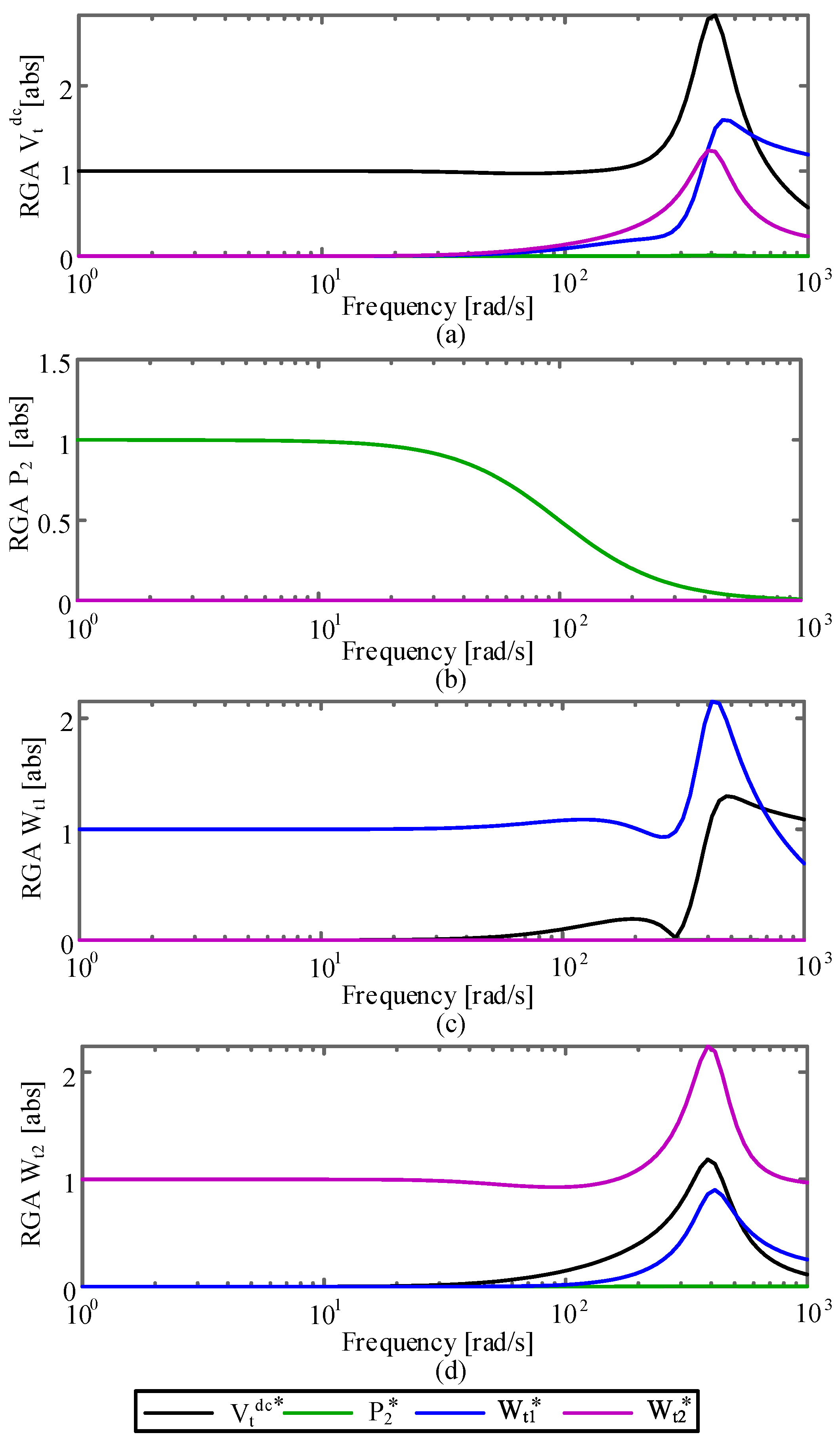
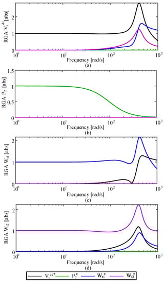
6.2. System Interactions
- At low frequencies, all four control loops are strongly coupled with their own references, i.e., the RGA values between the controlled variables (such as ) and the loop references (such as ) are the largest as compared with the RGA values related to other control loop references. Hence, the four control loops are well-designed for DC or low frequencies.
- The active power control loop does not interact with other three control loops (, , and ), and it is only coupled with its own reference.
- At higher frequencies, the control loops begin to interact. As it can be seen from Figure 16, at the frequencies near 400 rad/s, the RGA values increase, meaning that a controlled variable is importantly affected by the references of other control loops.
- Reference values should be changed with a limited bandwidth lower than 400 rad/s to avoid interactions between loops.
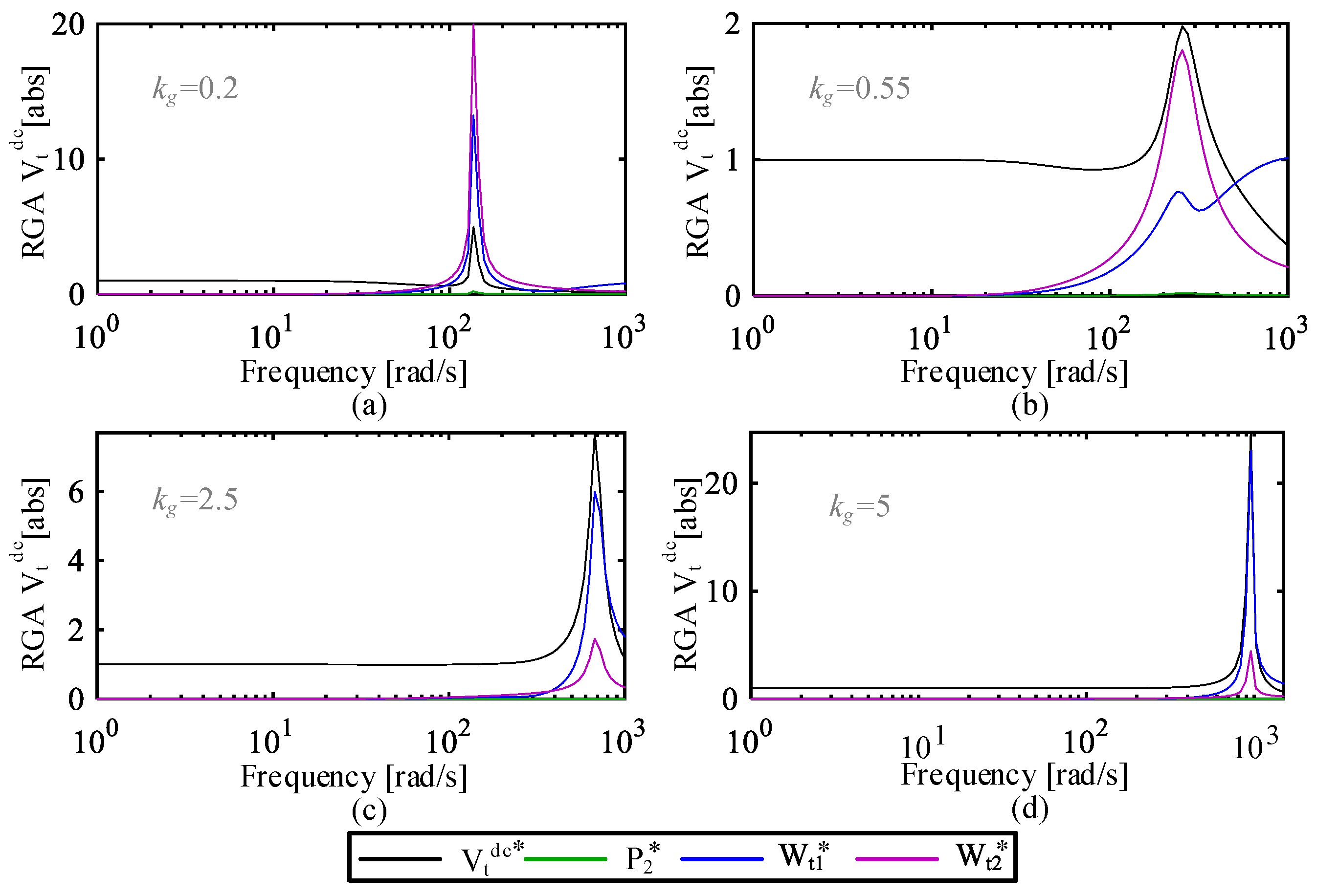
7. DC Voltage Control Loop Design
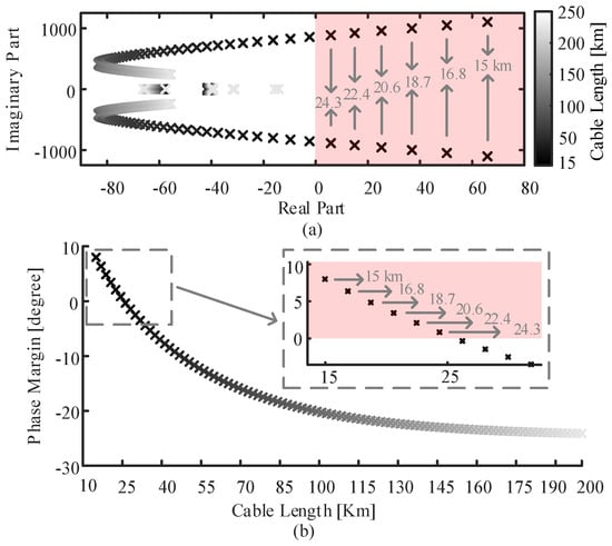
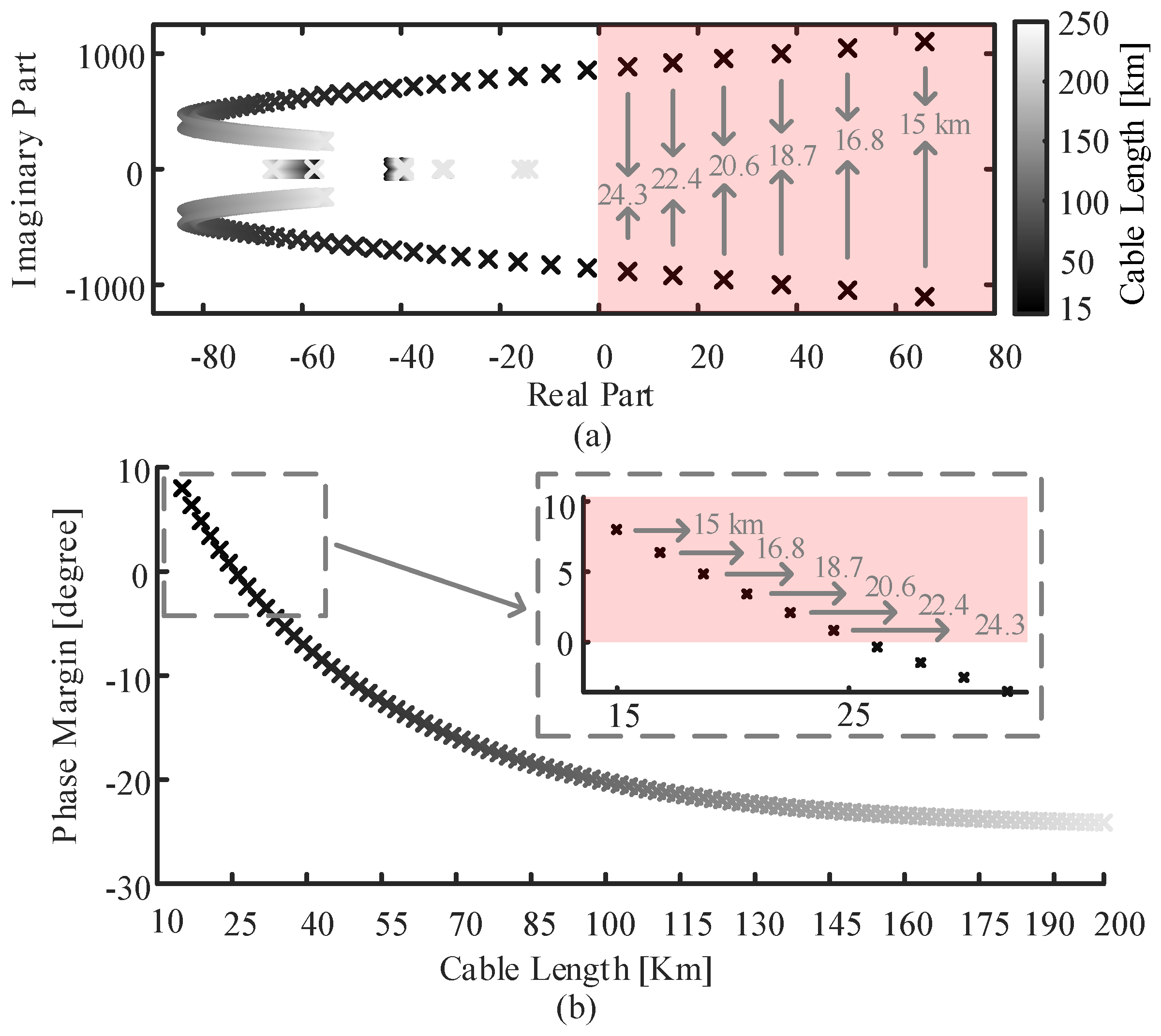
- The HVDC link has 10 eigenvalues (critical modes) with a damping ratio lower than 5%, which are related to the cable parameters. The frequency of these modes are in order of rad/s (see Figure 11).
- There are two (conjugate) eigenvalues with a low damping ratio (about 22%) that belong to the PI controller of the DC voltage control loop. Their frequency is near 400 rad/s (see Figure 11).
- The minimum PM of the HVDC link is and occurs at the frequency near 400 rad/s (see Figure 12).
- The interactions among the control loops of the HVDC link begin to intensify at the frequencies near 400 rad/s (see Figure 16).
- The PI controller of the DC voltage controller should be adequately designed to improve the system dynamics since it is the loop that is mainly contributing to the system modes allocated close to the problematic frequency 400 rad/s.
8. Conclusions
Author Contributions
Funding
Acknowledgments
Conflicts of Interest
Appendix A
| Parameter | Symbol | Value | Units |
|---|---|---|---|
| Rated (base) active power | 500 | MW | |
| Rated (base) AC-side voltage | 320 | kV | |
| Rated (base) DC-side voltage | ±320 | kV | |
| Grid short-circuit ratio | SCR | 10 | - |
| Coupling impedance | +j | 0.01+j0.2 | pu |
| Arm reactor impedance | +j | 0.01+j0.2 | pu |
| Converter submodules per arm | 400 | - | |
| Average submodule voltage | 1.6 | kV | |
| Submodule capacitance | 8 | mF |
| Symbol | Value | Units | Symbol | Value | Units |
|---|---|---|---|---|---|
| /km | mH/km | ||||
| /km | mH/km | ||||
| /km | mH/km | ||||
| c | F/km | g | S/km |
References
- Khazaei, J.; Beza, M.; Bongiorno, M. Impedance Analysis of Modular Multi-Level Converters Connected to Weak AC Grids. IEEE Trans. Power Syst. 2018, 33, 4015–4025. [Google Scholar] [CrossRef]
- Vidal-Albalate, R.; Forner, J. Modeling and Enhanced Control of Hybrid Full Bridge–Half Bridge MMCs for HVDC Grid Studies. Energies 2020, 13, 180. [Google Scholar] [CrossRef]
- Tu, Q.; Xu, Z.; Xu, L. Reduced Switching-Frequency Modulation and Circulating Current Suppression for Modular Multilevel Converters. IEEE Trans. Power Deliv. 2011, 26, 2009–2017. [Google Scholar] [CrossRef]
- Harnefors, L.; Antonopoulos, A.; Norrga, S.; Angquist, L.; Nee, H. Dynamic Analysis of Modular Multilevel Converters. IEEE Trans. Ind. Electron. 2013, 60, 2526–2537. [Google Scholar] [CrossRef]
- Angquist, L.; Antonopoulos, A.; Siemaszko, D.; Ilves, K.; Vasiladiotis, M.; Nee, H. Open-Loop Control of Modular Multilevel Converters Using Estimation of Stored Energy. IEEE Trans. Ind. Appl. 2011, 47, 2516–2524. [Google Scholar] [CrossRef]
- Jamshidifar, A.; Jovcic, D. Small-Signal Dynamic DQ Model of Modular Multilevel Converter for System Studies. IEEE Trans. Power Deliv. 2016, 31, 191–199. [Google Scholar] [CrossRef]
- Bergna, G.; Suul, J.A.; D’Arco, S. State-space modelling of modular multilevel converters for constant variables in steady-state. In Proceedings of the 2016 IEEE 17th Workshop on Control and Modeling for Power Electronics (COMPEL), Trondheim, Norway, 27–30 June 2016; pp. 1–9. [Google Scholar] [CrossRef]
- Prieto-Araujo, E.; Junyent-Ferré, A.; Collados-Rodríguez, C.; Clariana-Colet, G.; Gomis-Bellmunt, O. Control design of Modular Multilevel Converters in normal and AC fault conditions for HVDC grids. Electr. Power Syst. Res. 2017, 152, 424–437. [Google Scholar] [CrossRef]
- Antonopoulos, A.; Angquist, L.; Nee, H. On dynamics and voltage control of the Modular Multilevel Converter. In Proceedings of the 2009 13th European Conference on Power Electronics and Applications, Barcelona, Spain, 8–10 September 2009; pp. 1–10. [Google Scholar]
- Freytes, J.; Akkari, S.; Dai, J.; Gruson, F.; Rault, P.; Guillaud, X. Small-signal state-space modeling of an HVDC link with modular multilevel converters. In Proceedings of the 2016 IEEE 17th Workshop on Control and Modeling for Power Electronics (COMPEL), Trondheim, Norway, 27–30 June 2016; pp. 1–8. [Google Scholar] [CrossRef]
- Bergna-Diaz, G.; Suul, J.A.; D’Arco, S. Energy-Based State-Space Representation of Modular Multilevel Converters with a Constant Equilibrium Point in Steady-State Operation. IEEE Trans. Power Electron. 2018, 33, 4832–4851. [Google Scholar] [CrossRef]
- Sharifabadi, K.; Harnefors, L.; Nee, H.; Norrga, S.; Teodorescu, R. Modulation and Submodule Energy Balancing. In Design, Control, and Application of Modular Multilevel Converters for HVDC Transmission Systems; IEEE: Piscataway, NJ, USA, 2016; pp. 232–271. [Google Scholar] [CrossRef]
- Freytes, J.; Akkari, S.; Rault, P.; Belhaouane, M.M.; Gruson, F.; Colas, F.; Guillaud, X. Dynamic Analysis of MMC-Based MTDC Grids: Use of MMC Energy to Improve Voltage Behavior. IEEE Trans. Power Deliv. 2019, 34, 137–148. [Google Scholar] [CrossRef]
- Sánchez-Sánchez, E.; Prieto-Araujo, E.; Junyent-Ferré, A.; Gomis-Bellmunt, O. Analysis of MMC Energy-Based Control Structures for VSC-HVDC Links. IEEE J. Emerg. Sel. Top. Power Electron. 2018, 6, 1065–1076. [Google Scholar] [CrossRef]
- Agbemuko, A.J.; Domínguez-García, J.L.; Prieto-Araujo, E.; Gomis-Bellmunt, O. Dynamic modelling and interaction analysis of multi-terminal VSC-HVDC grids through an impedance-based approach. Int. J. Electr. Power Energy Syst. 2019, 113, 874–887. [Google Scholar] [CrossRef]
- Bayo-Salas, A.; Beerten, J.; Rimez, J.; Van Hertem, D. Analysis of control interactions in multi-infeed VSC HVDC connections. IET Gener. Transm. Distrib. 2016, 10, 1336–1344. [Google Scholar] [CrossRef]
- Bergna-Diaz, G.; Freytes, J.; Guillaud, X.; D’Arco, S.; Suul, J.A. Generalized Voltage-Based State-Space Modeling of Modular Multilevel Converters With Constant Equilibrium in Steady State. IEEE J. Emerg. Sel. Top. Power Electron. 2018, 6, 707–725. [Google Scholar] [CrossRef]
- Sakinci, O.C.; Beerten, J. Generalized Dynamic Phasor Modeling of the MMC for Small-Signal Stability Analysis. IEEE Trans. Power Deliv. 2019, 34, 991–1000. [Google Scholar] [CrossRef]
- Deore, S.R.; Darji, P.B.; Kulkarni, A.M. Dynamic phasor modeling of Modular Multi-level Converters. In Proceedings of the 2012 IEEE 7th International Conference on Industrial and Information Systems (ICIIS), Chennai, India, 6–9 August 2012; pp. 1–6. [Google Scholar] [CrossRef]
- Li, T.; Gole, A.; Zhao, C. Stablity of a modular multilevel converter based HVDC system considering DC side connection. In Proceedings of the 12th IET International Conference on AC and DC Power Transmission (ACDC 2016), Beijing, China, 28–29 May 2016; pp. 1–6. [Google Scholar] [CrossRef]
- Chen, H.; Hu, P.; Yu, Y.; Zhu, X. An advanced small-signal model of multi-terminal MMC-HVDC for power systems stability analysis based on dynamic phasors. In Proceedings of the 2017 IEEE Power Energy Society General Meeting, Chicago, IL, USA, 16–20 July 2017; pp. 1–5. [Google Scholar] [CrossRef]
- Guo, C.; Yang, J.; Zhao, C. Investigation of Small-Signal Dynamics of Modular Multilevel Converter Under Unbalanced Grid Conditions. IEEE Trans. Ind. Electron. 2019, 66, 2269–2279. [Google Scholar] [CrossRef]
- Lyu, J.; Cai, X.; Molinas, M. Impedance modeling of modular multilevel converters. In Proceedings of the IECON 2015—41st Annual Conference of the IEEE Industrial Electronics Society, Yokohama, Japan, 9–12 November 2015; pp. 000180–000185. [Google Scholar] [CrossRef]
- Wu, H.; Wang, X.; Kocewiak, L.; Harnefors, L. AC Impedance Modeling of Modular Multilevel Converters and Two-Level Voltage-Source Converters: Similarities and Differences. In Proceedings of the 2018 IEEE 19th Workshop on Control and Modeling for Power Electronics (COMPEL), Padova, Italy, 25–28 June 2018; pp. 1–8. [Google Scholar] [CrossRef]
- Shi, X.; Wang, Z.; Liu, B.; Li, Y.; Tolbert, L.M.; Wang, F. DC impedance modelling of a MMC-HVDC system for DC voltage ripple prediction under a single-line-to-ground fault. In Proceedings of the 2014 IEEE Energy Conversion Congress and Exposition (ECCE), Pittsburgh, PA, USA, 14–18 September 2014; pp. 5339–5346. [Google Scholar] [CrossRef]
- Uddin, W.; Zeb, K.; Adil Khan, M.; Ishfaq, M.; Khan, I.; Islam, S.U.; Kim, H.J.; Park, G.S.; Lee, C. Control of Output and Circulating Current of Modular Multilevel Converter Using a Sliding Mode Approach. Energies 2019, 12, 4084. [Google Scholar] [CrossRef]
- Sánchez-Sánchez, E.; Prieto-Araujo, E.; Gomis-Bellmunt, O. Multi-terminal HVDC voltage droop control design considering DC grid, AC grid and MMC dynamics. In Proceedings of the 13th IET International Conference on AC and DC Power Transmission (ACDC 2017), Manchester, UK, 14–16 February 2017; pp. 1–6. [Google Scholar] [CrossRef]
- Gnanarathna, U.N.; Gole, A.M.; Jayasinghe, R.P. Efficient Modeling of Modular Multilevel HVDC Converters (MMC) on Electromagnetic Transient Simulation Programs. IEEE Trans. Power Deliv. 2011, 26, 316–324. [Google Scholar] [CrossRef]
- Yang, H.; Dong, Y.; Li, W.; He, X. Average-Value Model of Modular Multilevel Converters Considering Capacitor Voltage Ripple. IEEE Trans. Power Deliv. 2017, 32, 723–732. [Google Scholar] [CrossRef]
- Peralta, J.; Saad, H.; Dennetiere, S.; Mahseredjian, J.; Nguefeu, S. Detailed and Averaged Models for a 401-Level MMC–HVDC System. IEEE Trans. Power Deliv. 2012, 27, 1501–1508. [Google Scholar] [CrossRef]
- Junyent-Ferré, A.; Clemow, P.; Merlin, M.M.C.; Green, T.C. Operation of HVDC Modular Multilevel Converters under DC pole imbalances. In Proceedings of the 2014 16th European Conference on Power Electronics and Applications, Piscataway, NJ, USA, 26–28 August 2014; pp. 1–10. [Google Scholar] [CrossRef]
- Bergna, G.; Suul, J.A.; D’Arco, S. Impact on small-signal dynamics of using circulating currents instead of AC-currents to control the DC voltage in MMC HVDC terminals. In Proceedings of the 2016 IEEE Energy Conversion Congress and Exposition (ECCE), Milwaukee, IL, USA, 18–22 September 2016; pp. 1–8. [Google Scholar] [CrossRef]
- Liu, W.; Liang, J.; de Morais Dias Campos, N.; Bhardwaj, V.; Beerten, J.; Van Hertem, D.; Ergun, H.; Tavakoli, S.; Prieto-Araujo, E.; Gomis-Bellmunt, O.; et al. Dynamic Converter Interactions and the Feasibility of Different Software Routines to Represent the Problems; InnoDC Deliverable 3.2. 2019, pp. 1–66. Available online: https://innodc.org/wp-content/uploads/sites/11/2019/03/Dynamic-converter-interactions-and-different-software-Feb-2019.pdf (accessed on 1 March 2020).
- Beerten, J.; D’Arco, S.; Suul, J.A. Frequency-dependent cable modelling for small-signal stability analysis of VSC-HVDC systems. IET Gener. Transm. Distrib. 2016, 10, 1370–1381. [Google Scholar] [CrossRef]
- Sudhoff, S.D.; Glover, S.F.; Lamm, P.T.; Schmucker, D.H.; Delisle, D.E. Admittance space stability analysis of power electronic systems. IEEE Trans. Aerosp. Electron. Syst. 2000, 36, 965–973. [Google Scholar] [CrossRef]




















© 2020 by the authors. Licensee MDPI, Basel, Switzerland. This article is an open access article distributed under the terms and conditions of the Creative Commons Attribution (CC BY) license (http://creativecommons.org/licenses/by/4.0/).
Share and Cite
Dadjo Tavakoli, S.; Prieto-Araujo, E.; Sánchez-Sánchez, E.; Gomis-Bellmunt, O. Interaction Assessment and Stability Analysis of the MMC-Based VSC-HVDC Link. Energies 2020, 13, 2075. https://doi.org/10.3390/en13082075
Dadjo Tavakoli S, Prieto-Araujo E, Sánchez-Sánchez E, Gomis-Bellmunt O. Interaction Assessment and Stability Analysis of the MMC-Based VSC-HVDC Link. Energies. 2020; 13(8):2075. https://doi.org/10.3390/en13082075
Chicago/Turabian StyleDadjo Tavakoli, Saman, Eduardo Prieto-Araujo, Enric Sánchez-Sánchez, and Oriol Gomis-Bellmunt. 2020. "Interaction Assessment and Stability Analysis of the MMC-Based VSC-HVDC Link" Energies 13, no. 8: 2075. https://doi.org/10.3390/en13082075
APA StyleDadjo Tavakoli, S., Prieto-Araujo, E., Sánchez-Sánchez, E., & Gomis-Bellmunt, O. (2020). Interaction Assessment and Stability Analysis of the MMC-Based VSC-HVDC Link. Energies, 13(8), 2075. https://doi.org/10.3390/en13082075

