A Long-Term Evaluation on Transmission Line Expansion Planning with Multistage Stochastic Programming
Abstract
1. Introduction
2. Transmission Line Expansion Planning Modelling
2.1. Objective Function of TLEP
2.2. Constraints of TLEP
3. Decomposition Method Formulations
3.1. Basic Form of MSSP and Nonanticipativity Constraint
- (1)
- The PH designates implementable by the projection but derives proximally.
- (2)
- The PB solves the dual problem of (17) to get a representative for and verify its degree of improvement.
3.2. Progressive Hedging Method
| Algorithm 1 Progressive Hedging Algorithm |
Initiate:, , , ,
Repeat:
1–4 until certain threshold is reached such that . |
3.3. Proximal Bundle Method
| Algorithm 2 Proximal Bundle Algorithm |
Initiate:, ,, , , ,
Repeat: 1–5 until certain threshold is reached such that . |
3.4. Branch and Bound in MSSP
- The node would be "fathomed" if new bound is higher than the current optimal or is infeasible.
- The node would be updated as the Best UB if new bound is lower than the current Best UB, and the NC is satisfied.
- The node would be updated as a candidate for the Best LB if new bound is lower than the current Best UB, but the NC is still not satisfied.
| Algorithm 3 Branch and Bound Algorithm |
Initiate:,, , ,
Repeat:
1–5 until all leaf nodes in are fathomed or. |
4. Simulation Results
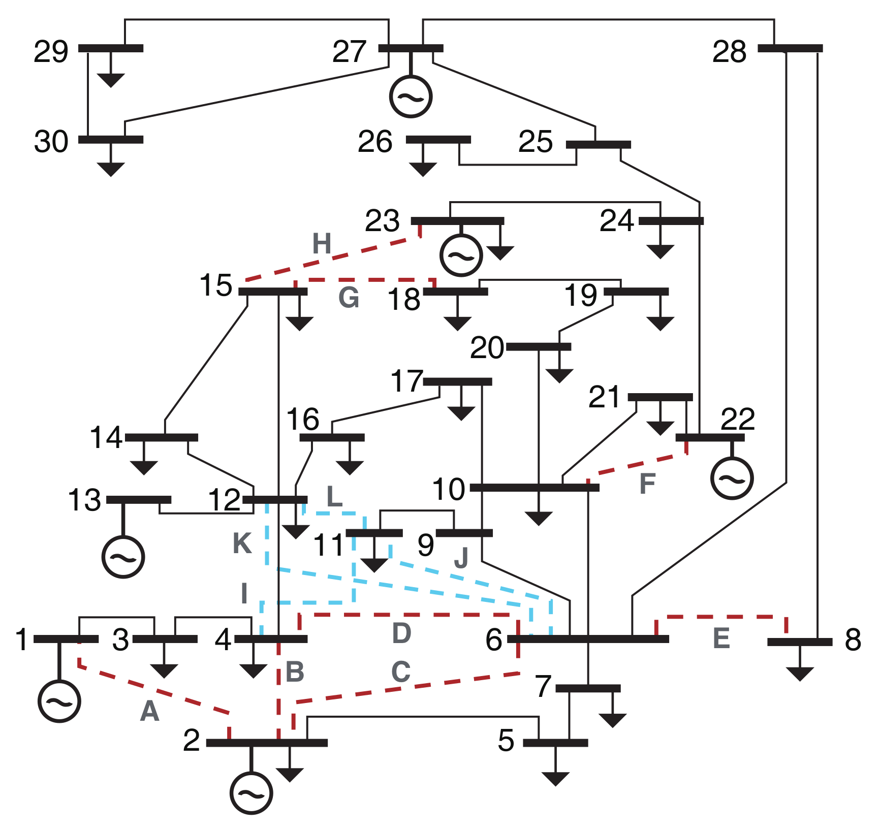
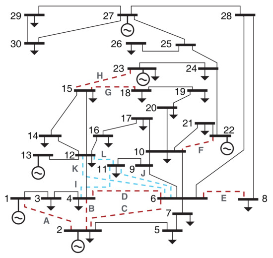
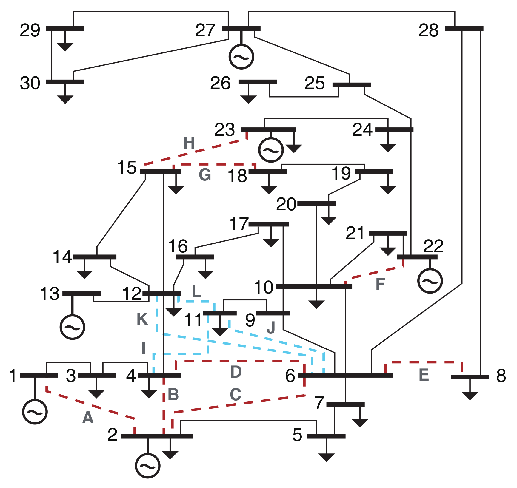
4.1. Test System Configuration
4.2. Stopping Criteria Testing
4.2.1. Progressive Hedging
4.2.2. Proximal Bundle
4.2.3. Branch and Bound
4.3. Numerical Results Analysis
5. Conclusions
Author Contributions
Funding
Conflicts of Interest
Abbreviations
| MSSP | Multistage stochastic programming |
| MILP | Mixed-integer linear programming |
| TLEP | Transmission line expansion planning |
| DD | Dual decomposition |
| PH | Progressive hedging |
| PB | Proximal bundle |
| BB | Branch-and-bound |
| DDSIP | Dual decomposition in stochastic integer programming |
References
- Global Plug-in Vehicle Sales and Share. 2018. Available online: http://www.ev-volumes.com/country/total-world-plug-invehicle-volumes/ (accessed on 30 October 2019).
- Salmeron-Manzano, E.; Manzanorldwide Ro-Agugliaro, F. The Electric Bicycle: Wesearch Trends. Energies 2018, 11, 1894. [Google Scholar] [CrossRef]
- Martínez-Lao, J.; Montoya, F.G.; Montoya, M.G.; Manzano-Agugliaro, F. Electric vehicles in Spain: An overview of charging systems. Renew. Sustain. Energy Rev. 2017, 77, 970–983. [Google Scholar] [CrossRef]
- Mahdavi, M.; Monsef, H.; Romero, R. Reliability effects of maintenance on TNEP considering preventive and corrective repairs. IEEE Trans. Power Syst. 2016, 32, 3768–3781. [Google Scholar] [CrossRef]
- Alguacil, N.; Motto, A.L.; Conejo, A.J. Transmission expansion planning: A mixed-integer LP approach. IEEE Trans. Power Syst. 2003, 18, 1070–1077. [Google Scholar] [CrossRef]
- Abdelaziz, A.R. Genetic algorithm-based power transmission expansion planning. In Proceedings of the ICECS 2000 7th IEEE International Conference on Electronics, Circuits and Systems (Cat. No. 00EX445), Jounieh, Lebanon, 17–20 December 2000; IEEE: Piscataway, NJ, USA, 2000; Volume 2, pp. 642–645. [Google Scholar]
- Rahmani, M.; Romero, R.A.; Rider, M.J. Risk/investment-driven transmission expansion planning with multiple scenarios. IET Gener. Transm. Distrib. 2013, 7, 154–165. [Google Scholar] [CrossRef]
- Cheung, K.; Gade, D.; Silva-Monroy, C.; Ryan, S.M.; Watson, J.P.; Wets, R.J.B.; Woodruff, D.L. Toward scalable stochastic unit commitment. Energy Syst. 2015, 6, 417–438. [Google Scholar] [CrossRef]
- Peng, C.; Xie, P.; Pan, L.; Yu, R. Flexible Robust Optimization Dispatch for Hybrid Wind/Photovoltaic/ Hydro/Thermal Power System. IEEE Trans. Smart Grid 2016, 7, 751–762. [Google Scholar] [CrossRef]
- Roald, L.; Andersson, G. Chance-Constrained AC Optimal Power Flow: Reformulations and Efficient Algorithms. IEEE Trans. Power Syst. 2018, 33, 2906–2918. [Google Scholar] [CrossRef]
- Higle, J.L. Stochastic programming: Optimization when uncertainty matters. In Emerging Theory, Methods, and Applications; Informs: Catonsville, MD, USA, 2005; pp. 30–53. [Google Scholar]
- Ahmed, S.; Luedtke, J.; Song, Y.; Xie, W. Nonanticipative duality, relaxations, and formulations for chance-constrained stochastic programs. Math. Program. 2017, 162, 51–81. [Google Scholar] [CrossRef]
- Carøe, C.C.; Tind, J. L-shaped decomposition of two-stage stochastic programs with integer recourse. Math. Program. 1998, 83, 451–464. [Google Scholar] [CrossRef]
- Rockafellar, R.T.; Wets, R.J.B. Scenarios and policy aggregation in optimization under uncertainty. Math. Oper. Res. 1991, 16, 119–147. [Google Scholar] [CrossRef]
- Ryu, E.K.; Boyd, S. Primer on monotone operator methods. Appl. Comput. Math 2016, 15, 3–43. [Google Scholar]
- CarøE, C.C.; Schultz, R. Dual decomposition in stochastic integer programming. Oper. Res. Lett. 1999, 24, 37–45. [Google Scholar] [CrossRef]
- Kiwiel, K.C. Proximity control in bundle methods for convex nondifferentiable minimization. Math. Program. 1990, 46, 105–122. [Google Scholar] [CrossRef]
- Guo, G.; Hackebeil, G.; Ryan, S.M.; Watson, J.P.; Woodruff, D.L. Integration of progressive hedging and dual decomposition in stochastic integer programs. Oper. Res. Lett. 2015, 43, 311–316. [Google Scholar] [CrossRef]
- Lubin, M.; Martin, K.; Petra, C.G.; Sandıkçı, B. On parallelizing dual decomposition in stochastic integer programming. Oper. Res. Lett. 2013, 41, 252–258. [Google Scholar] [CrossRef]
- Gade, D.; Hackebeil, G.; Ryan, S.M.; Watson, J.P.; Wets, R.J.B.; Woodruff, D.L. Obtaining lower bounds from the progressive hedging algorithm for stochastic mixed-integer programs. Math. Program. 2016, 157, 47–67. [Google Scholar] [CrossRef]
- Watson, J.P.; Woodruff, D.L. Progressive hedging innovations for a class of stochastic mixed-integer resource allocation problems. Comput. Manag. Sci. 2011, 8, 355–370. [Google Scholar] [CrossRef]
- Crainic, T.G.; Hewitt, M.; Rei, W. Scenario grouping in a progressive hedging-based meta-heuristic for stochastic network design. Comput. Oper. Res. 2014, 43, 90–99. [Google Scholar] [CrossRef]
- Barnett, J.; Watson, J.P.; Woodruff, D.L. BBPH: Using progressive hedging within branch and bound to solve multi-stage stochastic mixed integer programs. Oper. Res. Lett. 2017, 45, 34–39. [Google Scholar] [CrossRef]
- Majidi-Qadikolai, M.; Baldick, R. A Generalized Decomposition Framework for Large-Scale Transmission Expansion Planning. IEEE Trans. Power Syst. 2018, 33, 1635–1649. [Google Scholar] [CrossRef]
- Zheng, Q.P.; Wang, J.; Liu, A.L. Stochastic optimization for unit commitment—A review. IEEE Trans. Power Syst. 2014, 30, 1913–1924. [Google Scholar] [CrossRef]
- Munoz, F.D.; Watson, J.P. A scalable solution framework for stochastic transmission and generation planning problems. Comput. Manag. Sci. 2015, 12, 491–518. [Google Scholar] [CrossRef]
- Wu, H.; Krad, I.; Florita, A.; Hodge, B.M.; Ibanez, E.; Zhang, J.; Ela, E. Stochastic multi-timescale power system operations with variable wind generation. IEEE Trans. Power Syst. 2016, 32, 3325–3337. [Google Scholar] [CrossRef]
- Romero, R.; Rider, M.J.; Silva, I.d.J. A metaheuristic to solve the transmission expansion planning. IEEE Trans. Power Syst. 2007, 22, 2289–2291. [Google Scholar] [CrossRef]
- Gürkan, G.; Yonca Özge, A.; Robinson, S.M. Sample-path solution of stochastic variational inequalities. Math. Program. 1999, 84, 313–333. [Google Scholar] [CrossRef]
- Chen, S.T.; Kuo, H.I.; Chen, C.C. The relationship between GDP and electricity consumption in 10 Asian countries. Energy Policy 2007, 35, 2611–2621. [Google Scholar] [CrossRef]
- Abadie, L.M.; Chamorro, J.M. Valuing expansions of the electricity transmission network under uncertainty: The binodal case. Energies 2011, 4, 1696–1727. [Google Scholar] [CrossRef]
- Mahdavi, M.; Monsef, H.; Romero, R. Reliability and Economic Effects of Maintenance on TNEP Considering Line Loading and Repair. IEEE Trans. Power Syst. 2016, 31, 3381–3393. [Google Scholar] [CrossRef]







| Nomenclature | |||
|---|---|---|---|
| Sets | Description | Indices | Description |
| Set of indices of the stages | t | Index of stage | |
| Set of indices of prospective transmission lines | l | Index of prospective transmission line | |
| Set of indices of existing transmission lines | k | Index of existing transmission line | |
| Set of indices of all possible transmission lines | m | Index of all possible transmission line | |
| Set of indices of generating units | i | Index of generating unit | |
| Set of indices of demands | j | Index of demand | |
| Set of indices of buses | b | Index of bus | |
| Set of lines connected to bus b | |||
| Set of generators located at bus b | |||
| Set of demands at bus b | |||
| Network Information | ||||||||
|---|---|---|---|---|---|---|---|---|
| Transmission Line Network Side | Generation Side | |||||||
| Candidates | Bus[from - to] | Capacity | Bus | Capacity | Coef1 | Coef2 | Coef3 | |
| [] | [] | [] | ||||||
| A | 1–2 | 0.5 | 130 | 1 | 80 | 0 | 2 | 0.02 |
| B | 2–4 | 0.5 | 65 | 2 | 80 | 0 | 1.75 | 0.0175 |
| C | 2–6 | 0.5 | 65 | 13 | 50 | 0 | 1 | 0.0625 |
| D | 4–6 | 0.5 | 90 | 22 | 55 | 0 | 3.25 | 0.00834 |
| E | 6–8 | 0.5 | 32 | 23 | 30 | 0 | 3 | 0.025 |
| F | 10–22 | 0.5 | 32 | 27 | 40 | 0 | 3 | 0.025 |
| G | 15–18 | 0.5 | 16 | |||||
| H | 15–23 | 0.5 | 16 | |||||
| I | 4–11 | 0.5 | 16 | |||||
| J | 6–11 | 0.5 | 16 | |||||
| K | 6–12 | 0.5 | 16 | |||||
| L | 11–12 | 0.5 | 16 | |||||
| Objective | Time | Convergence Rate | Termination | |
|---|---|---|---|---|
| 0.1 | 4014.25 | 5977.37 | 0.007 | ✗ |
| 1 | 4239.17 | 2836.41 | 9.98 × 10 | ✓ |
| 5 | 4338.48 | 3220.80 | 4.69 × 10 | ✓ |
| 10 | 4918.19 | 8238.30 | 1.013 | ✗ |
| Case | ST | SP | Method | [A–L] | [from–to] | Time (sec) | Objective | MIP Gap | ||
|---|---|---|---|---|---|---|---|---|---|---|
| PH | - | 8–28, 16–17 | 14 | 2359.67 | ✓ | ✓ | 0.001 | |||
| PB | - | 8–28, 16–17 | 39 | 2276.68 | ✓ | ✗ | 0.001 | |||
| 1 | 2 | 10 | DDSIP | - | 8–28, 21–22 | 47 | 2279.24 | ✓ | ✓ | 0.001 |
| PH + DDSIP | - | 8–28, 21–22 | 42 | 2279.24 | ✓ | ✓ | 0.001 | |||
| EF | - | 8–28, 21–22 | 15 | 2279.32 | ✓ | ✓ | 0.001 | |||
| PH | - | 8–28, 21–22 | 2836 | 4239.17 | ✓ | ✓ | 0.001 | |||
| PB | - | - | 378 | 3960.96 | ✓ | ✗ | 0.001 | |||
| 2 | 4 | 7 | DDSIP | J | 8–28 | 3309 | 4014.61 | ✓ | ✓ | 0.001 |
| PH + DDSIP | J | 8–28 | 3104 | 4,014.66 | ✓ | ✓ | 0.001 | |||
| EF | J | 8–28 | 115,590 | 4013.42 | ✓ | ✓ | 0.01 | |||
| PH | - | - | - | 6460.84 | ✗ | ✗ | 0.01 | |||
| PB | - | - | 6501 | 5355.88 | ✓ | ✗ | 0.01 | |||
| 3 | 6 | 5 | DDSIP | L | 8–28, 21–22 | 55,100 | 6254.78 | ✓ | ✓ | 0.01 |
| PH + DDSIP | L | 8–28, 21–22 | 46,915 | 6239.28 | ✓ | ✓ | 0.01 | |||
| EF | - | - | - | - | ✗ | ✗ | 0.01 |
© 2020 by the authors. Licensee MDPI, Basel, Switzerland. This article is an open access article distributed under the terms and conditions of the Creative Commons Attribution (CC BY) license (http://creativecommons.org/licenses/by/4.0/).
Share and Cite
Han, S.; Kim, H.-J.; Lee, D. A Long-Term Evaluation on Transmission Line Expansion Planning with Multistage Stochastic Programming. Energies 2020, 13, 1899. https://doi.org/10.3390/en13081899
Han S, Kim H-J, Lee D. A Long-Term Evaluation on Transmission Line Expansion Planning with Multistage Stochastic Programming. Energies. 2020; 13(8):1899. https://doi.org/10.3390/en13081899
Chicago/Turabian StyleHan, Sini, Hyeon-Jin Kim, and Duehee Lee. 2020. "A Long-Term Evaluation on Transmission Line Expansion Planning with Multistage Stochastic Programming" Energies 13, no. 8: 1899. https://doi.org/10.3390/en13081899
APA StyleHan, S., Kim, H.-J., & Lee, D. (2020). A Long-Term Evaluation on Transmission Line Expansion Planning with Multistage Stochastic Programming. Energies, 13(8), 1899. https://doi.org/10.3390/en13081899

