Magnetizing Characteristics of Bridge Type Superconducting Fault Current Limiter (SFCL) with Simultaneous Quench Using Flux-Coupling
Abstract
:1. Introduction
2. Structure and Operating Principle
2.1. Sturcture and Principle
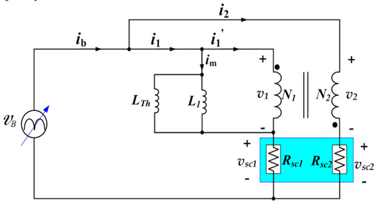
2.2. Equivalent Circuit
3. Experimental Results
3.1. Preparation of Experiment
3.2. Experimental Results
4. Conclusions
- (1)
- The fault current can be limited faster.
- (2)
- The magnetic flux (ϕ1) of the primary winding had little change, but the magnetic flux (ϕ2) of the secondary winding decreased significantly.
- (3)
- Immediately after the failure, the power consumption of HTSC elements acted more.
- (4)
- During the fault period, the range of voltage fluctuation according to the magnetizing current was wider, but the energy () consumed by the magnetization power was small.
- (5)
- During the fault period, both the maximum magnetization power and the magnetization power’s area change were high according to the magnetizing current.
- (6)
- The maximum flux linkages (λ1, λ2) of the primary and secondary windings during the fault period were small, but their operating range was slightly wider.
Author Contributions
Funding
Conflicts of Interest
Nomenclature
| HTSC | the high temperature superconducting |
| Ein | the AC power supply voltage |
| iin | the input current of the bridge type SFCL |
| ib | the total current of the primary winding and the secondary winding |
| i1 | the current of the primary winding |
| i2 | the current of the secondary winding |
| im | the magnetizing current |
| N1 | the turn number of the primary winding |
| N2 | the turn number the secondary winding |
| L1 | the self-inductance wound on the core |
| LTh | the equivalent inductance for both windings |
| ZSFCL | the limiting impedance |
| the voltage rectified by the full-wave bridge | |
| the voltage induced by the primary winding | |
| the voltage induced by the secondary winding | |
| the voltage induced by the HTSC element 1 | |
| the voltage induced by the HTSC element 2 | |
| RSC1 | the resistance of HTSC element 1 |
| RSC2 | the resistance of HTSC element 2 |
| Ic1 | the critical current of HTSC element 1 |
| Ic2 | the critical current of HTSC element 2 |
| Lline | the line inductance |
| Rline | the line resistance |
| Rload | the load resistance |
| Vrms | the input voltage source |
| ϕ1 | the magnetic flux of the primary winding |
| ϕ2 | the magnetic flux of the secondary winding |
| P1 | the power of the primary winding |
| P2 | the power of the secondary winding |
| PSC1 | the power of HTSC element 1 |
| PSC2 | the power of HTSC element 2 |
| pm | the magnetization power |
| Jm | the joule energy dissipated by the magnetization power |
| λ | the flux linkage |
| λ1 | the flux linkage of the primary winding |
| λ2 | the flux linkage of the secondary winding |
References
- Hara, T.; Okuma, T.; Yamamoto, T.; Ito, D.; Tasaki, K.; Tsurunaga, K. Development of a new 6.6 kV/1500 A class superconducting fault current limiter for electric power systems. IEEE Trans. Power Deliv. 1993, 8, 182–192. [Google Scholar] [CrossRef]
- Kadoe, H.; Ichikawa, M. Performance of a high-Tc superconducting fault current limiter-design of a 6.6 kV magnetic shielding type superconducting fault current limiter. IEEE Trans. Appl. Supercon. 1997, 7, 993–996. [Google Scholar] [CrossRef]
- Yamaguchi, H.; Kataoka, T.; Yaguchi, K.; Fujita, S.; Yoshikawa, K.; Kaiho, K. Characteristics analysis of transformer type superconducting fault current limiter. IEEE Trans. Appl. Supercon. 2004, 14, 815–818. [Google Scholar] [CrossRef]
- Lee, G.H.; Park, K.B.; Sim, J.; Kim, Y.G.; Oh, I.S.; Hyun, O.B.; Lee, B.W. Hybrid superconducting fault current limiter of the first half cycle non-limiting type. IEEE Trans. Appl. Supercond. 2009, 19, 1888–1891. [Google Scholar]
- Liang, S.; Tang, Y.; Xia, Z.; Ren, L.; Chen, L.; Xu, Y.; Wang, Z.; Yan, S. Study on the current limiting performance of a novel SFCL in DC systems. IEEE Trans. Appl. Supercond. 2017, 27, 5601106. [Google Scholar] [CrossRef]
- Ko, S.C.; Lim, S.H. Analysis on magnetizing characteristics due to peak fault current limiting operation of a modified flux-lock-type SFCL with two magnetic paths. IEEE Trans. Appl. Supercond. 2016, 26, 5601605. [Google Scholar] [CrossRef]
- Lee, H.Y.; Asif, M.; Park, K.H.; Lee, B.W. Feasible application study of several types of superconducting fault current limiters in HVDC grids. IEEE Trans. Appl. Supercond. 2018, 28, 5601205. [Google Scholar] [CrossRef]
- Lee, S.; Kang, H.; Bae, D.K.; Ahn, M.C.; Mun, T.; Park, K.; Lee, Y.; Ko, T.K. Development of 6.6 kV-200 A DC reactor type superconducting fault current limiter. IEEE Trans. Appl. Supercond. 2004, 14, 867–870. [Google Scholar] [CrossRef]
- Morandi, A.; Imparato, S.; Grasso, G.; Berta, S.; Martini, L.; Bocchi, M.; Fabbri, M.; Negrini, F.; Ribani, P.L. Design of a DC resistive SFCL for application to the 20 kV distribution system. IEEE Trans. Appl. Supercond. 2010, 20, 1122–1126. [Google Scholar] [CrossRef]
- Jiang, L.; Jin, J.X.; Chen, X.Y. Fully controlled hybrid bridge type superconducting fault current limiter. IEEE Trans. Appl. Supercond. 2014, 24, 5602705. [Google Scholar]
- You, H.; Jin, J. Characteristic analysis of a fully controlled bridge type superconducting fault current limiter. IEEE Trans. Appl. Supercond. 2016, 26, 5603706. [Google Scholar] [CrossRef]
- Lim, S.H.; Choi, H.S.; Han, B.S. Fault current limiting characteristics of DC dual reactor Type SFCL using switching operation of HTSC elements. IEEE Trans. Appl. Supercond. 2006, 16, 723–726. [Google Scholar] [CrossRef]
- Joo, M.S.; Ko, T.K. Novel design and operational characteristics of inductive high-Tc superconducting fault current limiter. IEEE Trans. Appl. Supercond. 1997, 7, 1005–1008. [Google Scholar]
- Kim, H.R.; Choi, H.S.; Lim, H.R.; Kim, I.S.; Hyun, O.B. Initial quench development in uniform Au/Y-Ba-Cu-O thin films. IEEE Trans. Appl. Supercond. 2001, 11, 2414–2417. [Google Scholar]








| Windings (Turn Number) | Value | Unit |
| Primary Winding (N1) | 150 | Turns |
| Secondary Winding (N2) | 150 | Turns |
| Two HTSC Elements (, ) | Value | Unit |
| Material | YBCO | Thin Film |
| Critical Current () of HTSC element 1 | 18.15 | A |
| Critical Current () of HTSC element 2 | 19.04 | A |
| Total Meander Line Length | 420 | mm |
| Thin Film Thickness | 2 | mm |
| Line Width | 0.3 | μm |
| Gold Layer Thickness | 0.2 | μm |
© 2020 by the authors. Licensee MDPI, Basel, Switzerland. This article is an open access article distributed under the terms and conditions of the Creative Commons Attribution (CC BY) license (http://creativecommons.org/licenses/by/4.0/).
Share and Cite
Ko, S.-C.; Han, T.-H.; Lim, S.-H. Magnetizing Characteristics of Bridge Type Superconducting Fault Current Limiter (SFCL) with Simultaneous Quench Using Flux-Coupling. Energies 2020, 13, 1760. https://doi.org/10.3390/en13071760
Ko S-C, Han T-H, Lim S-H. Magnetizing Characteristics of Bridge Type Superconducting Fault Current Limiter (SFCL) with Simultaneous Quench Using Flux-Coupling. Energies. 2020; 13(7):1760. https://doi.org/10.3390/en13071760
Chicago/Turabian StyleKo, Seok-Cheol, Tae-Hee Han, and Sung-Hun Lim. 2020. "Magnetizing Characteristics of Bridge Type Superconducting Fault Current Limiter (SFCL) with Simultaneous Quench Using Flux-Coupling" Energies 13, no. 7: 1760. https://doi.org/10.3390/en13071760
APA StyleKo, S.-C., Han, T.-H., & Lim, S.-H. (2020). Magnetizing Characteristics of Bridge Type Superconducting Fault Current Limiter (SFCL) with Simultaneous Quench Using Flux-Coupling. Energies, 13(7), 1760. https://doi.org/10.3390/en13071760

