Analysis and Design of Three-Phase Buck Rectifier Employing UPS to Supply High Reliable DC Power
Abstract
:1. Introduction
2. Proposed Power Conversion System
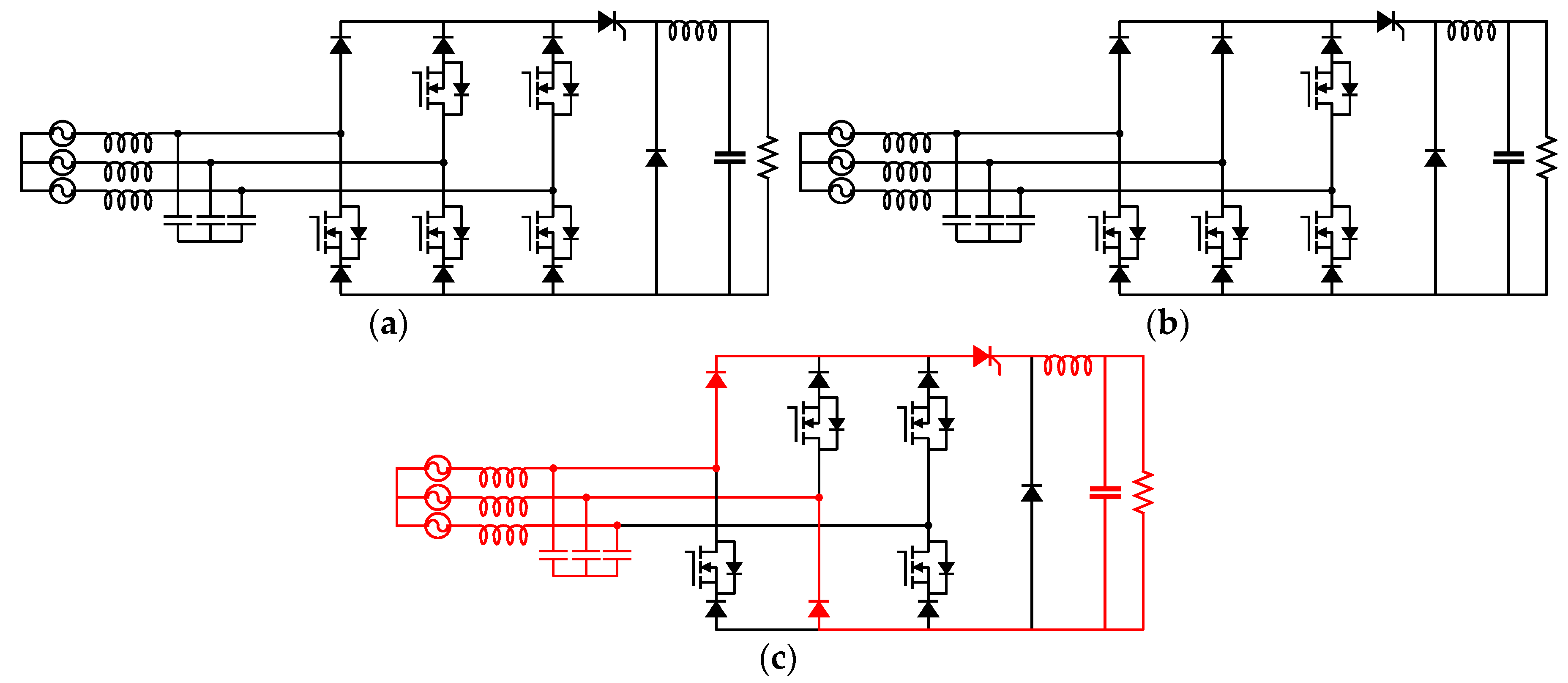
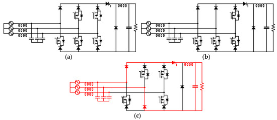
2.1. Conventional System Structure
2.2. Proposed System Structure
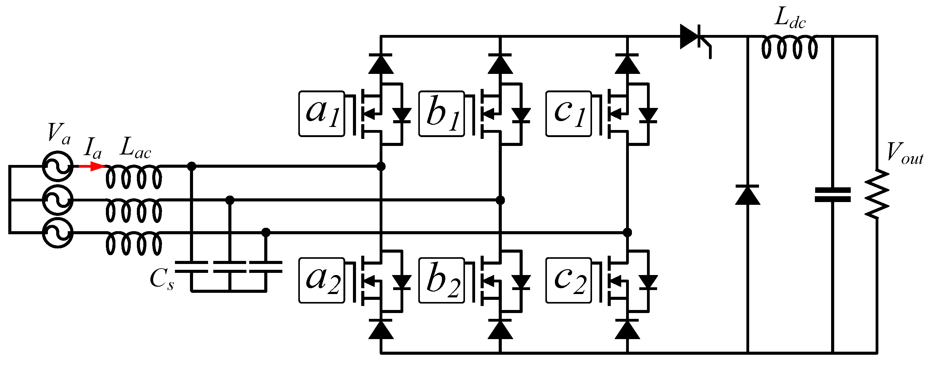
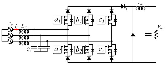
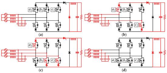
2.3. Three-Phase Buck Rectifier with Thyristor
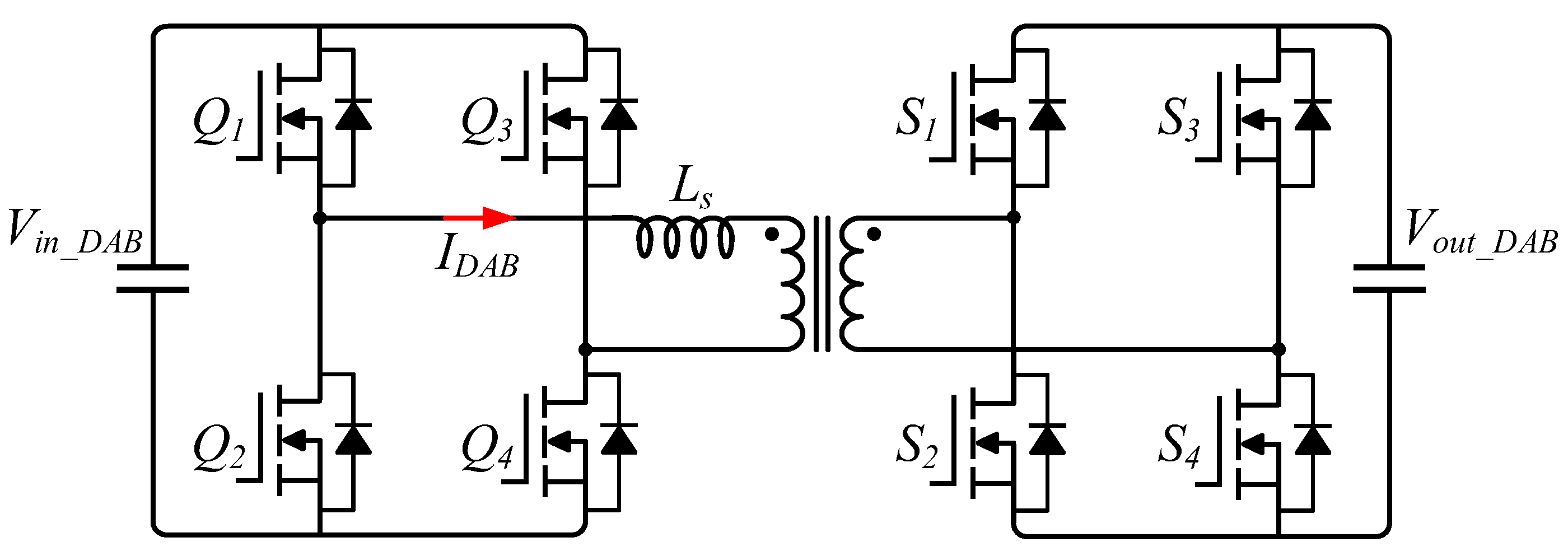
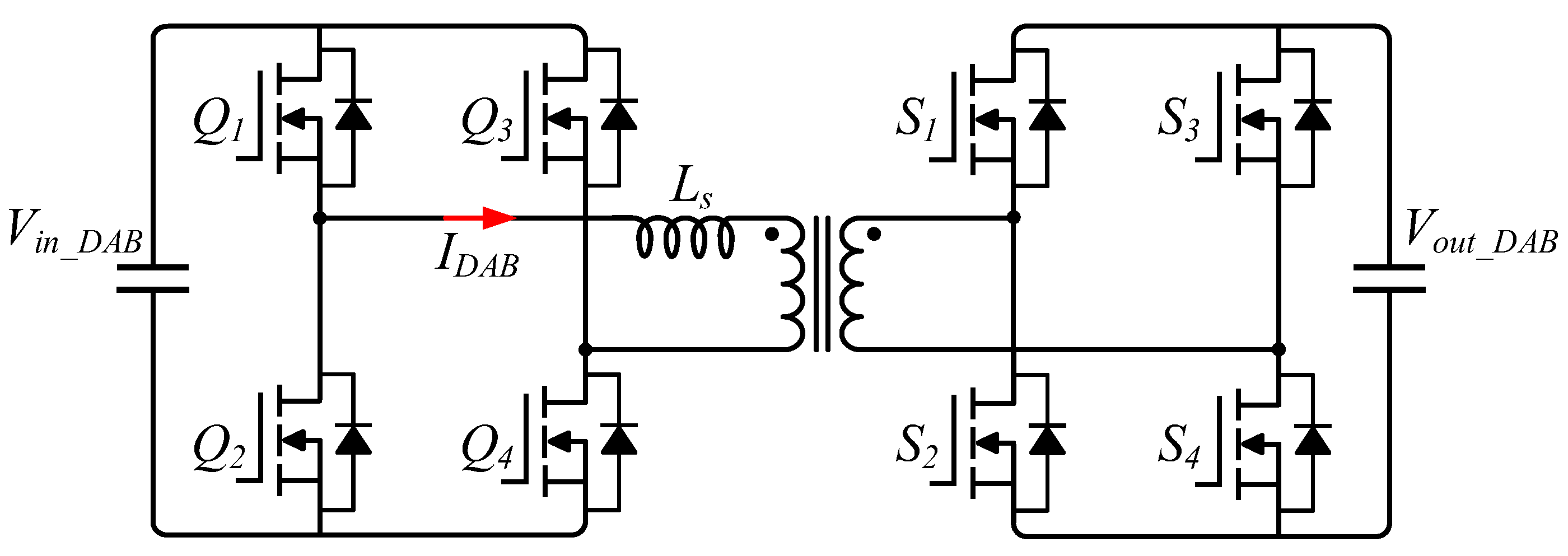
2.4. Dual-Active-Bridge Converter with Protection Algorithm
3. Experimental Results
4. Conclusions
Author Contributions
Funding
Conflicts of Interest
References
- Elsayed, A.T.; Mohamed, A.A.; Mohammed, O.A. DC Microgrids and Distribution Systems: An Overview. Electr. Power Syst. Res. 2015, 119, 407–417. [Google Scholar] [CrossRef]
- AlLee, G.; Tschudi, W. Edison redux: 380 Vdc brings reliability and efficiency to sustainable data centers. IEEE Power Energy Mag. 2012, 10, 50–59. [Google Scholar] [CrossRef]
- Joseph, S.C.; Dhanesh, P.R. Lvdc architecture for residential application. In Proceedings of the 2016 IEEE International Conference on Power Electronics, Drives and Energy Systems (PEDES), Trivandrum, India, 14–17 December 2016; pp. 1–4. [Google Scholar]
- Wu, T.F.; Kuo, C.L.; Sun, K.H.; Chang, Y.C. DC-bus voltage regulation and power compensation with bi-directional inverter in dc-microgrid applications. In Proceedings of the 2011 IEEE Energy Conversion Congress and Exposition, Phoenix, AZ, USA, 17–22 September 2011; pp. 4161–4168. [Google Scholar]
- Lin, B.R.; Hung, Z.L. A single-phase bidirectional rectifier with power factor correction. In Proceedings of the IEEE Region 10 International Conference on Electrical and Electronic Technology, Singapore, 19–22 August 2001; Volume 2, pp. 601–605. [Google Scholar]
- Zhu, Q.; Wang, L.; Zhang, L.; Yu, W.; Huang, A.Q. Improved medium voltage AC-DC rectifier based on 10kV SiC MOSFET for Solid State Transformer (SST) application. In Proceedings of the 2016 IEEE Applied Power Electronics Conference and Exposition (APEC), Long Beach, CA, USA, 20–24 March 2016; pp. 2365–2369. [Google Scholar]
- Celanovic, N.; Boroyevich, D. A comprehensive study of neutral-point voltage balancing problem in three-level neutral-point-clamped voltage source PWM inverters. IEEE Trans. Power Electron. 2000, 15, 242–249. [Google Scholar] [CrossRef]
- Rabkowski, J.; Sak, T.; Strzelecki, R.; Grabarek, M. SiC-based T-type modules for multi-pulse inverter with coupled inductors. In Proceedings of the 2017 11th IEEE International Conference on Compatibility, Power Electronics and Power Engineering (CPE-POWERENG), Cadiz, Spain, 4–6 April 2017; pp. 568–572. [Google Scholar]
- Aamir, M.; Mekhilef, S.; Kim, H.J. High-Gain Zero-Voltage Switching Bidirectional Converter with a Reduced Number of Switches. IEEE Trans. Circuits Syst. II 2015, 62, 816–820. [Google Scholar]
- Pires, V.F.; Foito, D.; Cordeiro, A. A DC–DC Converter with Quadratic Gain and Bidirectional Capability for Batteries/Supercapacitors. IEEE Trans. Ind. Appl. 2018, 54, 274–285. [Google Scholar] [CrossRef]
- Stupar, A.; Friedli, T.; Minibock, J.; Kolar, J.W. Towards a 99% Efficient Three-Phase Buck-Type PFC Rectifier for 400-V DC Distribution Systems. IEEE Trans. Power Electron. 2012, 27, 1732–1744. [Google Scholar] [CrossRef]
- Guo, B.; Wang, F.; Burgos, R.; Aeloiza, E. Control of three-phase buck-type rectifier in discontinuous current mode. In Proceedings of the 2013 IEEE Energy Conversion Congress and Exposition, Denver, CO, USA, 15–19 September 2013; pp. 4864–4871. [Google Scholar]
- Safaee, A.; Jain, P.K.; Bakhshai, A. An Adaptive ZVS Full-Bridge DC–DC Converter with Reduced Conduction Losses and Frequency Variation Range. IEEE Trans. Power Electron. 2015, 30, 4107–4118. [Google Scholar] [CrossRef]
- Kamtip, S.; Bhumkittipich, K. Comparison between mechanical circuit breaker and solid state circuit breaker under abnormal conditions for low voltage systems. In Proceedings of the 2015 18th International Conference on Electrical Machines and Systems (ICEMS), Pattaya, Thailand, 25–28 October 2015; pp. 1091–1096. [Google Scholar]
- Guo, Y.; Wang, G.; Zeng, D.; Li, H.; Chao, H.A. Thyristor Full-Bridge-Based DC Circuit Breaker. IEEE Trans. Power Electron. 2020, 35, 1111–1123. [Google Scholar] [CrossRef]
- Kazmierkowski, M.P.; Malesani, L. Current control techniques for three-phase voltage-source PWM converters: A. survey. IEEE Trans. Ind. Electron. 1998, 45, 691–703. [Google Scholar] [CrossRef]
- Rivetta, C.H.; Emadi, A.; Williamson, G.A.; Jayabalan, R.; Fahimi, B. Analysis and control of a buck DC-DC converter operating with constant power load in sea and undersea vehicles. IEEE Trans. Ind. Appl. 2006, 42, 559–572. [Google Scholar] [CrossRef]
- Zhao, B.; Song, Q.; Liu, W.; Sun, Y. Overview of Dual-Active-Bridge Isolated Bidirectional DC–DC Converter for High-Frequency-Link Power-Conversion System. IEEE Trans. Power Electron. 2014, 29, 4091–4106. [Google Scholar] [CrossRef]

















| Vline to line(RMS) | 220 V | Lac | 7 mH |
|---|---|---|---|
| Vout | 110 V | Ldc | 3 mH |
| Prated | 3.6 kW | Cs | 1 μF |
| fs | 15 kHz | Thyristor | SK065KTP |
| Cout | 9 mF | MOSFET(Rectifier) | C2M0045170D |
| Diode (Rectifier) | C5D25170H | MOSFET(DAB) | 65C6037 |
© 2020 by the authors. Licensee MDPI, Basel, Switzerland. This article is an open access article distributed under the terms and conditions of the Creative Commons Attribution (CC BY) license (http://creativecommons.org/licenses/by/4.0/).
Share and Cite
Lee, J.-Y.; Heo, K.-W.; Kim, K.-T.; Jung, J.-H. Analysis and Design of Three-Phase Buck Rectifier Employing UPS to Supply High Reliable DC Power. Energies 2020, 13, 1704. https://doi.org/10.3390/en13071704
Lee J-Y, Heo K-W, Kim K-T, Jung J-H. Analysis and Design of Three-Phase Buck Rectifier Employing UPS to Supply High Reliable DC Power. Energies. 2020; 13(7):1704. https://doi.org/10.3390/en13071704
Chicago/Turabian StyleLee, Jun-Young, Kyung-Wook Heo, Kyu-Tae Kim, and Jee-Hoon Jung. 2020. "Analysis and Design of Three-Phase Buck Rectifier Employing UPS to Supply High Reliable DC Power" Energies 13, no. 7: 1704. https://doi.org/10.3390/en13071704
APA StyleLee, J.-Y., Heo, K.-W., Kim, K.-T., & Jung, J.-H. (2020). Analysis and Design of Three-Phase Buck Rectifier Employing UPS to Supply High Reliable DC Power. Energies, 13(7), 1704. https://doi.org/10.3390/en13071704

