Detection and Location of Earth Fault in MV Feeders Using Screen Earthing Current Measurements
Abstract
1. Introduction
2. Methods of Fault Localization
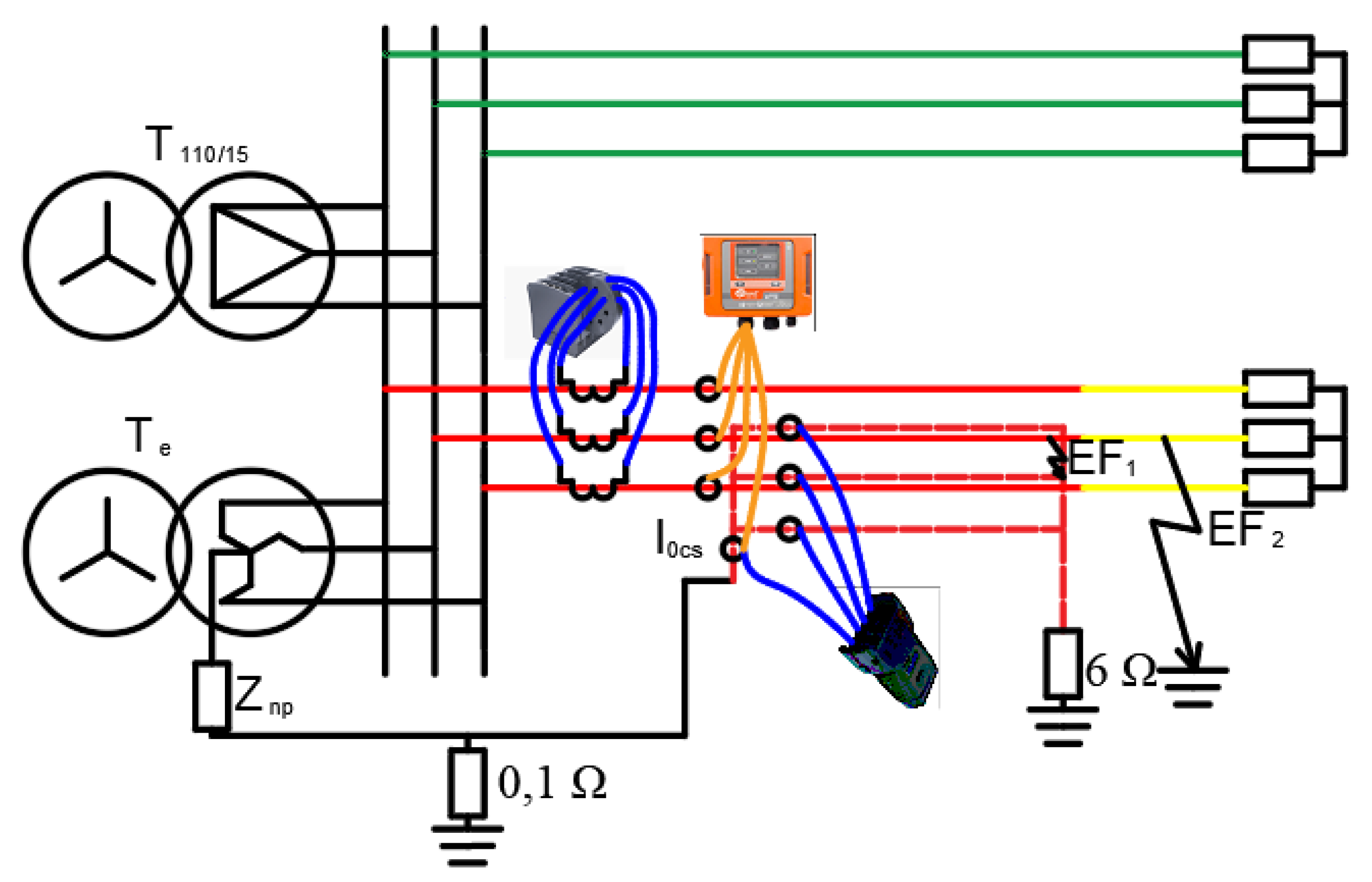
3. Measuring System
4. Simulation Tests
4.1. Cable Lines
4.2. Cable—Overhead Lines
5. Research in the MV Network
6. Developed Algorithms
7. Summary
- no communication required;
- cost effective single point measuring;
- the developed algorithm can detect earth faults in case of zero sequence voltage or current transformer failure;
- operate properly in case of neutral point impedance/transformer failure.
- simplified analytical expression is not sufficient for different cases and therefore it is recommended to use simulation software for analysis of real cable line. Proposed approach may be problematic in some countries;
- proposed solution is not universal and, in some cases, (presented in Table 3), the effectiveness could be reduced.
- further features can be integrated i.e., monitoring of cable screen connections or monitoring of stray currents;
- improvement of reliability of supply in place where conventional technologies are not justified from economical point of view i.e., suburban areas.
- training for utility employees is needed;
- it is not always clear what is the lowest value of earthing resistance of complex earthing system and therefore further research activities may be needed.
8. Conclusions
Author Contributions
Funding
Conflicts of Interest
References
- Schütze, A.; Helwig, N.; Schneider, T. Sensors 4.0—Smart sensors and measurement technology enable Industry 4.0. J. Sensors Sens. Syst. 2018, 7, 359–371. [Google Scholar] [CrossRef]
- Kim, B.-S.; Kim, K.-I.; Shah, B.; Chow, F.; Kim, K.H. Wireless Sensor Networks for Big Data Systems. Sensors 2019, 19, 1565. [Google Scholar] [CrossRef] [PubMed]
- Bouguera, T.; Diouris, J.-F.; Chaillout, J.-J.; Jaouadi, R.; Andrieux, G. Energy Consumption Model for Sensor Nodes Based on LoRa and LoRaWAN. Sensors 2018, 18, 2104. [Google Scholar] [CrossRef] [PubMed]
- Lowczowski, K.; Nadolny, Z.; Olejnik, B. Analysis of Cable Screen Currents for Diagnostics Purposes. Energies 2019, 12, 1348. [Google Scholar] [CrossRef]
- Lowczowski, K.; Lorenc, J.; Andruszkiewicz, J.; Nadolny, Z.; Zawodniak, J. Novel Earth Fault Protection Algorithm Based on MV Cable Screen Zero Sequence Current Filter. Energies 2019, 12, 3190. [Google Scholar] [CrossRef]
- Mauseth, F.; Hammervoll, K.D.; Hvidsten, S. Dielectric properties of service aged medium voltage XLPE cable joints. In Proceedings of the 2010 10th IEEE International Conference on Solid Dielectrics, Potsdam, Germany, 4–9 July 2010; Institute of Electrical and Electronics Engineers (IEEE): New York, NY, USA, 2010; pp. 1–4. [Google Scholar]
- Frimpong, E.A.; Okyere, P.Y. A Review of Adaptive Autoreclosure Techniques. Indian J.Comput. Sci. Eng. 2010, 1, 222–228. [Google Scholar]
- IntelliRupter PulseCloser Fault Interrupter. Available online: https://www.sandc.com/en/products--services/products/intellirupter-pulsecloser-fault-interrupter (accessed on 10 January 2020).
- European Commission. Integration of Variable Distributed Resources in Distribution Networks; Seventh Framework Programme; THEME ENERGY: Bilbao, Spain, 2012. [Google Scholar]
- CIRED WG03. Fault Management in Electrical Distribution Systems; VTT Technical Research Centre of Finland: Espoo, Finland, 1999. [Google Scholar]
- Seo, H.-C. New Adaptive Reclosing Technique in Unbalanced Distribution System. Energies 2017, 10, 1004. [Google Scholar] [CrossRef]
- Platero, C.; Serrano, J.; Lopez-Toledo, M.; Granizo, R. Influence of High-Speed Train Power Consumption and Arc Fault Resistances on a Novel Ground Fault Location Method for 2× 25 kV Railway Power Supply Systems Influence of High-Speed Train Power Consumption and Arc Fault Resistances on a Novel Ground Fault. Energies 2018, 11, 1601. [Google Scholar] [CrossRef]
- Hoppel, W.; Sieluk, W.; Czarnecki, D. Zabezpieczenie podimpedancyjne w terminalach polowych CZIP-PRO dla linii sredniego napięcia. Wiadomosci Elektrotechniczne 2019, 87, 31–36. [Google Scholar] [CrossRef]
- Tutvedt, K.A.; Seguin, R.; Kjolle, G.; Simonsen, S.; Hermansen, T.S.; Myhr, I. Smart fault handling in medium-voltagedistribution grids. In Proceedings of the 24th International Conference & Exhibition on Electricity Distribution, Glasgow, Scotland, 12–15 June 2017. [Google Scholar]
- Wurm, M. Earth Fault Distance Localization in Inductive Earthed Networks by means of Distance Protection. In Proceedings of the 21st International Conference on Electricity Distribution, Frankfurt, Germany, 6–9 June 2011. [Google Scholar]
- Siemens, Applications for 2005 SIPROTEC Protection Relays; Siemens Aktiengesellschaft: Nuernberg, Germany, 2005.
- ABB. Distance Protection REF 542plus—Application and Setting Guide; ABB: Vaasa, Finland, 2008. [Google Scholar]
- Tshobeni, S. Short Feeder Distance Protection and its Application Limits. In Proceedings of the 19th International Conference on Electricity Distribution, Vienna, Austria, 21–24 May 2007. [Google Scholar]
- Tsimtsios, A.M.; Nikolaidis, V.C. Application of distance protection in mixed overhead-underground distribution feeders with distributed generation. J. Eng. 2018, 2018, 950–955. [Google Scholar] [CrossRef]
- Jensen, C.; Nanayakkara, O.; Rajapakse, A.; Gudmundsdottir, U.; Bak, C. Online fault location on AC cables in underground transmission systems using sheath currents. Electr. Power Syst. Res. 2014, 115, 74–79. [Google Scholar] [CrossRef]
- Bernadić, A.; Leonowicz, Z. Fault location in power networks with mixed feeders using the complex space-phasor and Hilbert–Huang transform. Int. J. Electr. Power Energy Syst. 2012, 42, 208–219. [Google Scholar] [CrossRef]
- Rajalakshmi, B.; Kalaivani, L.B.R. Analysis of Partial Discharge in underground cable joints. In Proceedings of the 2015 International Conference on Innovations in Information, Embedded and Communication Systems (ICIIECS), Coimbatore, India, 19–20 March 2015; Institute of Electrical and Electronics Engineers (IEEE): New York, NY, USA, 2015; pp. 1–5. [Google Scholar]
- Le, T.D.; Petit, M. An Optimisation algorithm for Earth fault location. In Proceedings of the 24th International Conference on Electricity Distribution, Glasgow, Scotland, 12–15 June 2017. [Google Scholar]
- Linčiks, J.; Baranovskis, D. Single Phase Earth Fault Location in the Medium Voltage Distribution Networks. Sci. J. Riga Tech. Univ. Power Electr. Eng. 2009, 25, 13–18. [Google Scholar] [CrossRef][Green Version]
- Farughian, A.; Kumpulainen, L.; Kauhaniemi, K. Earth Fault Location Using Negative Sequence Currents. Energies 2019, 12, 3759. [Google Scholar] [CrossRef]
- Carlsson, F.; Etherden, N.; Johansson, A.; Wall, D.; Fogelberg, A.; Lidström, E. Advanced fault location in compensated distribution networks. CIRED Workshop 2016, 114. [Google Scholar] [CrossRef]
- Olejnik, B. Skutecznosc Sygnalizatorow Przeplywu Pradu Zwarciowego Podczas Wysokooporowych Zwarc Doziemnych W Sieci Sredniego Napiecia; Poznan University of Technology Publishing House: Poznan, Poland, 2020. [Google Scholar]
- Sunil, D.V.; Yadaiah, N. An expert system for fault location in distribution feeder line. In Proceedings of the 2017 International Conference on Energy, Communication, Data Analytics and Soft Computing (ICECDS), Chennai, India, 1–2 August 2017; Institute of Electrical and Electronics Engineers (IEEE): New York, NY, USA, 2017; pp. 2465–2469. [Google Scholar]
- Almeida, B.; Louro, M.; Queiroz, M.; Neves, A.; Nunes, H. Improving smart SCADA data analysis with alternative data sources. CIRED-Open Access Proc. J. 2017, 2017, 1223–1226. [Google Scholar] [CrossRef][Green Version]
- Vieira, F.; Santos, P.H.M.; Filho, J.M.C.; Leborgne, R.C.; Leite, M.P. A Voltage-Based Approach for Series High Impedance Fault Detection and Location in Distribution Systems Using Smart Meters. Energies 2019, 12, 3022. [Google Scholar] [CrossRef]
- Arrabe, R.G.; Platero, C.A.; Gomez, F.A.; Rebollo, E. Novel Auto-Reclosing Blocking Method for Combined Overhead-Cable Lines in Power Networks. Energies 2016, 9, 964. [Google Scholar] [CrossRef]
- Dashti, R.; Salehizadeh, S.M.; Shaker, H.R.; Tahavori, M. Fault Location in Double Circuit Medium Power Distribution Networks Using an Impedance-Based Method. Appl. Sci. 2018, 8, 1034. [Google Scholar] [CrossRef]
- Rahim, M.N.A.; Mokhlis, H.; Abu Bakar, A.H.; Jamian, J.J.; Sukumar, S. Progress on Protection Strategies to Mitigate the Impact of Renewable Distributed Generation on Distribution Systems. Energies 2017, 10, 1864. [Google Scholar]
- Joint Working Group IEEE Power and Energy Society. Fault Current Contributions from Wind Plants; Joint Working Group IEEE Power and Energy Society: College Station, TX, USA, 2015; pp. 137–227. [Google Scholar]
- Tang, W.-J.; Yang, H.-T. Data Mining and Neural Networks Based Self-Adaptive Protection Strategies for Distribution Systems with DGs and FCLs. Energies 2018, 11, 426. [Google Scholar] [CrossRef]
- Kilickiran, H.C.; Akdemir, H.; Sengor, I.; Kekezoglu, B.; Paterakis, N.G. A Non-Standard Characteristic Based Protection Scheme for Distribution Networks. Energies 2018, 11, 1241. [Google Scholar] [CrossRef]
- Ates, Y.; Boynuegri, A.R.; Uzunoglu, M.; Nadar, A.; Yumurtacı, R.; Erdinç, O.; Paterakis, N.G.; Catalão, J.P. Adaptive Protection Scheme for a Distribution System Considering Grid-Connected and Islanded Modes of Operation. Energies 2016, 9, 378. [Google Scholar] [CrossRef]
- Chul, S.H. Novel Protection Scheme considering Tie Switch Operation in an Open-Loop Distribution System using Wavelet Transform. Energies 2019, 12, 1725. [Google Scholar]
- PSCAD 4.6.2 Automation API Documentation 2019. Available online: https://hvdc.ca/knowledge-base/read,article/459/pscad-4-6-2-automation-api-documentation/v (accessed on 10 January 2020).
- IEEE Std 575TM 2014 Guide for Bonding Shields and Sheaths of Single-Conductor Power Cables Rated 5 kV through 500 kV. Insul. Cond. IEEE Power Energy Soc. 2014, 1–83.
- Milovac, P.; Javora, R.; Skendzic, V. Sensor technology in a medium-voltage switchgear for the US market applications. CIRED-Open Access Proc. J. 2017, 2017, 432–435. [Google Scholar] [CrossRef][Green Version]
- Mikronika. Urzadzenia dla Energetyki. Zabezpieczenia firmy Mikronika serii SO-54SR-xxx do zastosowan 2018, 5, 36–39. [Google Scholar]
- Bernadic, A.; Anane, Z. Neutral Point Connections in MV Power Networks with Grounding Zigzag Transformers—Analysis And Simulations. J. Energy 2019, 68, 42–48. [Google Scholar]
- Megger. Getting Down to Earth A Practical Guide to Earth Resistance Testing; MeterCenter: Chandler, AZ, USA, 2015. [Google Scholar]
- Zawodniak, J.; Wielkopolski, S.O. Podstawowe bledy popelniane podczas projektowania i wykonywania uziemien. Autom. Elektr. ZAKLOCENIA 2017, 8, 92–97. [Google Scholar] [CrossRef]
- Andruszkiewicz, J.; Lorenc, J.; Łowczowski, K.; Weychan, A.; Zawodniak, J. Energy losses’ reduction in metallic screens of MV cable power lines and busbar bridges composed of single-core cables. Ekspolatacja i Niezawodn.-Maint. Reliab. 2019, 22, 15–25. [Google Scholar] [CrossRef]
- Todorovski, M.; Ackovski, R. Equivalent Circuit of Single-Core Cable Lines Suitable for Grounding Systems Analysis Under Line-to-Ground Faults. IEEE Trans. Power Deliv. 2013, 29, 751–759. [Google Scholar] [CrossRef]
- Liang, Z.; Zhu, G. Analysis of Earth Currents in a Medium-Voltage Distribution Network with Three-Core Cables. In Proceedings of the IEEE Innovative Smart Grid Technologies—Asia, Bangkok, Thailand, 3–6 November 2015. [Google Scholar]
- Benato, R.; Sessa, S.D.; Guglielmi, F.; Partal, E.; Tleis, N. Ground Return Current Behaviour in High Voltage Alternating Current Insulated Cables. Energies 2014, 7, 8116–8131. [Google Scholar] [CrossRef]
- Viel, E.; Griffiths, H. Fault current distribution in HV cable systems. IEE Proc.-Gener. Transm. Distrib. 2000, 147, 231. [Google Scholar] [CrossRef]
- Mangione, S. A Simple Method for Evaluating Ground-Fault Current Transfer at the Transition Station of a Combined Overhead-Cable Line. IEEE Trans. Power Deliv. 2008, 23, 1413–1418. [Google Scholar] [CrossRef]
- Jing, L.; Son, D.-H.; Kang, S.-H.; Nam, S.-R. A Novel Protection Method for Single Line-to-Ground Faults in Ungrounded Low-Inertia Microgrids. Energies 2016, 9, 459. [Google Scholar] [CrossRef]
- Khakimzyanov, E.; Mustafin, R.; Platonov, P. Method of fault location for double line-to-earth faults in distribution networks. Eng. Sci. Technol. Int. J. 2016, 19, 1668–1671. [Google Scholar] [CrossRef]
- Strzalka, J.T.; Wojsznis, T. Zasady wykonywania pomiarow uziemien i oceny wynikow pomiarow. Biul. SEP 2003, 20, 1–15. [Google Scholar]
- Popovic, L.M. Comparative analysis of grounding systems formed by MV cable lines with either uninsulated or insulated metal sheath(s). Electr. Power Syst. Res. 2011, 81, 393–399. [Google Scholar] [CrossRef]
- Tele-Fonika Kable S.A. Kable i przewody elektroenergetyczne; Tele-Fonika Kable S.A: Cracow, Poland, 2019; pp. 276–310. [Google Scholar]
- ScottishPower, ScottishPower Distribution Cables & Equipment. Metal Theft. Available online: https://www.spenergynetworks.co.uk/userfiles/file/ScottishPower_cables_equipment_metal_theft.pdf (accessed on 26 February 2016).
- Strunz, K.; Abbasi, E.; Abbey, C.; Andrieu, C.; Gao, F.; Gaunt, T. Benchmark Systems for Network Integration of Renewable and Distributed Energy Resources. Cigre Task Force C 2014, 6, 78. [Google Scholar]
- Wannous, K.; Toman, P. Evaluation of Harmonics Impact on Digital Relays. Energies 2018, 11, 893. [Google Scholar] [CrossRef]
- Lorenc, J. Admitancyjne Zabezpieczenia Ziemnozwarciowe; Wydawnictwo Politechniki Poznanskiej: Poznan, Poland, 2007. [Google Scholar]
- Mugala, G. High Frequency Characteristics of Medium Voltage XLPE Power Cables. KTH Electr. Eng. 2005, 17, 93. [Google Scholar]
- Jajczyk, J.; Kasprzyk, L. The Use of Coupled Temperature and Electromagnetic Fields in Optimization Problems. In Proceedings of the 6th IASME/WSEAS International Conference on Heat Transfer, Thermal Engineering and Environment, Rhodes, Greece, 20–22 August 2008. [Google Scholar]





















| Methods | Fault Current Indicator | Distance Protection | Proposed Solution |
|---|---|---|---|
| Detection of 1fg faults | Yes | Yes | Yes |
| Detection of 2fg and phase to phase faults | Yes | Yes | Yes 1 |
| Fault location identification | The section between 2 indicators 2 | The estimated location of phase to phase faults 3 | Estimated location to faults in cable lines and identification of line type affected by faults 4 |
| Identification of branches affected by faults | Yes, if additional current indicators are installed and integrated with the fault management system 5 | In exceptional cases 6 | Yes, if there are significant differences in electric parameters between lines 4 |
| The complexity of measuring system | Very big – many measuring systems | Big – complex algorithm and hardware 7 | Average – utilization of additional current sensors for I0cs measurement |
| Advantages | Possibility to install indicators in convenient places | Good operational performance in case of phase to phase faults | Gives the possibility to use 2 different time settings |
| Operational issues | Difficult installation and maintenance actions in different places. Communication is required 8 | Difficult – expensive protection relay tester is required 9 | Average difficulty 10 |
| Proper operation in case of neutral point failure | No | No | Yes |
| Auto reclose blocking | Possible 11 | In exceptional cases 12 | Possible |
| Lp. | Measurements in MV | Connection with Ground | Simulation Results | Simulation Errors | ||||||||
|---|---|---|---|---|---|---|---|---|---|---|---|---|
| I0żr | I0żp | αr | RF110/15 | A | B | C | I0żp | αs | RF110/15 | RF110/15 | ∆α | |
| 1 | 44.025 | 42.706 | 1.75 | 97.0 | 1 | 1 | 1 | 43.384 | 0.03 | 98.5 | 1.59 | −1.91 |
| 2a | 44.066 | 41.812 | 1.62 | 94.9 | 1 | 0 | 1 | 43.125 | 0.14 | 97.9 | 3.12 | −1.64 |
| 2b | 42.67 | 40.208 | 2.7 | 94.2 | 1 | 0 | 1 | 41.759 | 0.14 | 97.9 | 3.89 | −2.84 |
| 3a | 34.865 | 33.347 | 1.98 | 95.6 | 0 | 0 | 1 | 33.401 | 0.29 | 95.8 | 0.21 | −1.88 |
| 3b | 33.391 | 31.278 | 1.44 | 93.7 | 0 | 0 | 1 | 31.992 | 0.29 | 95.8 | 2.25 | −1.28 |
| 4a | 33.402 | 31.018 | 3.35 | 92.9 | 0 | 1 | 1 | 31.168 | 0.04 | 93.3 | 0.44 | −3.68 |
| 4b | 31.814 | 29.631 | 2.79 | 93.1 | 0 | 1 | 1 | 31.168 | 0.04 | 98.0 | 5.23 | −3.06 |
| 5 | 31.601 | 0.677 | 86.9 | 2.14 | 1 | 1 | 1 | 0.891 | 81.84 | 2.8 | 31.75 | −5.62 |
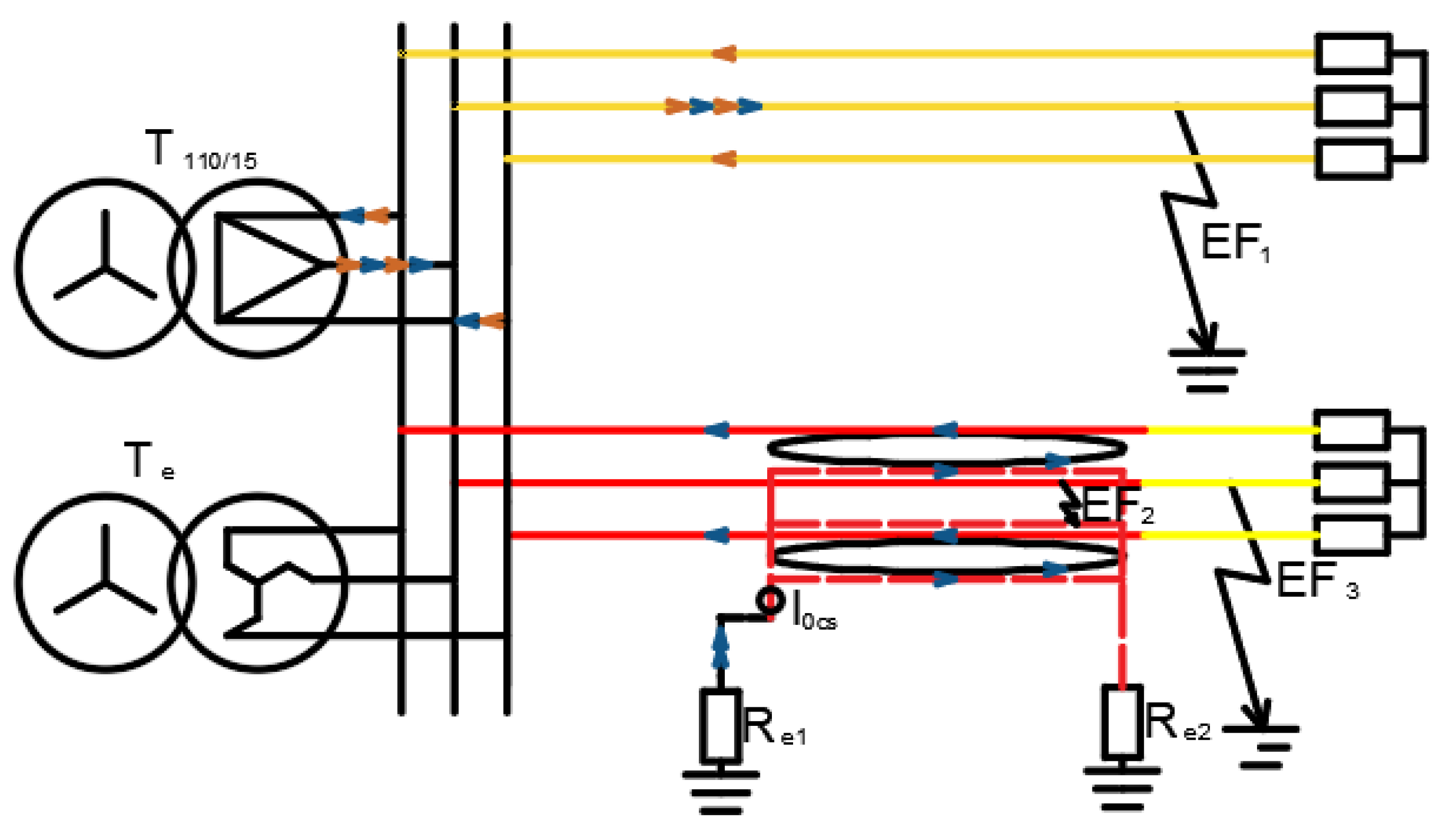
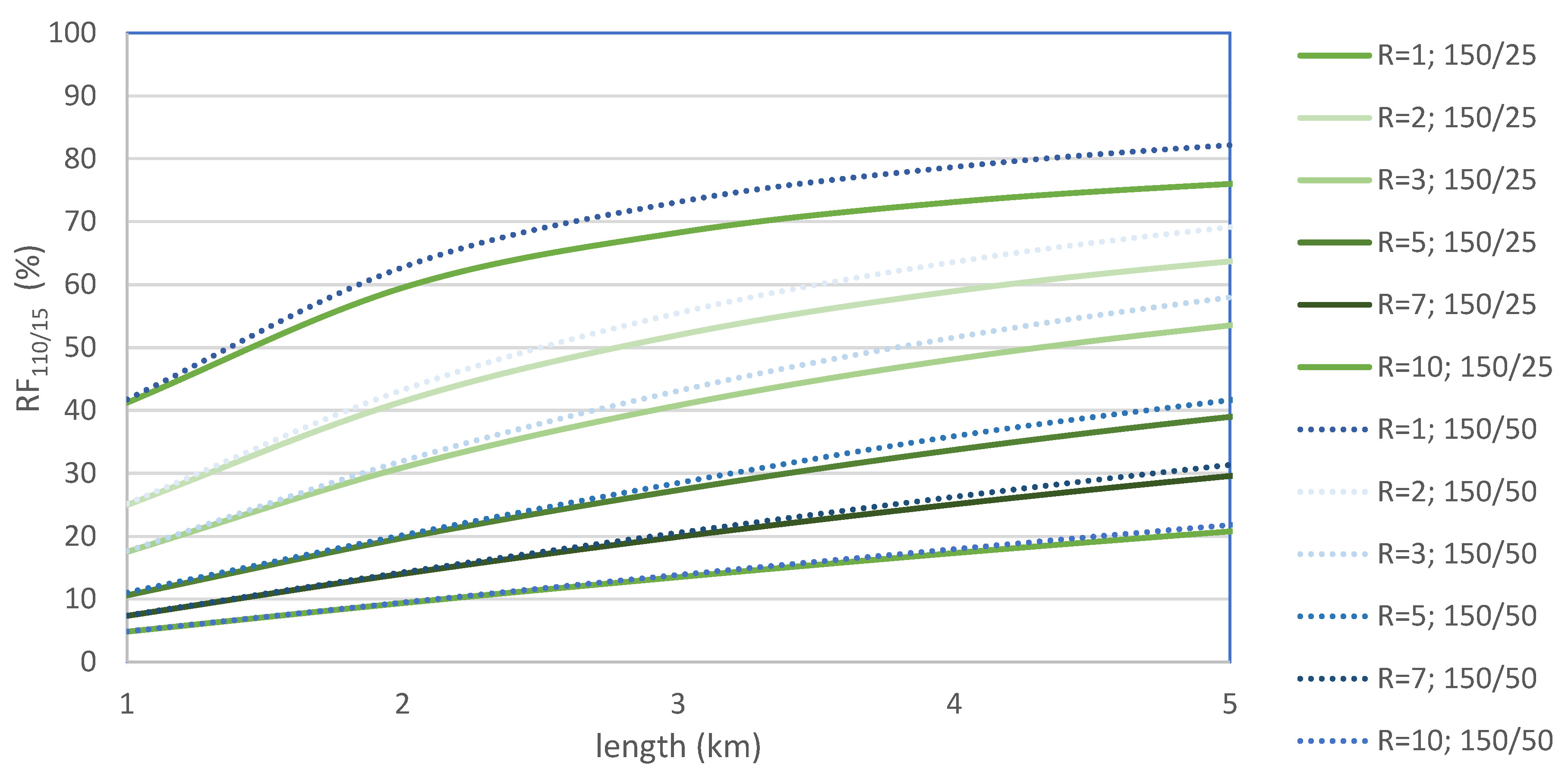
| Case 1 (Figure 1, 5, 10 km) | Location of Earth Fault in Cable Line | Location of Earth Fault in Overhead Line | Identification of Line Type Affected by Fault and Auto-Reclose Blocking for Earth Faults in Cable Line | Identification of Branch |
|---|---|---|---|---|
| Case 1 (Figure 6) cable 1 km overhead section 1 km | ||||
| Distance | No | No | no | na |
| Fault indicator | No 1 | Yes, but because of operation issues is not installed | Yes 2 | na |
| Developed criteria | Yes | No | Yes | na |
| Case 1 (Figure 6) cable 5 km overhead section 5 km | ||||
| Distance | No | No | limited | na |
| Fault indicator | No 1 | yes | Yes 2 | na |
| Developed criteria | Yes | No | Yes | na |
| Case 2 (Figure 7) cable 1 km overhead section 1 km and 10 km cable line | ||||
| Distance | No | No | No | na |
| Fault indicator | No | Yes, but because of operation issues is not installed | yes | na |
| Developed criteria | Require special attention in compensated networks | No | Yes | na |
| Case 2 (Figure 7) cable 5 km overhead section 5 km and 10 km cable line | ||||
| Distance | No | No | No | na |
| Fault indicator | No | Yes, but because of operation issues is not installed | yes | na |
| Developed criteria | Require special attention in compensated networks | No | Yes | na |
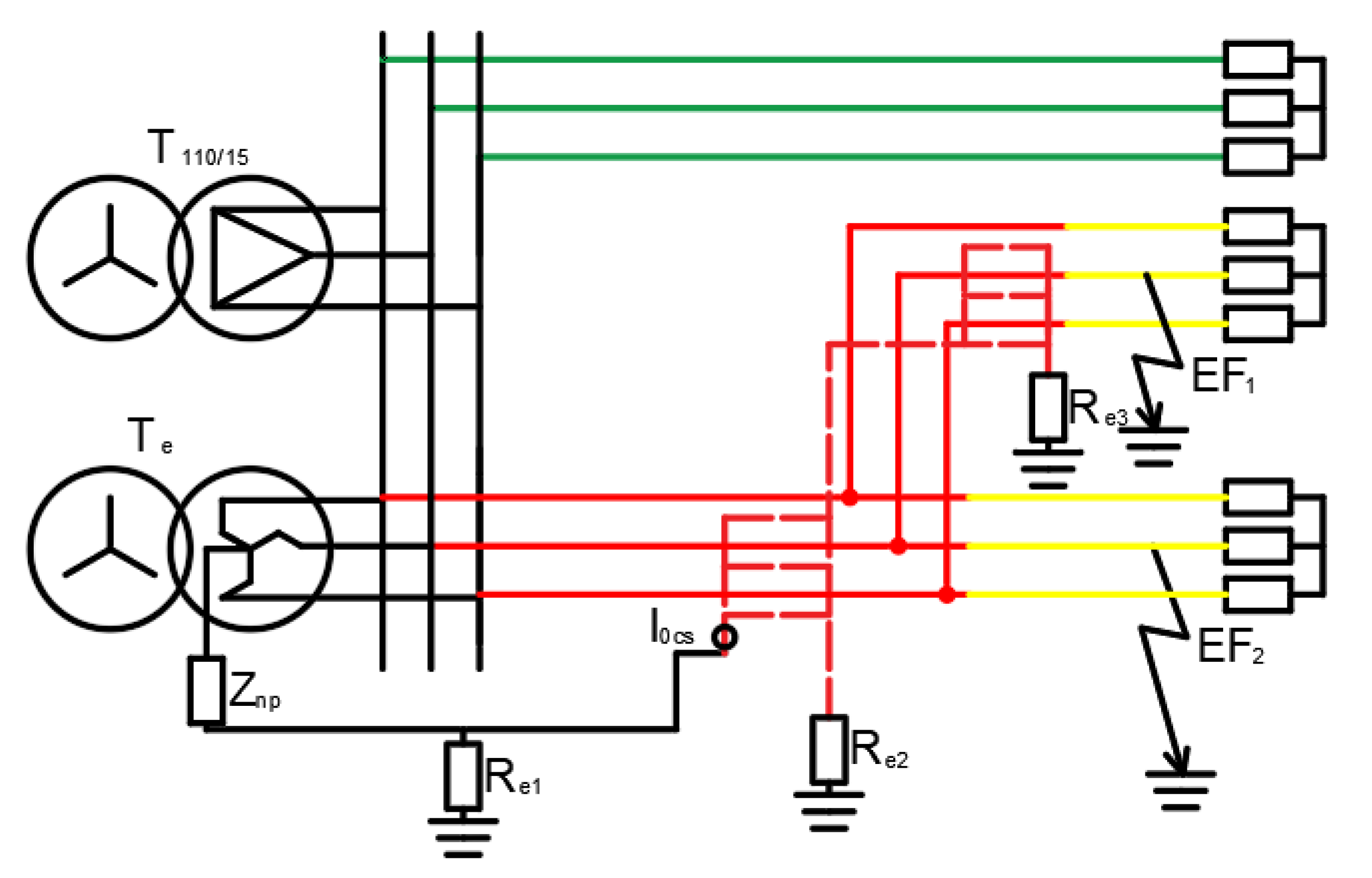
| Case 2 (Figure 10) cable 1 km overhead section 1 km | ||||
| Distance | No | No | No | na |
| Fault indicator | Segment between Re1 and Re2 or segment between Re2 and Re3 d | Yes, but because of operation issues is not installed | yes | na |
| Developed criteria | yes | No | Yes | na |
| Case 2 (Figure 10) cable 1 km overhead section 10 km | ||||
| Distance | No | No | No | na |
| Fault indicator | Segment between Re1 and Re2 or segment between Re2 and Re3 | Yes, but because of operation issues is not installed | yes | na |
| Developed criteria | Performance depend on number of earthing points and earthing resistance. | No | Yes | na |
| Case 2 (Figure 15) cable 1 km and 3 km, overhead section 10 km | ||||
| Distance | No | No | No | No |
| Fault indicator | Segment between Re1 and Re2 or segment between Re2 and Re3 | Yes | yes | Yes, if earth fault indicator is installed |
| Developed criteria | Performance depend on number of earthing points and earthing resistance.—If points on RF110/15 = f(α) differ significantly (Figure 18). | No | Yes | Yes, for faults in overhead lines |
© 2020 by the authors. Licensee MDPI, Basel, Switzerland. This article is an open access article distributed under the terms and conditions of the Creative Commons Attribution (CC BY) license (http://creativecommons.org/licenses/by/4.0/).
Share and Cite
Lowczowski, K.; Lorenc, J.; Zawodniak, J.; Dombek, G. Detection and Location of Earth Fault in MV Feeders Using Screen Earthing Current Measurements. Energies 2020, 13, 1293. https://doi.org/10.3390/en13051293
Lowczowski K, Lorenc J, Zawodniak J, Dombek G. Detection and Location of Earth Fault in MV Feeders Using Screen Earthing Current Measurements. Energies. 2020; 13(5):1293. https://doi.org/10.3390/en13051293
Chicago/Turabian StyleLowczowski, Krzysztof, Jozef Lorenc, Jozef Zawodniak, and Grzegorz Dombek. 2020. "Detection and Location of Earth Fault in MV Feeders Using Screen Earthing Current Measurements" Energies 13, no. 5: 1293. https://doi.org/10.3390/en13051293
APA StyleLowczowski, K., Lorenc, J., Zawodniak, J., & Dombek, G. (2020). Detection and Location of Earth Fault in MV Feeders Using Screen Earthing Current Measurements. Energies, 13(5), 1293. https://doi.org/10.3390/en13051293

