Optimal Inertia Reserve and Inertia Control Strategy for Wind Farms
Abstract
1. Introduction
2. Active Power and Inertia Control Principle of Doubly-Fed Induction Generator
2.1. Power Control of DFIG
2.2. Inertia Control of DFIG
3. Analysis of the Exit Point of the Inertia Control of a Wind Turbine
4. Maximum Inertia Reserve Control of Wind Farms
4.1. Mathematical Model of Steady-State Wind Farm Active Power Control
4.2. Solving Algorithms
- (1)
- The genetic algorithm first randomly generates n individuals within the constraint range. Each individual which represents the initial active reference sequence is encoded by a string of binary codes. Thus, the first objective function (Equation (7)) is obtained. With the deloaded control relationship between rotating speed and active power, the rotating speed individuals can be derived. Thus, the second objective function (Equation (9)) is obtained.
- (2)
- Combine and , the multiobjective optimization mathematical function is obtained. The multiobjective function value can be calculated under the active reference sequence and take the result as a fitness function.
- (3)
- The calculation is made in per-unit value, and the termination condition is . If the fitness calculation result does not satisfy the termination condition, the program will select the individuals which lead to a better fitness and keep them for the next sequence.
- (4)
- To make the fitness calculation result better, the crossover and mutation operations in the genetic algorithm are performed, and then new individuals, which stand for the new generation of active power references sequence, are derived constantly. The crossover refers to the operation of replacing the partial binary code of two previous individuals to generate new individuals. The excellent traits of the parent chromosome are inherited to the next generation chromosome to the greatest extent, and some better traits can also be produced during this period. The mutation refers to the operation of changing one binary code of previous individuals at random to generate new individuals.
- (5)
- Using the fitness function to evaluate the fitness of each generation repeatedly will result in a set of individuals with the strongest fitness through continuous evolution. Finally, this set of individuals is the solution of the model.
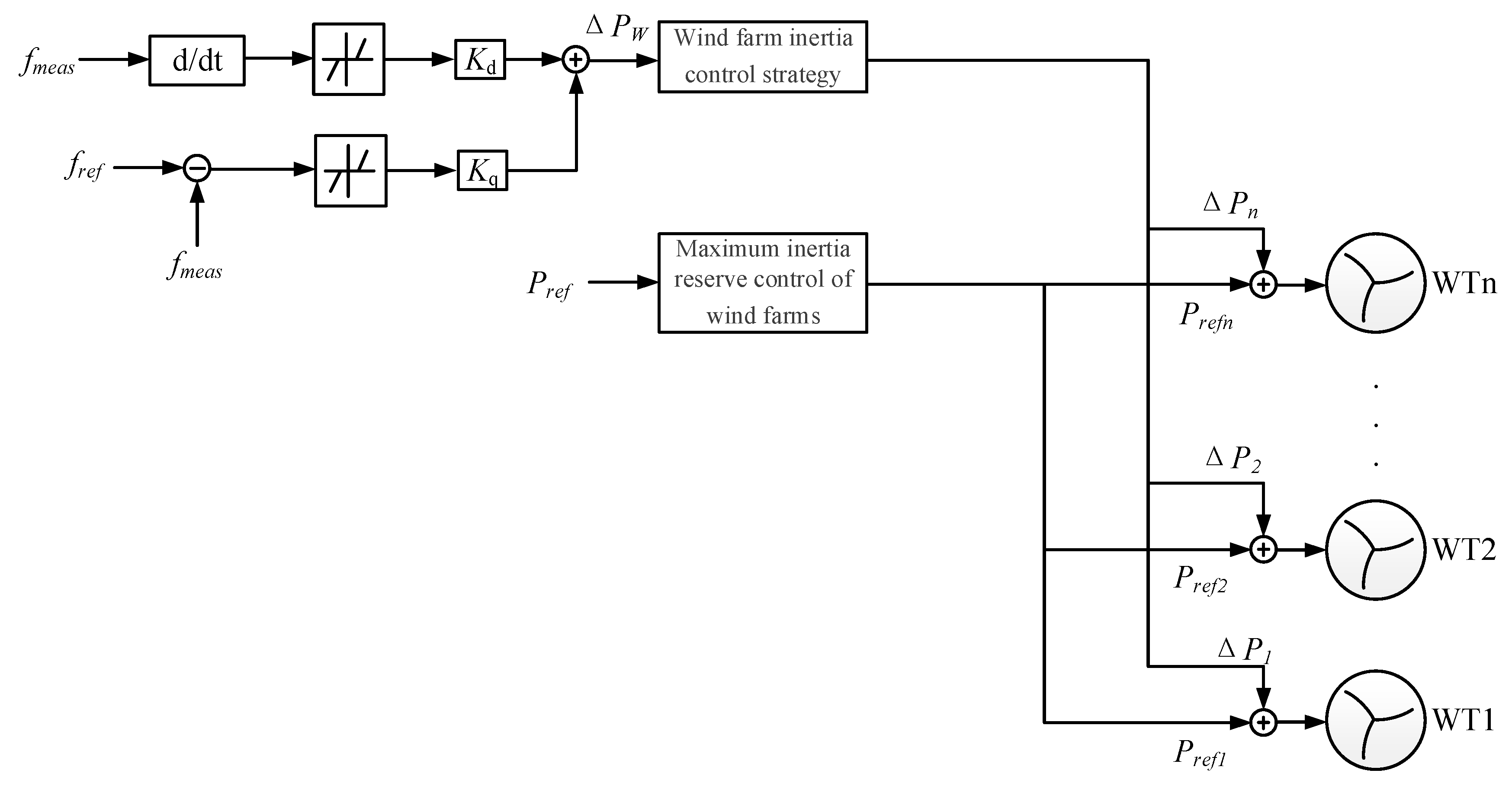
5. Wind Farm Inertia Control Strategy
6. Case Study
6.1. Verification of Inertia Reserve of Proposed Control Strategy
6.2. Inertia Control Verification of Wind Farms
6.2.1. Evaluation Index System
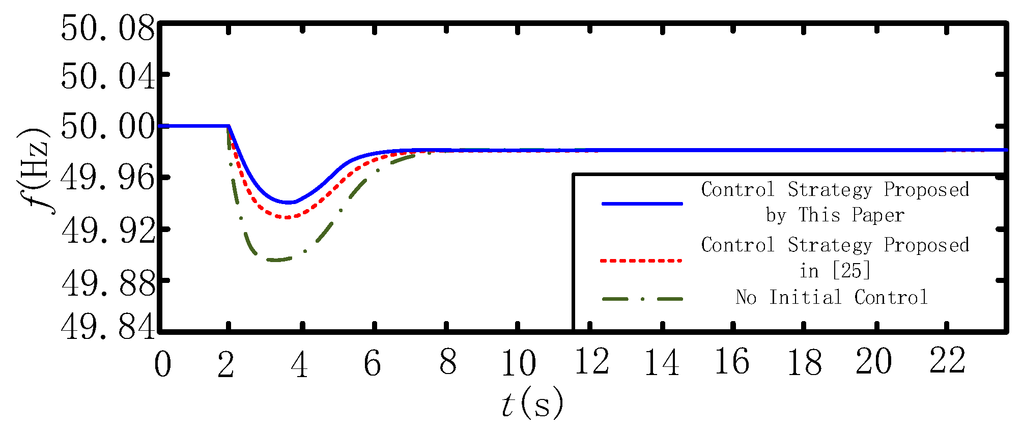
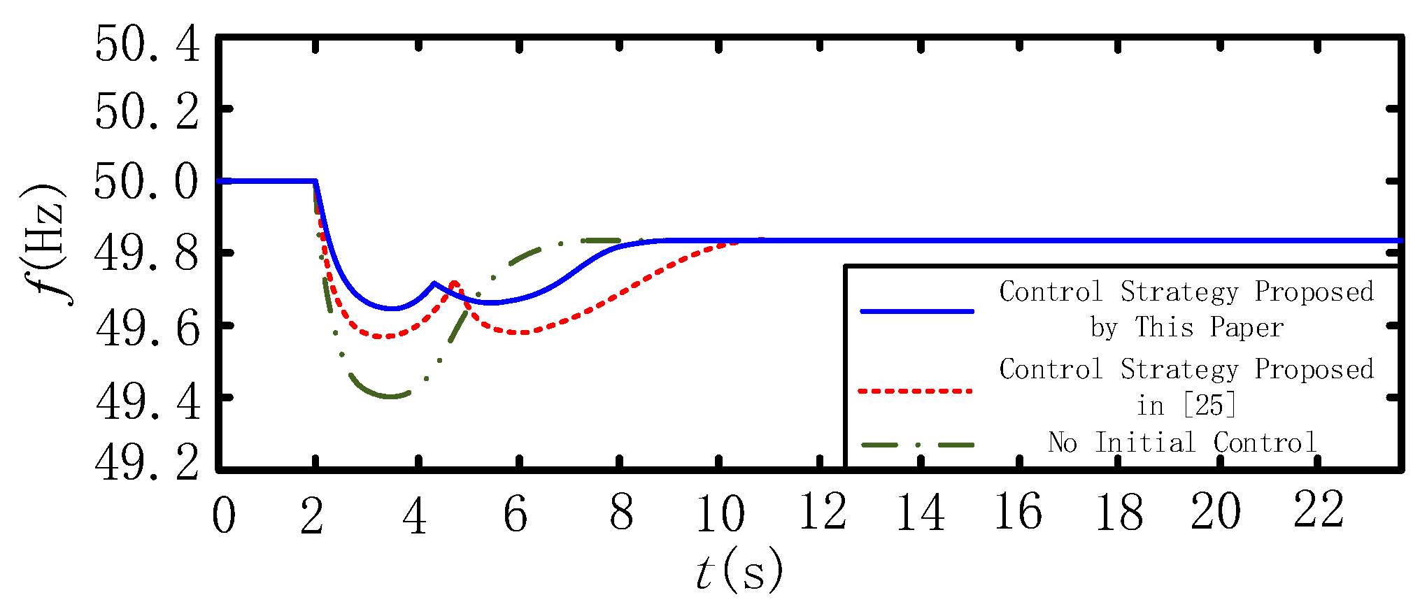
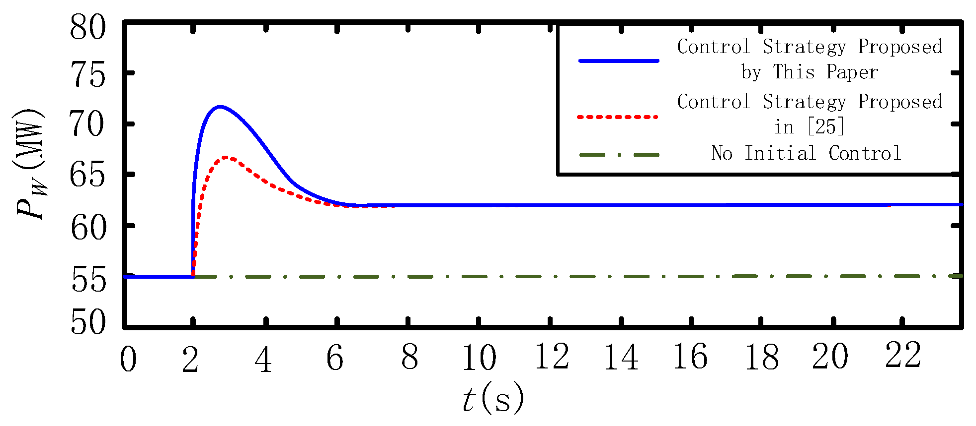
6.2.2. Simulation Analysis
7. Conclusions
Author Contributions
Funding
Acknowledgments
Conflicts of Interest
References
- Fu, T.; Wang, C. A Hybrid Wind Speed Forecasting Method and Wind Energy Resource Analysis Based on a Swarm Intelligence Optimization Algorithm and an Artificial Intelligence Model. Sustainability 2018, 10, 3913. [Google Scholar] [CrossRef]
- Ganea, D.; Mereuta, E.; Rusu, E. An Evaluation of the Wind and Wave Dynamics along the European Coasts. J. Mar. Sci. Eng. 2019, 7, 43. [Google Scholar] [CrossRef]
- Wang, L.; Liu, J.; Qian, F. Frequency Distribution Model of Wind Speed Based on the Exponential Polynomial for Wind Farms. Sustainability 2019, 11, 665. [Google Scholar] [CrossRef]
- Wang, B.; Tang, Z.; Gao, X.; Liu, W.; Chen, X. Distributed Control Strategy of the Leader-Follower for Offshore Wind Farms under Fault Conditions. Sustainability 2019, 11, 2290. [Google Scholar] [CrossRef]
- Vidyanandan, K.V.; Senroy, N. Primary frequency regulation by deloaded wind turbines using variable droop. IEEE Trans. Power Syst. 2013, 28, 837–846. [Google Scholar] [CrossRef]
- RogÉrio, G.; de Almeida, J.A.; Lopes, P. Participation of doubly fed induction wind turbines in system frequency regulation. IEEE Trans. Power Syst. 2007, 22, 944–950. [Google Scholar] [CrossRef]
- Fu, Y.; Wang, Y.; Zhang, X. Integrated wind turbine controller with virtual inertia and primary frequency responses for grid dynamic frequency support. IET Renew. Power Gener. 2017, 11, 1129–1137. [Google Scholar] [CrossRef]
- Fernandez, L.M.; Garcia, C.A.; Jurado, F. Comparative study on the performance of control systems for doubly fed induction generator (DFIG) wind turbines operating with power regulation. Energy 2008, 33, 1438–1452. [Google Scholar] [CrossRef]
- Moyano, C.F.; Peças Lopes, J.C. An optimization approach for wind turbine commitment and dispatch in a wind park. Electr. Power Syst. Res. 2009, 79, 71–79. [Google Scholar] [CrossRef]
- Guo, Y.; Wang, W.; Tang, C.Y.; Jiang, J.N.; Ramakumar, R.G. Model predictive and adaptive wind farm power control. In Proceedings of the IEEE 2013 American Control Conference, Washington, DC, USA, 17–19 June 2013; pp. 2890–2897. [Google Scholar] [CrossRef]
- Zhao, H.; Wu, Q.; Huang, S.; Shahidehpour, M.; Guo, Q.; Sun, H. Fatigue load sensitivity based optimal active power dispatch for wind farms. IEEE Trans. Sustain. Energy 2017, 8, 1247–1259. [Google Scholar] [CrossRef]
- Gao, Z.; Teng, X.; Zhang, X. Solution of Active Power Dispatch and Control Scheme for Interconnected Power Grids with Large-scale Wind Power Integration. Autom. Electr. Power Syst. 2010, 34, 37–41. [Google Scholar] [CrossRef]
- Gautam, D.; Goel, L.; Ayyanar, R.; Vittal, V.; Harbour, T. Control strategy to mitigate the impact of reduced inertia due to doubly fed induction generators on large power systems. IEEE Trans. Power Syst. 2011, 26, 214–224. [Google Scholar] [CrossRef]
- Morren, J.; de Haan, S.W.H.; Kling, W.L.; Ferreira, J.A. Wind turbines emulating inertia and supporting primary frequency control. IEEE Trans. Power Syst. 2006, 21, 433–434. [Google Scholar] [CrossRef]
- Ma, H.; Chowdhury, B. Working towards frequency regulation with wind plants: Combined control approaches. IET Renew. Power Gener. 2010, 4, 308–316. [Google Scholar] [CrossRef]
- Zhang, Z.S.; Sun, Y.Z.; Lin, J.; Li, G.-J. Coordinated frequency regulation by doubly fed induction generator-based wind power plants. IET Renew. Power Gener. 2012, 6, 38–47. [Google Scholar] [CrossRef]
- Liu, Z.; Ding, L.; Wang, K. Control strategy to mitigate secondary frequency dips for DFIG with virtual inertial control. In Proceedings of the IEEE China International Conference on Electricity Distribution, Xi’an, China, 10–12 October 2016; pp. 1–5. [Google Scholar] [CrossRef]
- Motamed, B.; Chen, P.; Persson, M. Comparison of primary frequency support methods for wind turbines. In Proceedings of the 2013 IEEE, PowerTech (POWERTECH), Grenoble, France, 16–20 June 2013. [Google Scholar] [CrossRef]
- James, C.F.; Rick, W. Frequency response capability of full converter wind turbine generators in comparison to conventional generation. IEEE Trans. Power Syst. 2008, 23, 649–656. [Google Scholar] [CrossRef]
- Sun, Y.; Zhang, Z.; Li, G.; Lin, J. Review on frequency control of power systems with wind power penetration. In Proceedings of the 2010 IEEE International Conference on Power System Technology (POWERCON), Hangzhou, China, 24–28 October 2010; pp. 1–8. [Google Scholar] [CrossRef]
- Lin, W.; Wen, J.; Liang, J.; Cheng, S.; Yao, M.; Li, N. Towards an assessment of power system frequency support from wind plant-modeling aggregate inertial response. IEEE Trans. Power Syst. 2013, 28, 2283–2291. [Google Scholar]
- Francois, B. High wind power penetration in isolated power systems-assessment of wind inertial and primary frequency responses. IEEE Trans. Power Syst. 2013, 28, 2412–2420. [Google Scholar] [CrossRef]
- Rodriguez-amendo, J.L.; Arnalte, S.; Burgos, J.C. Automatic generation control of a wind farm with variable speed wind turbines. IEEE Trans. Energy Convers. 2007, 17, 279–284. [Google Scholar] [CrossRef]
- Yao, X.; Su, X.; Tian, L. Wind turbine control strategy at lower wind velocity based on neural network PID control. In Proceedings of the 2009 IEEE International Workshop on Intelligent Systems and Applications, ISA2009, Wuhan, China, 23–24 May 2009; pp. 1–5. [Google Scholar] [CrossRef]
- Chen, Y.; Wang, G.; Shi, Q.; Fu, L.; Jiang, W.; Huang, H. A new coordinated virtual inertia control strategy for wind farms. Autom. Electr. Power Syst. 2015, 39, 27–33. [Google Scholar] [CrossRef]
- Sun, X.; Zhu, J.; Hanif, A.; Li, Z.; Sun, G. Effects of blade shape and its corresponding moment of inertia on self-starting and power extraction performance of the novel bowl-shaped floating straight-bladed vertical axis wind turbine. Sustain. Energy Technol. Assess. 2020, 38. [Google Scholar] [CrossRef]



















© 2020 by the authors. Licensee MDPI, Basel, Switzerland. This article is an open access article distributed under the terms and conditions of the Creative Commons Attribution (CC BY) license (http://creativecommons.org/licenses/by/4.0/).
Share and Cite
Cai, Y.; Li, Z.; Cai, X. Optimal Inertia Reserve and Inertia Control Strategy for Wind Farms. Energies 2020, 13, 1067. https://doi.org/10.3390/en13051067
Cai Y, Li Z, Cai X. Optimal Inertia Reserve and Inertia Control Strategy for Wind Farms. Energies. 2020; 13(5):1067. https://doi.org/10.3390/en13051067
Chicago/Turabian StyleCai, Youming, Zheng Li, and Xu Cai. 2020. "Optimal Inertia Reserve and Inertia Control Strategy for Wind Farms" Energies 13, no. 5: 1067. https://doi.org/10.3390/en13051067
APA StyleCai, Y., Li, Z., & Cai, X. (2020). Optimal Inertia Reserve and Inertia Control Strategy for Wind Farms. Energies, 13(5), 1067. https://doi.org/10.3390/en13051067

